Скачать РД 31.55.08.03-79 Отливки из цветных сплавов. Материалы шихтовые и вспомогательные. Нормы расходаДата актуализации: 01.01.2021
|
| Обозначение: | РД 31.55.08.03-79 |
| Обозначение англ: | RD 31.55.08.03-79 |
| Статус: | введен впервые |
| Название рус.: | Отливки из цветных сплавов. Материалы шихтовые и вспомогательные. Нормы расхода |
| Дата добавления в базу: | 01.01.2018 |
| Дата актуализации: | 01.01.2021 |
| Дата введения: | 01.01.1981 |
| Область применения: | Документ распространяется на шихтовые и вспомогательные материалы, применяемые при производстве отливок из цветных сплавов на судоремонтных заводах ММФ |
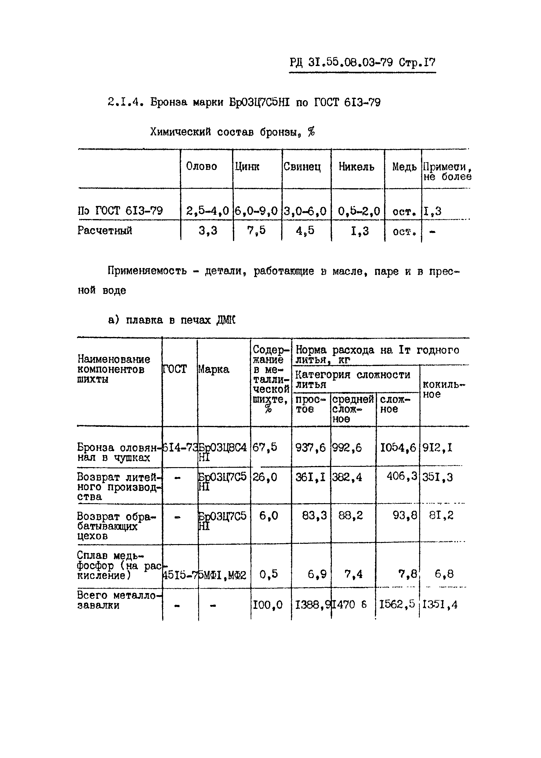
| Оглавление: | 1 Общие положения 2 Отливки бронзовые 3 Отливки из медно—цинковых сплавов (латуни литейные) 4 Отливки из алюминиевых сплавов. 5 Нормы расхода вспомогательных материалов 6 Нормы расхода материалов в модельном производстве 7 Нормы расхода топлива и электроэнергии |
| Разработан: | Балтийское центральное проектно-конструкторское бюро с экспериментальным (опытным) производством |
| Утверждён: | 04.09.1980 Министерство морского флота СССР (USSR Ministry of the Merchant Marine НТУ-3-49/1341) |
| Принят: | Гипроцветметобработка Управление технической эксплуатации флота и судоремонтных заводов Минморфлота Управление материально-технического снабжения ММФ |
| Издан: | В/О Мортехинформреклама (1987 г. ) |
| Список изменений: | |
| Нормативные ссылки: |









































































Текстовое изменение № 1 от 19.06.1981

Текстовое изменение № 2 от 18.02.1982

Текстовое изменение № 3 от 18.02.1982
