Скачать Рекомендации по проектированию складов материально-технического снабжения гражданской авиации

Дата актуализации: 01.01.2021

Рекомендации по проектированию складов материально-технического снабжения гражданской авиации

Статус:справочные материалы, мп, тпр
Название рус.:Рекомендации по проектированию складов материально-технического снабжения гражданской авиации
Дата добавления в базу:01.01.2018
Дата актуализации:01.01.2021
Область применения:Рекомендации распространяются на склады материально-технического снабжения в классифицированных аэропортах и на базисные склады МТС управлений гражданской авиации.
Оглавление:1 Общие положения
2 Технологические процессы на складах материально—технического снабжения гражданской авиации
3 Определение площадей основного производственного назначения (складских площадей)
4 Рекомендации по параметрам складских зданий и сооружений
5 Рекомендации по использованию средств механизации и оборудования
6 Рекомендации по классификации складов по взрывной, взрыво— и пожарной опасности
7 Рекомендация по определению численности персонала на складах МТС
Приложение 1. Схема технологического процесса на складах МТС ГА по группам операций
Приложение 2. Средства механизации операций технологического процесса
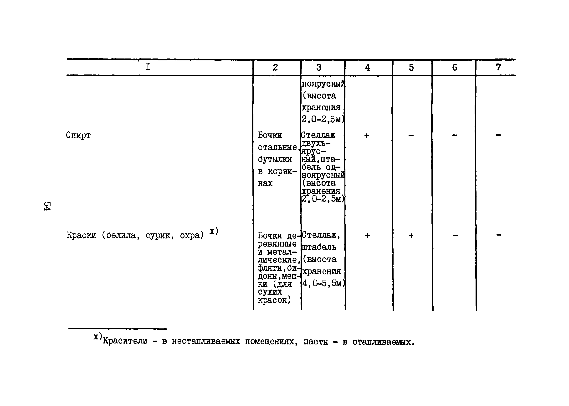
Приложение 3. Рекомендуемые условия хранения АТИ и МТИ на складах МТС ГА
Приложение 4. Перечень и краткая характеристика основного оборудования для транспортных и грузоподъемных работ
Приложение 5. Основные параметры мостовых кранов-штабелеров опорных
Приложение 6. Показатели условий хранения химических материалов
Приложение 7. Несовместимые к хранению химические материалы
Приложение 8. Совместное хранение пожаро— и взрывоопасных веществ
Разработан: ГПИ и НИИ ГА Аэропроект
Утверждён:29.09.1985 ГПИ и НИИ ГА Аэропроект