Скачать ГОСТ 34002-2016 Вентиляторы. Термины и классификацияДата актуализации: 01.01.2021
|
| Обозначение: | ГОСТ 34002-2016 |
| Обозначение англ: | GOST 34002-2016 |
| Статус: | введен впервые |
| Название рус.: | Вентиляторы. Термины и классификация |
| Название англ.: | Fans. Vocabulary and classification |
| Дата добавления в базу: | 01.01.2018 |
| Дата актуализации: | 01.01.2021 |
| Дата введения: | 01.07.2018 |
| Область применения: | Стандарт определяет термины и классификацию вентиляторов различных схем и видов назначения. |
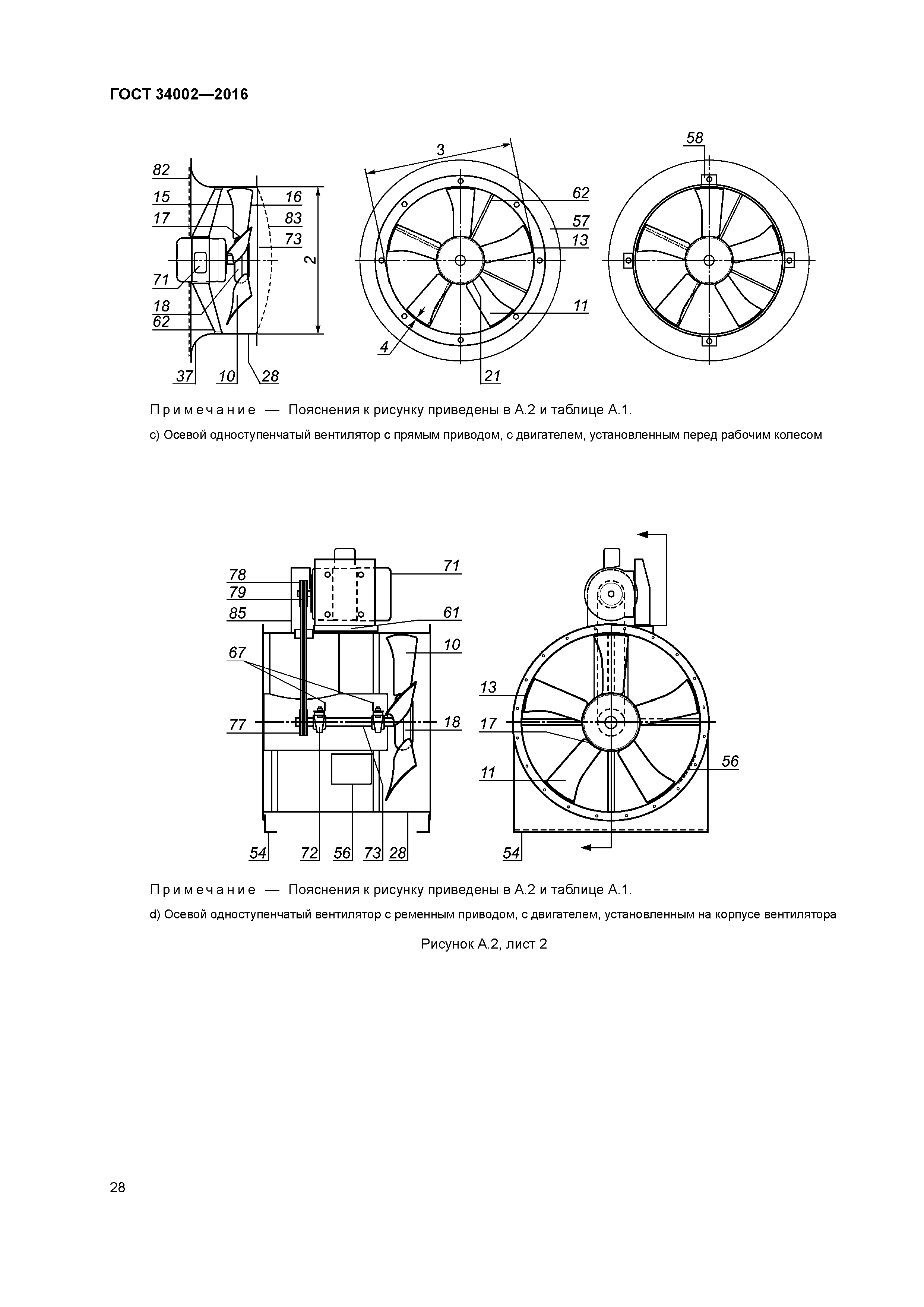
| Оглавление: | 1 Область применения 2 Нормативные ссылки 3 Термины и определения 4 Обозначения 5 Классификация вентиляторов 5.1 Общие сведения 5.2 Классификация по величине создаваемого давления 5.3 Классификация по типу привода 5.4 Способы регулирования работы вентилятора 5.5 Направление вращения и расположение элементов конструкции Приложение А (справочное) Наименования конструктивных элементов вентиляторов Приложение Б (справочное) Вентиляторы с входными и выходными элементами Приложение ДА (справочное) Перечень технических отклонений, внесенных в содержание межгосударственного стандарта при его модификации по отношению к примененному международному стандарту Приложение ДБ (справочное) Сведения о соответствии ссылочных межгосударственных стандартов международным стандартам, использованным в качестве ссылочных в примененном международном стандарте Приложение ДВ (справочное) Соответствие терминов на русском и английском языках Библиография |
| Разработан: | ФГУП ВНИИНМАШ ТК 061 Вентиляция и кондиционирование |
| Утверждён: | 25.10.2016 Межгосударственный Совет по стандартизации, метрологии и сертификации (Inter-Governmental Council on Standardization, Metrology, and Certification 92-П) 08.08.2017 Федеральное агентство по техническому регулированию и метрологии (826-ст) |
| Издан: | Стандартинформ (2017 г. ) |
| Нормативные ссылки: |
|










































