Скачать Инструкция по нивелированию I, II, III и IV классов (издание 1974 года)Дата актуализации: 01.01.2021
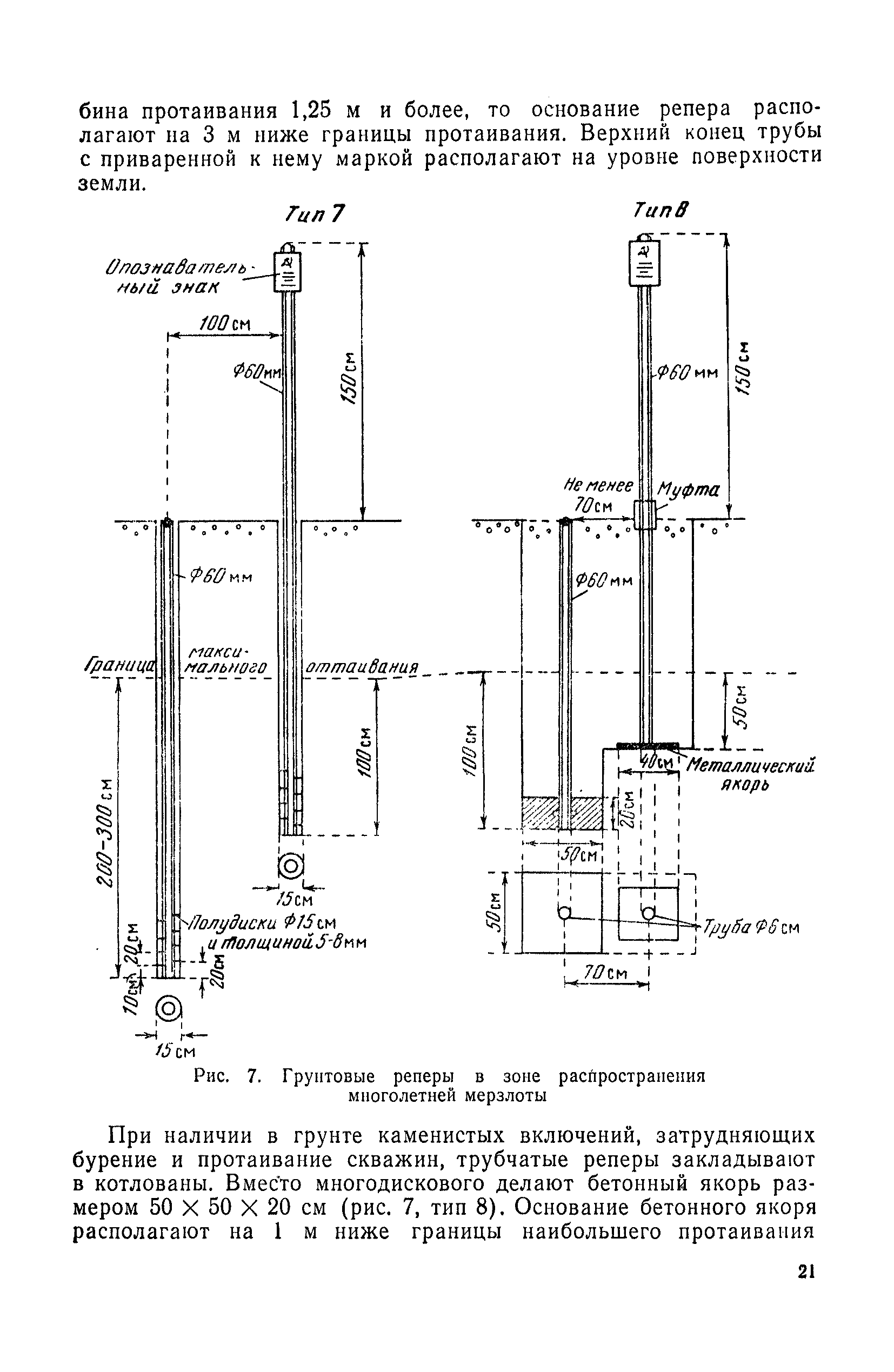
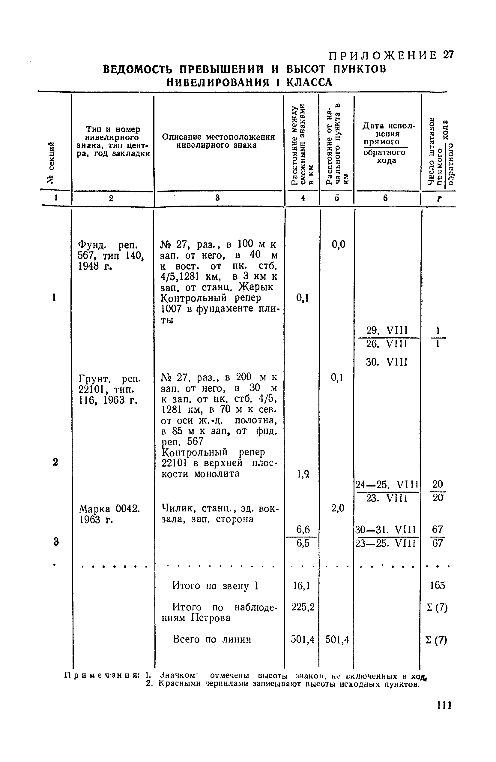
Инструкция по нивелированию I, II, III и IV классов (издание 1974 года)| Статус: | отменен | | Название рус.: | Инструкция по нивелированию I, II, III и IV классов (издание 1974 года) | | Дата добавления в базу: | 01.01.2018 | | Дата актуализации: | 01.01.2021 | | Область применения: | Обязательна для всех ведомств и учреждений производящих нивелирование I, II, III и IV классов | | Оглавление: | 1 Общие положения 2 Составление проекта 3 Рекогносцировка и обследование линий нивелирования Рекогносцировка линий I и II классов Обследование ранее проложенных линий нивелирования 4. Нивелирные знаки Реперы Фундаментальные реперы 5 Нивелирование I класса Инструменты Лабораторные исследования и поверки нивелира (полные) Исследования и поверки реек Нивелирование I класса 6 Нивелирование II класса Инструменты, их поверки и исследования Нивелирование II класса 7 Особенности нивелирования I и II классов в районах Севера и Северо-Востока СССР 8 Связь линий нивелирования I и II классов 9 Особые случаи нивелирования I и II классов 10 Нивелирование III класса Инструменты, их поверки и исследования Нивелирование III класса 11 Нивелирование IV класса Инструменты, их поверки и исследования Нивелирование IV класса 12 Особые случаи нивелирования III и IV классов 13 Полевые журналы 14 Полевые вычисления 15 Перечень материалов, подлежащих сдаче Приложение 1. Список обследованных и восстановленных нивелирных знаков Приложение 2. Акт о сдаче геодезического пункта (нивелирного знака) местному органу власти (землепользователю) на наблюдение за сохранностью Приложение 3. Осмотр и поверки нивелиров Приложение 4. Исследование зрительной трубы Приложение 5. Исследование цилиндрического уровня Приложение 6. Исследование работы механизма, наклоняющего плоскопараллельную пластинку, и определение цены деления отсчетного барабана Приложение 7. Определение коэффициента дальномера и асимметрии нитей Приложение 8. Исследование на экзаменаторе работы элевационного винта Приложение 9. Исследование правильности хода фокусирующей линзы Приложение 10. Проложение контрольного хода Приложение 11. Определение прогиба рейки Приложение 12. Поверка правильности нанесения дециметровых делений шкал рейки Приложение 13. Поверка перпендикулярности плоскости пятки рейки к оси рейки и совпадения плоскости пятки с нулем основной шкалы Приложение 14. Определение разности высот нулей шкал инварных реек Приложение 15. Контрольное определение длины метровых интервалов шкал рейки Приложение 16. Поверка правильности установки круглого уровня на рейке Приложение 17. Определение цены деления круглого уровня при помощи теодолита Приложение 18. Определение коэффициента дальномера Приложение 19. Поверки нивелира НВ Приложение 20. Поверки нивелира НГ Приложение 21. Поверки и юстировки нивелиров с компенсатором Приложение 22. Определение средней длины одного метра шашечной рейки Приложение 23. Определение ошибок дециметровых делений рейки Приложение 24. Определение разности высот нулей шашечных реек Приложение 25. Образец записи в журнале нивелирования I класса Приложение 26. Указания по уходу за инструментами Приложение 27. Ведомость превышений и высот пунктов нивелирования I класса Приложение 28. Образец записи в журнале нивелирования II класса Приложение 29. Ведомость превышений и высот пунктов нивелирования II класса Приложение 30. Образец записи в журнале нивелирования III класса с рейками, имеющими сантиметровые деления на черной и красной сторонах Приложение 31. Образец записи в журнале нивелирования IV класса с рейками, имеющими сантиметровые деления на черной и красной сторонах Приложение 32. Ведомость превышений и высот пунктов нивелирования III класса Приложение 33. Ведомость превышений и высот пунктов нивелирования IV класса Приложение 34. Определение длины интервалов щитка Приложение 35. Журнал нивелирования I и II классов через препятствия шириной до 150 м Приложение 36. Нивелирование через препятствие шириной 150—400 м способом "совмещения" Приложение 37. Нивелирование через препятствие шириной, более 400 м способом "подвижной марки" Приложение 38. Нивелирование через препятствие шириной более 400 м способом "наведения" Приложение 39. Условные знаки Приложение 40. Изготовление бетонных и железобетонных реперов Приложение 41. Заделка якорей фундаментальных реперов в грунт естественной плотности Приложение 42. Защита реперов от коррозии Приложение 43. Схема областей применения типов реперов Приложение 44. Схематическая карта глубин промерзания и протаивания грунтов на территории СССР для установления глубины закладки центров и реперов Приложение 45. Вычисление полной глубины протаивания грунта по глубине протаивания на момент рекогносцировки | | Утверждён: | Главное управление геодезии и картографии при Совете Министров СССР (National Administration for Geodesy and Cartography at the USSR Cabinet of Ministers )
| | Издан: | Издательство Недра (1974 г. )
| | Заменяет собой: | - «Инструкция по нивелированию I, II, III и IV классов» (издание 1966 года)
|
                                                                                                                                                  
|