Скачать Единые нормы выработки для шахт комбината Красноярскуголь

Дата актуализации: 01.01.2021

Единые нормы выработки для шахт комбината "Красноярскуголь"

Статус:справочные материалы, мп, тпр
Название рус.:Единые нормы выработки для шахт комбината "Красноярскуголь"
Дата добавления в базу:01.01.2018
Дата актуализации:01.01.2021
Область применения:Документ обязателен для всех действующих угольных шахт комбината "Красноярскуголь"
Оглавление:Общая часть
Техническая часть
Нормативная часть
Раздел I. Очистные работы. Указания по организации работ в забоях, оборудованных комплексами типа ОМКТ, КМ-87, гидрофицированной крепью "Спутник"
Раздел II. Подготовительные работы
Раздел III. Транспортные работы в шахте
Раздел IV. Ремонт горных выработок. Порядок применения норм выработки на шахтах
Раздел V. Доставка крепежных материалов в шахте и на поверхности
   Техническая часть
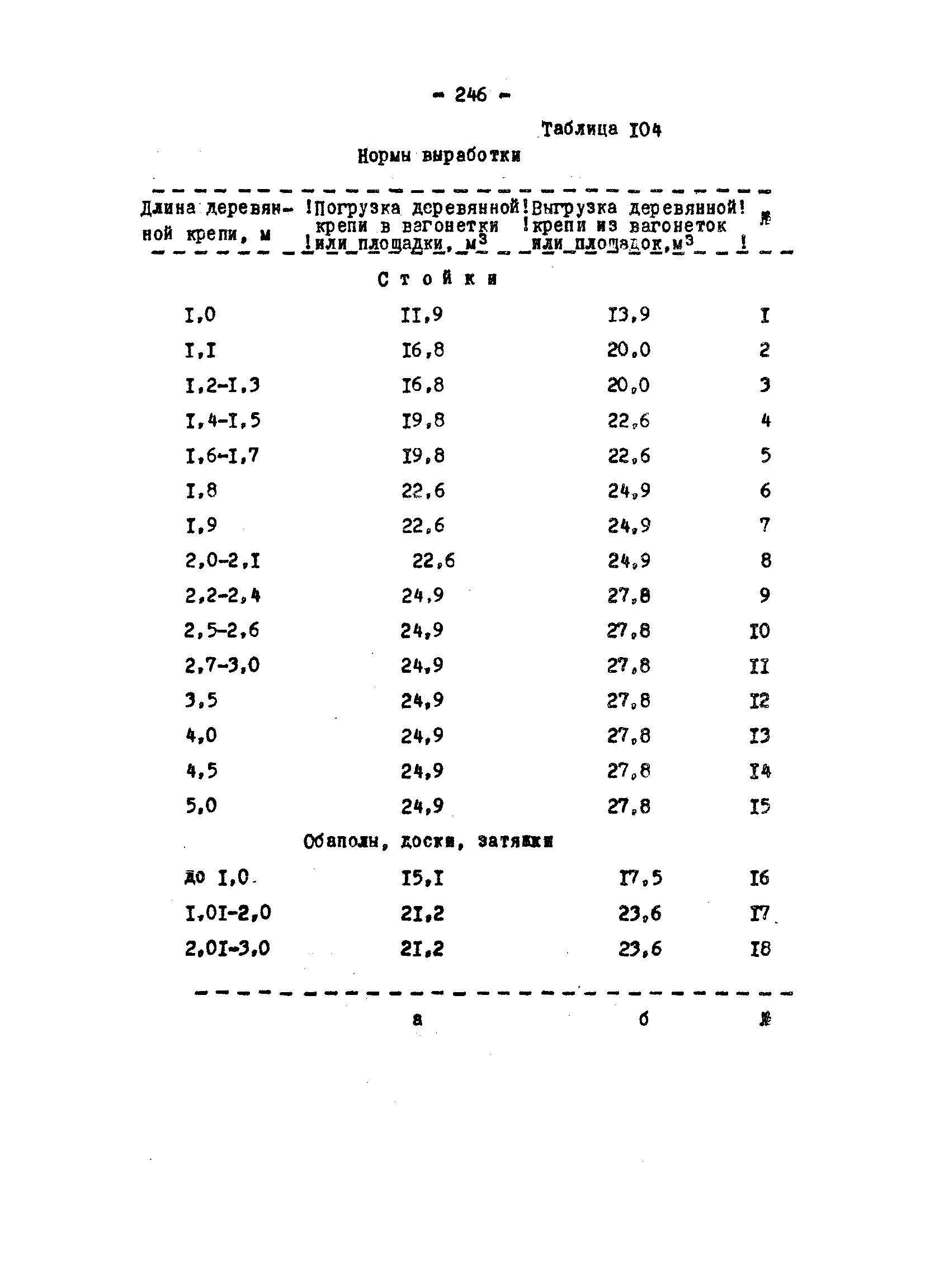
   Указания по организации работ при доставке деревянной крепи
   При доставке деревянной крепи на поверхности и в шахте по горным выработкам
   Работы по доставке деревянной крепи на поверхности шахт. Погрузочно-разгрузочные работы
Раздел VI. Работы по вентиляции
   Указания по организации работ при устройстве вентиляционных перемычек
Раздел VII. Монтаж и демонтаж шахтного оборудования в шахте
   Техническая часть
Раздел VIII. Прочие работы в шахте
Приложение 1. Инструкция по определению категорий буримости углей (пород), групп средних рабочих скоростей подачи комбайнов и врубовых машин и категорий сопротивляемости углей разрушению комбайнов типа К-56М в очистных забоях
Приложение 2. Краткие технические характеристики применяемого оборудования и механизмов
Приложение 3. Примеры расчета комплексных норм выработки и расценки на выемку угля в лавах, оборудованных очистными механизированными комплексами и на проведение однопутевого откаточного штрека узким ходом
Приложение 4. Дефектная ведомость на ремонт горной выработки
Приложение 5. Классификация грузов по группам трудоемкости их транспортировки
Разработан: НИС комбината Красноярскуголь
Утверждён:10.05.1972 Министерство угольной промышленности СССР (USSR Ministry of the Coal Industry )
Принят:03.05.1972 ЦК профсоюза рабочих угольной промышленности (7)