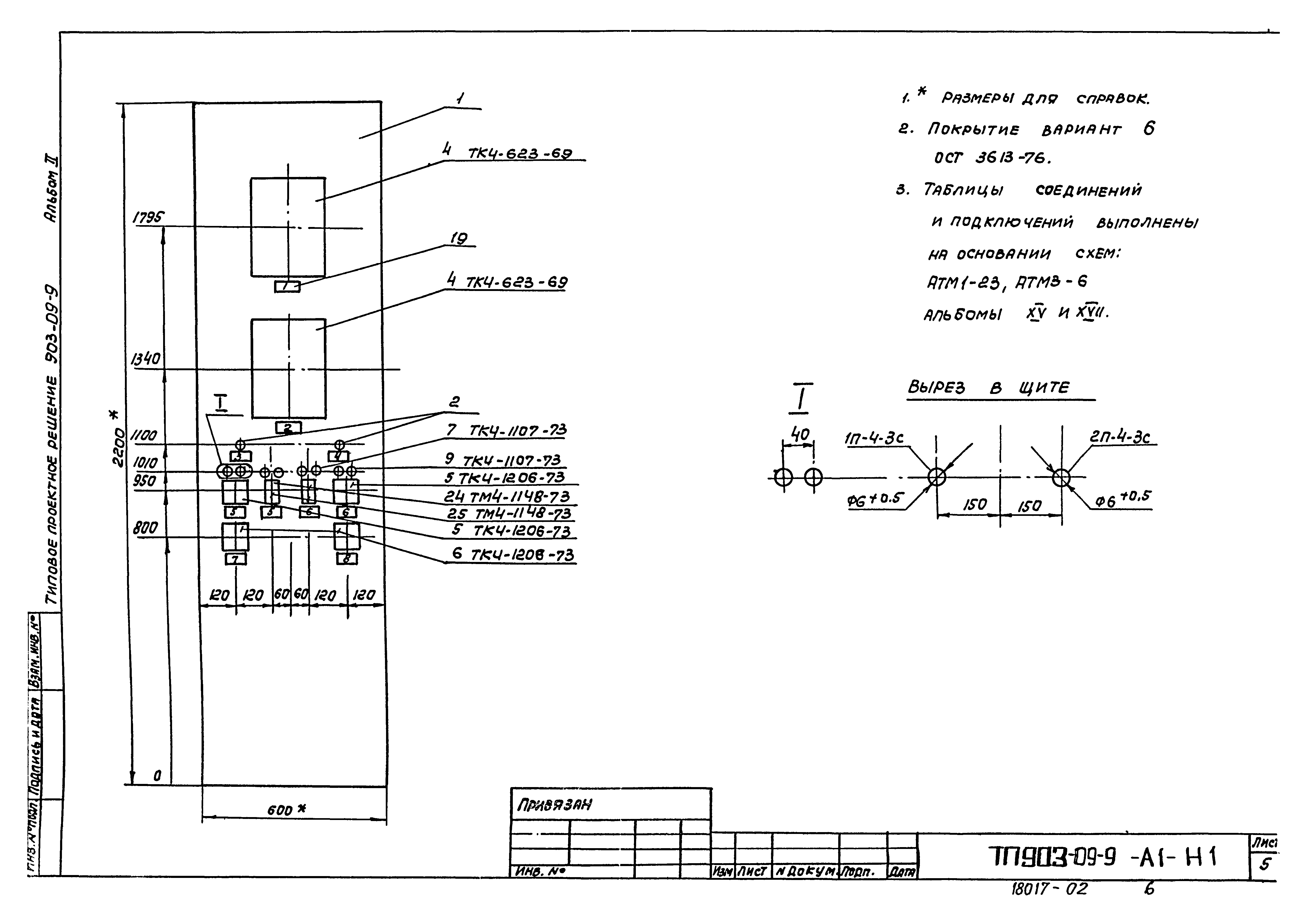
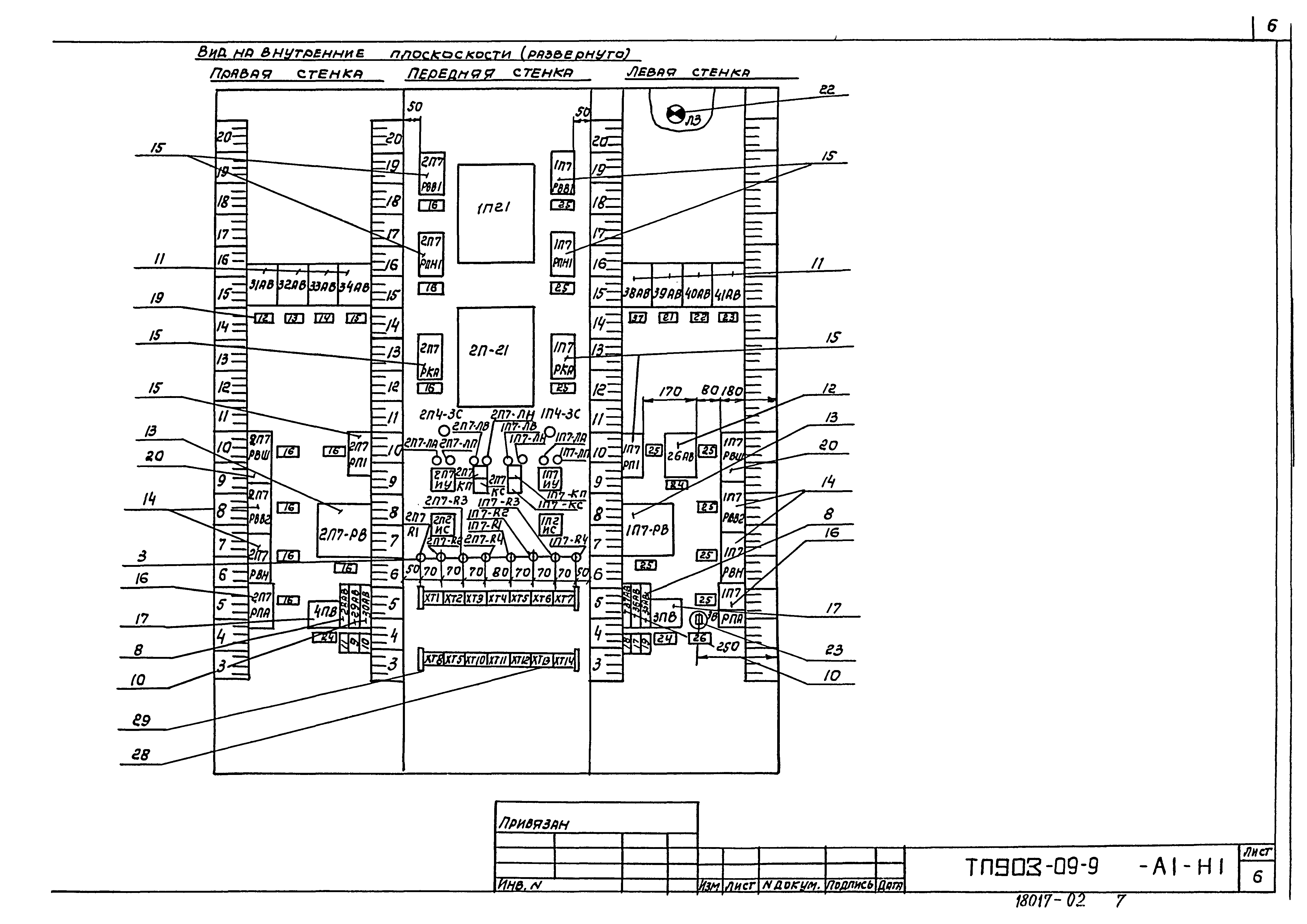
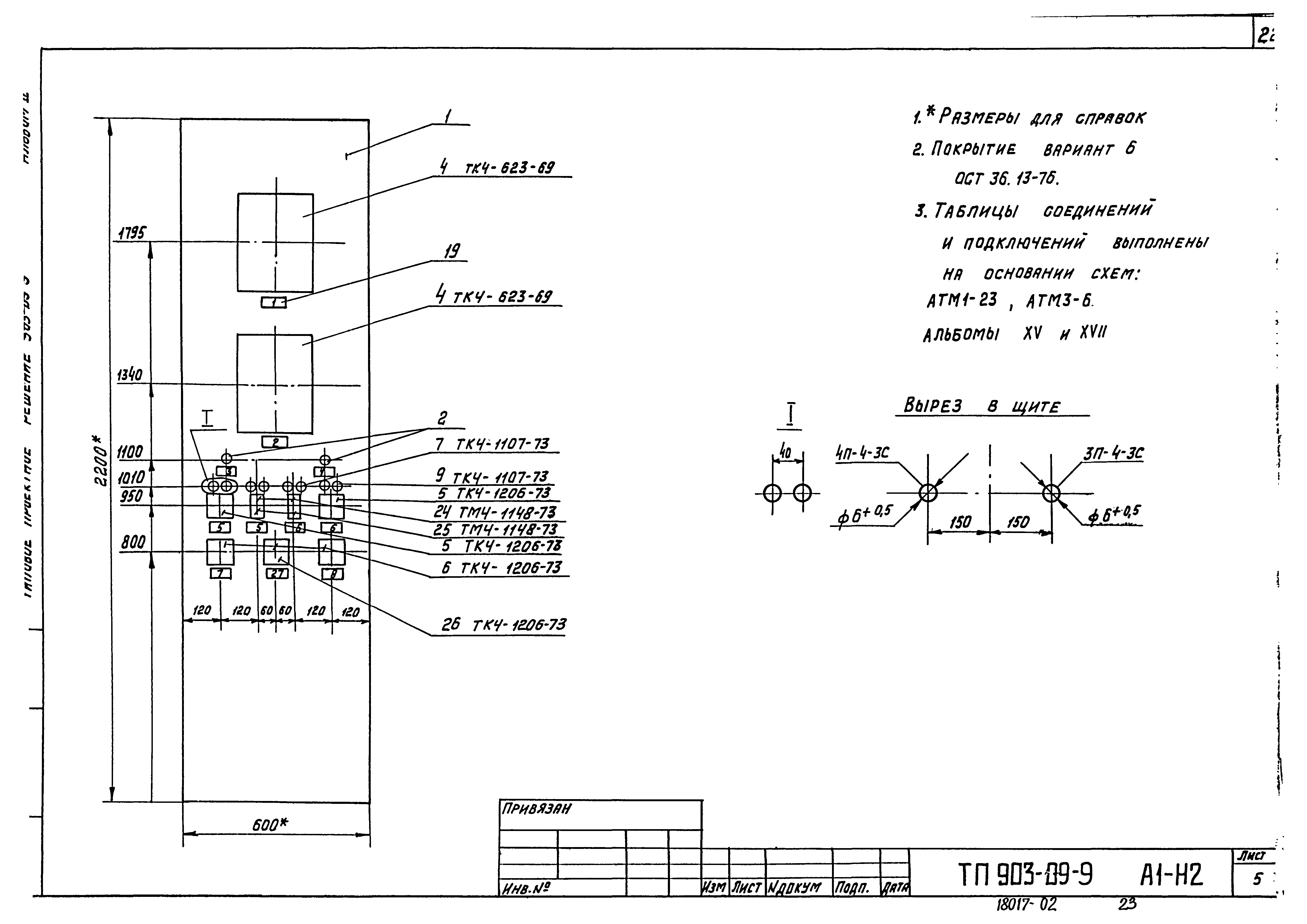
Скачать Типовые проектные решения 903-09-9 Альбом II. Автоматизация. Общие виды щитов управленияДата актуализации: 01.01.2021
|
| Обозначение: | Типовые проектные решения 903-09-9 |
| Обозначение англ: | 903-09-9 |
| Статус: | отменен |
| Название рус.: | Альбом II. Автоматизация. Общие виды щитов управления |
| Дата добавления в базу: | 01.01.2018 |
| Дата актуализации: | 01.01.2021 |
| Дата введения: | 25.06.1981 |
| Дата окончания срока действия: | 01.01.1990 |
| Разработан: | ГПИ Сантехпроект Госстроя СССР |
| Утверждён: | 25.06.1981 ГПИ Сантехпроект (100) |
| Издан: | ЦИТП Госстроя СССР (CITP, Gosstroy (USSR) 1982 г. ) |










































