Скачать Временные нормативы эксплуатационных потерь угля в недрах для систем разработки, применяемых на шахтах Подмосковного угольного бассейна

Дата актуализации: 01.01.2021

Временные нормативы эксплуатационных потерь угля в недрах для систем разработки, применяемых на шахтах Подмосковного угольного бассейна

Статус:справочные материалы, мп, тпр
Название рус.:Временные нормативы эксплуатационных потерь угля в недрах для систем разработки, применяемых на шахтах Подмосковного угольного бассейна
Дата добавления в базу:01.01.2018
Дата актуализации:01.01.2021
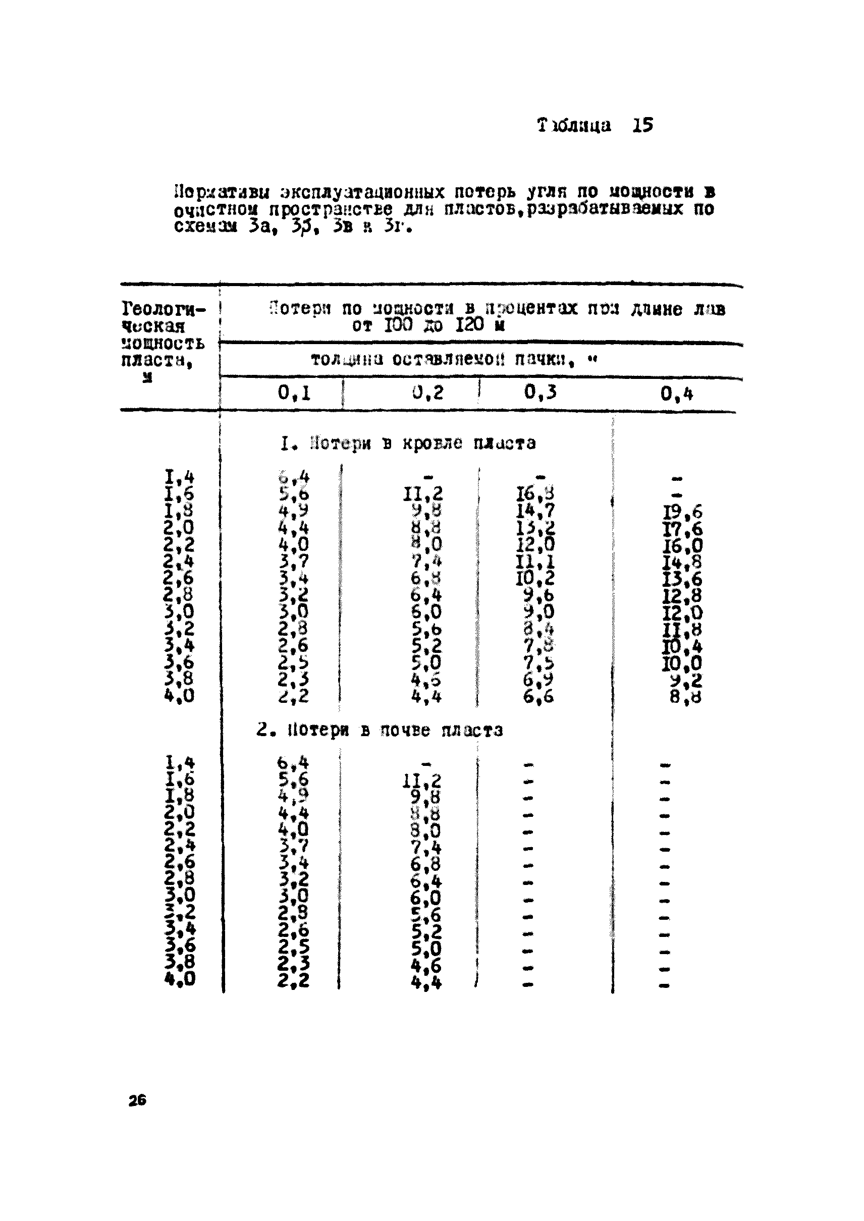
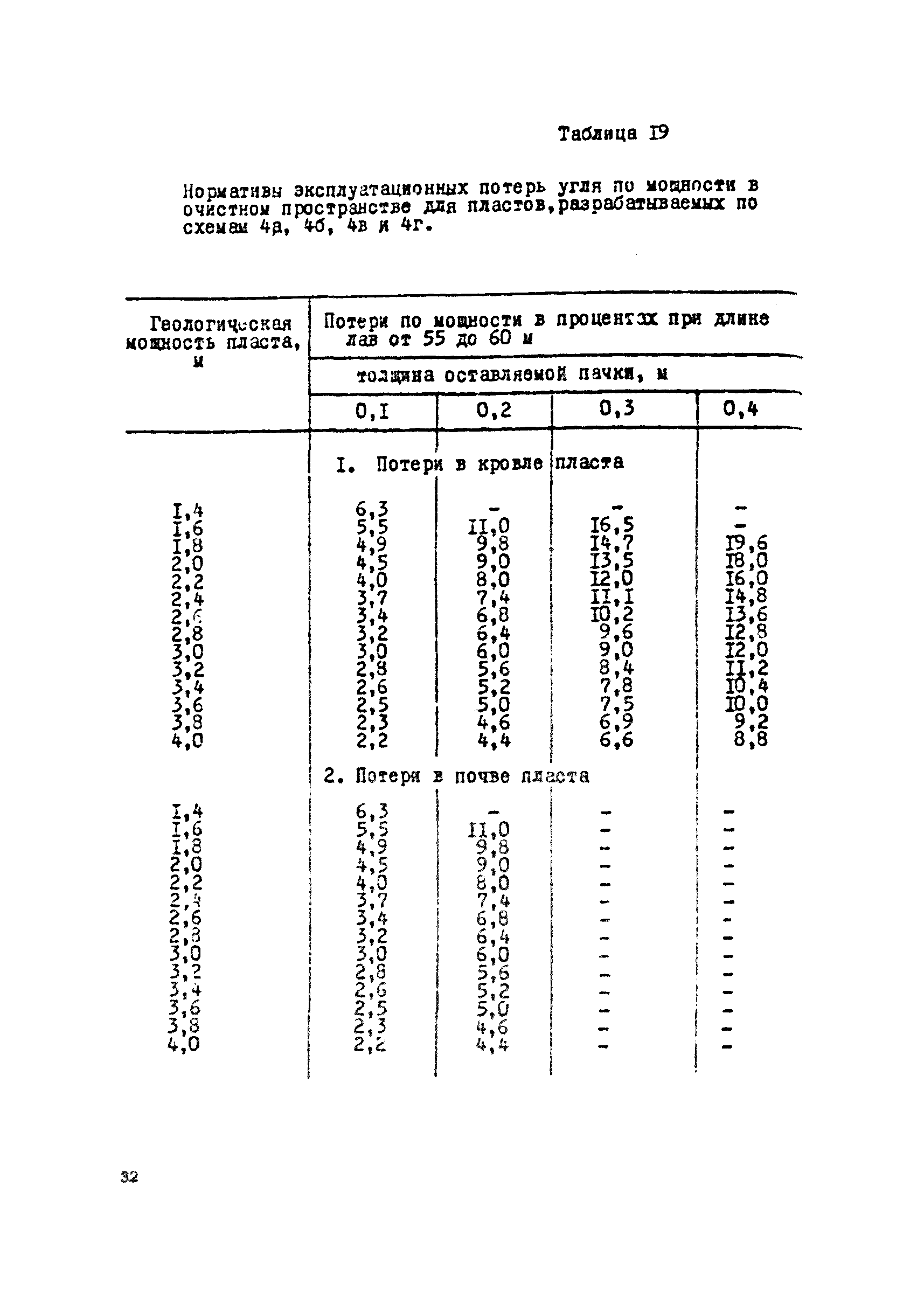
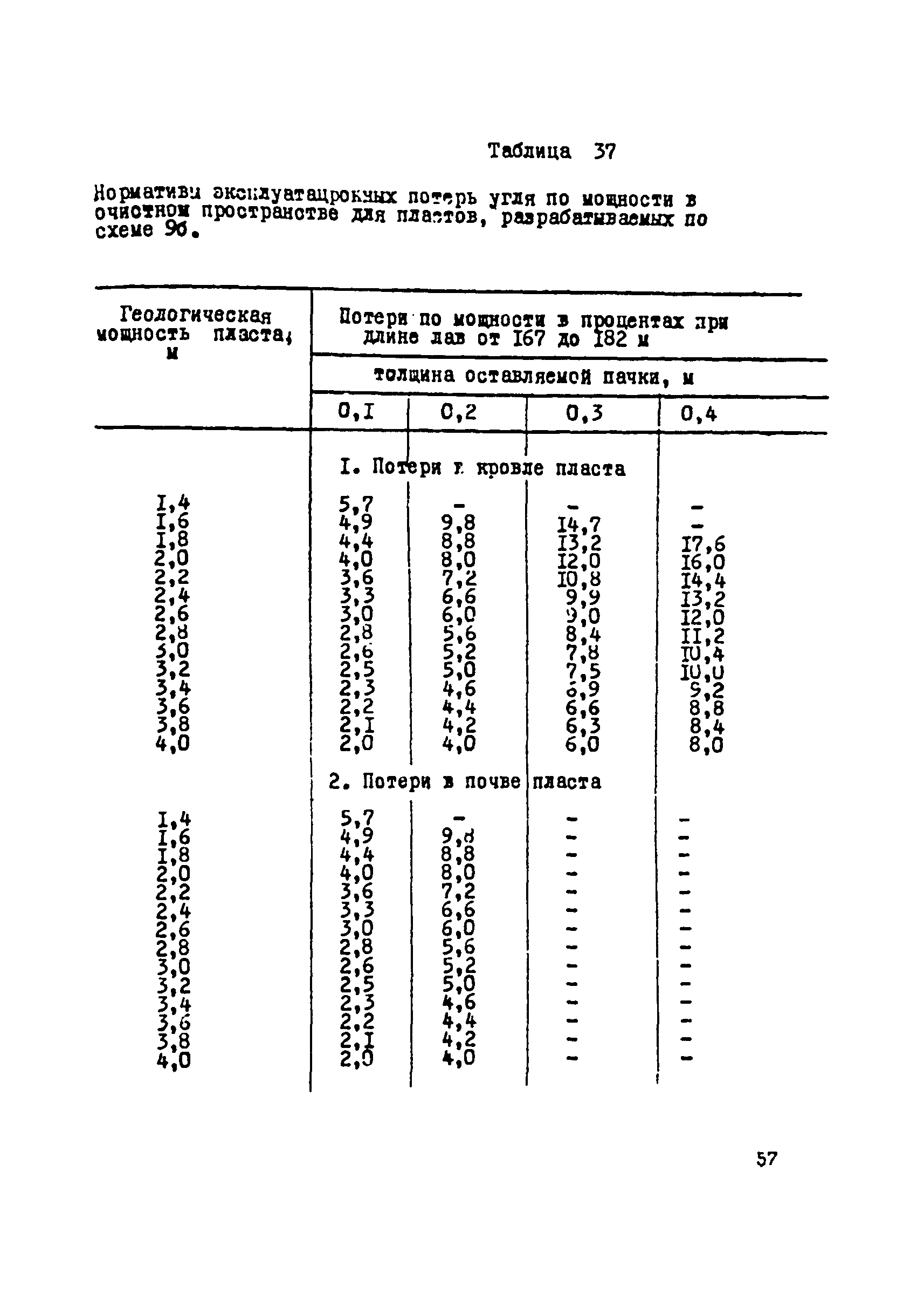
Область применения:Документ составлен с учетом опыта применения различных систем разработки на шахтах Подмосковного угольного бассейна и отражают прогрессивные параметры этих систем, освоенные на практике
Оглавление:Введение
Спаренные лавы с проведением запасных штреков вприсечку
Спаренные лавы с оставлением межстолбового целика шириною не более 2 м
Спаренные лавы при последовательной нарезке и отработке выемочных полей (столбов) с оставлением межстолбовых целиков
Одинарные лавы с проведением выемочных штреков вприсечку
Одинарные лавы с оставлением межстолбового целика шириною не более 2 м
Одинарные лавы при последовательной отработке выемочных полей (столбов) и частичной потерей нарезаемых межстолбовых целиков
Погашение целиков у двух штреков главных направлений
Погашение целиков у трех штреков главных направлений
Погашение целиков у двух штреков главных направлений при отработке односторонней панели или двусторонней панели комбинированным способом
Разработан: ВНИМИ
Утверждён:20.10.1967 Министерство угольной промышленности СССР (USSR Ministry of the Coal Industry )
Принят:12.10.1967 Государственный комитет по надзору за безопасным ведением работ в промышленности и горному надзору при Совете Министров СССР
Заменяет собой:
  • «Временные нормативы эксплуатационных потерь угля в недрах для систем разработки, применяемых на шахтах Подмосковного угольного бассейна» (Издание 1960 года)