Скачать Временные нормативы для определения численности трудящихся в проектах угольных карьеровДата актуализации: 01.01.2021
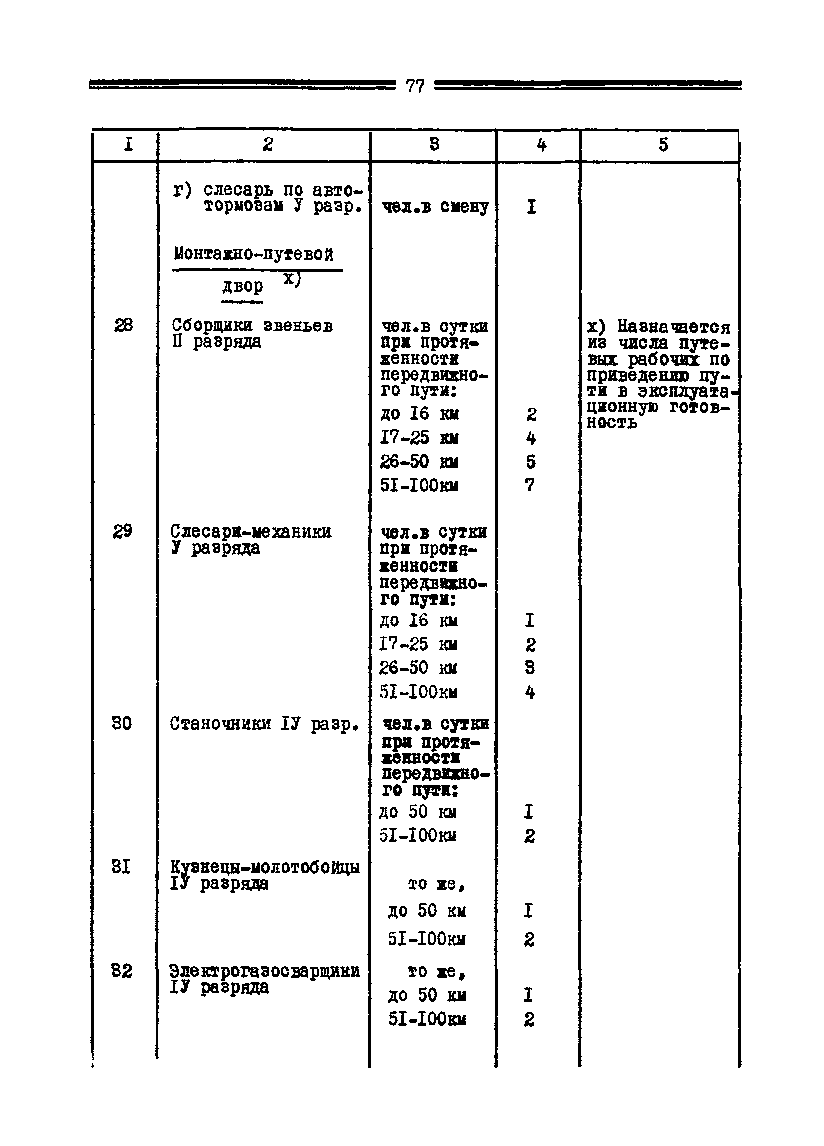
Временные нормативы для определения численности трудящихся в проектах угольных карьеров| Статус: | действует | | Название рус.: | Временные нормативы для определения численности трудящихся в проектах угольных карьеров | | Дата добавления в базу: | 01.01.2018 | | Дата актуализации: | 01.01.2021 | | Дата введения: | 01.08.1962 | | Область применения: | Документ содержит указания по расчету численности трудящихся при проектировании угольных карьеров | | Оглавление: | Общие указания Раздел I. Горные и буровзрывные работы Основные указания Сводная таблица нормативов § 1. Выемка угля и породы, зачистка угольного пласта , переэкскавация породы на отвалах одноковшовыми экскаваторами § 2. Выемка угля шнеко-буровыми машинами § 3. Выемка угля и породы многоковшовыми экскаваторами § 4. Разработка вскрышных пород способом гидромеханизации § 5. Отвалообразование вскрышных пород механическим способом § 6. Отвалообразование гидроспособом § 7. Восстановление поверхности § 8. Бурение вскрышных пород и угля § 9. Взрывные работы Раздел II. Внутрикарьерный транспорт Основные указания Сводная таблица нормативов А. Железнодорожный транспорт § 1. Локомотиво—вагонная служба § 2. Служба движения § 3. Служба пути § 4. Экипировочное депо § 5. Пункт технического осмотра думпкаров § 6. Монтажно—путевой двор § 7. Солеварка Б. Автомобильный транспорт § 8. Автоэксплуатационная служба § 9. Дорожно-эксплуатационная служба § 10. Отвальное хозяйство В. Конвейерный транспорт Раздел III. Дренаж и водоотлив Основные указания Сводная таблица нормативов § 1. Открытый водоотлив и водоотвод § 2. Осушение с поверхности Раздел IV. Ремонтное хозяйство Основные указания Нормативы штата производственных рабочих Раздел V. Служба автоматики, СЦБ и связи Основные указания Сводная таблица нормативов Раздел VI. Служба электроснабжения и контактной сети Основные указания Сводная таблица нормативов § 1. Тяговые подстанции с откачными преобразователями переменного в постоянный ток /самостоятельные и совмещенные с распределительными и силовыми § 2. Распределительные, силовые и тяговые подстанции на переменном токе § 3. Электросети Раздел VII. Прочие вспомогательные объекты и службы Основные указания Сводная таблица нормативов § 1. Маркшейдерская служба § 2. Контроль качества § 3. Материальный склад § 4. Котельная § 5. Водоснабжение и канализация § 6. Адмбыткомбинат § 7. Хозяйственный цех Раздел VIII. Структура управления карьера и нормативы численности административно-управленческого и участкового персонала Основные указания Нормативы штата | | Разработан: | ГПИ Гипрошахт
| | Утверждён: | 12.06.1962 Государственный комитет Совета Министров СССР по топливной промышленности
|
                                                                                                                                                                                                 
|