Скачать Единые нормативы численности рабочих, занятых на вспомогательных работах ремонтно-механических, рудоремонтных заводов и ЦЭММДата актуализации: 01.01.2021
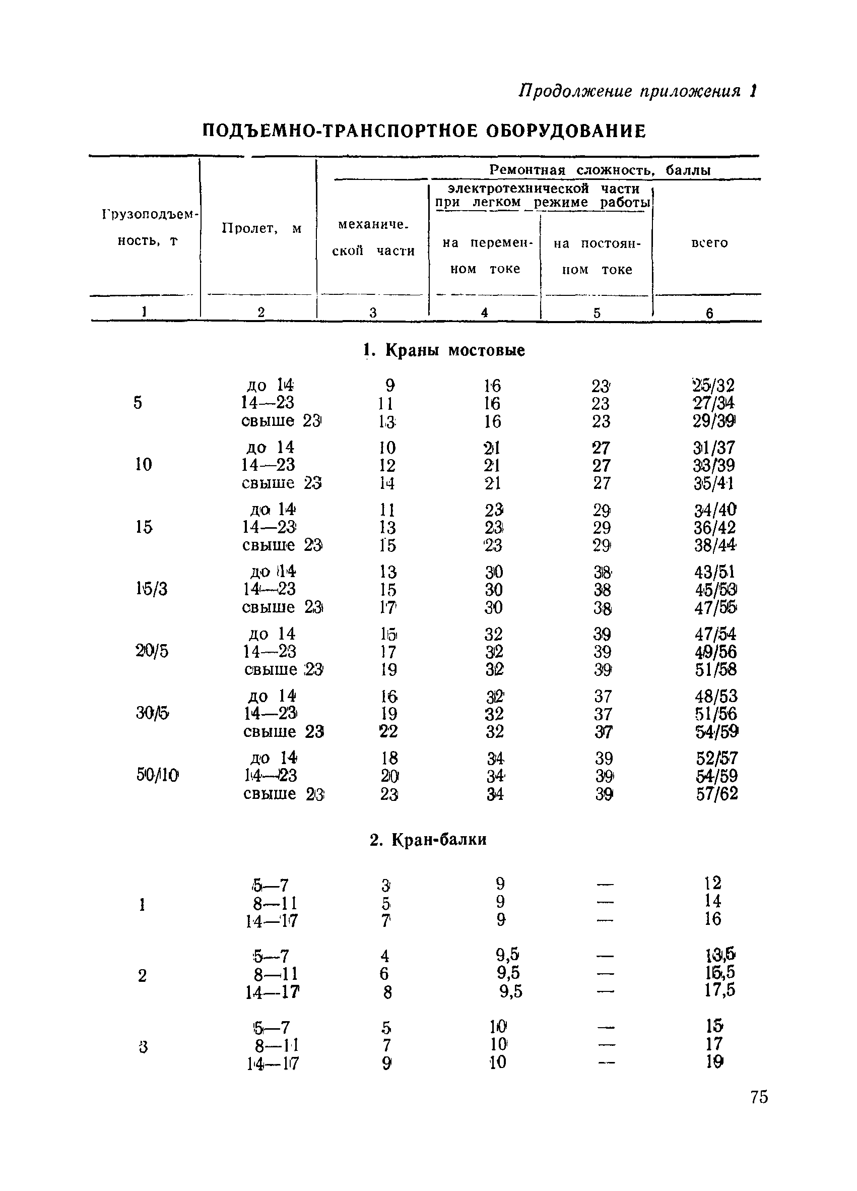
Единые нормативы численности рабочих, занятых на вспомогательных работах ремонтно-механических, рудоремонтных заводов и ЦЭММ| Статус: | не действует | | Название рус.: | Единые нормативы численности рабочих, занятых на вспомогательных работах ремонтно-механических, рудоремонтных заводов и ЦЭММ | | Дата добавления в базу: | 01.01.2018 | | Дата актуализации: | 01.01.2021 | | Область применения: | Нормативы численности сборника обязательны для применения на предприятиях по ремонту горно-шахтного оборудования (РМЗ, РРЗ, ЦЭММ) Минуглепрома СССР и предназначены для планирования численности вспомогательных рабочих и установления рабочим доплат за совмещение профессий и расширение зон обслуживания. Нормативы определяют явочную численность рабочих на смену или сутки при продолжительности смены 8 часов при пятидневной рабочей неделе. | | Оглавление: | Общая часть Нормативная часть 1 Дежурное (межремонтное) обслуживание технологического оборудования цеха (участка) 2 Ремонт технологического оборудования 3 Наладка технологического оборудования 4 Изготовление, ремонт инструмента и приспособлений 5 Ремонт автотранспортных средств 6 Обслуживание кислородных станций 7 Управление компрессорами 8 Обслуживание производственных котельных и бойлеров 9 Обслуживание отопительной, водопроводной и канализационной систем 10 Выдача, прием и хранение инструмента и приспособлений (кроме центральных кладовых) 11 Управление кранами 12 Транспортные и погрузочно-разгрузочные работы в цехах и между цехами 13 Производство анализов и лабораторных испытаний приборов, изделий 14 Контроль качества продукции 15 Обслуживание электрографических установок и светокопировальных аппаратов 16 Уборка производственных помещений 17 Обслуживание сатураторных установок 18 Уборка служебных помещений 19 Стирка спецодежды и ремонт спецобуви 20 Обслуживание душевых Приложение 1. Ремонтная сложность наиболее распространенного технологического оборудования Приложение 2. Пример расчета ремонтной сложности оборудования и нормативной численности рабочих по дежурному (межремонтному) обслуживанию технологического оборудования цеха (участка) | | Утверждён: | 14.02.1979 Министерство угольной промышленности СССР (USSR Ministry of the Coal Industry )
| | Принят: | 15.01.1979 ЦК профсоюза рабочих угольной промышленности (2)
|
                                                                                                   
|