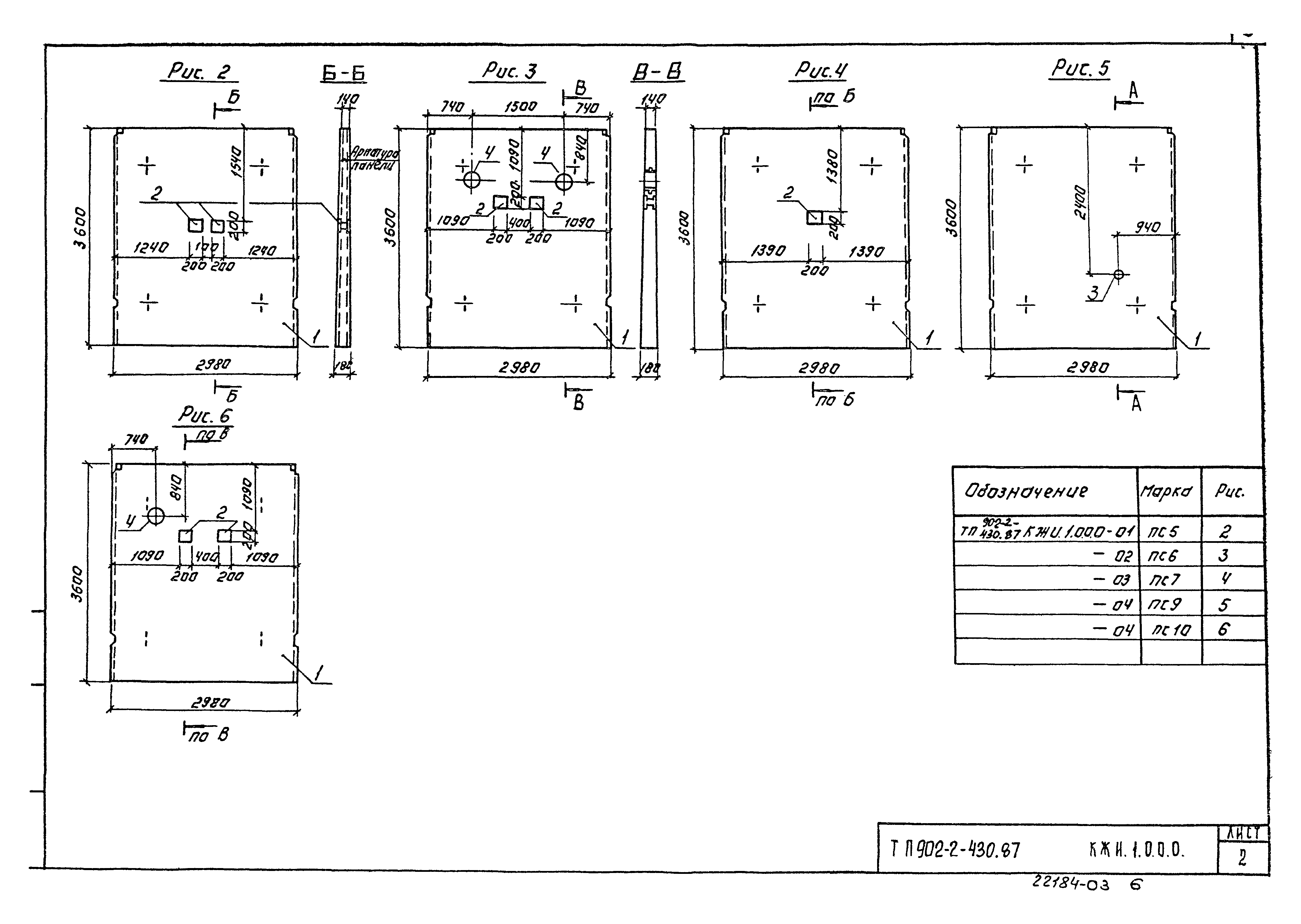
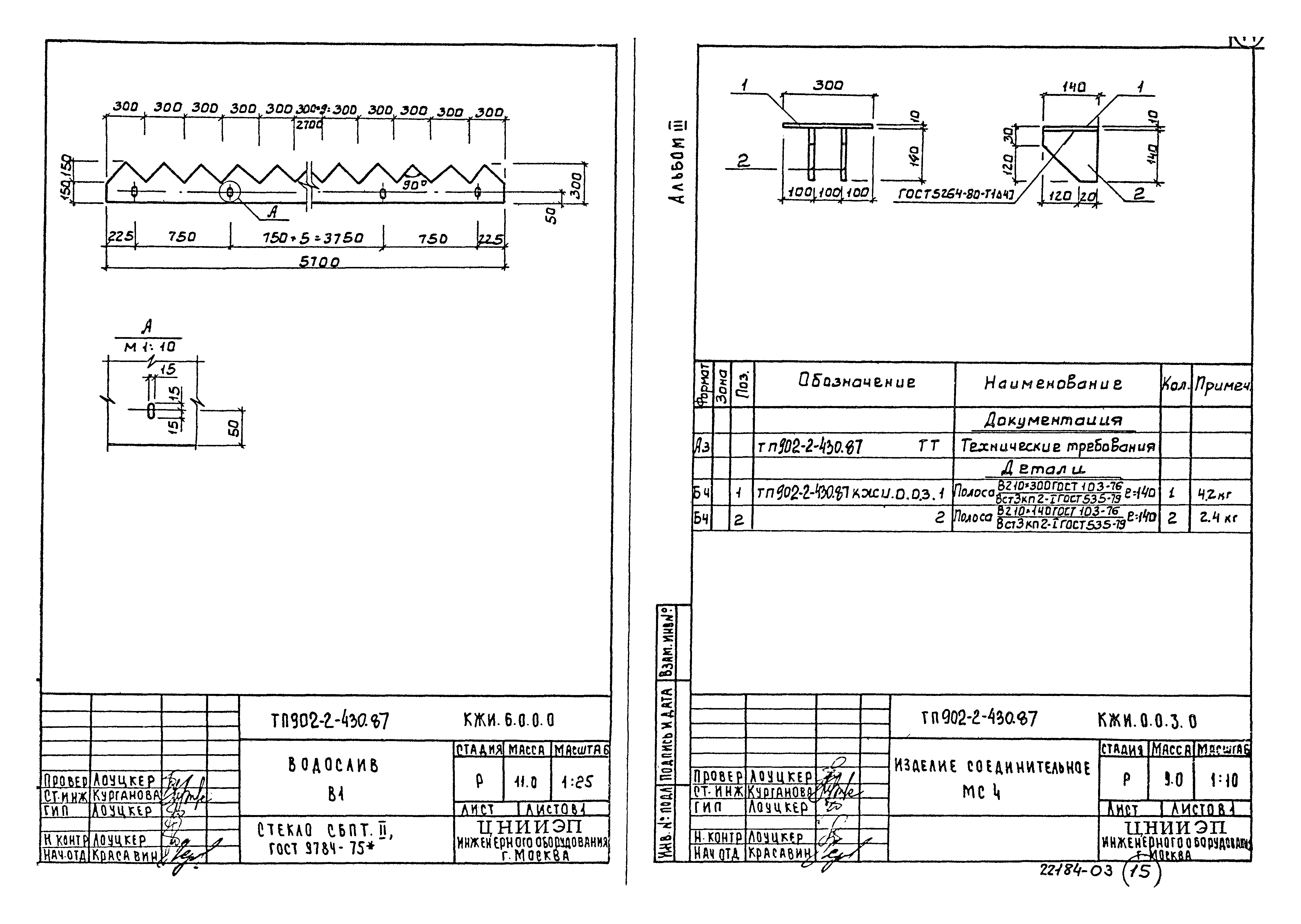
Скачать Типовой проект 902-2-430.87 Альбом III. Строительные изделияДата актуализации: 01.01.2021
|
| Обозначение: | Типовой проект 902-2-430.87 |
| Обозначение англ: | 902-2-430.87 |
| Статус: | не определен законодательством |
| Название рус.: | Альбом III. Строительные изделия |
| Дата добавления в базу: | 01.01.2018 |
| Дата актуализации: | 01.01.2021 |
| Дата введения: | 01.06.1987 |
| Дата окончания срока действия: | 30.06.2003 |
| Разработан: | ЦНИИЭП инженерного оборудования |
| Утверждён: | 05.11.1984 Госгражданстрой (Gosgrazhdanstroy 320) |
| Издан: | ЦИТП Госстроя СССР (CITP, Gosstroy (USSR) 1988 г. ) |















