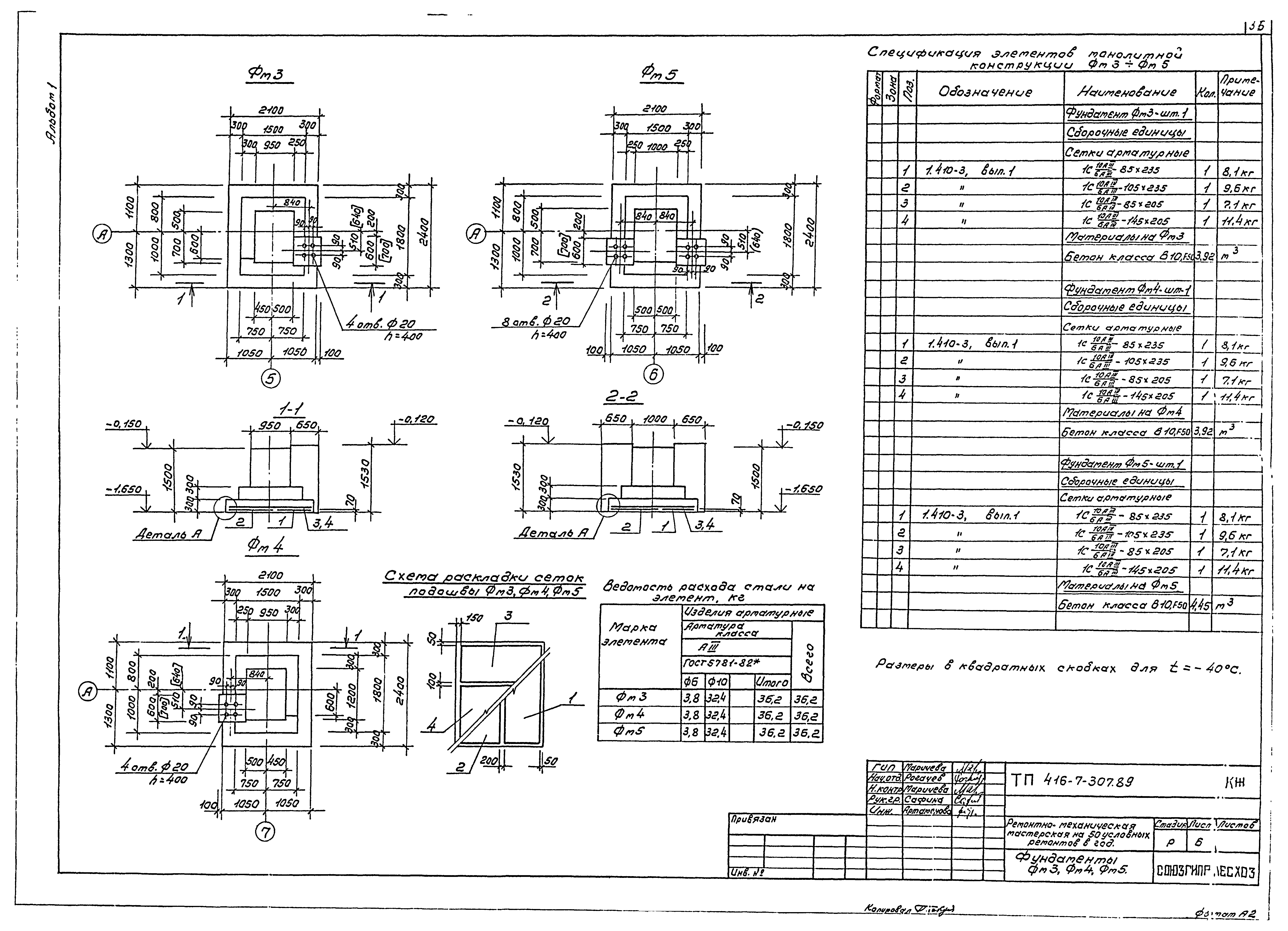
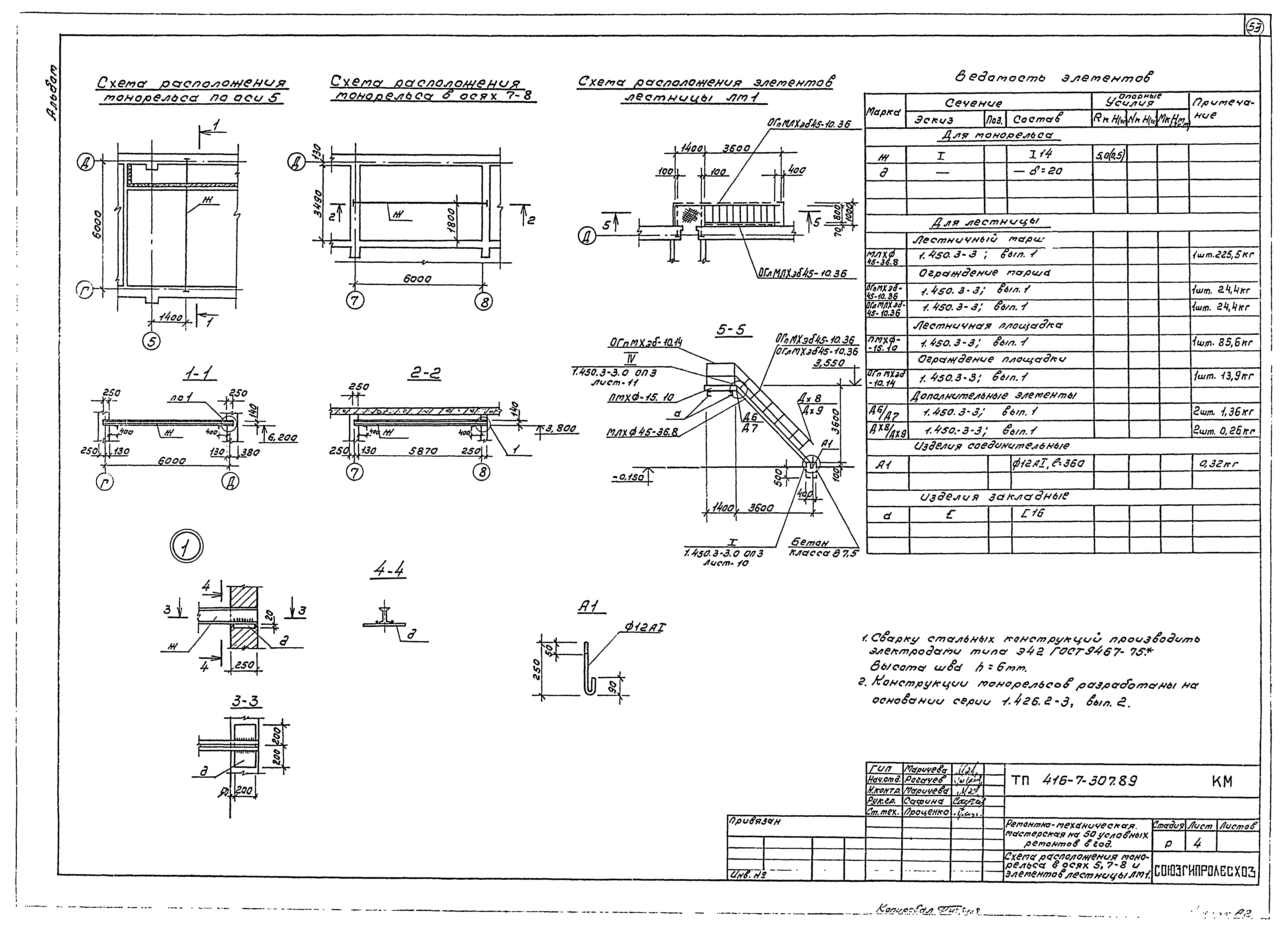
Скачать Типовой проект 416-7-307.89 Альбом 1. Пояснительная записка. Технология производства. Архитектурные решения. Конструкции железобетонные. Конструкции металлические

Дата актуализации: 01.01.2021

Типовой проект 416-7-307.89

Альбом 1. Пояснительная записка. Технология производства. Архитектурные решения. Конструкции железобетонные. Конструкции металлические

Обозначение: Типовой проект 416-7-307.89
Обозначение англ: 416-7-307.89
Статус:не определен законодательством
Название рус.:Альбом 1. Пояснительная записка. Технология производства. Архитектурные решения. Конструкции железобетонные. Конструкции металлические
Дата добавления в базу:01.01.2018
Дата актуализации:01.01.2021
Дата введения:02.10.1989
Дата окончания срока действия:30.06.2003
Разработан: Союзгипролесхоз
Утверждён:09.09.1989 Госкомлес СССР (USSR Goskomles 17)
Издан: ЦИТП Госстроя СССР (CITP, Gosstroy (USSR) 1990 г. )
Заменяет собой:
  • Типовой проект 416-7-122
Типовой проект 416-7-307.89Типовой проект 416-7-307.89Типовой проект 416-7-307.89Типовой проект 416-7-307.89Типовой проект 416-7-307.89Типовой проект 416-7-307.89Типовой проект 416-7-307.89Типовой проект 416-7-307.89Типовой проект 416-7-307.89Типовой проект 416-7-307.89Типовой проект 416-7-307.89Типовой проект 416-7-307.89Типовой проект 416-7-307.89Типовой проект 416-7-307.89Типовой проект 416-7-307.89Типовой проект 416-7-307.89Типовой проект 416-7-307.89Типовой проект 416-7-307.89Типовой проект 416-7-307.89Типовой проект 416-7-307.89Типовой проект 416-7-307.89Типовой проект 416-7-307.89Типовой проект 416-7-307.89Типовой проект 416-7-307.89Типовой проект 416-7-307.89Типовой проект 416-7-307.89Типовой проект 416-7-307.89Типовой проект 416-7-307.89Типовой проект 416-7-307.89Типовой проект 416-7-307.89Типовой проект 416-7-307.89Типовой проект 416-7-307.89Типовой проект 416-7-307.89Типовой проект 416-7-307.89Типовой проект 416-7-307.89Типовой проект 416-7-307.89Типовой проект 416-7-307.89Типовой проект 416-7-307.89Типовой проект 416-7-307.89Типовой проект 416-7-307.89Типовой проект 416-7-307.89Типовой проект 416-7-307.89Типовой проект 416-7-307.89Типовой проект 416-7-307.89Типовой проект 416-7-307.89Типовой проект 416-7-307.89Типовой проект 416-7-307.89Типовой проект 416-7-307.89Типовой проект 416-7-307.89Типовой проект 416-7-307.89Типовой проект 416-7-307.89Типовой проект 416-7-307.89Типовой проект 416-7-307.89Типовой проект 416-7-307.89Типовой проект 416-7-307.89