Скачать Временные требования по составу и методам механических испытаний горных пород при разведке месторождений полезных ископаемых для проектирования подземной разработки

Дата актуализации: 01.01.2021

Временные требования по составу и методам механических испытаний горных пород при разведке месторождений полезных ископаемых для проектирования подземной разработки

Статус:справочные материалы, мп, тпр
Название рус.:Временные требования по составу и методам механических испытаний горных пород при разведке месторождений полезных ископаемых для проектирования подземной разработки
Дата добавления в базу:01.01.2019
Дата актуализации:01.01.2021
Область применения:В работе обоснованы и изложены рекомендуемые виды, объемы и методы механических испытаний горных пород при разведке месторождений полезных ископаемых, разрабатываемых подземным способом
Оглавление:1. Предисловие
2. Состояние вопроса
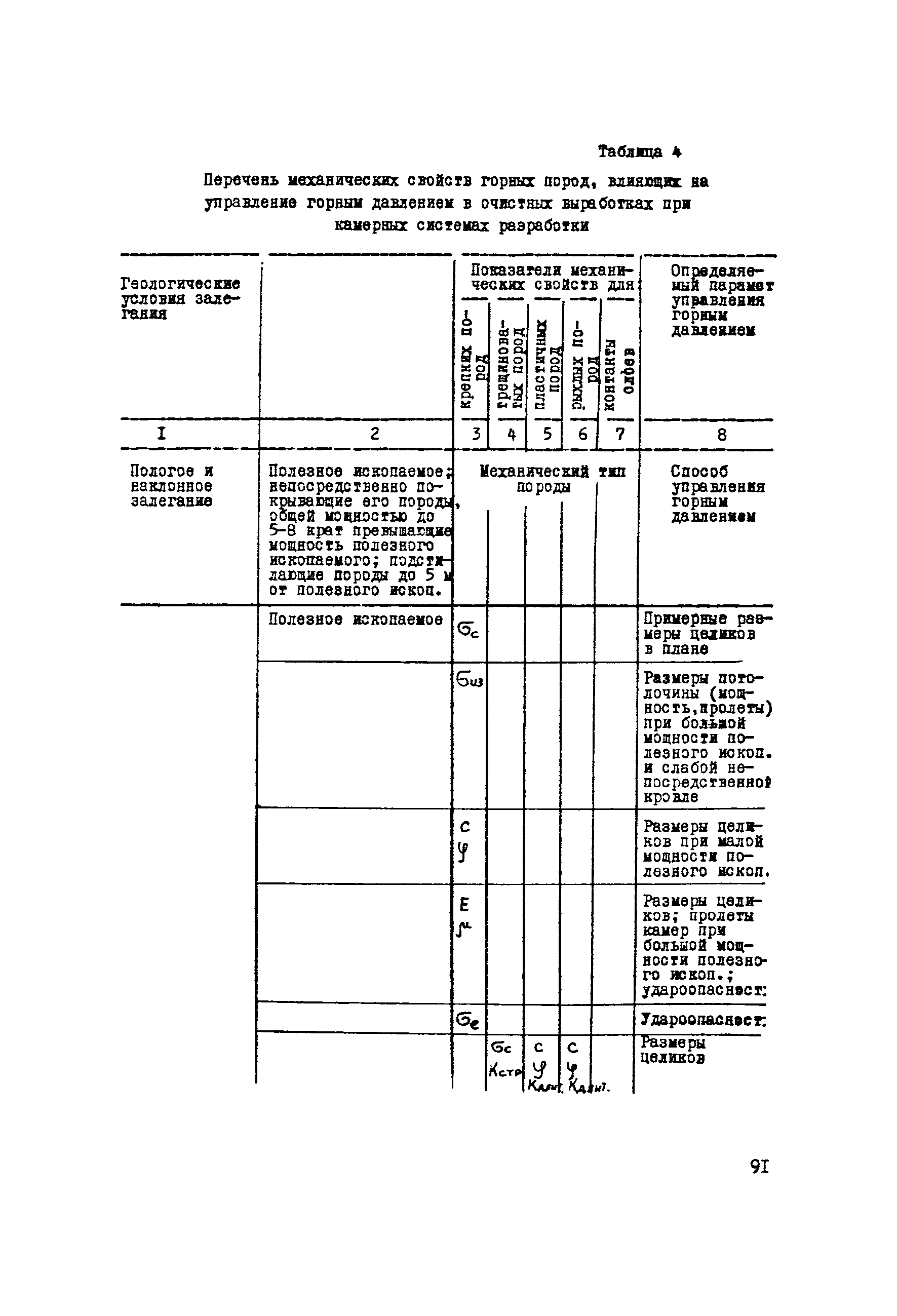
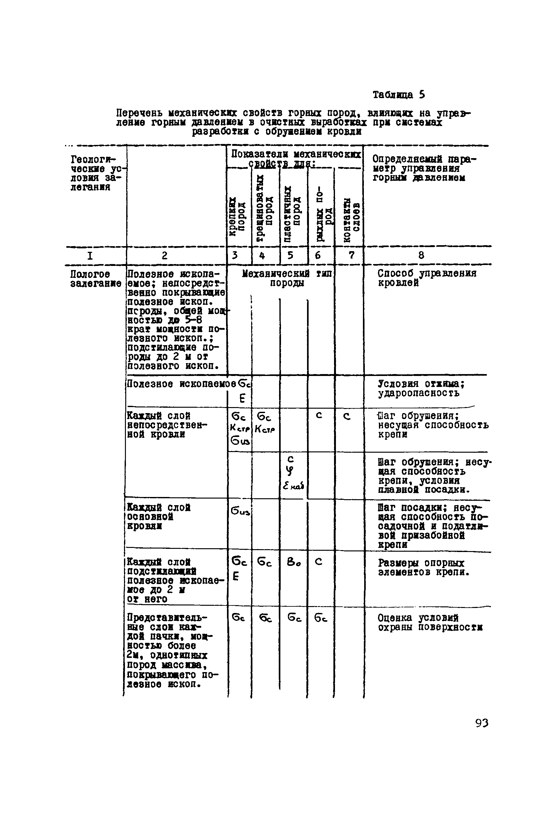
3. Важнейшие механические свойства пород, влияющие на горное давление и сдвижение при ведении горных работ
4. Влияние механических свойств горных пород на геомеханические процессы
5. Использование сведений о механических свойствах горных пород
6. Состав сведений о механических свойствах пород, необходимых для промышленного освоения месторождений полезных ископаемых
7. Опробование горных пород
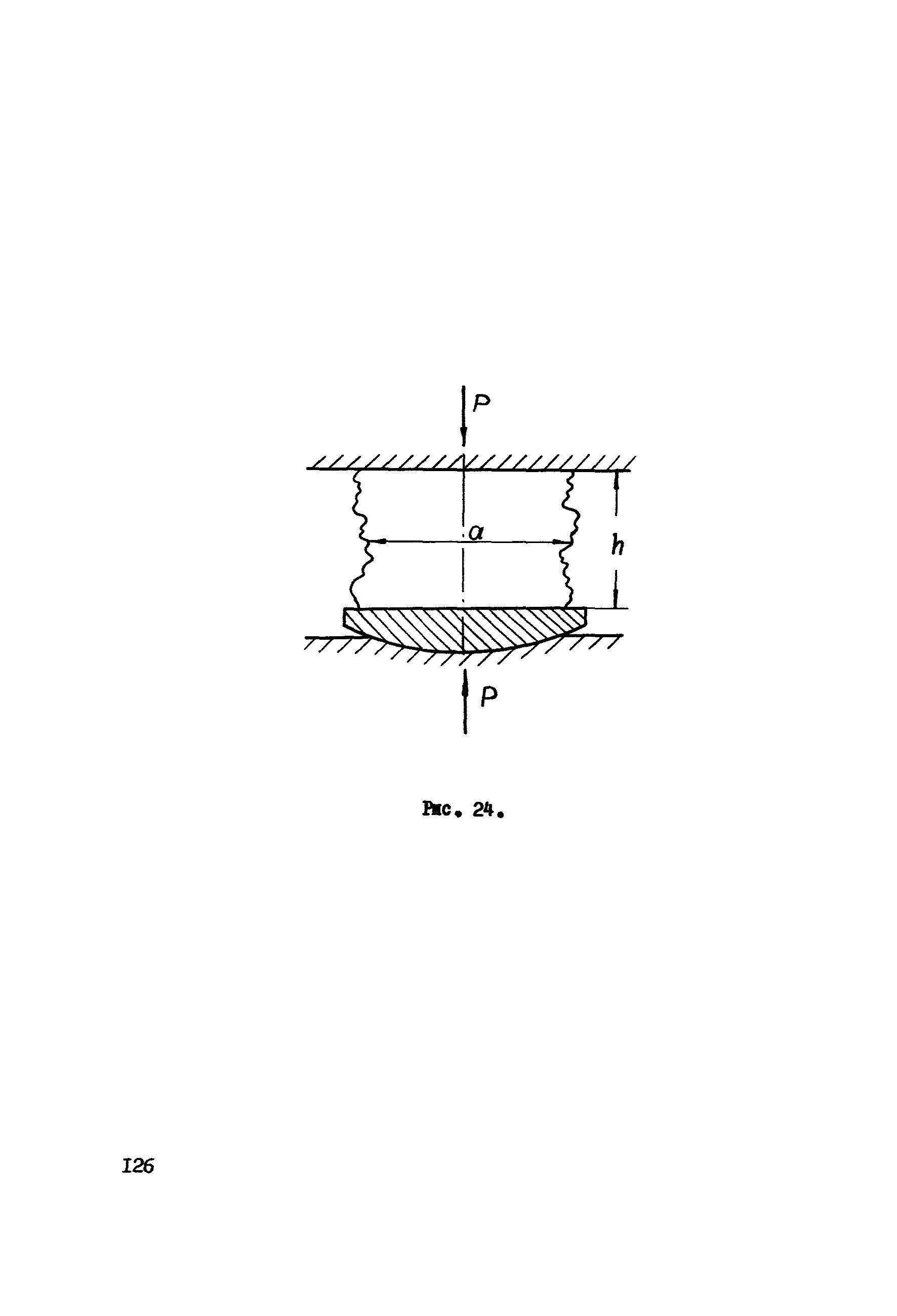
8. Методы механических испытаний горных пород
Литература
Разработан: ВНИМИ
Утверждён: ВНИМИ
Нормативные ссылки: