Скачать Методические рекомендации по планированию на шахтах

Дата актуализации: 01.01.2021

Методические рекомендации по планированию на шахтах

Статус:справочные материалы, мп, тпр
Название рус.:Методические рекомендации по планированию на шахтах
Дата добавления в базу:01.01.2018
Дата актуализации:01.01.2021
Область применения:В Методических рекомендациях изложены основные положения и методы разработки пятилетних и годовых планов шахт в условиях работы на принципах полного хозяйственного расчета и самофинансирования. В них учтены новые положения по планированию и его организации, вытекающие из Закона СССР о государственном предприятии (объединении) и других документов государственных органов
Оглавление:Введение
Раздел 1. Основные организационно-методические положения
Раздел 2. Планирование привоза продукции
Раздел 3. Планирование технического развития производства
Раздел 4. Планирование экономической эффективности производства
Раздел 5. Планирование капитальных вложений
Раздел 6. Планирование материально-технического обеспечения
Раздел 7. Планирование труда и заработной платы
Раздел 8. Планирование себестоимости, прибыли и рентабельности
Раздел 9. Планирование фондов экономического стимулирования
Раздел 10. Планирование социального развития коллектива
Раздел 11. Планирование охраны окружающей среды и рационального использования природных ресурсов
Раздел 12. Разработка финансового плана
Раздел 13. Нормы и нормативы
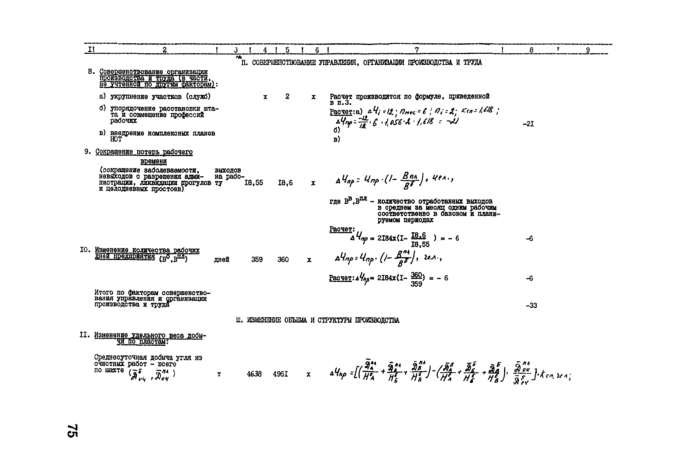
Приложение 1. Пример расчета средней продолжительности отпуска рабочих по добыче угла
Приложение 2. Примеры расчета коэффициентов списочного состава рабочих по добыче угля, применяемых при разработке месячных планов
Приложение 3. Коэффициенты списочного состава рабочих по добыче угля для различных режимов работы и различной продолжительности очередного отпуска, применяемые при разработке месячных планов
Приложение 4. Расчет фонда заработной платы промышленно-производственного персонала по добыче угля по шахте (примерная форма)
Приложение 5. Смета затрат на производство
Приложение 6. Расчет услуг промышленного характера капитальному строительству, капитальному ремонту и на сторону (примерная форма)
Приложение 7. Расчетный баланс расходов и доходов (примерная форма)
Приложение 8. Перечень методических документов по расчету норм и нормативов для планирования на шахтах (по состоянию на 01.02.89)
Приложение 9. Перечень нормативных документов по расчету норм и нормативов, подлежащих разработке и обновлению в 1989 - 1990 гг.
Разработан: ЦНИЭИуголь
Утверждён:29.05.1989 Министерство угольной промышленности СССР (USSR Ministry of the Coal Industry 9-35-17/321)
Нормативные ссылки: