Скачать СТБ ЕН 12016-2004 Совместимость технических средств электромагнитная. Помехоустойчивость лифтов, эскалаторов и пассажирских конвейеров. Требования и методы испытанийДата актуализации: 01.01.2021
|
| Обозначение: | СТБ ЕН 12016-2004 |
| Обозначение англ: | 12016-2004 |
| Статус: | не действует |
| Название рус.: | Совместимость технических средств электромагнитная. Помехоустойчивость лифтов, эскалаторов и пассажирских конвейеров. Требования и методы испытаний |
| Название англ.: | Electromagnetic compatibility of technical equipment. Immunity of lifts, escalators and passenger conveyers. Requirements and test methods |
| Дата добавления в базу: | 01.01.2018 |
| Дата актуализации: | 01.01.2021 |
| Дата окончания срока действия: | 01.07.2018 |
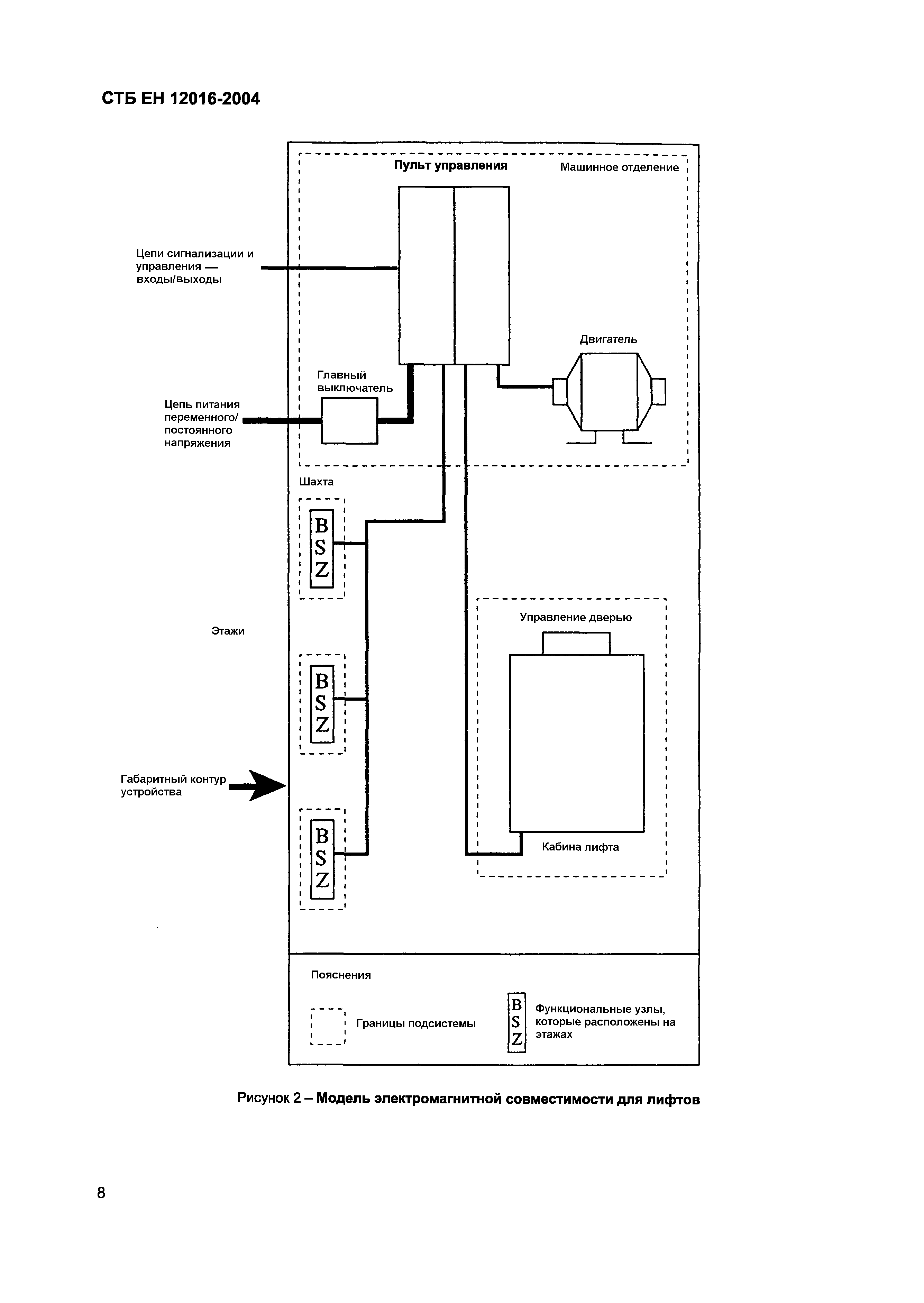
| Область применения: | Стандарт устанавливает степень жесткости испытаний и условия их проведения для лифтов, эскалаторов и пассажирских конвейеров, которые установлены в зданиях для длительной эксплуатации, на помехоустойчивость к радиочастотному электромагнитному полю, наносекундным импульсным помехам, динамическим изменениям напряжения электропитания и электростатическим разрядам. Устанавливаемые стандартом предельные уровни различных видов помех представляют собой основополагающие требования по ЭМС. |
| Оглавление: | 1 Область применения 2 Нормативные ссылки 3 Определения 4 Монтаж (сборка) подсистем 5 Условия проведения испытаний 6 Выполнимость испытаний 7 Испытание на устойчивость к помехам 8 Оценка результатов испытания 9 Документация по применению подсистем/узлов 10 Указание Приложение А (справочное) Библиография Приложение В (справочное) Сведения о соответствии европейских стандартов, на которые даны ссылки, государственным стандартам, принятым в качестве модифицированных государственных стандартов |
| Разработан: | БелГИСС |
| Утверждён: | 30.01.2004 Госстандарт Республики Беларусь (6) |
| Издан: | БелГИСС (2004 г. ) |














