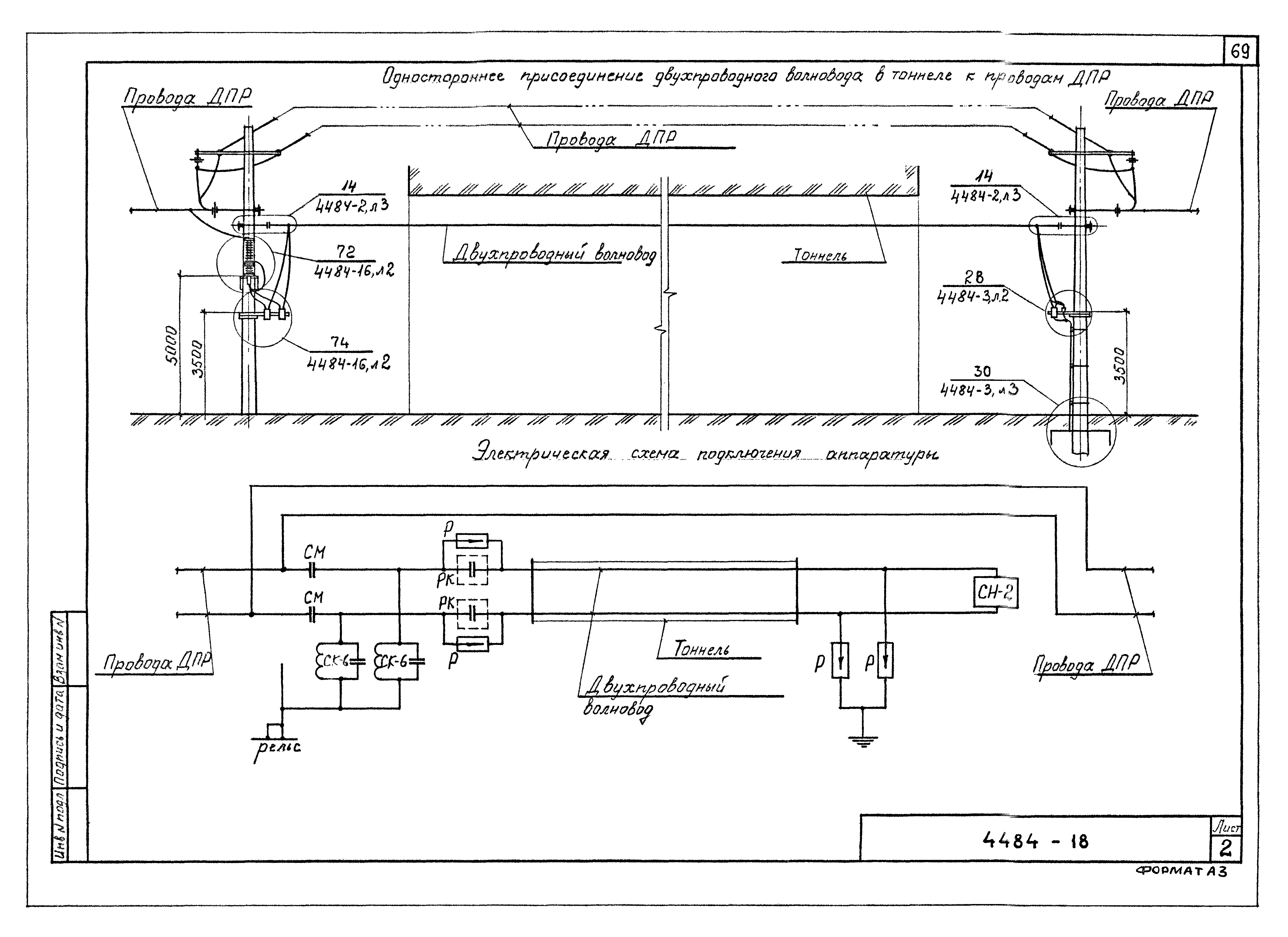
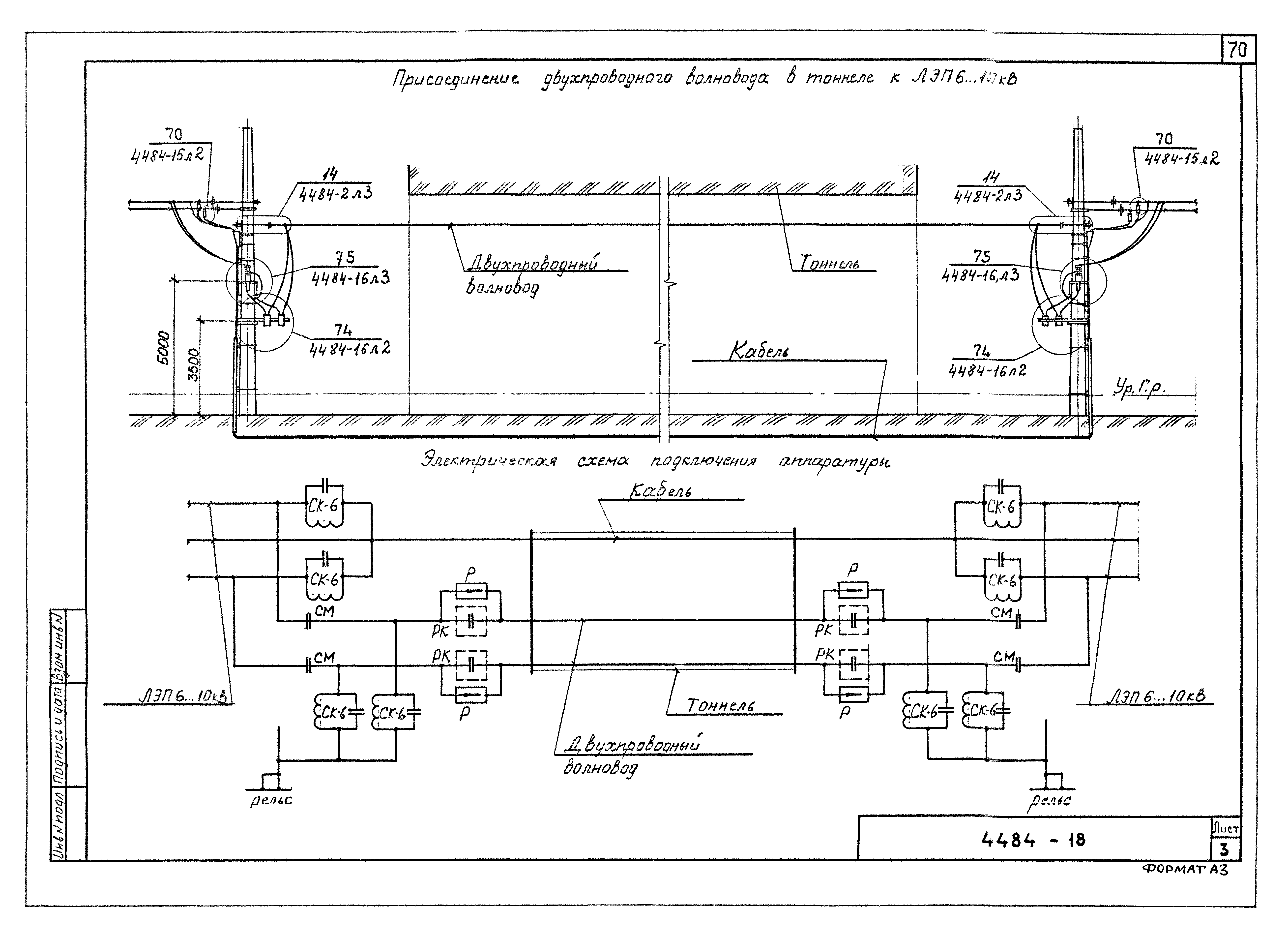
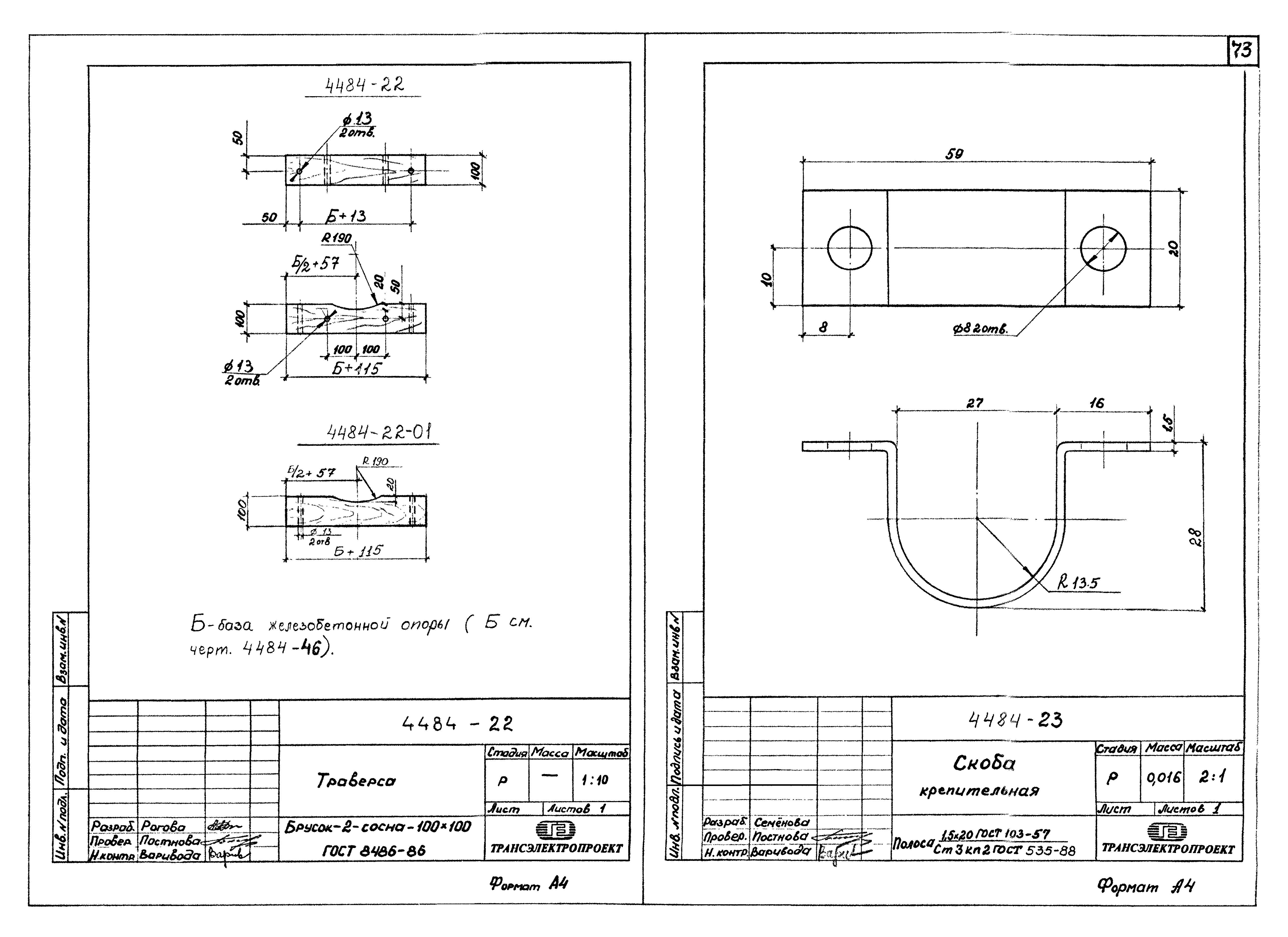
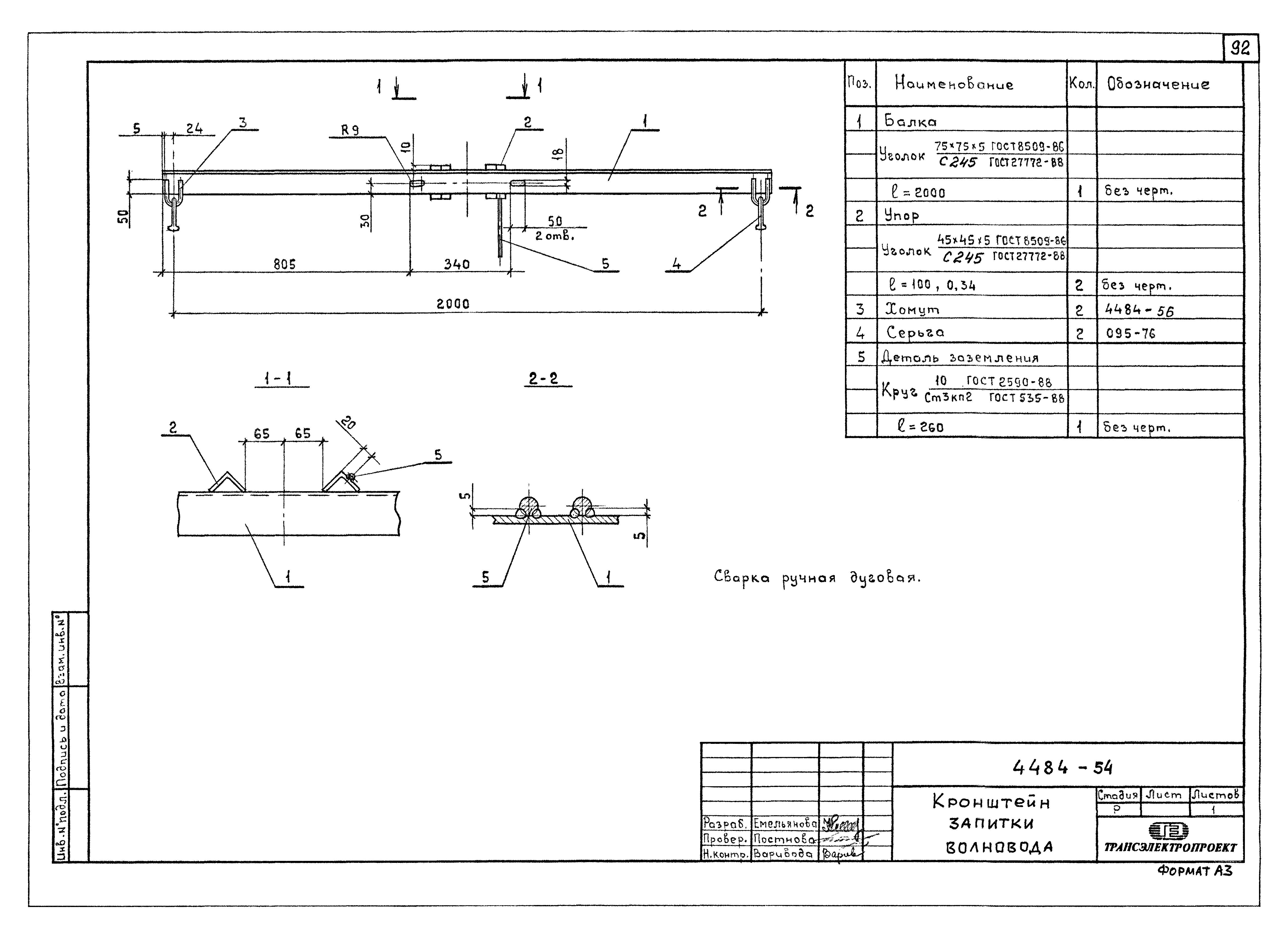
Скачать Серия ОТУ 32-4484 Конструкции устройств направляющих линий для поездной радиосвязи на электрифицированных участках железных дорог. Рабочие чертежиДата актуализации: 01.01.2021 Серия ОТУ 32-4484
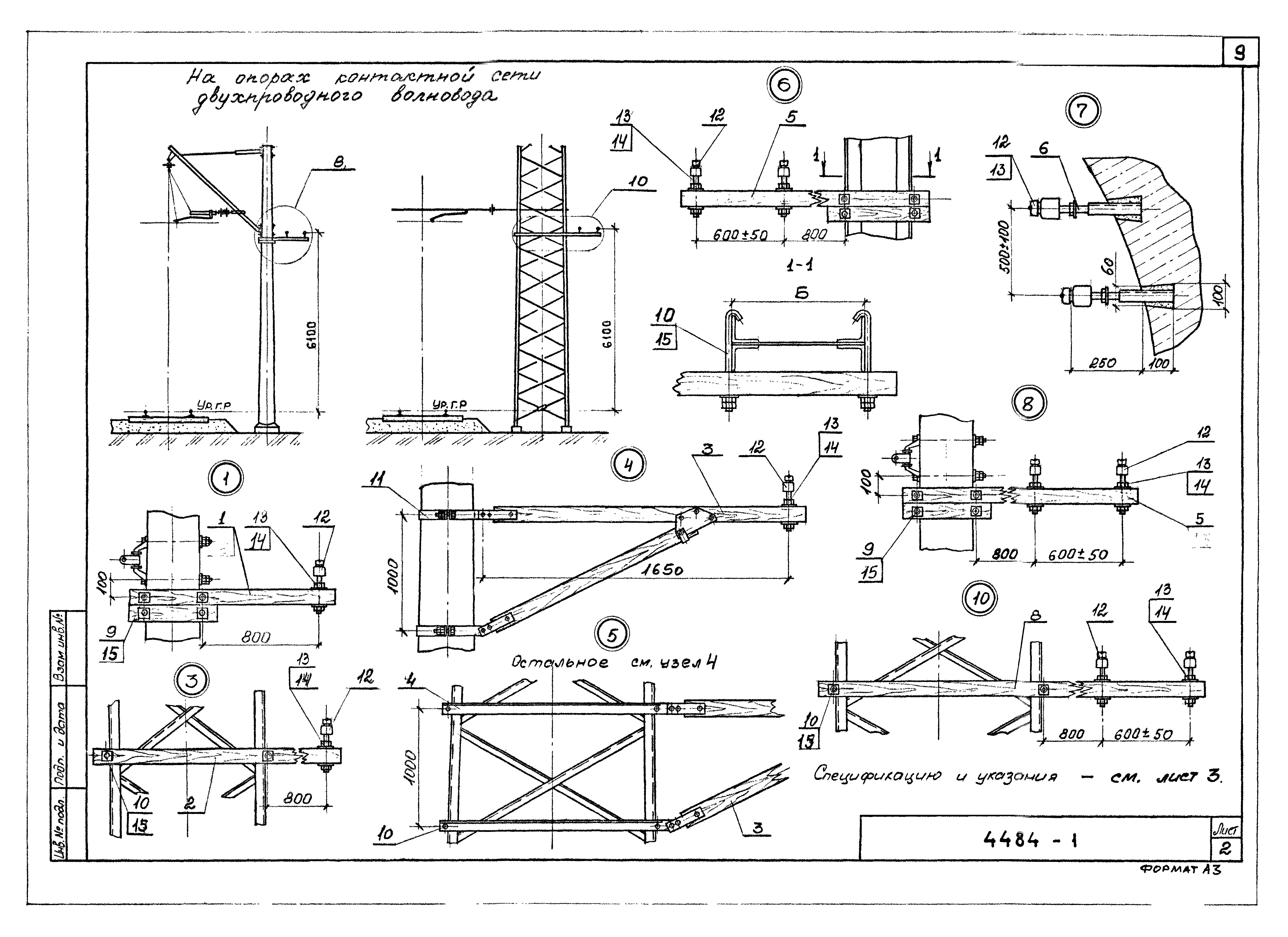
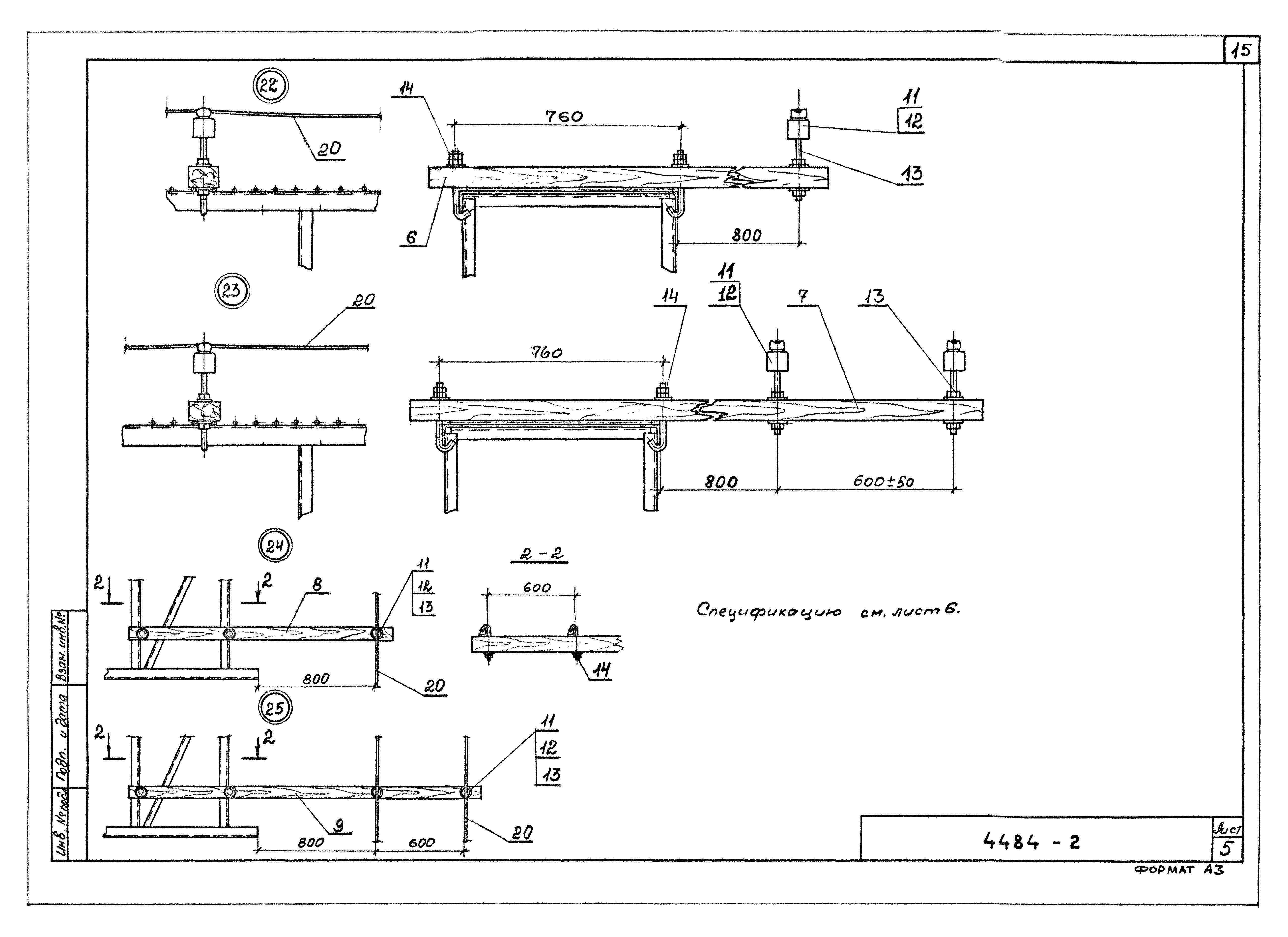
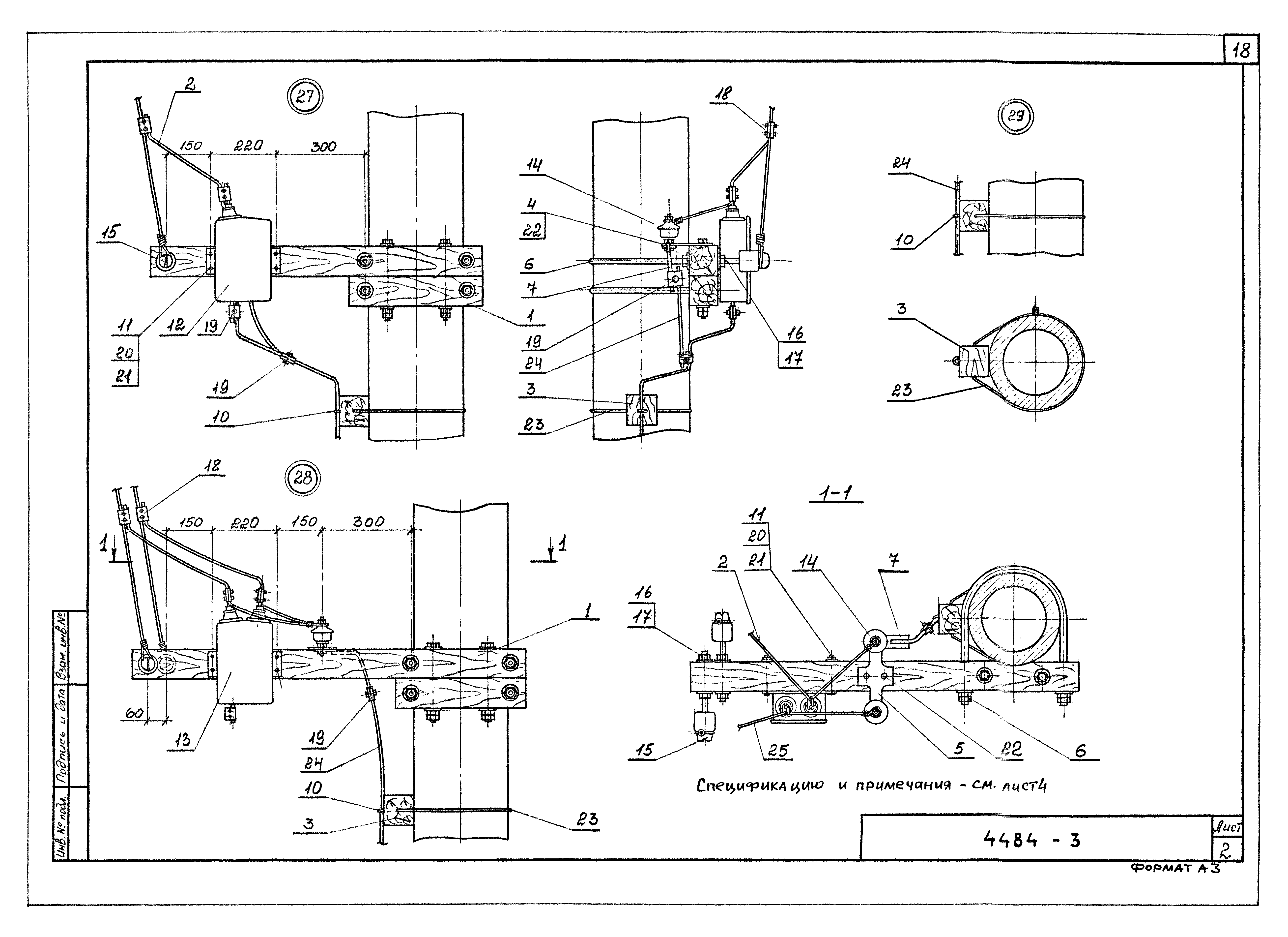
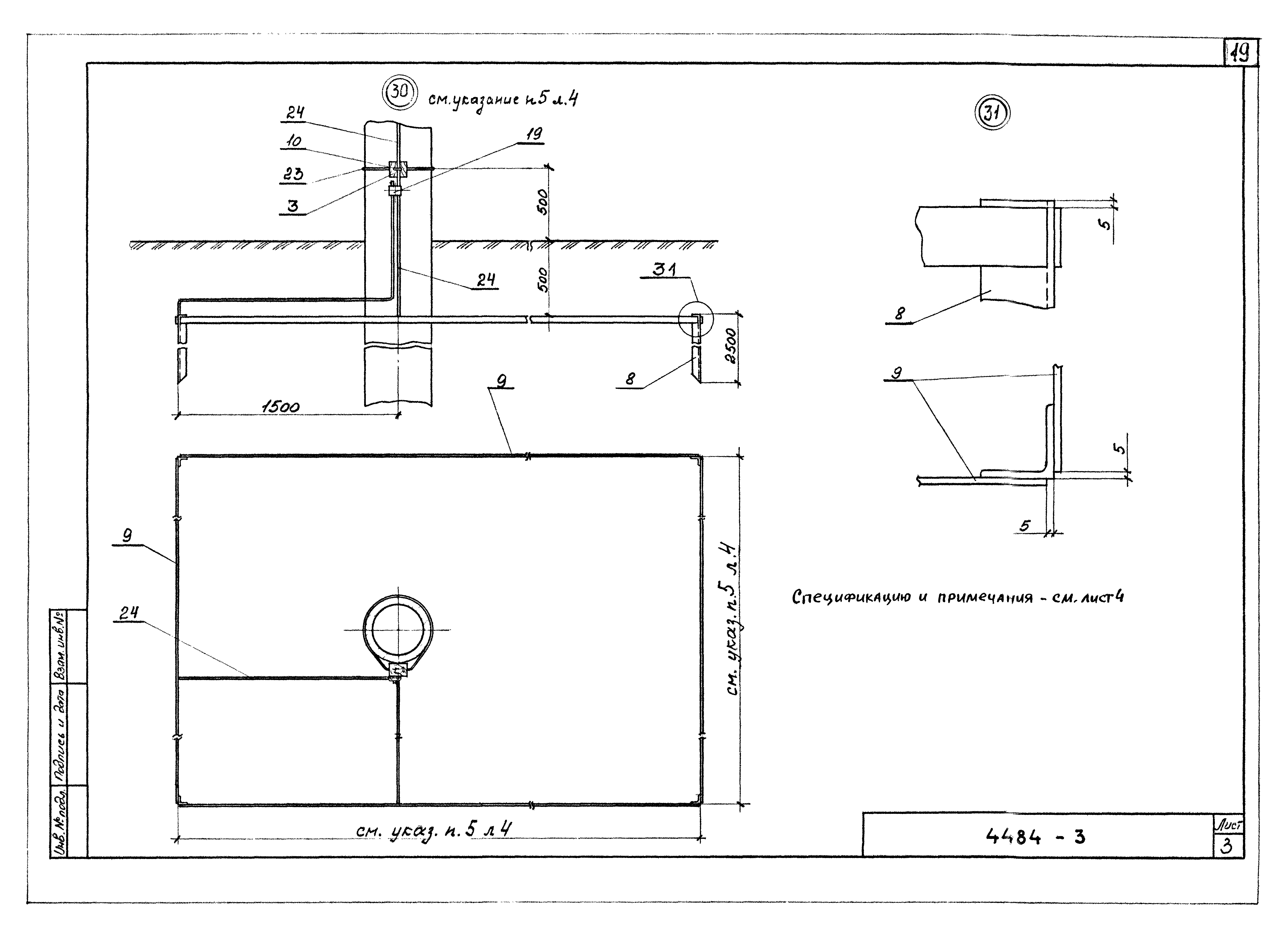
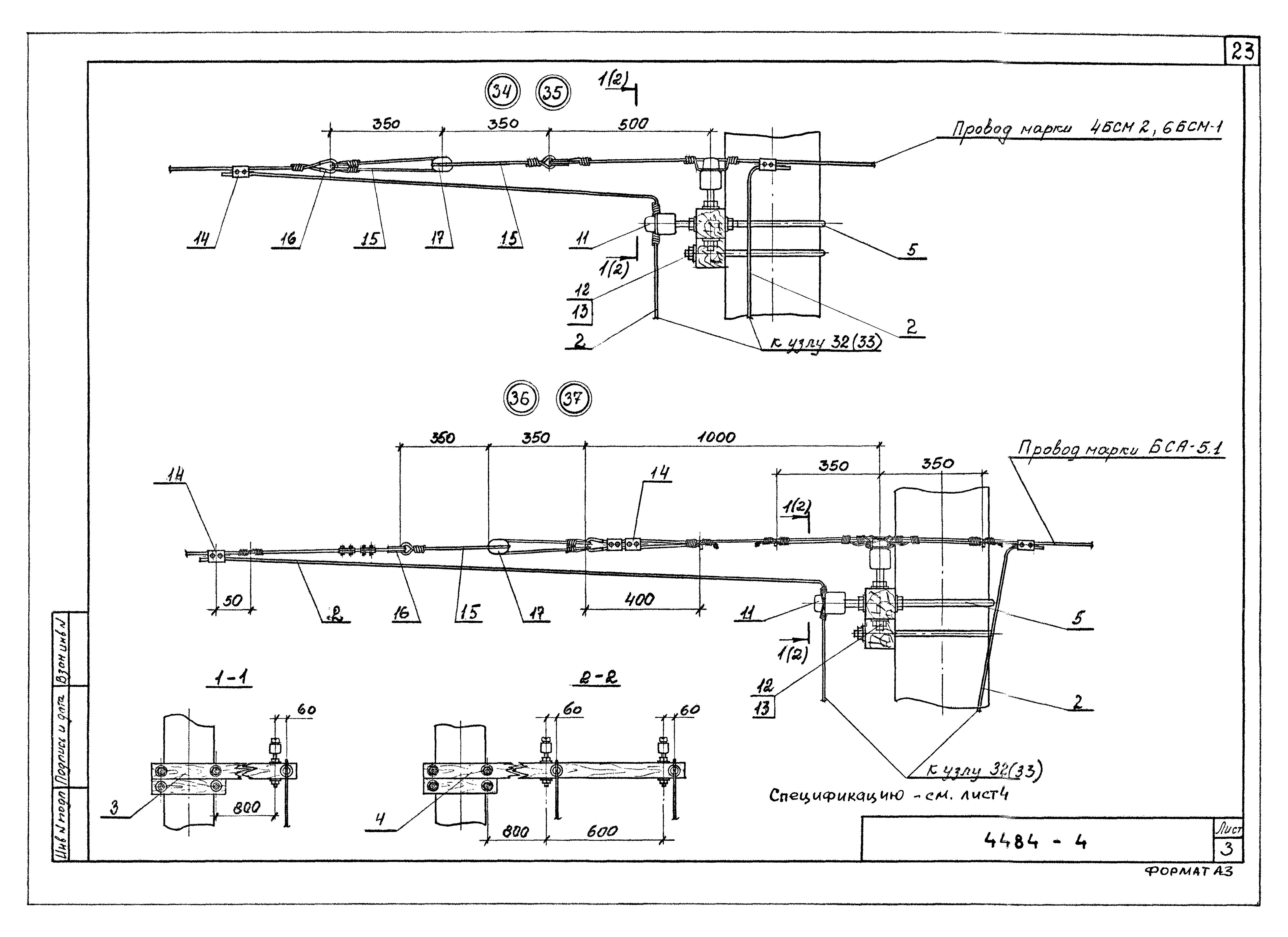
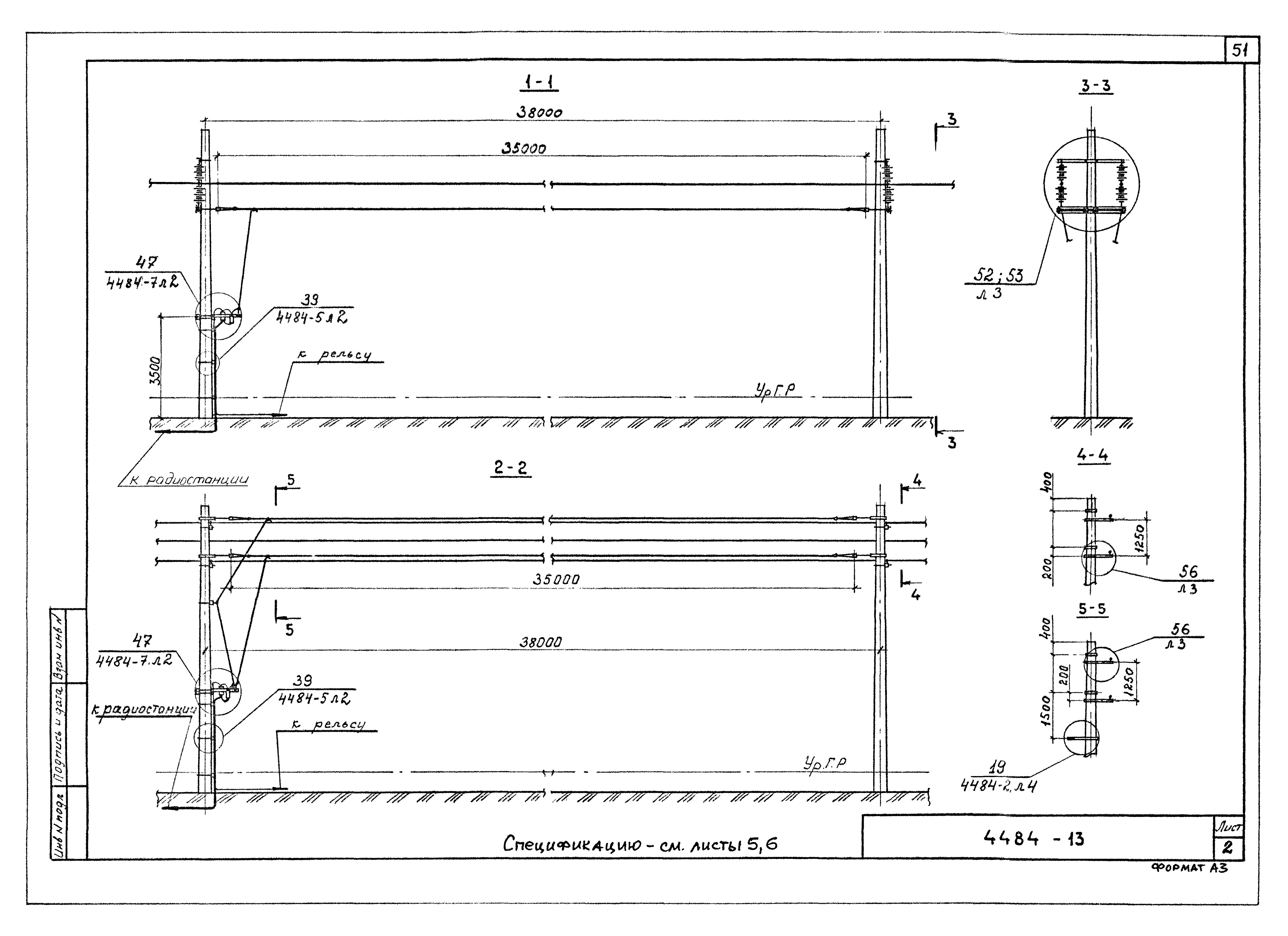
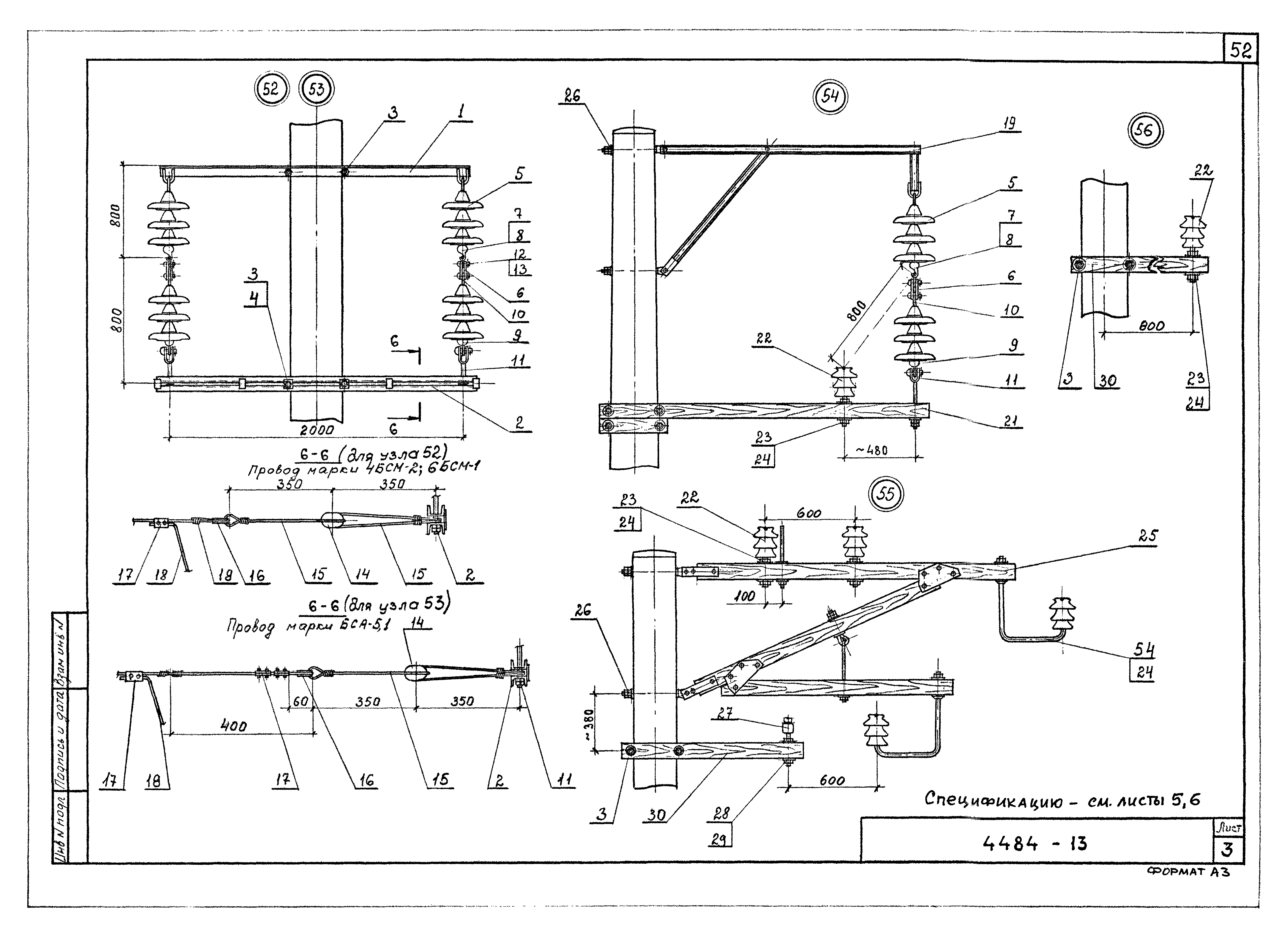
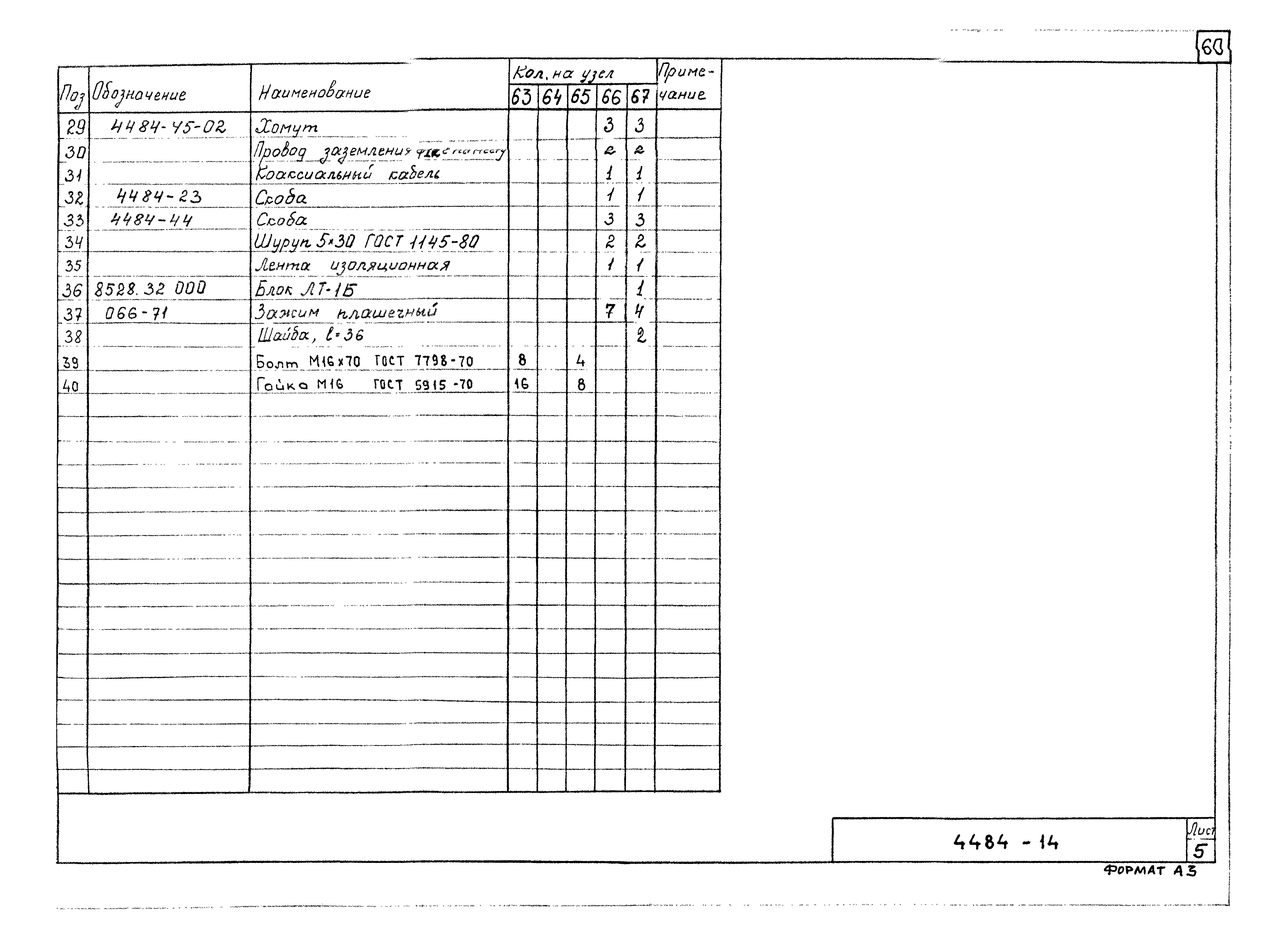
Конструкции устройств направляющих линий для поездной радиосвязи на электрифицированных участках железных дорог. Рабочие чертежи| Обозначение: | Серия ОТУ 32-4484 | | Обозначение англ: | Series ОТУ 32-4484 | | Статус: | справочные материалы, мп, тпр | | Название рус.: | Конструкции устройств направляющих линий для поездной радиосвязи на электрифицированных участках железных дорог. Рабочие чертежи | | Дата добавления в базу: | 01.01.2018 | | Дата актуализации: | 01.01.2021 | | Дата введения: | 15.10.1995 | | Разработан: | Трансэлектропроект Гострансстроя СССР
| | Утверждён: | 15.10.1995 МПС РФ (Russian Federation Ministry of Railroads С-10839)
|
                                                                                             
|