Скачать ГОСТ Р 57968-2017 Композиты полимерные. Метод испытания образцов на срезДата актуализации: 01.01.2021
|
| Обозначение: | ГОСТ Р 57968-2017 |
| Обозначение англ: | GOST R 57968-2017 |
| Статус: | введен впервые |
| Название рус.: | Композиты полимерные. Метод испытания образцов на срез |
| Название англ.: | Polymer composites. Test method of samples for shearing |
| Дата добавления в базу: | 01.01.2019 |
| Дата актуализации: | 01.01.2021 |
| Дата введения: | 01.06.2018 |
| Область применения: | Стандарт распространяется на полимерные композиты (ПК) с квазиизотропной схемой армирования и устанавливает метод испытания на срез образцов из ПК. |
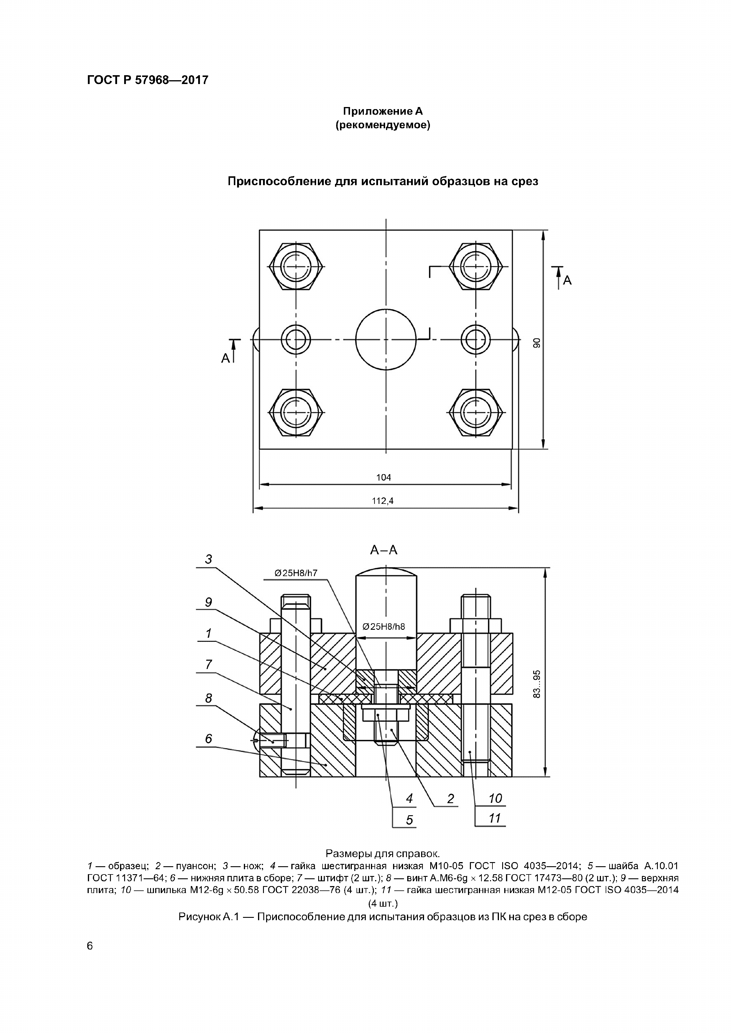
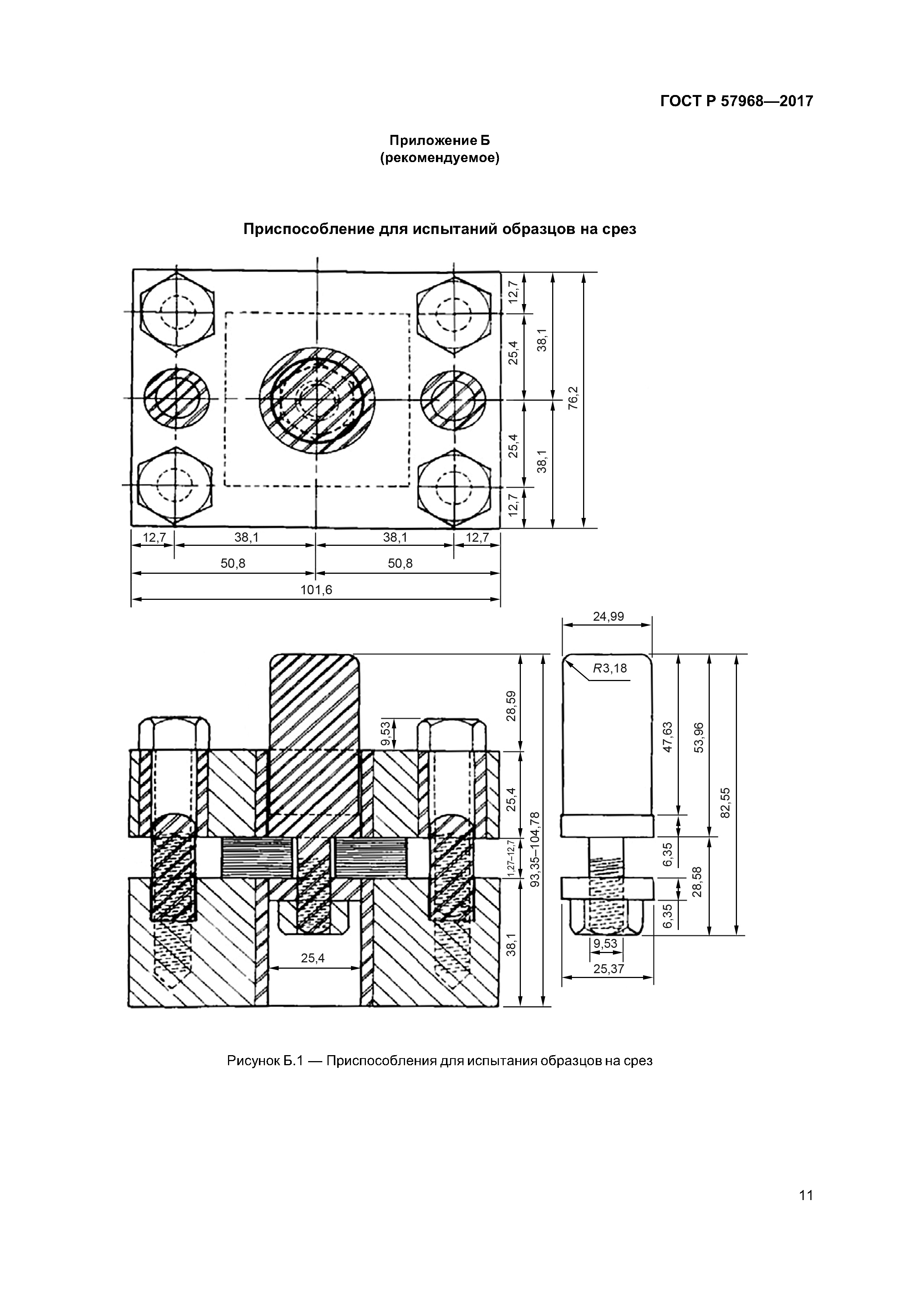
| Оглавление: | 1 Область применения 2 Нормативные ссылки 3 Термины и определения 4 Сущность метода 5 Оборудование 6 Подготовка к испытанию 7 Проведение испытаний 8 Обработка результатов испытаний 9 Протокол испытаний Приложение А (рекомендуемое) Приспособление для испытаний образцов на срез Приложение Б (рекомендуемое) Приспособление для испытаний образцов на срез Приложение В (рекомендуемое) Результаты испытаний образцов на срез |
| Разработан: | Объединение юридических лиц Союз производителей композитов ФГУП Всероссийский институт авиационных материалов АНО Центр нормирования, стандартизации и классификации композитов |
| Утверждён: | 21.11.2017 Федеральное агентство по техническому регулированию и метрологии (1786-ст) |
| Издан: | Стандартинформ (2017 г. ) |
| Нормативные ссылки: |
|














