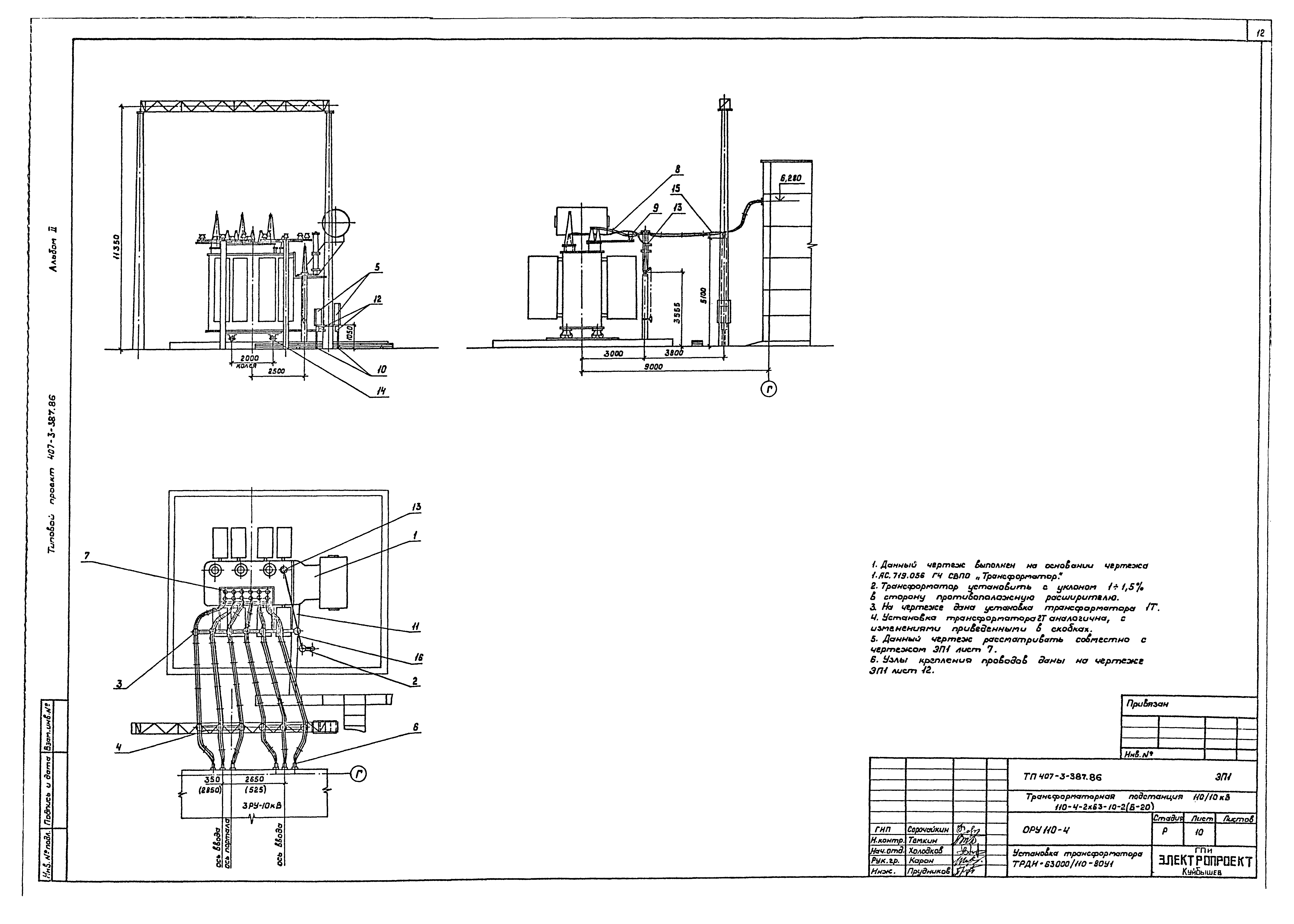
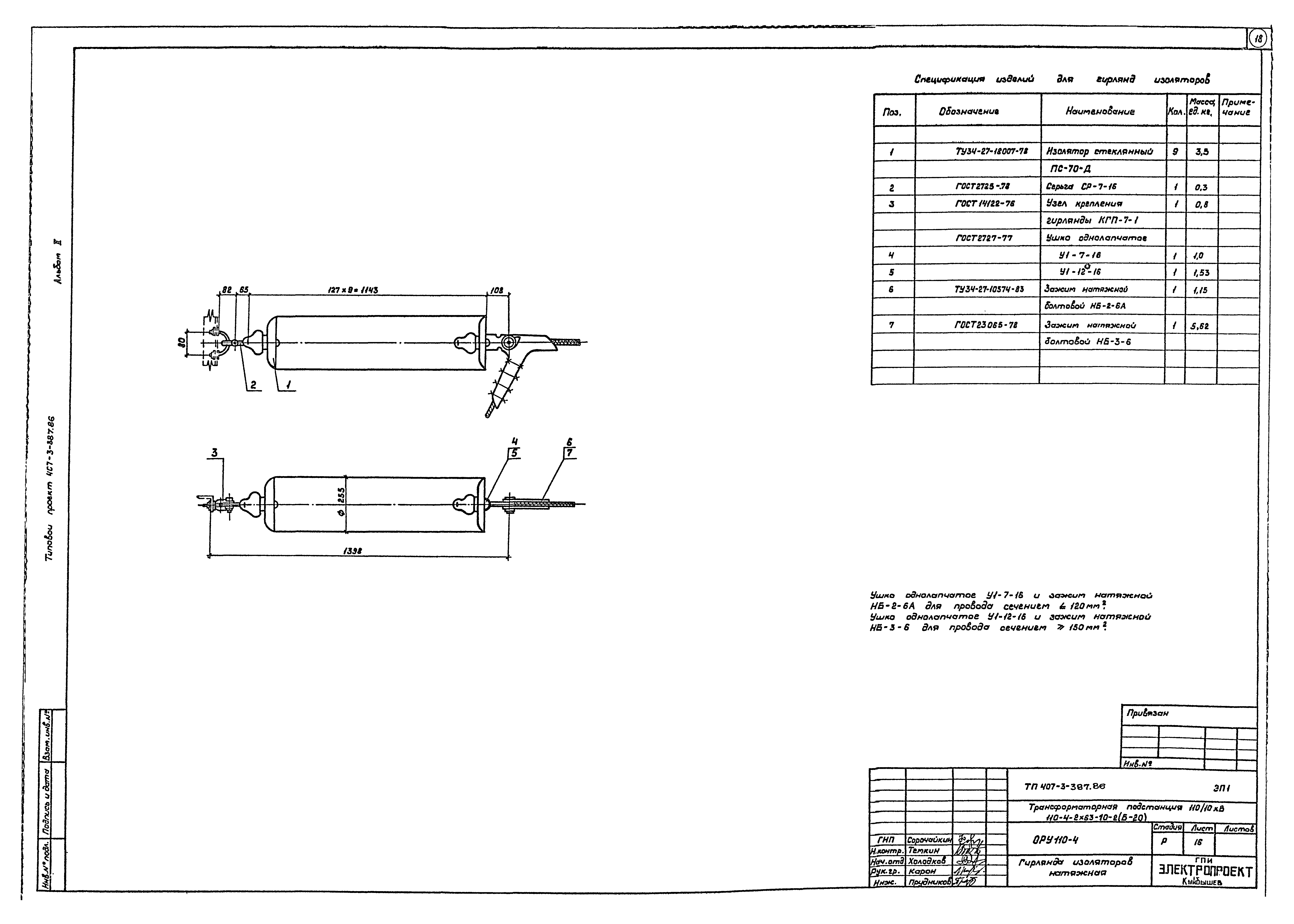
Скачать Типовой проект 407-3-387.86 Альбом II. Открытое распредустройство 110 кВ ОРУ 110-4. Электротехнические чертежиДата актуализации: 01.01.2021
|
| Обозначение: | Типовой проект 407-3-387.86 |
| Обозначение англ: | 407-3-387.86 |
| Статус: | отменен |
| Название рус.: | Альбом II. Открытое распредустройство 110 кВ ОРУ 110-4. Электротехнические чертежи |
| Дата добавления в базу: | 01.01.2019 |
| Дата актуализации: | 01.01.2021 |
| Дата введения: | 21.12.1984 |
| Дата окончания срока действия: | 01.01.1989 |
| Разработан: | ГПИ Электропроект |
| Утверждён: | 21.12.1984 Минмонтажспецстрой СССР (USSR Minmontazhspetsstroy ) |
| Издан: | ЦИТП Госстроя СССР (CITP, Gosstroy (USSR) 1986 г. ) |
| Заменяет собой: |
|
| Нормативные ссылки: |
|


















