Скачать Р 295-77 Руководство по технологии и организации строительства кабельных линий связи в горных условияхДата актуализации: 01.01.2021
|
| Обозначение: | Р 295-77 |
| Обозначение англ: | R 295-77 |
| Статус: | справочные материалы, мп, тпр |
| Название рус.: | Руководство по технологии и организации строительства кабельных линий связи в горных условиях |
| Дата добавления в базу: | 01.01.2019 |
| Дата актуализации: | 01.01.2021 |
| Область применения: | В Руководстве рассмотрены вопросы технологии и организации строительства кабельных линий технологической связи в горных условиях с учетом особенностей такого строительства. Руководство предназначено для инженерно—технических работников, руководящих строительно-монтажными работами и производящих их, составляющих проекты производства работ, а также осуществляющих контроль за ходом строительства и приемку кабельных линий связи в эксплуатацию |
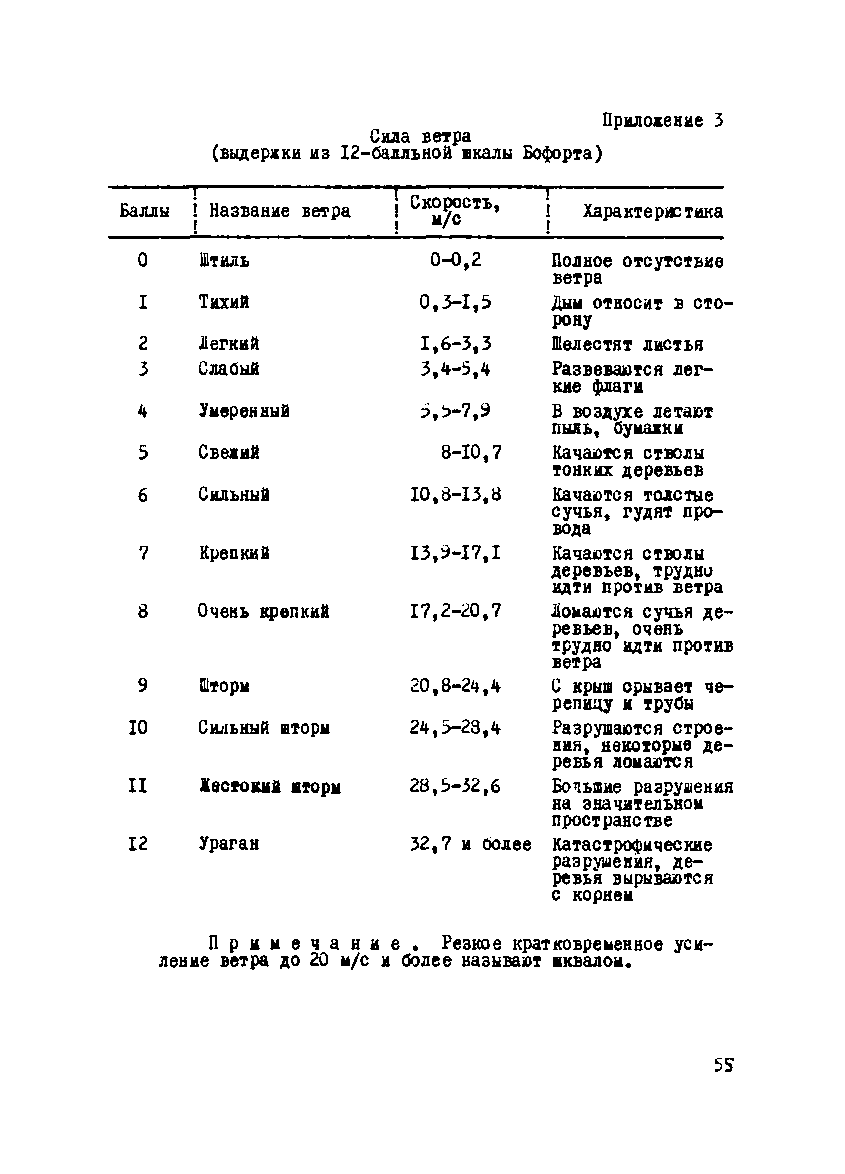
| Оглавление: | 1. Общие положения 2. Природные условия 3. Основные принципы проектирования 4. Организация строительства 5. Технология производства работ 6. Контроль качества строительства 7. Техника безопасности Приложение 1. Общая комплектация подразделений строительной техникой Приложение 2. Общая комплектация подразделений специалистов Приложение 3. Сила ветра (выдержки из 12-балльной шкалы Бофорта) Литература |
| Разработан: | ВНИИСТ |
| Утверждён: | 25.10.1977 ВНИИСТ (VNIIST ) |
| Нормативные ссылки: |




























































