Скачать Руководство по изучению и документации геологического строения на угольных карьерах

Дата актуализации: 01.01.2021

Руководство по изучению и документации геологического строения на угольных карьерах

Статус:справочные материалы, мп, тпр
Название рус.:Руководство по изучению и документации геологического строения на угольных карьерах
Дата добавления в базу:01.01.2019
Дата актуализации:01.01.2021
Область применения:В руководстве рассматриваются вопросы методики и техники ведения геологической документации при изучении геологического строения на угольных карьерах. Также кратко освещены вопросы изучения простых гидрогеологических и инженерно-геологических условий. Руководство предназначено для геологов угольных карьеров.
Оглавление:Глава 1. Горно-геологические условия открытой разработки угольных месторождений
   § 1. Геологические условия
      Состав и строение угленосной толщи
      Разрывные и складчатые нарушения
      Трещиноватость
      Выветривание пород
      Самовозгорание углей
      Влияние геологических факторов на открытый способ разработки
   § 2. Гидрогеологические условия и дренаж
      Типы подземных вод угольных месторождений
      Гидрогеологические характеристики
      Условия обводнения карьеров
      Прогноз притока воды в карьер
      Гидрогеологическая классификация карьерных полей
      Способы осушения
   § 3. Инженерно-геологические условия
      Инженерно-геологические характеристики пород
      Влияние состава и строения пород на их свойства
      Устойчивость пород
   § 4. Горно-геологическая классификация угольных месторождений, разрабатываемых открытым способом
Глава 2. Геологическая документация на угольных карьерах
   § 1. Задачи геологической документации
   § 2. Методика геологической документации
      Объекты геологической документации
      Приемы и средства документации
      Изучение вмещающих пород
      Изучение угольного пласта
      Изучение разрывных нарушений
      Изучение трещиноватости
   § 3. Геологическая съемка на карьерах
      Геологическая съемка на карьерах с простыми горно-геологическими условиями
      Геологическая съемка на карьерах с горно-геологическими условиями средней сложностей
      Геологическая съемка на карьерах со сложными горно-геологическими условиями
   § 4. Усовершенствование геологической документации
      Геологическая документация с помощью «Телетопа»
      Геологическая документация с помощью рисовального прибора
      Геологическая фотодокументация
   § 5. Геологическая документация скважин
      Документация колонковых скважин
      Документация скважин ручного бурения
   § 6. Прогнозирование элементов геологического строения
Глава 3. Изучение качества угля
   § 1. Опробование угля
      Задачи и виды опробования
      Способы отбора проб
      Сеть опробования и изменчивость основных показателей качества угля
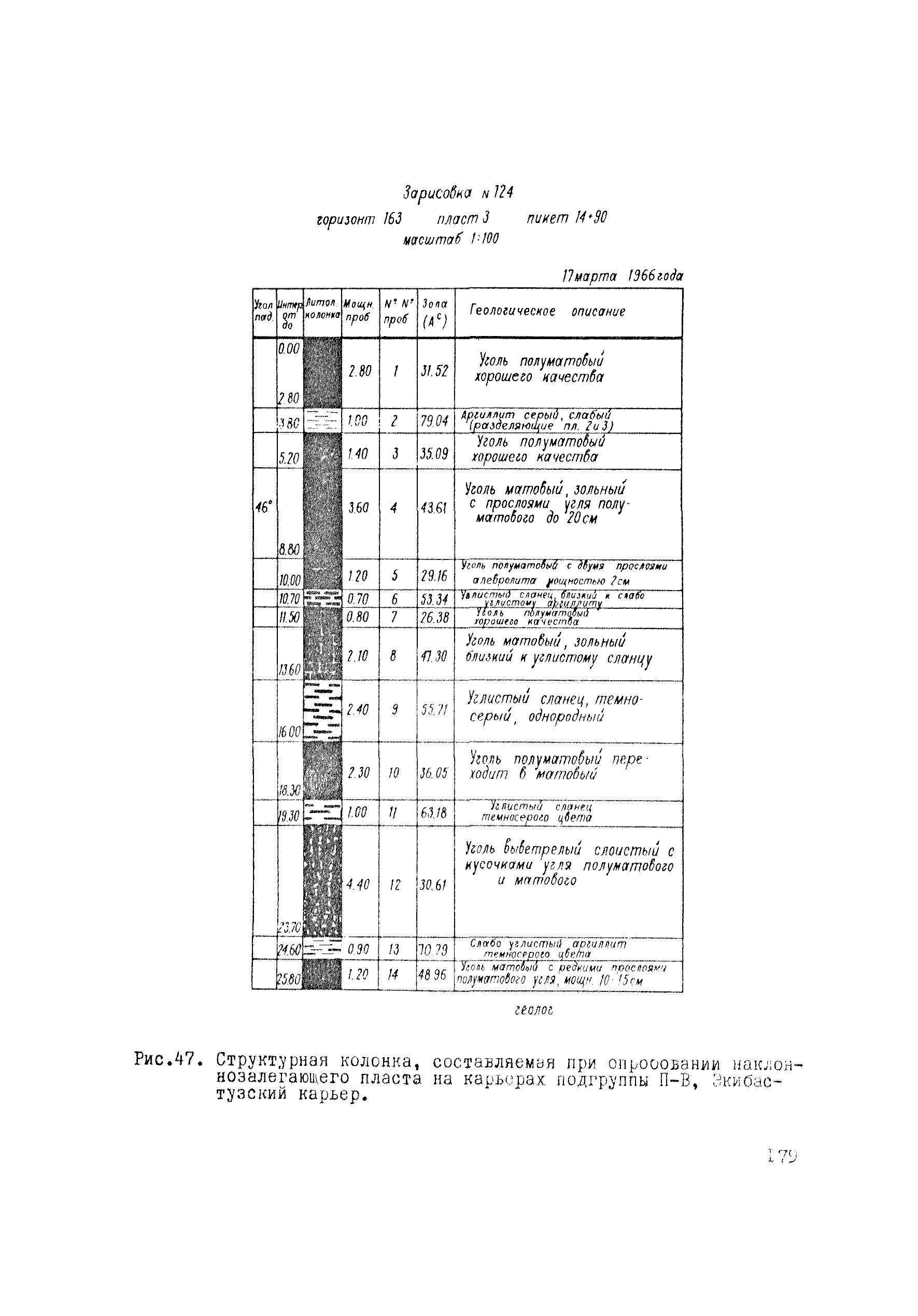
      Документация при опробовании
      Контроль опробования
   § 2. Усовершенствование опробования
      Геофизические методы опробования
      Определение зольности по объемному (удельному) весу угля
      Механизированный отбор проб
   § 3. Определение зоны окисленных углей
   § 4. Изучение самовозгорания угля
   § 5. Контроль за полнотой выемки
Глава 4. Гидрогеологические наблюдения
   § 1. Методика гидрогеологических наблюдений
      Замер притока воды
      Наблюдения за уровнями подземных вод
      Пробные откачки
      Изучение физико-химических свойств воды
   § 2. Гидрогеологическая документация горных выработок
   § 3. Гидрогеологическая съемка
Глава 5. Изучение инженерно-геологических условий
   § 1. Изучение устойчивости бортов
      Инженерно-геологическая документация
      Натурные изучения массива
      Полевые методы определения физико-механических свойств пород
   § 2. Изучение выветривания пород
      Признаки и свойства выветрелых пород
      Методика изучения выветривания
   § 3. Определение показателей добываемости пород
   § 4. Отбор проб и образцов
   § 5. Лабораторные исследования
Глава 6. Геологические оборудование и документы
   § 1. Приборы и приспособления для отбора проб, гидрогеологических и инженерно-геологических наблюдений
      Инструменты и приспособления, используемые при опробовании
      Приборы и приспособления для гидрогеологических наблюдений
      Приборы и приспособления для инженерно-геологических исследований
   § 2. Геологические документы
      Графические материалы
      Отчеты
      Условные знаки
   § 3. Оборудование геологического кабинета
      Фотолаборатория
      Эталонная коллекция
Приложение 1. Физико-механические свойства некоторых месторождений, разрабатываемых открытым способом
Приложение 2. Классификация горных пород (по проф. Протодьяконову)
Приложение 3. Классификация пород по трудности экскавации и сравнение шкал крепости
Приложение 4. Показатели сопротивления резанию
Приложение 5. Классификация пород по удельной работе бурения ударо-канатными станками
Приложение 6. Шкала абразивности горных пород (по Л.И. Барону и А.В. Кузнецову)
Приложение 7. Шкала горных пород Союзвзрывпрома
Приложение 7а. Удельный расход ВВ для аммонита № 9 (по данным Союзвзрывпрома)
Приложение 8. Коэффициент разрыхления пород Кр (по ЕНиР 1960 г.)
Приложение 9. Классификация пород, разрабатываемых гидромониторным способом
Приложение 10. Акт отбора пластово-дифференциальной пробы
Приложение 11. Удельные расходы через трапецеидальный незатопленный водослив в зависимости от набора Н (на 1 м длины ребра водослива)
Приложение 11а. Расходы через прямоугольный водослив, л/сек
Приложение 12. Журнал работы водослива
Приложение 13. Журнал притока воды в дренажную шахту
Приложение 14. Работы водопонижающих скважин
Приложения 15. Акт на прорыв воды в шахту (карьер)
Приложение 16. Фоторецептура
Приложение 17. Промышленная классификация углей основных угольных бассейнов и районов Советского Союза по маркам
Приложение 18. Номенклатура микрокомпонентов ископаемых углей для технологических целей
Приложение 19. Кондиции по мощности угольных пластов
Литература
Разработан: ВНИМИ
Утверждён: Министерство угольной промышленности СССР (USSR Ministry of the Coal Industry )
Нормативные ссылки: