Скачать Типовой проект 901-6-39 Альбом XII. Задание заводу-изготовителю на комплектные электротехнические устройства. Пятисекционные и шестисекционные градирни

Дата актуализации: 01.01.2021

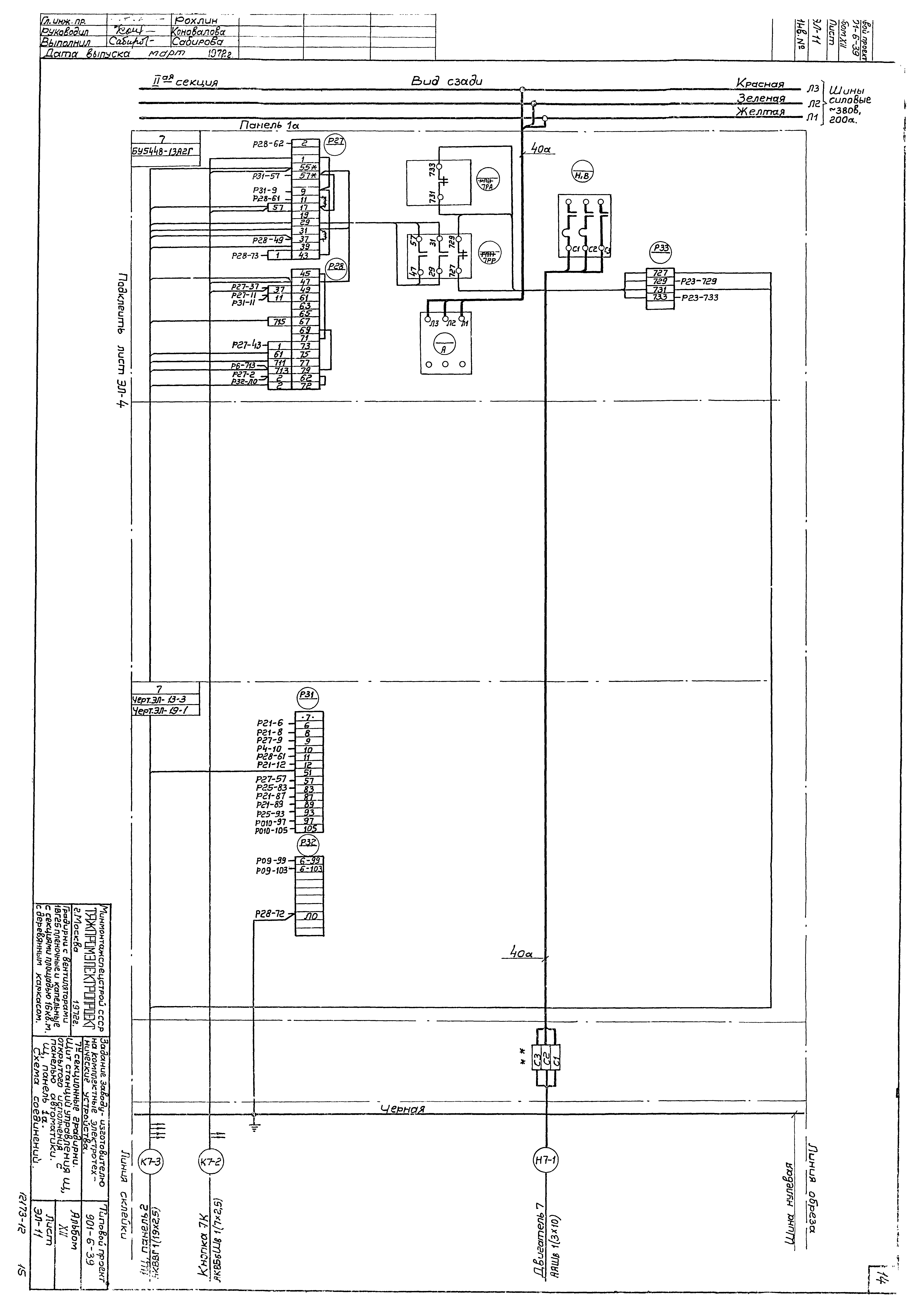
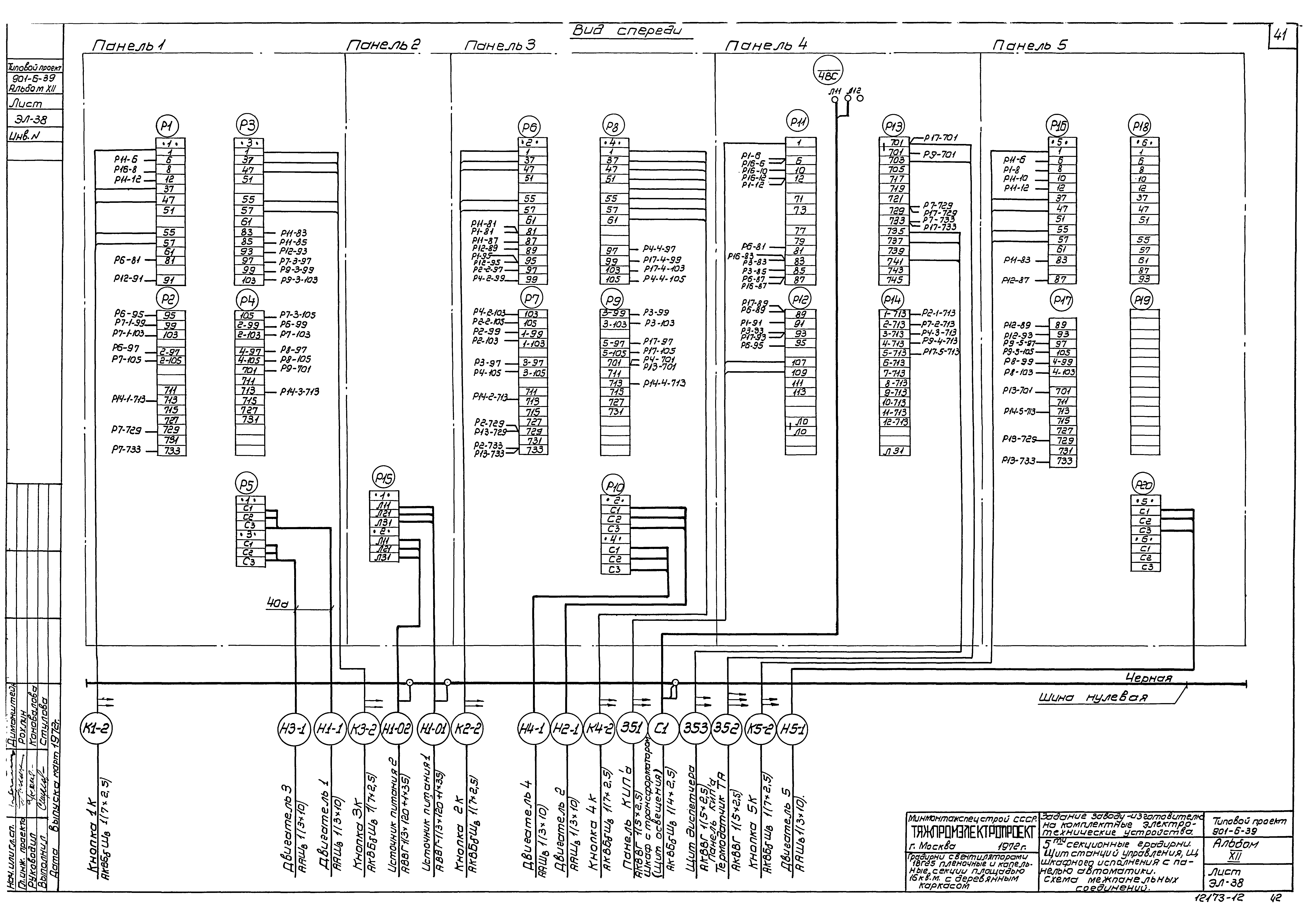
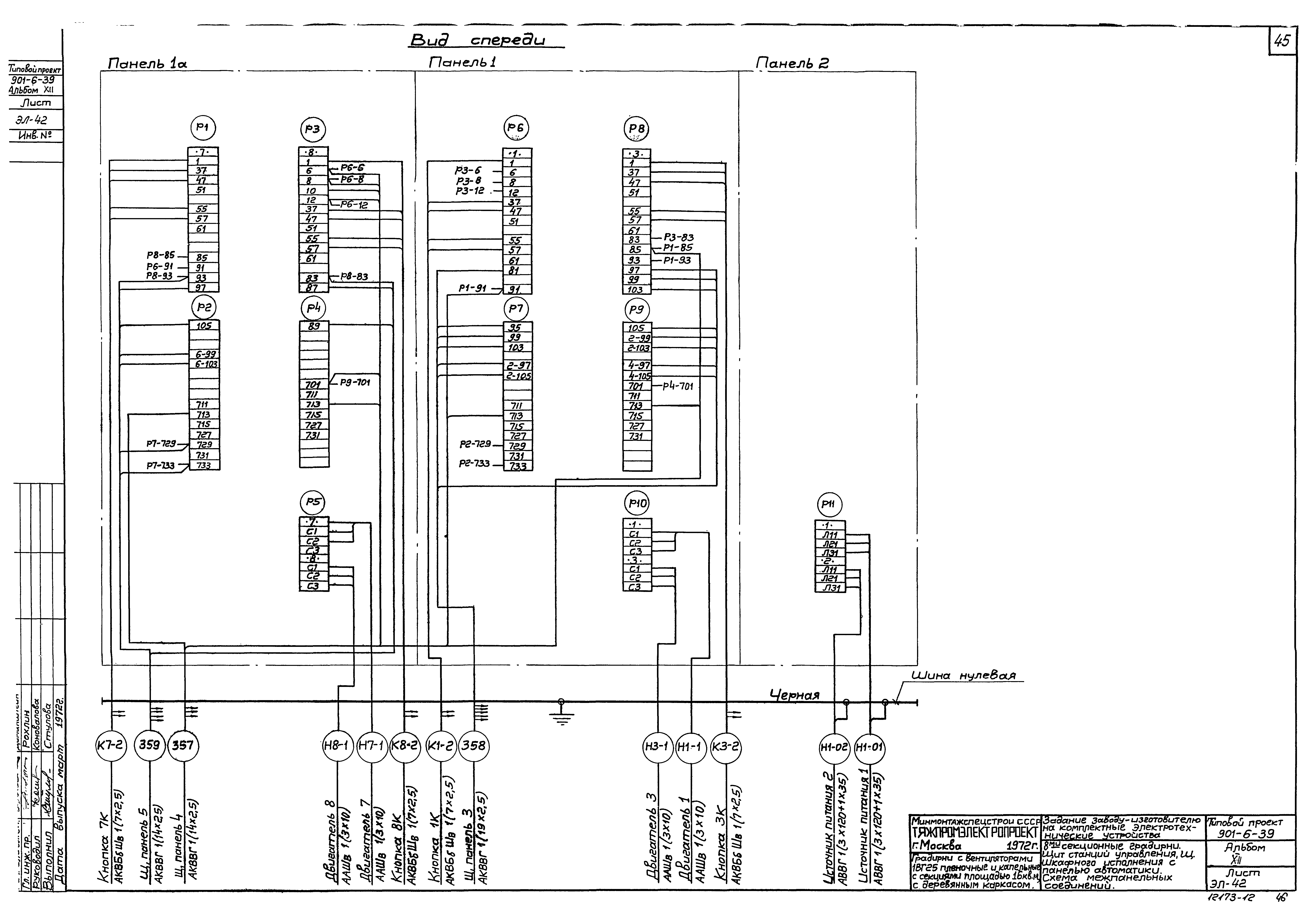
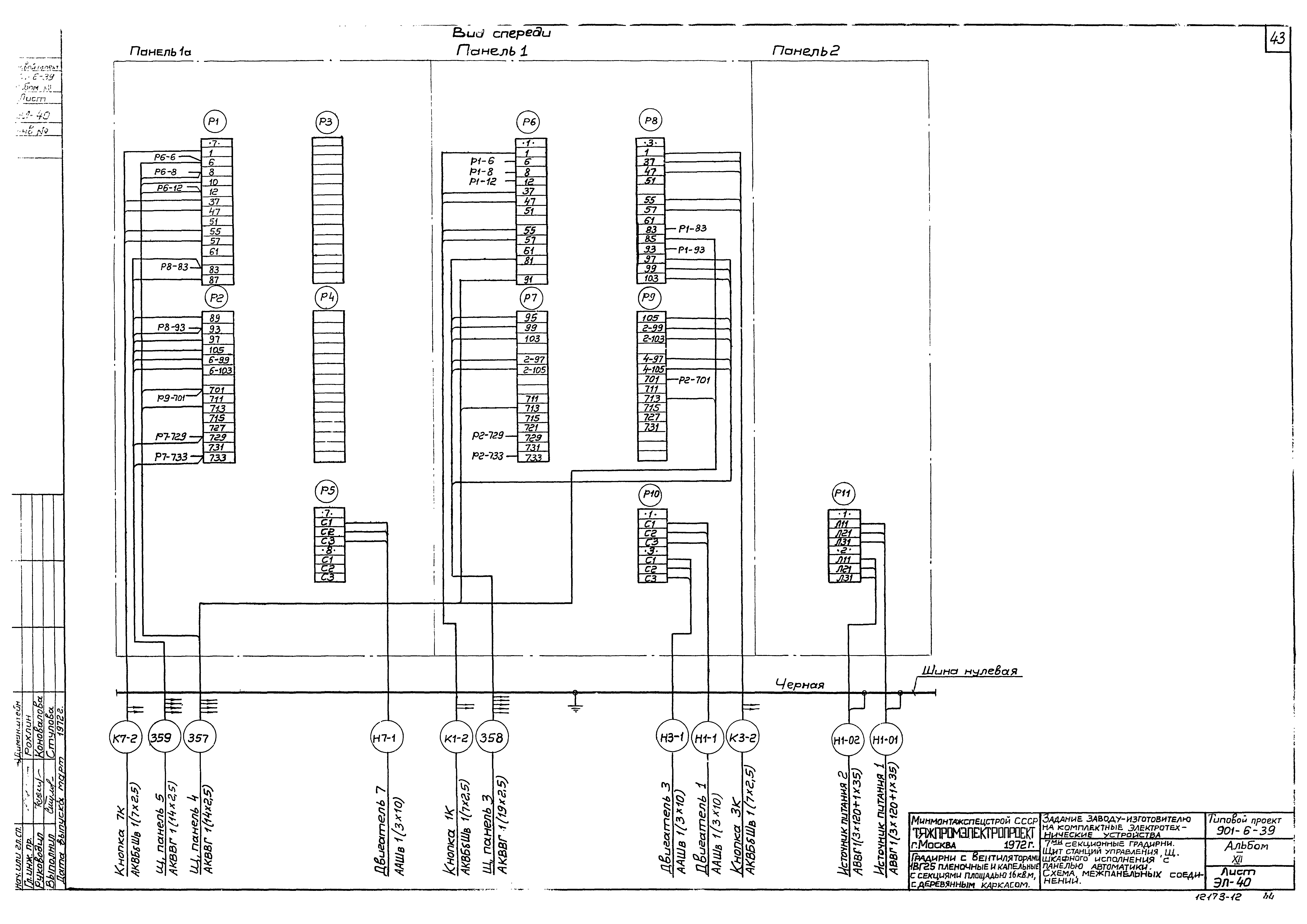
Типовой проект 901-6-39

Альбом XII. Задание заводу-изготовителю на комплектные электротехнические устройства. Пятисекционные и шестисекционные градирни

Обозначение: Типовой проект 901-6-39
Обозначение англ: 901-6-39
Статус:не действует
Название рус.:Альбом XII. Задание заводу-изготовителю на комплектные электротехнические устройства. Пятисекционные и шестисекционные градирни
Дата добавления в базу:01.01.2019
Дата актуализации:01.01.2021
Дата введения:12.01.1973
Дата окончания срока действия:01.04.1984
Разработан: Союзводоканалпроект
Утверждён:12.01.1973 СоюзводоканалНИИпроект (SoyuzvodokanalNIIproject 9)
Издан: ЦИТП Госстроя СССР (CITP, Gosstroy (USSR) 1977 г. )
Заменяет собой:
  • Типовой проект 901-6-2
  • Типовой проект 901-6-3
Типовой проект 901-6-39Типовой проект 901-6-39Типовой проект 901-6-39Типовой проект 901-6-39Типовой проект 901-6-39Типовой проект 901-6-39Типовой проект 901-6-39Типовой проект 901-6-39Типовой проект 901-6-39Типовой проект 901-6-39Типовой проект 901-6-39Типовой проект 901-6-39Типовой проект 901-6-39Типовой проект 901-6-39Типовой проект 901-6-39Типовой проект 901-6-39Типовой проект 901-6-39Типовой проект 901-6-39Типовой проект 901-6-39Типовой проект 901-6-39Типовой проект 901-6-39Типовой проект 901-6-39Типовой проект 901-6-39Типовой проект 901-6-39Типовой проект 901-6-39Типовой проект 901-6-39Типовой проект 901-6-39Типовой проект 901-6-39Типовой проект 901-6-39Типовой проект 901-6-39Типовой проект 901-6-39Типовой проект 901-6-39Типовой проект 901-6-39Типовой проект 901-6-39Типовой проект 901-6-39Типовой проект 901-6-39Типовой проект 901-6-39Типовой проект 901-6-39Типовой проект 901-6-39Типовой проект 901-6-39Типовой проект 901-6-39Типовой проект 901-6-39Типовой проект 901-6-39Типовой проект 901-6-39Типовой проект 901-6-39Типовой проект 901-6-39Типовой проект 901-6-39Типовой проект 901-6-39Типовой проект 901-6-39Типовой проект 901-6-39Типовой проект 901-6-39Типовой проект 901-6-39Типовой проект 901-6-39Типовой проект 901-6-39Типовой проект 901-6-39Типовой проект 901-6-39Типовой проект 901-6-39Типовой проект 901-6-39Типовой проект 901-6-39Типовой проект 901-6-39Типовой проект 901-6-39Типовой проект 901-6-39Типовой проект 901-6-39Типовой проект 901-6-39Типовой проект 901-6-39Типовой проект 901-6-39Типовой проект 901-6-39Типовой проект 901-6-39Типовой проект 901-6-39Типовой проект 901-6-39