Скачать Временные рекомендации по проектированию стационарных систем автоматического тушения пожаров нефтей и нефтепродуктов в резервуарных парках и насосных станцияхДата актуализации: 01.01.2021 |
| Статус: | справочные материалы, мп, тпр |
| Название рус.: | Временные рекомендации по проектированию стационарных систем автоматического тушения пожаров нефтей и нефтепродуктов в резервуарных парках и насосных станциях |
| Дата добавления в базу: | 01.01.2019 |
| Дата актуализации: | 01.01.2021 |
| Область применения: | Требования рекомендаций распространяются на проектирование новых и реконструкцию действующих резервуарных парков и складов нефти и нефтепродуктов, а также насосных станций по перекачке нефти и нефтепродуктов. |
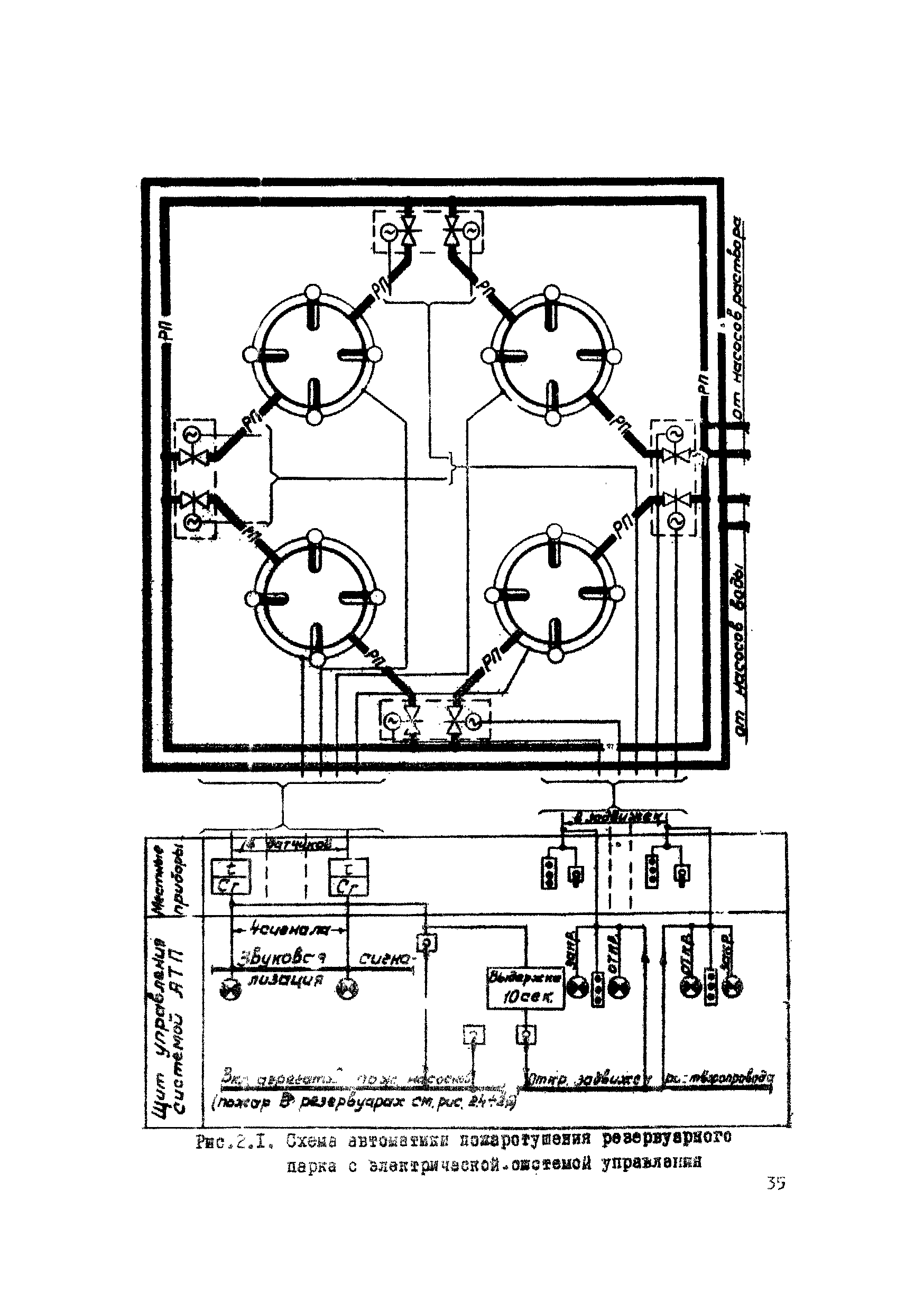
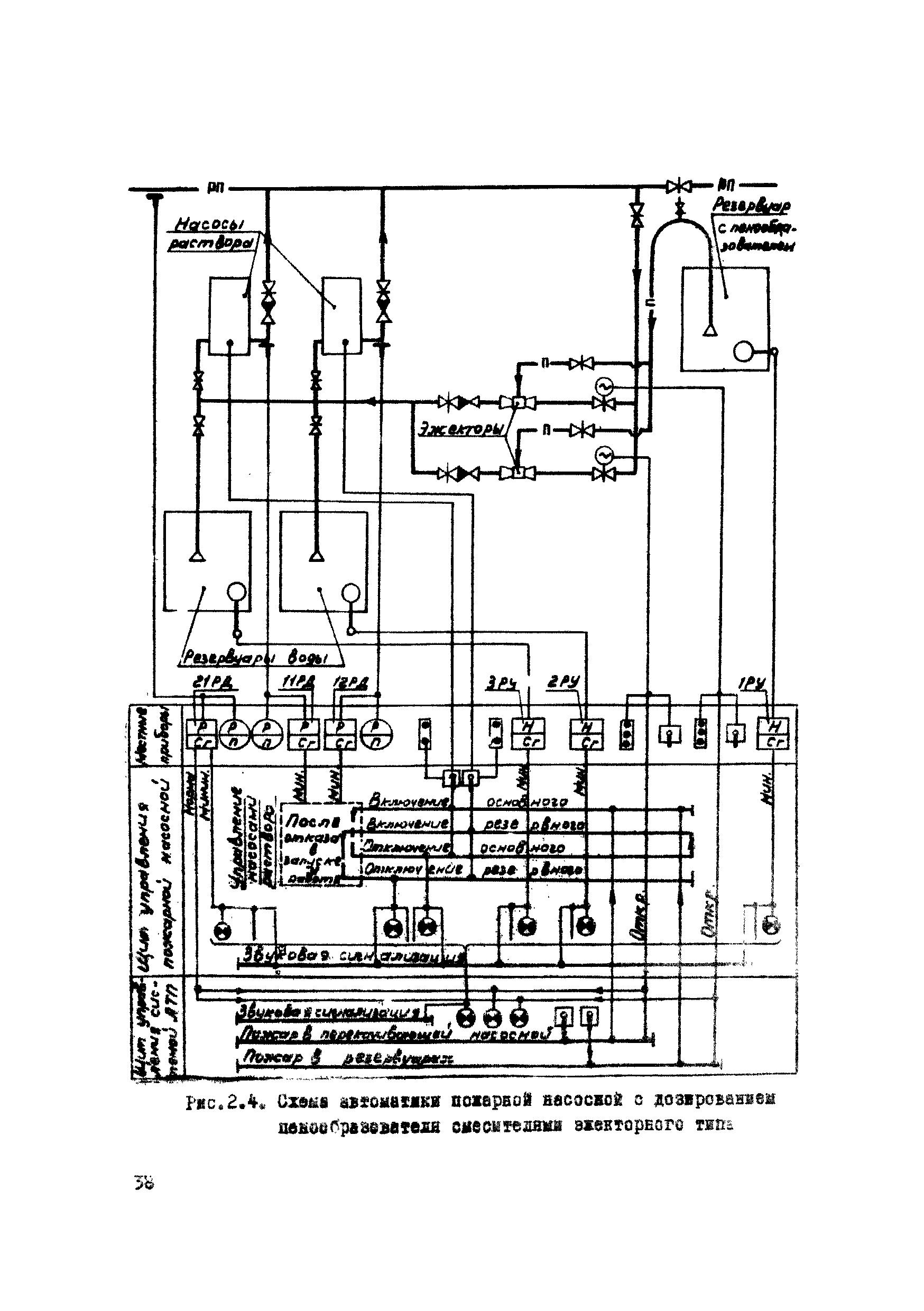
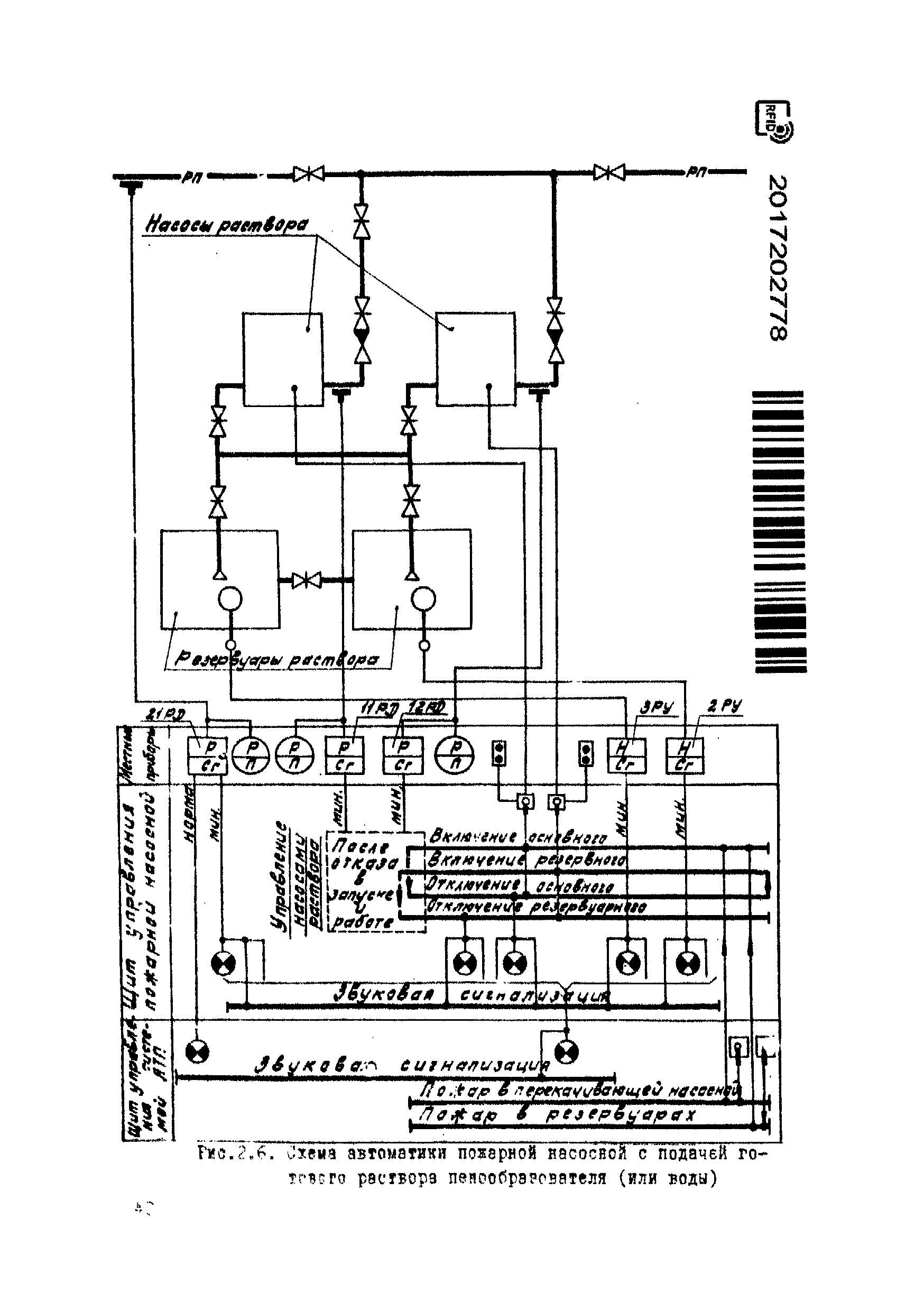
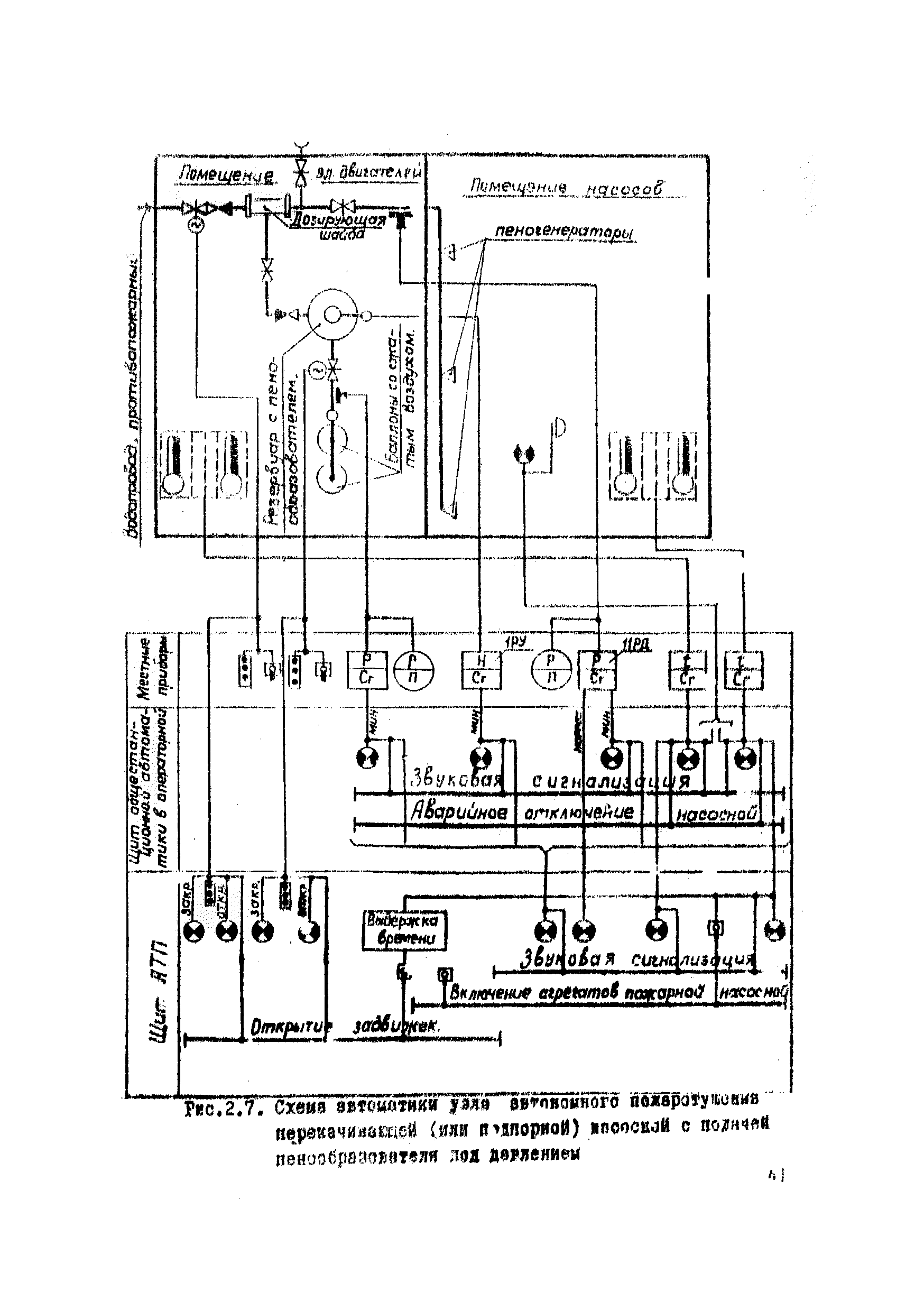
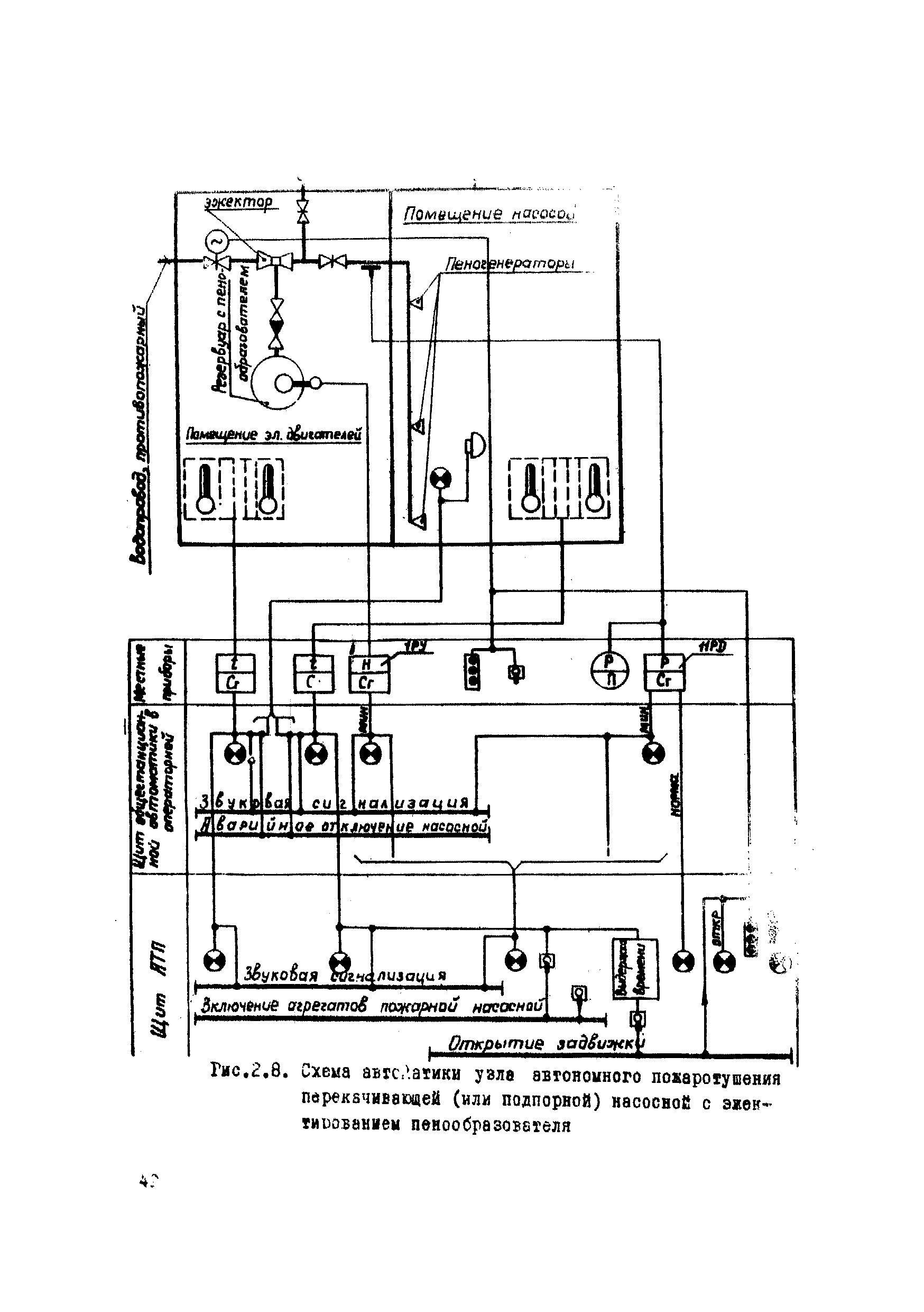
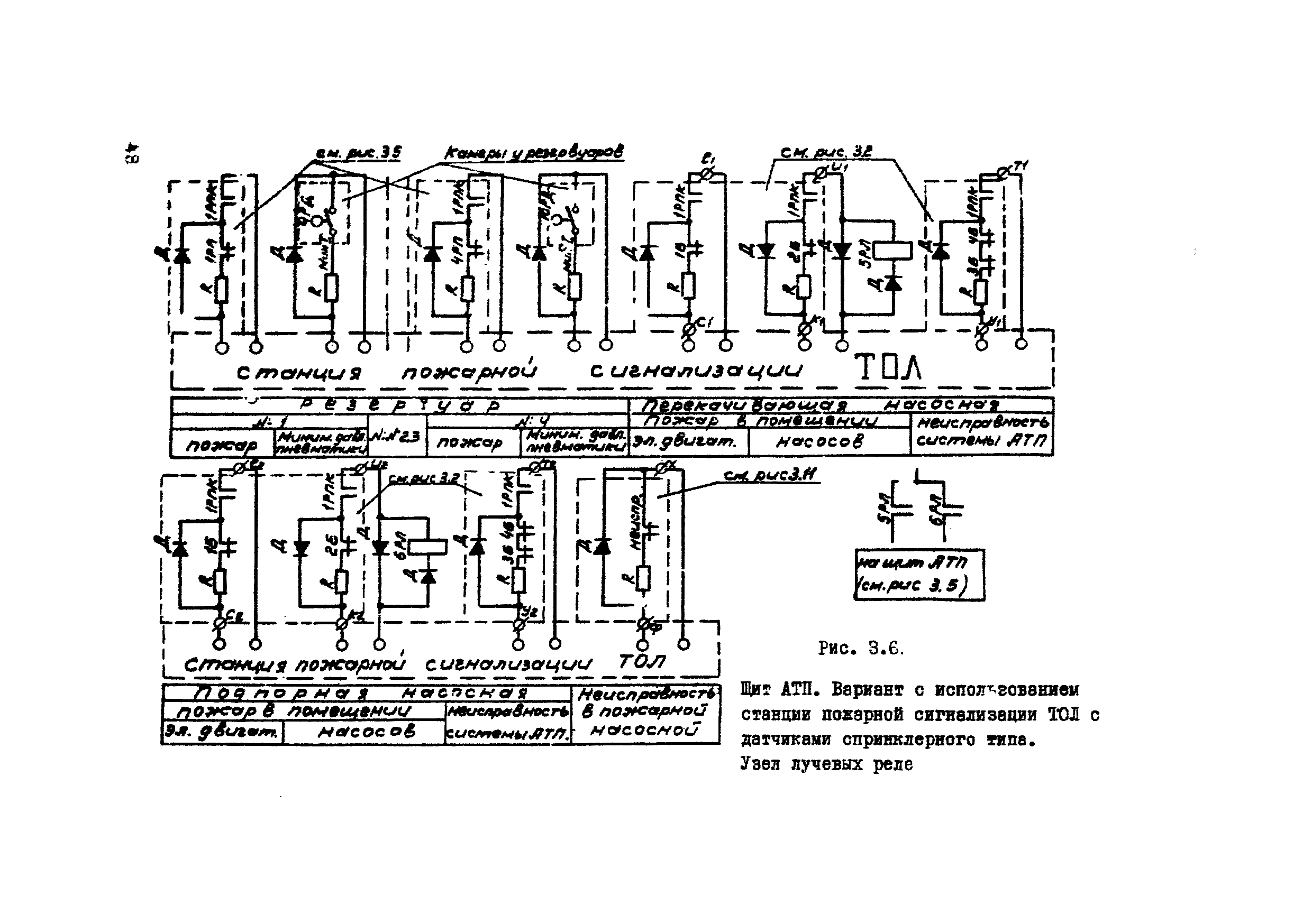
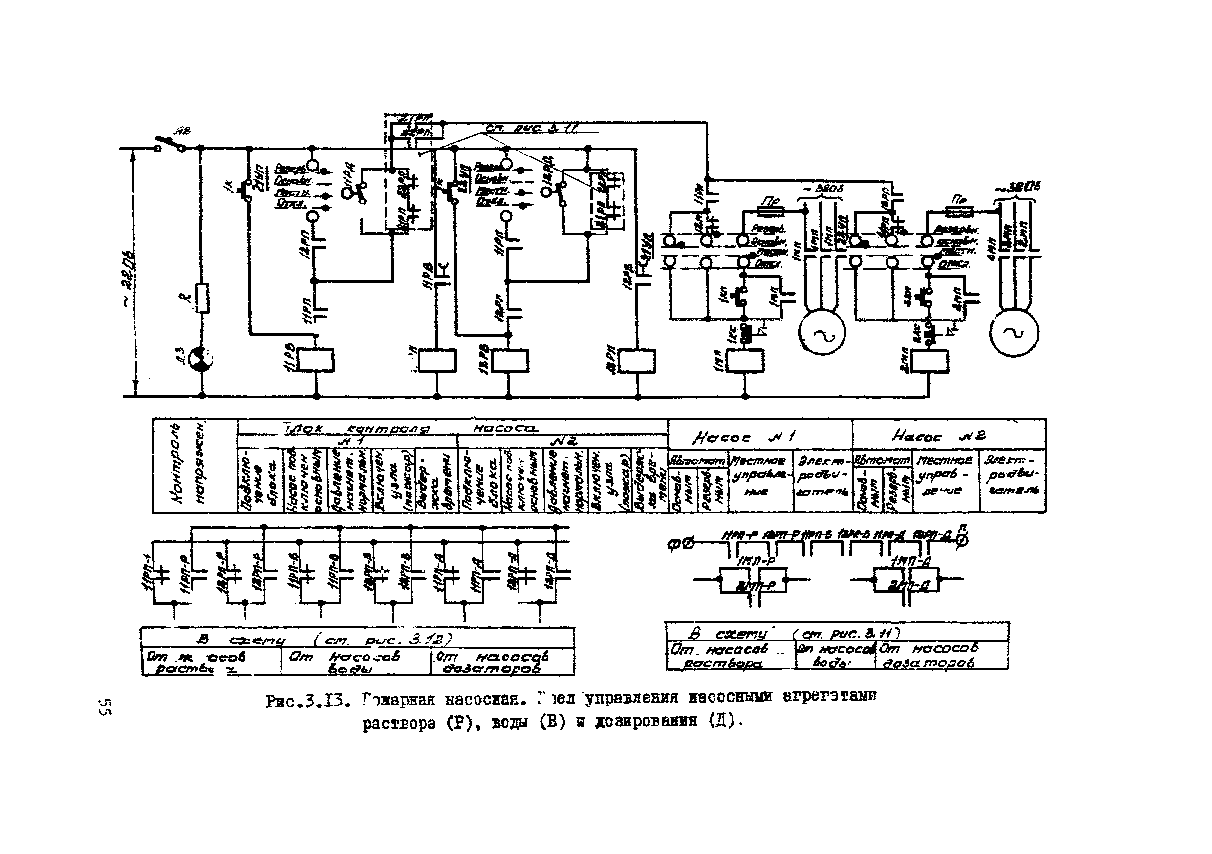
| Оглавление: | Введение Раздел I. Основные положения и требования к системе АТП 1 Общие положения 2 Принципиальная схема системы АТП 3 Пожарная насосная 4 Резервуары для воды, раствора пенообразователя и пенообразователя 5 Наружные сети растворопровода и водопровода 6 Устройства запорно—пусковые 7 Пеногенераторы и пенокамеры 8 Щит управления системой АТП 9 Пожарные извещатели (датчики) 10 Сети электропитания и автоматики Раздел II. Типовые принципиальные схемы систем АТП I Технологические схемы 1 Принципиальная технологическая схема системы АТП 2 Принципиальная схема пожарной насосной с дозированием пенообразователя смесителями эжекторного типа 3 Принципиальная схема пожарной насосной с насосами-дозаторами пенообразователя 4 Принципиальная схема пожарной насосной с подачей готового раствора пенообразователя 5 Принципиальные схемы автономных систем АТП 6 Схема установки для поддержания давления в растворопроводе 7 Схема подачи раствора пенообразователя с установкой в камере задвижки с электроприводом 8 Схема подачи раствора пенообразователя с установкой в камере клапанов БК или КБГЭМ 9 Принципиальная схема пожаротушения подземных железобетонных резервуаров 2 Схемы автоматики 1 Схема автоматики пожаротушения резервуарного парка с электрической системой управления 2 Схема автоматики пожаротушения резервуарного парка с пневматической системой управления 3 Схема автоматики пожаротушения перекачивающей (или подпорной) насосной 4 Схема автоматики пожарной насосной с дозированием пенообразователя смесителями эжекторного типа 5 Схема автоматики пожарной насосной с насосами-дозаторами 6 Схема автоматики пожарной насосной с подачей готового раствора пенообразователя (или воды) 7 Схема автоматики узла автономного пожаротушения перекачивающей (или подпорной) насосной с подачей пенообразователя под давлением 8 Схема автоматики узла автономного пожаротушения перекачивающей (или подпорной) насосной с эжектированием пенообразователя 3 Электрические схемы автоматики 1 Щит диспетчера (оператора) защищаемого сооружения. Узел общестанционной автоматики для вариантов с датчиками типа ТРВ и приставкой ПИО-017 2 Щит диспетчера (оператора) защищаемого сооружения. Узел общестанционной автоматики для вариантов с датчиками спринклерного типа. Узел сигнализации 3 Щит АТП. Вариант с использованием станции пожарной сигнализации ТОЛ с датчиками ТРВ с приставкой ПИО-017 4 Щит АТП. Вариант с использованием станции пожарной сигнализации ТОЛ с датчиками ТРВ с приставкой ПИО-017. Узел лучевых реле 5 Щит АТП. Вариант с использованием станции пожарной сигнализации ТОЛ с датчиками спринклерного типа 6 Щит АТП. Вариант с использованием станции пожарной сигнализации ТОЛ с датчиками спринклерного типа. Узел лучевых реле 7 Щит АТП. Вариант с использованием реле импульсной сигнализации РИС с датчиками типа ТРВ и приставкой ПИО-017 8 Щит АТП. Вариант с использованием реле импульсной сигнализации РИС с датчиками спринклерного типа 9 Щит АТП. Вариант с использованием реле импульсной сигнализации РИС с датчиками спринклерного типа (продолжение) 10 Щит АТП. Узел управления электроприводными задвижками растворопроводов 11 Пожарная насосная. Связи со щитом АТП и сигнализация 12 Пожарная насосная. Связи со щитом АТП и сигнализация (продолжение) 13 Пожарная насосная. Узел управления насосными агрегатами раствора (Р), воды (В) и дозирования (Д) 14 Пожарная насосная. Узел управления электроприводными задвижками дозирования 15 Экспликация аппаратуры автоматики Раздел III. Приложения 1 Основные конструктивные размеры смесителя в мм 2 Запорно-пусковые устройства 3 Исходные данные для расчета трубопровода пенообразователя 4 Расчет средств тушения пожара в вертикальных стальных резервуарах со стационарной крышей 5 Основные характеристики пенообразователей, рекомендуемых для тушения пожаров нефтей и нефтепродуктов 6 Пожарные датчики. Основные параметры |
| Разработан: | ВНИИПО МВД России Институт Гипротрубопровод |
| Утверждён: | 14.08.1974 ГУПО МВД СССР (GUPO, USSR Ministry of Internal Affairs ) 29.01.1973 Министерство нефтяной промышленности СССР (USSR Ministry of the Petroleum Industry ) |
| Принят: | 12.12.1974 Госгортехнадзор СССР (USSR Gosgortekhnadzor ) |
| Нормативные ссылки: |
|










































































