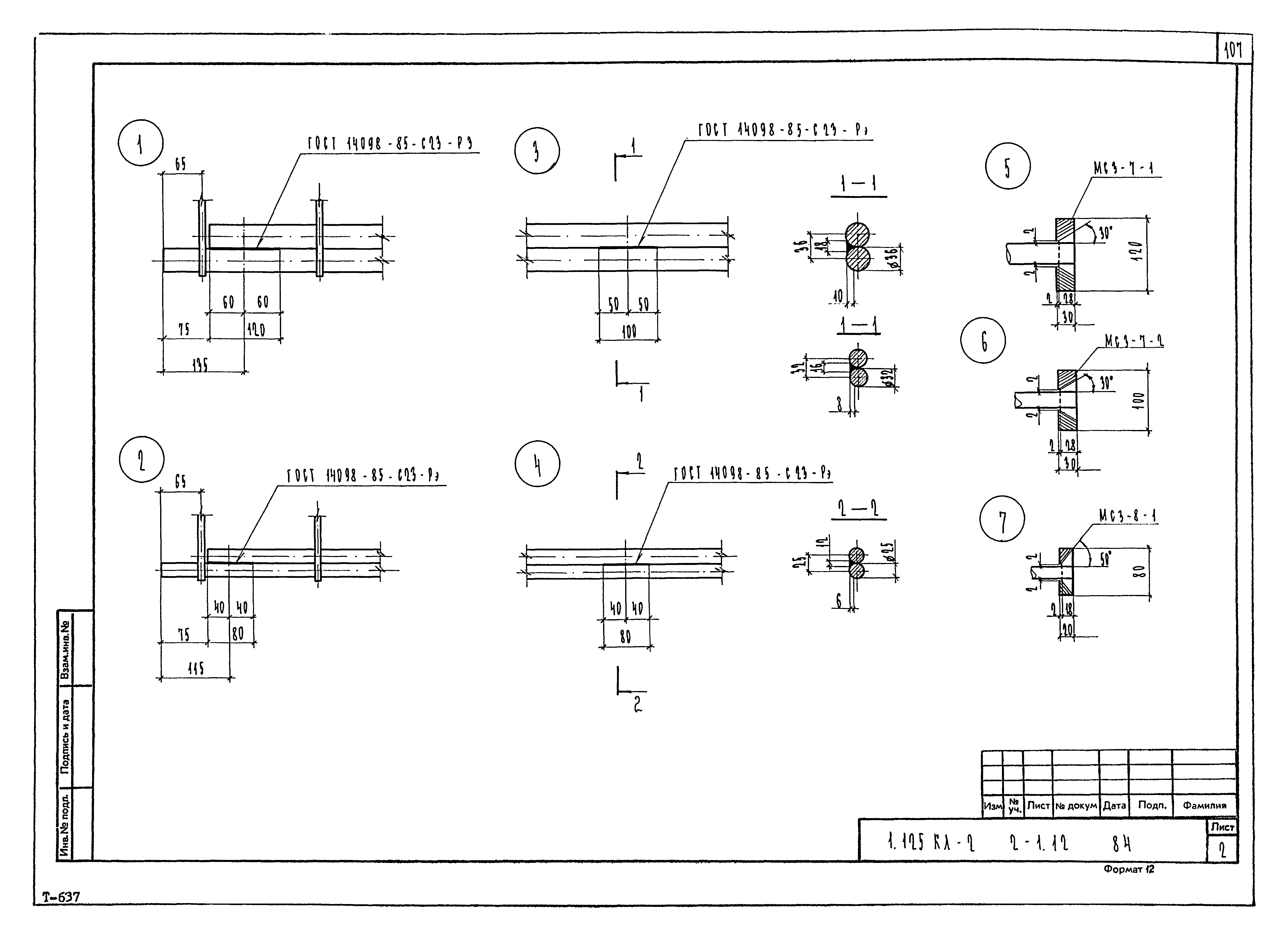
Скачать Серия 1.125 КЛ-2 Выпуск 2-1.12. Арматурные изделия ригелей сечением 45х120 смДата актуализации: 01.01.2021
|
| Обозначение: | Серия 1.125 КЛ-2 |
| Обозначение англ: | Series 1.125 КЛ-2 |
| Статус: | действует |
| Название рус.: | Выпуск 2-1.12. Арматурные изделия ригелей сечением 45х120 см |
| Дата добавления в базу: | 01.01.2019 |
| Дата актуализации: | 01.01.2021 |
| Дата введения: | 17.12.1990 |
| Разработан: | Ленниипроект |
| Утверждён: | 17.12.1990 Ленниипроект (96-у) |










































































































