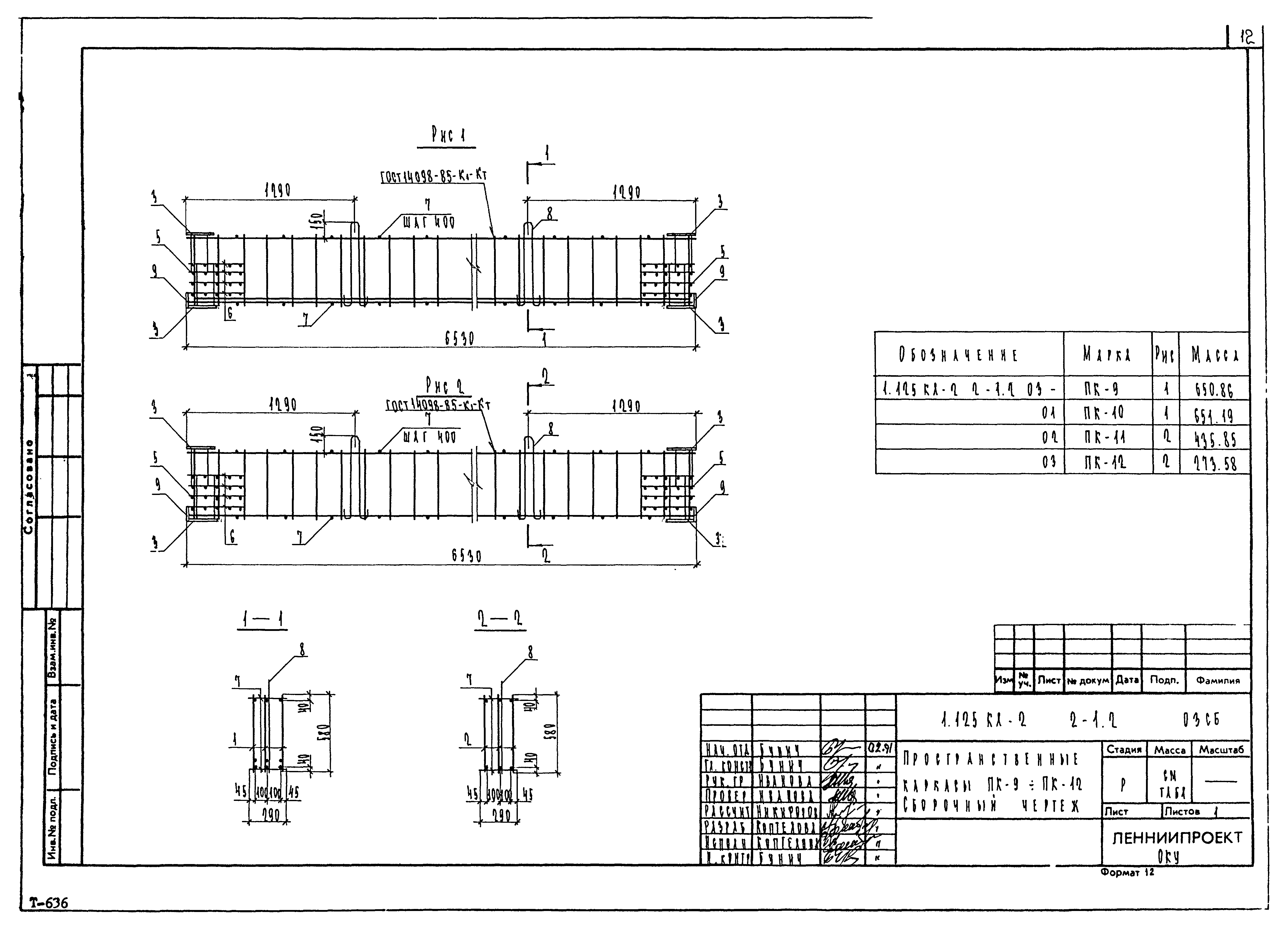
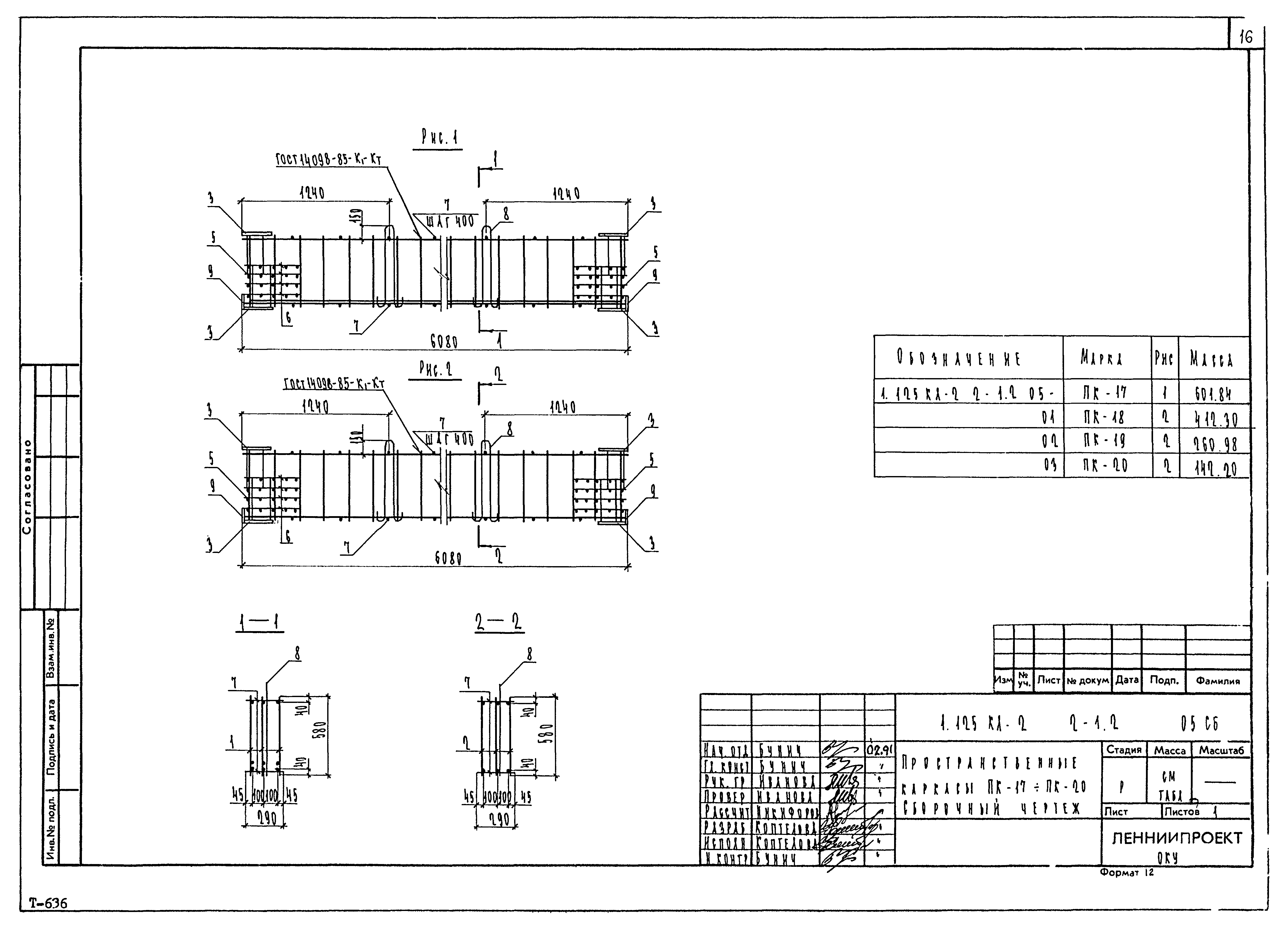
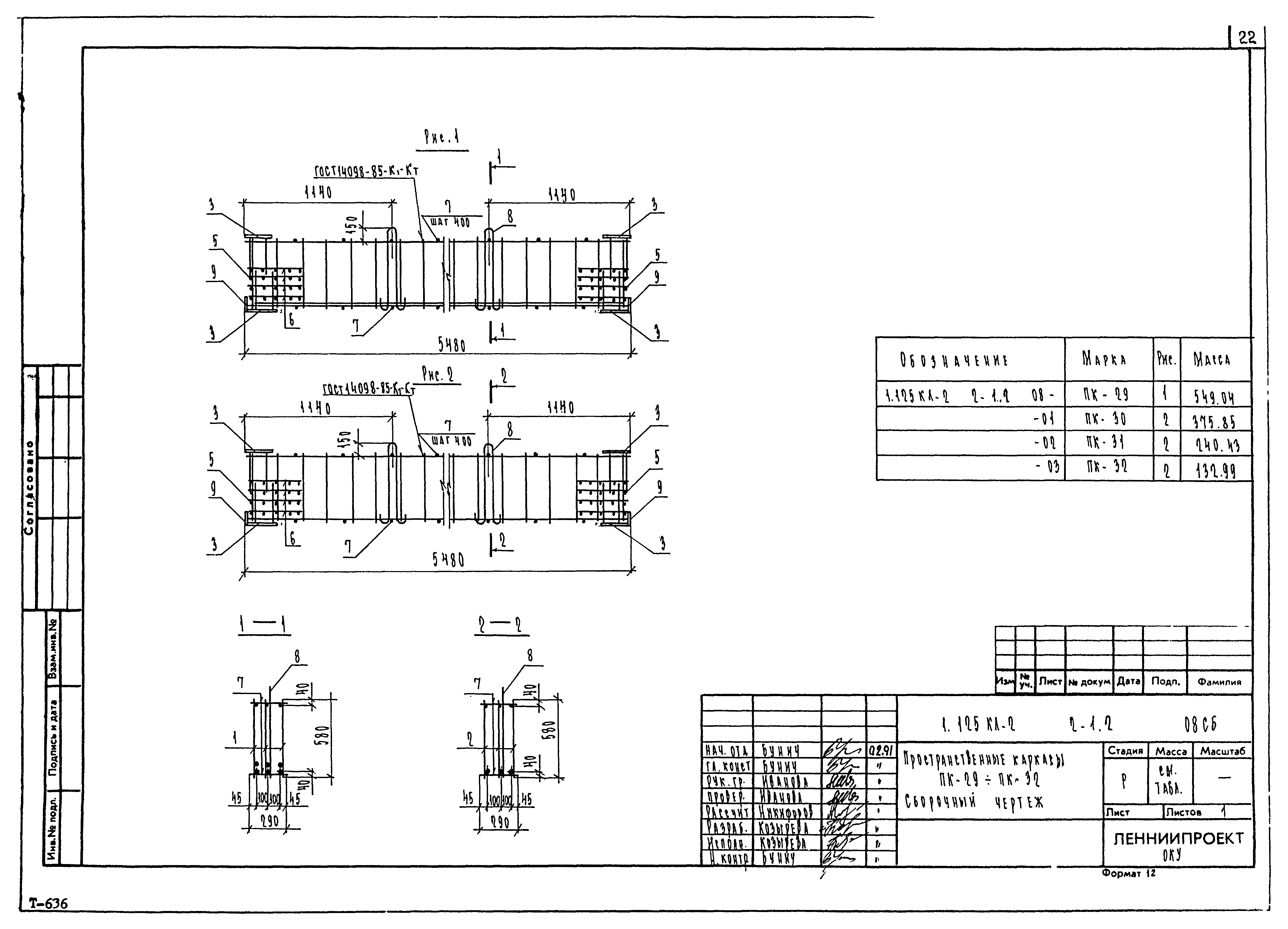
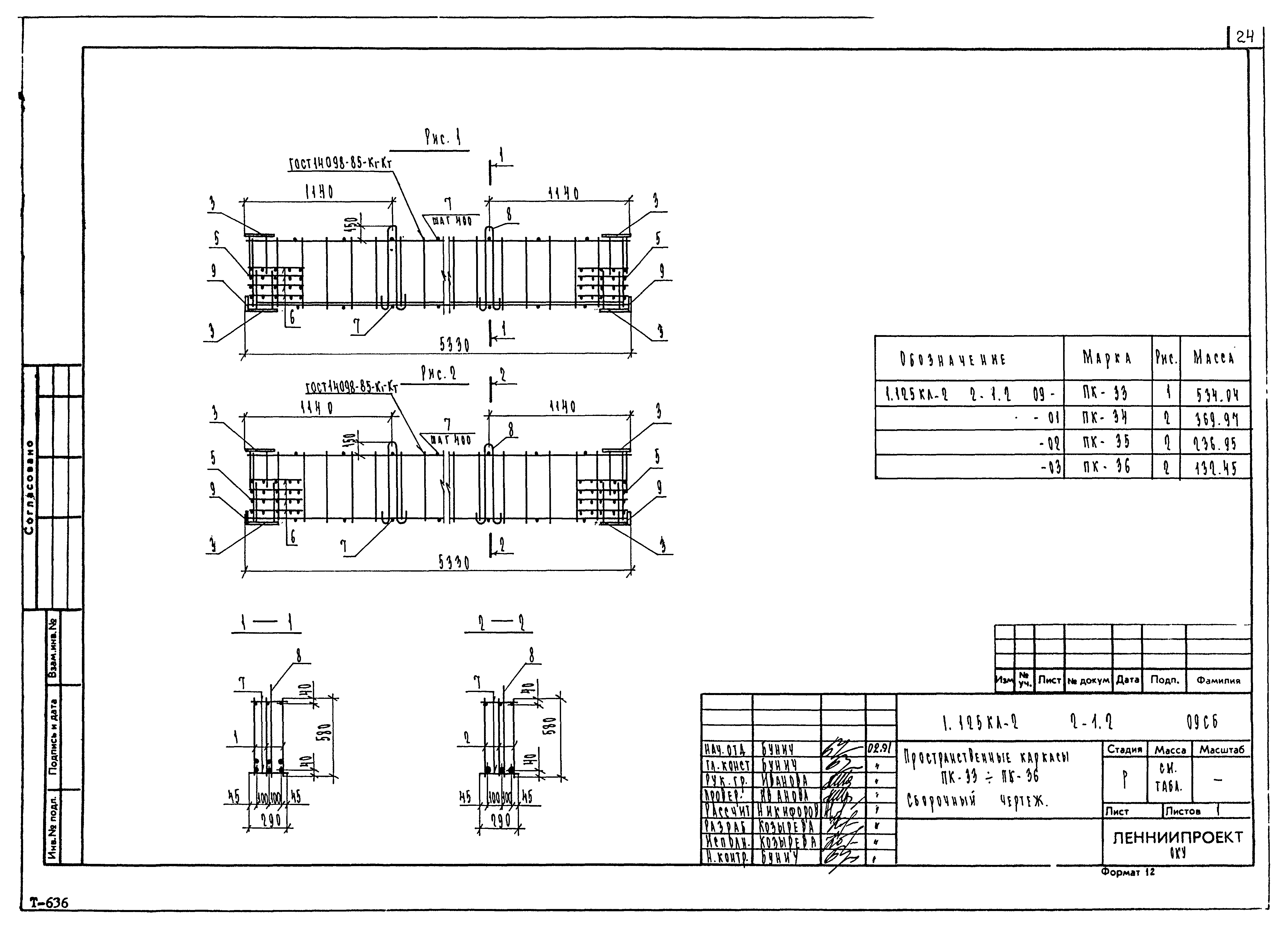
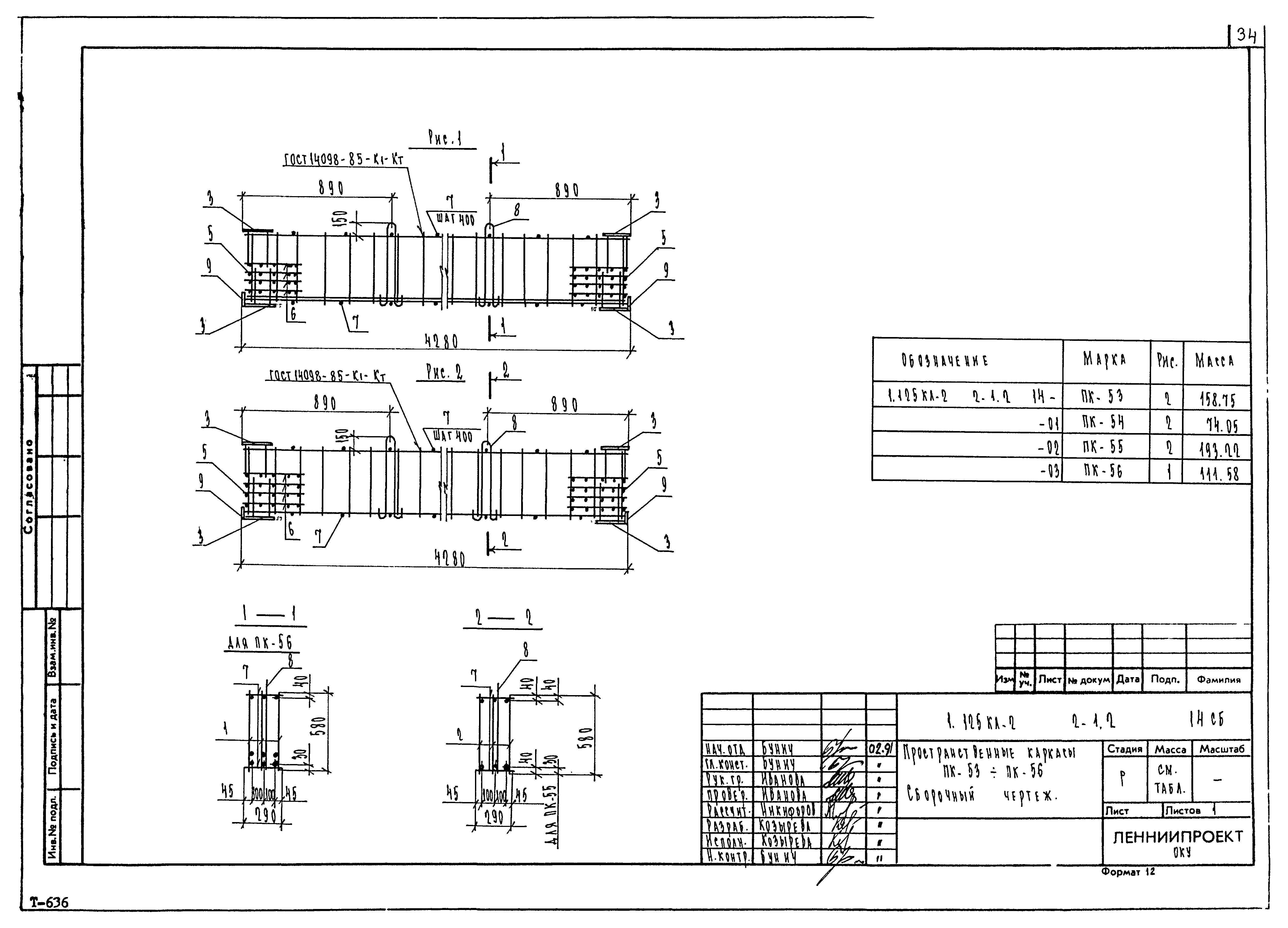
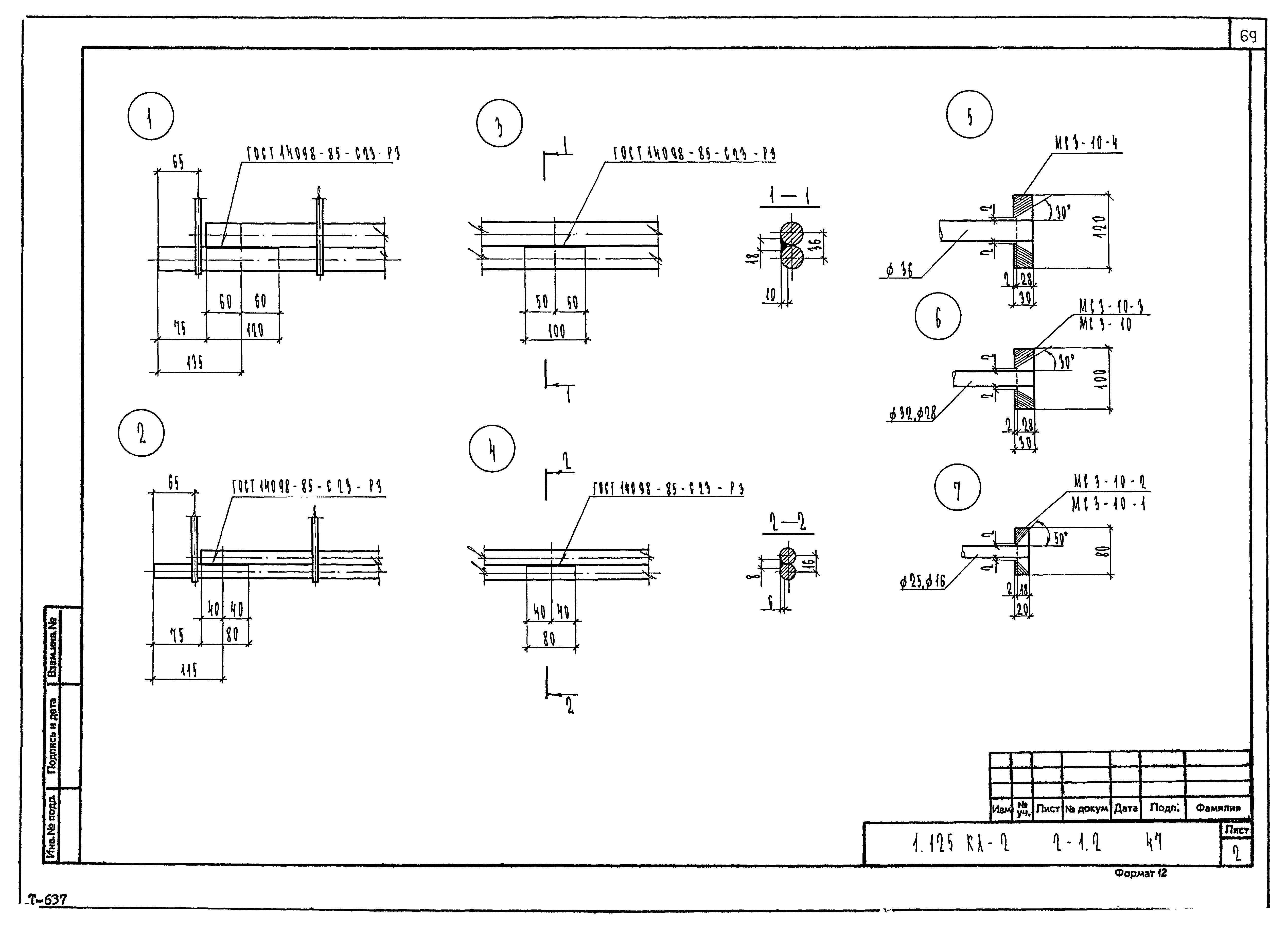
Скачать Серия 1.125 КЛ-2 Выпуск 2-1.2. Арматурные изделия балок подстенных сечением 30х60 смДата актуализации: 01.01.2021 Серия 1.125 КЛ-2
Выпуск 2-1.2. Арматурные изделия балок подстенных сечением 30х60 см| Обозначение: | Серия 1.125 КЛ-2 | | Обозначение англ: | Series 1.125 КЛ-2 | | Статус: | действует | | Название рус.: | Выпуск 2-1.2. Арматурные изделия балок подстенных сечением 30х60 см | | Дата добавления в базу: | 01.01.2019 | | Дата актуализации: | 01.01.2021 | | Дата введения: | 19.03.1991 | | Разработан: | Ленниипроект
| | Утверждён: | 19.03.1991 Ленниипроект (19-у)
|
                                                                    
|