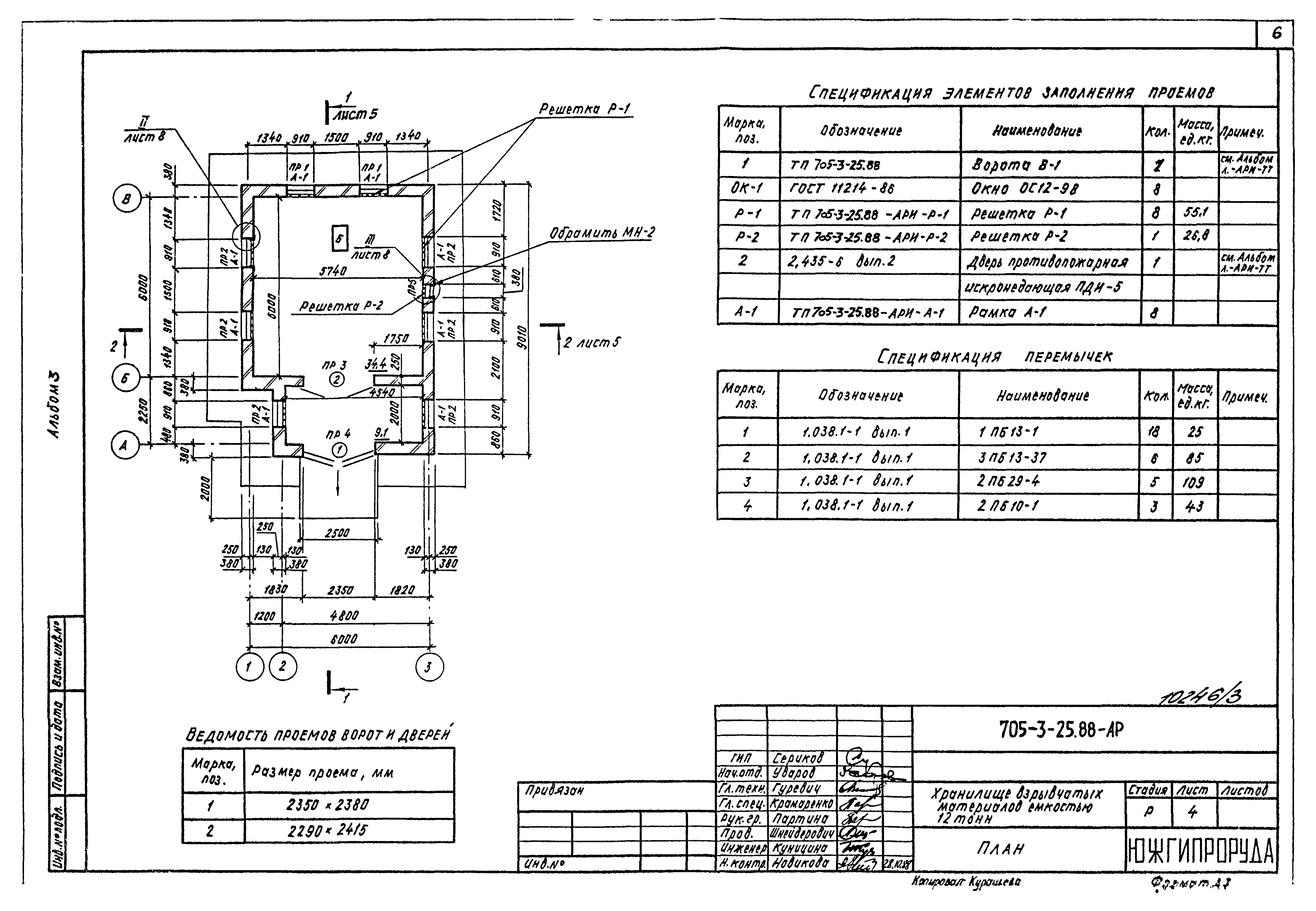
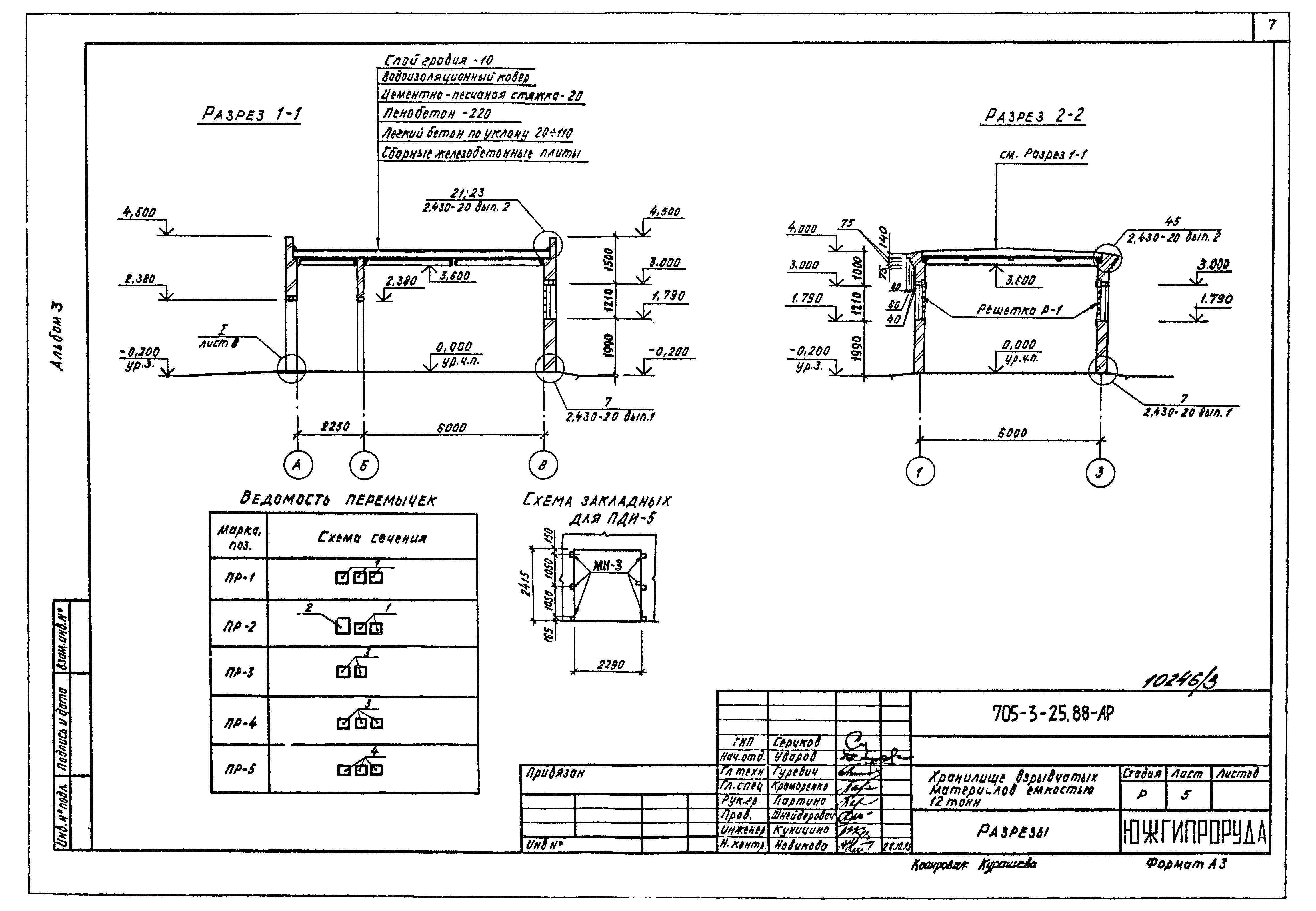
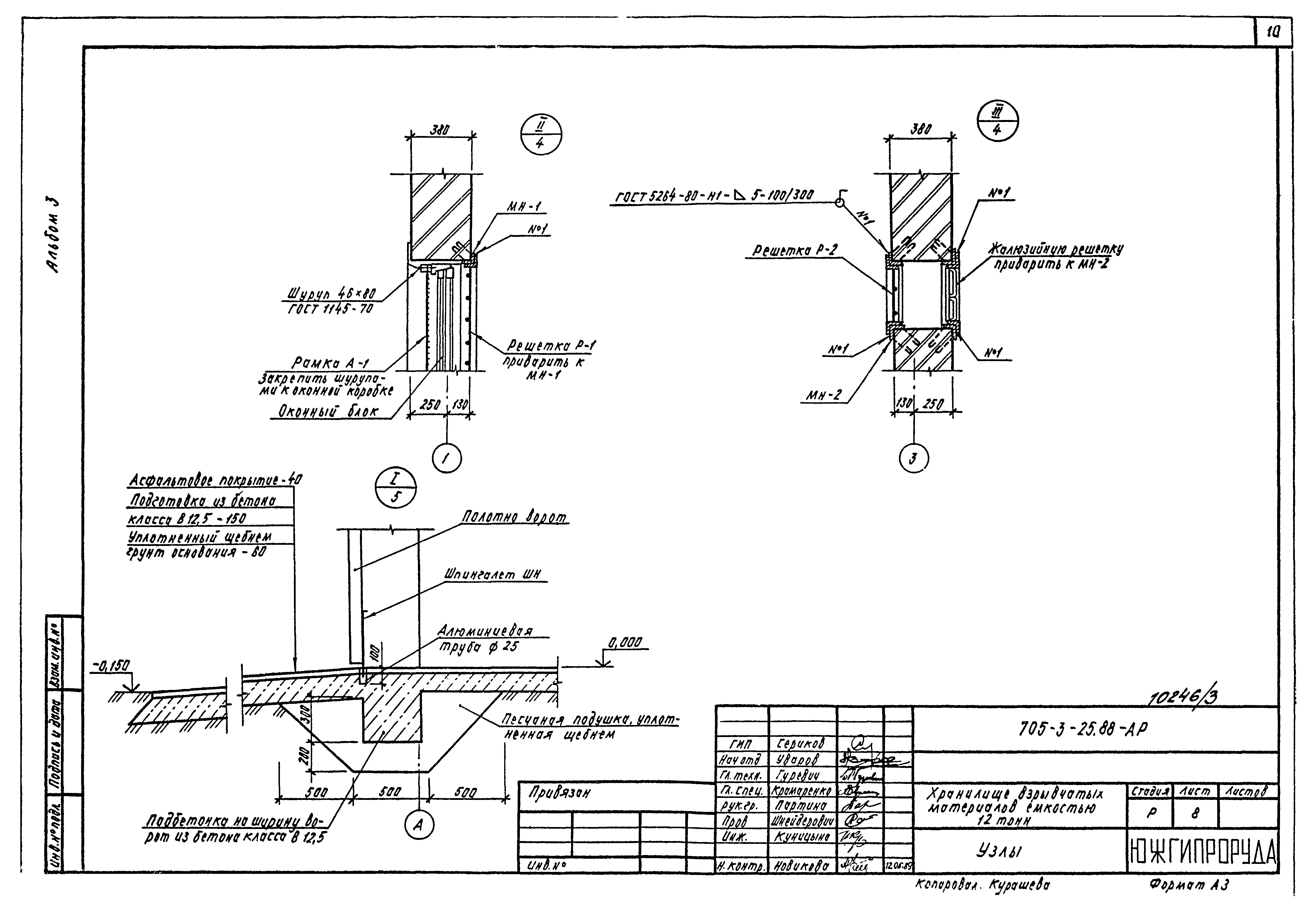
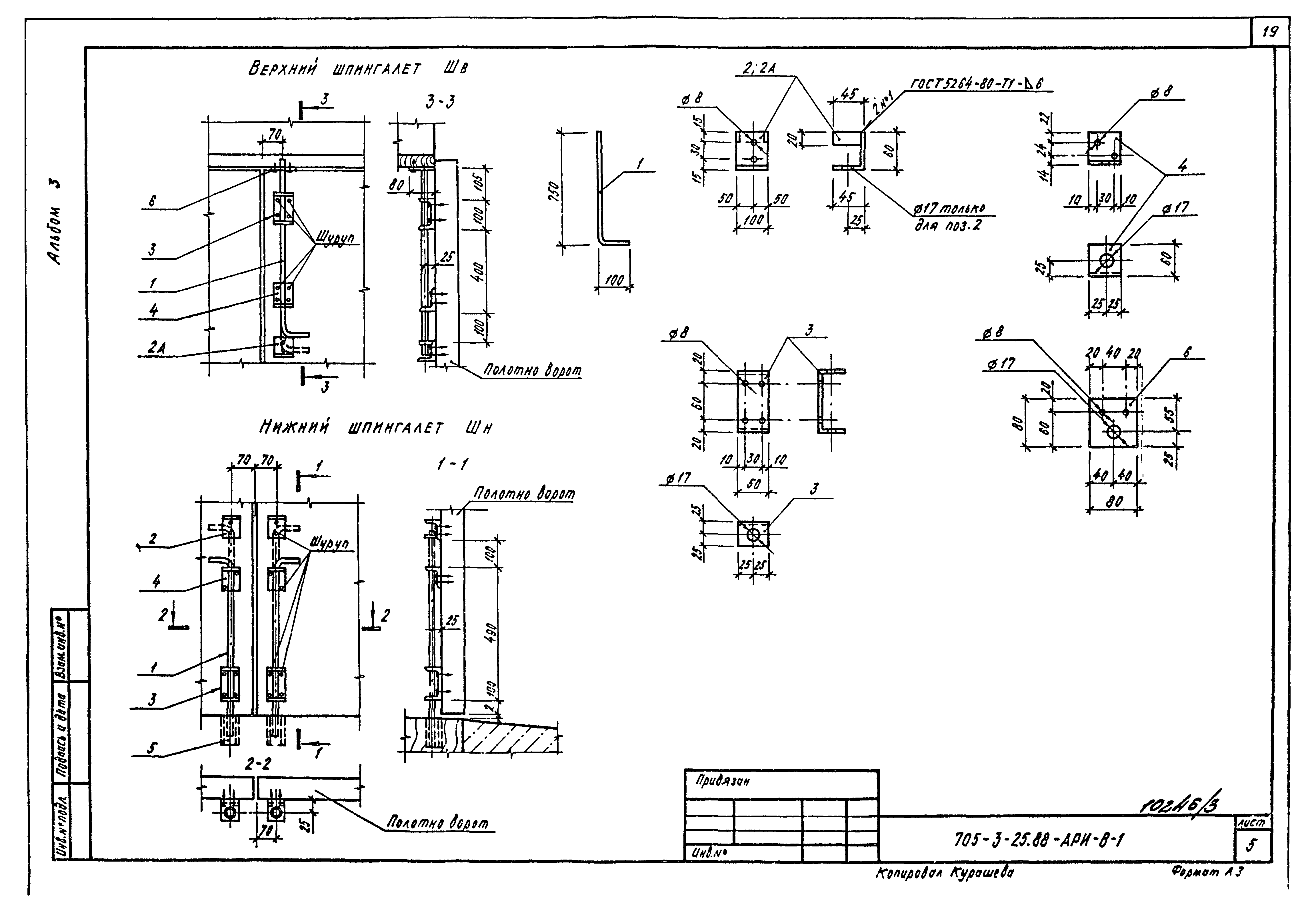
Скачать Типовой проект 705-3-25.88 Альбом 3. Архитектурные решения. Изделия. Конструкции железобетонныеДата актуализации: 01.01.2021 Типовой проект 705-3-25.88
Альбом 3. Архитектурные решения. Изделия. Конструкции железобетонные| Обозначение: | Типовой проект 705-3-25.88 | | Обозначение англ: | 705-3-25.88 | | Статус: | действует | | Название рус.: | Альбом 3. Архитектурные решения. Изделия. Конструкции железобетонные | | Дата добавления в базу: | 01.01.2019 | | Дата актуализации: | 01.01.2021 | | Дата введения: | 10.11.1988 | | Разработан: | Южгипроруда
| | Утверждён: | 13.11.1987 Минчермет СССР (USSR Minchermet 1082)
| | Издан: | ЦИТП Госстроя СССР (CITP, Gosstroy (USSR) 1990 г. )
|
                          
|