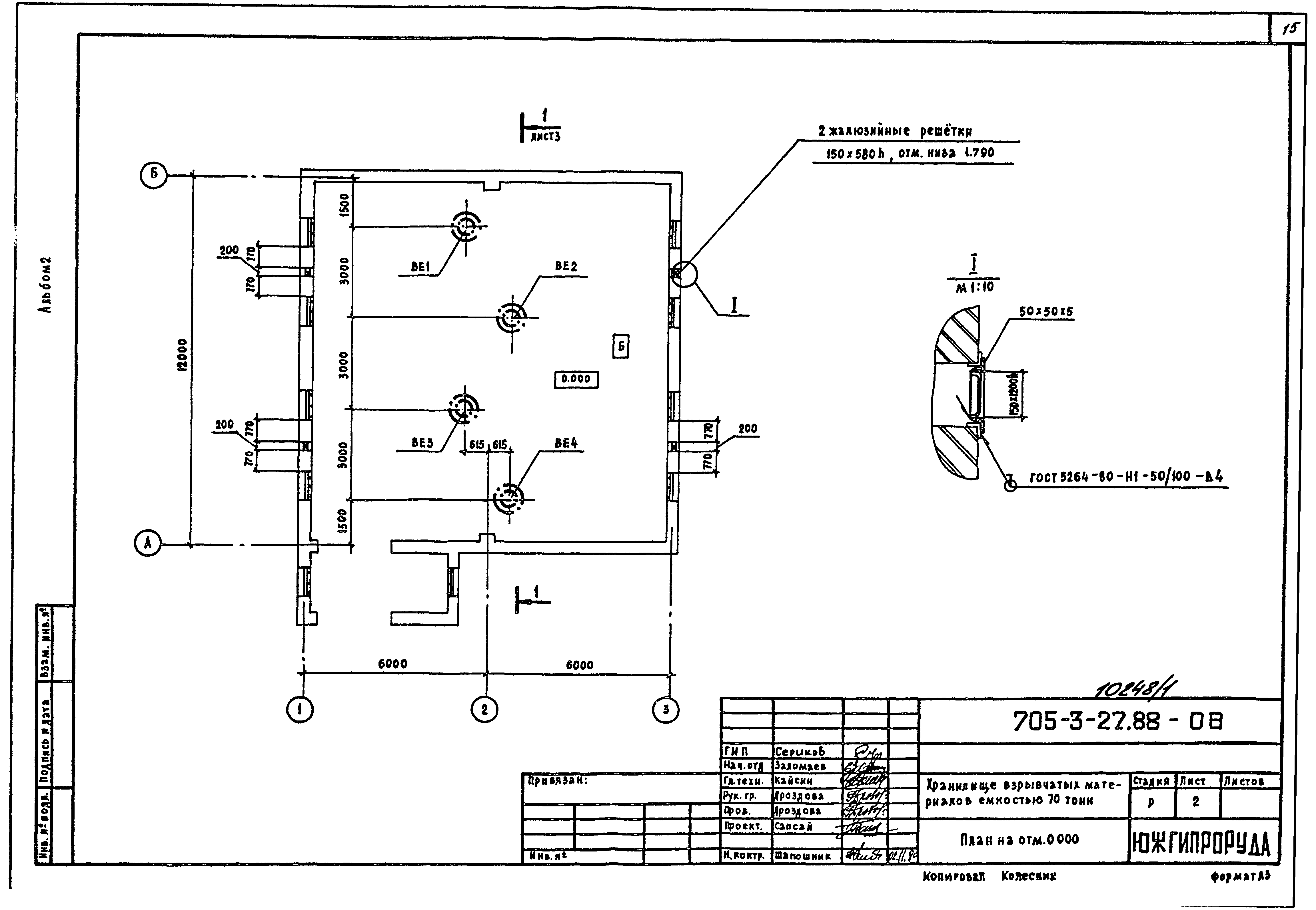
Скачать Типовой проект 705-3-27.88 Альбом 2. Технология производства. Электрическое освещение. Молниезащита здания. Вентиляция. Связь и сигнализацияДата актуализации: 01.01.2021 Типовой проект 705-3-27.88
Альбом 2. Технология производства. Электрическое освещение. Молниезащита здания. Вентиляция. Связь и сигнализация| Обозначение: | Типовой проект 705-3-27.88 | | Обозначение англ: | 705-3-27.88 | | Статус: | действует | | Название рус.: | Альбом 2. Технология производства. Электрическое освещение. Молниезащита здания. Вентиляция. Связь и сигнализация | | Дата добавления в базу: | 01.01.2019 | | Дата актуализации: | 01.01.2021 | | Дата введения: | 10.11.1988 | | Разработан: | Южгипроруда
| | Утверждён: | 13.11.1987 Минчермет СССР (USSR Minchermet 1082)
| | Издан: | ЦИТП Госстроя СССР (CITP, Gosstroy (USSR) 1990 г. )
|
                       
|