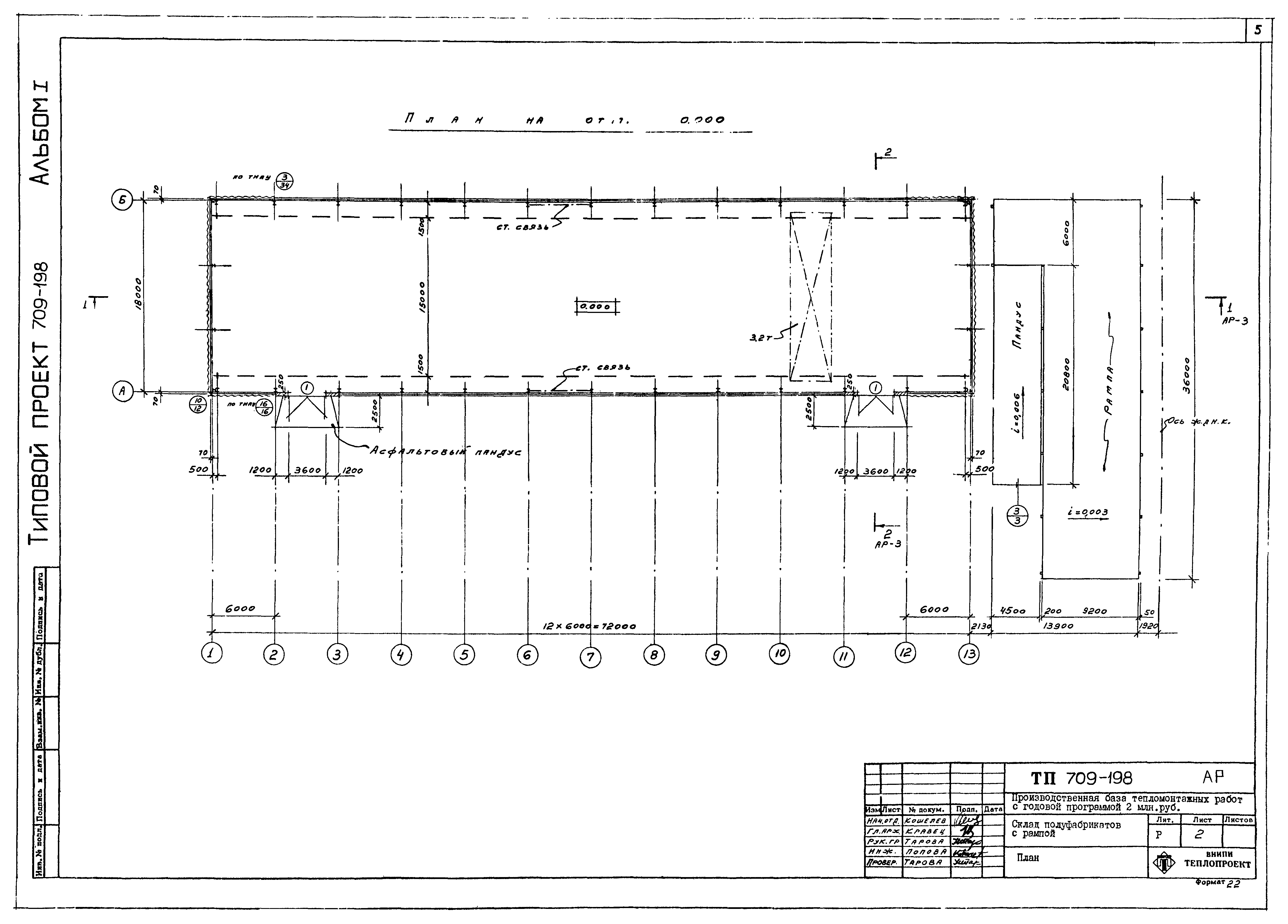
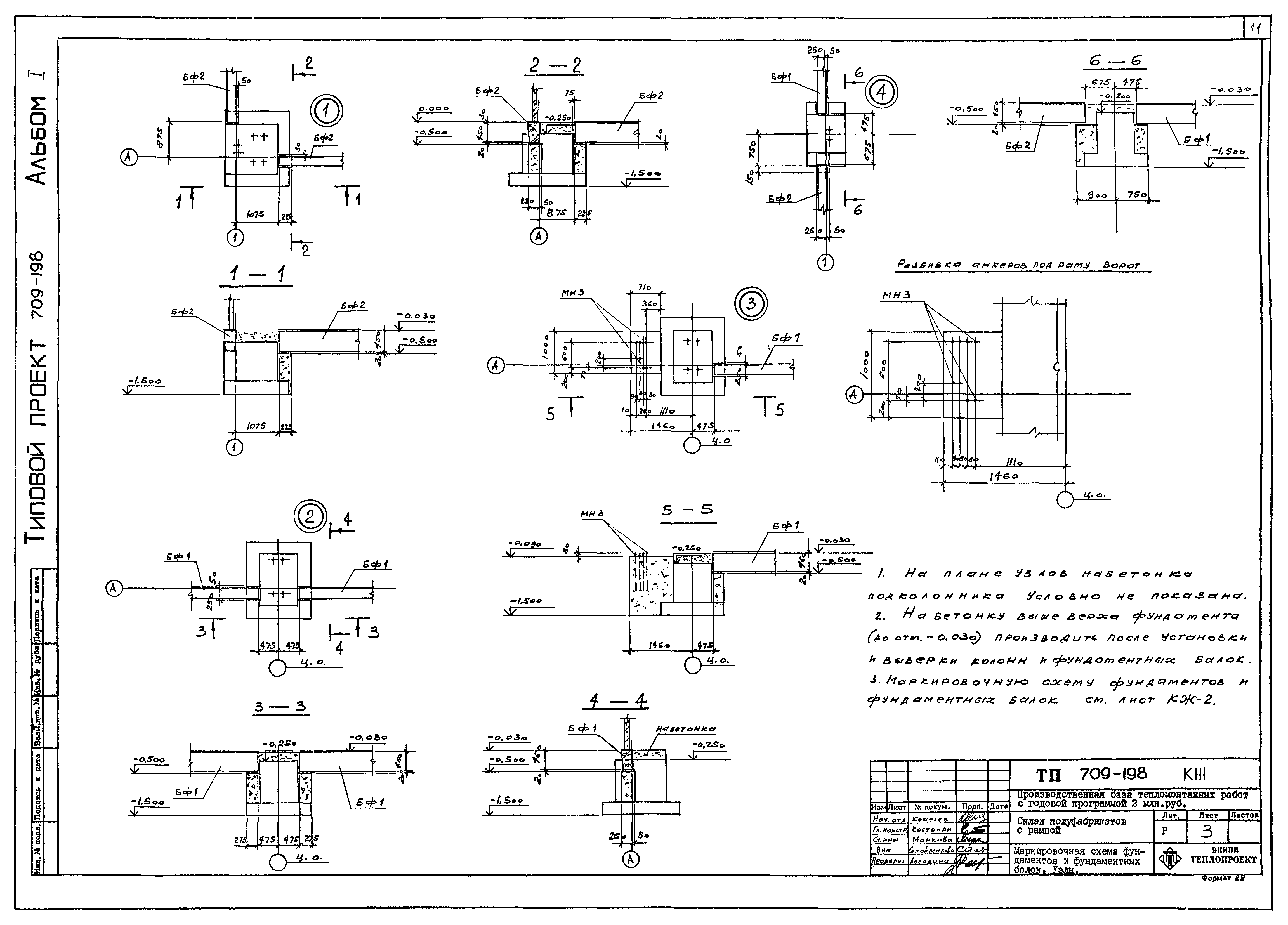
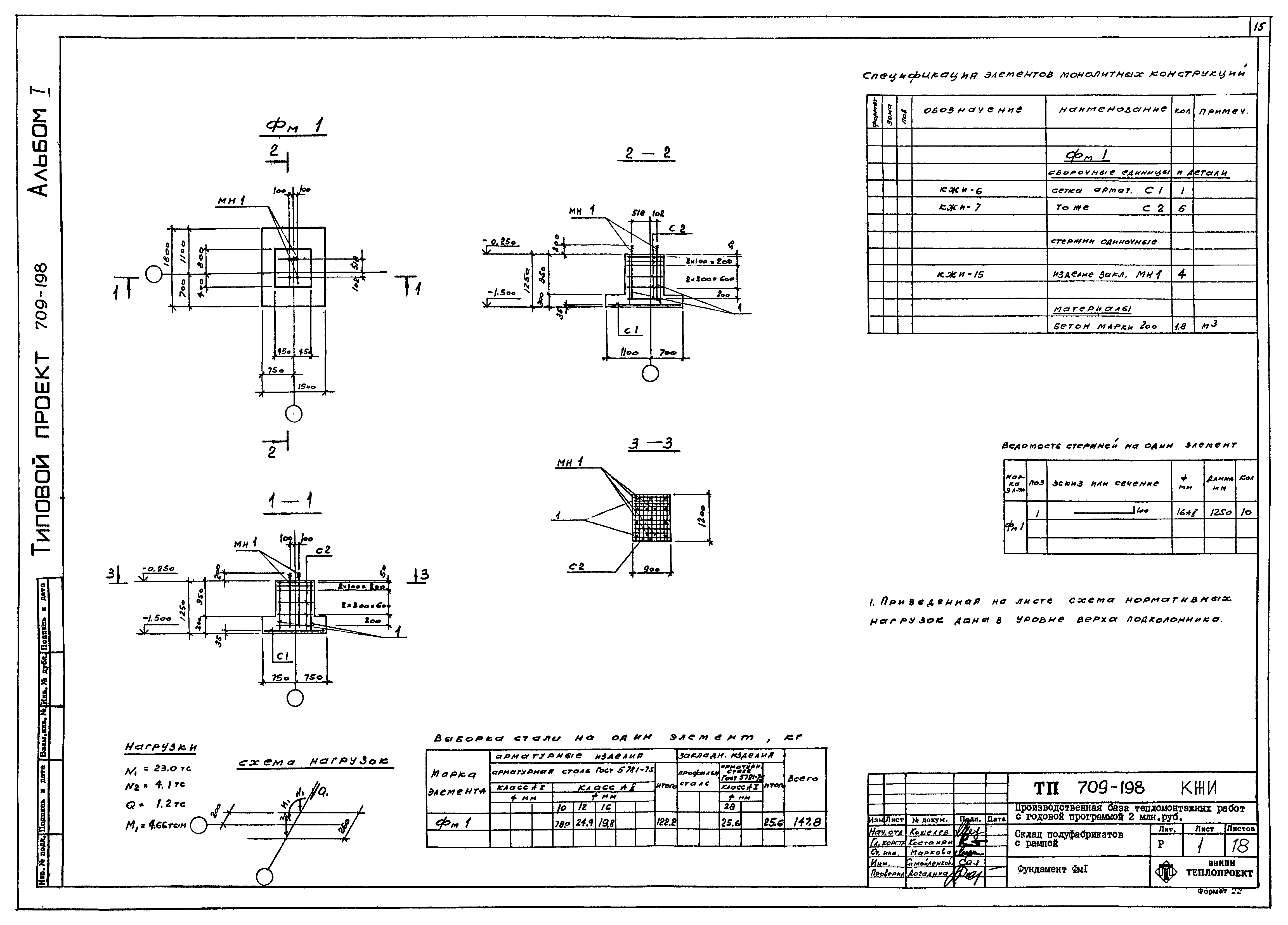
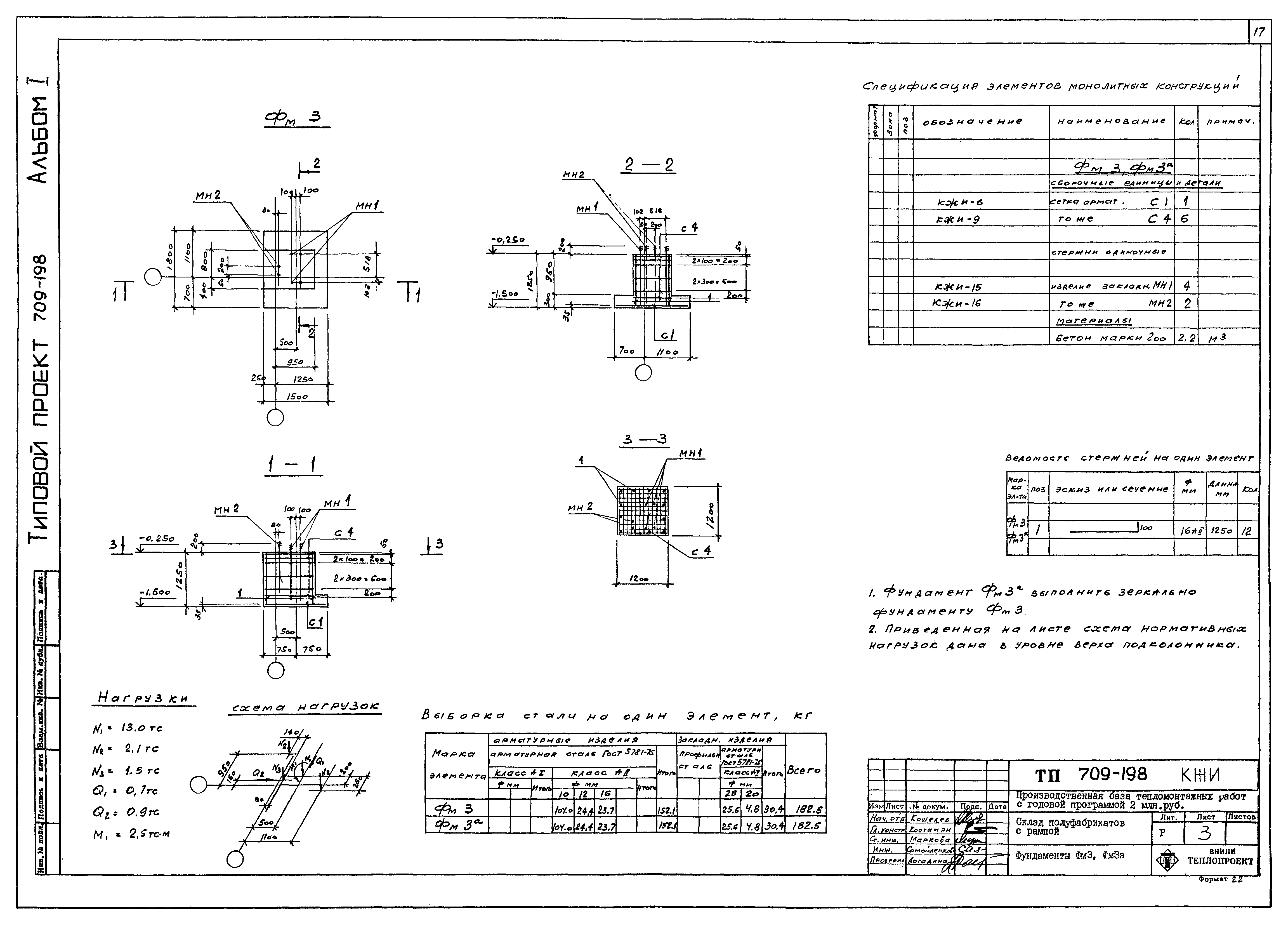
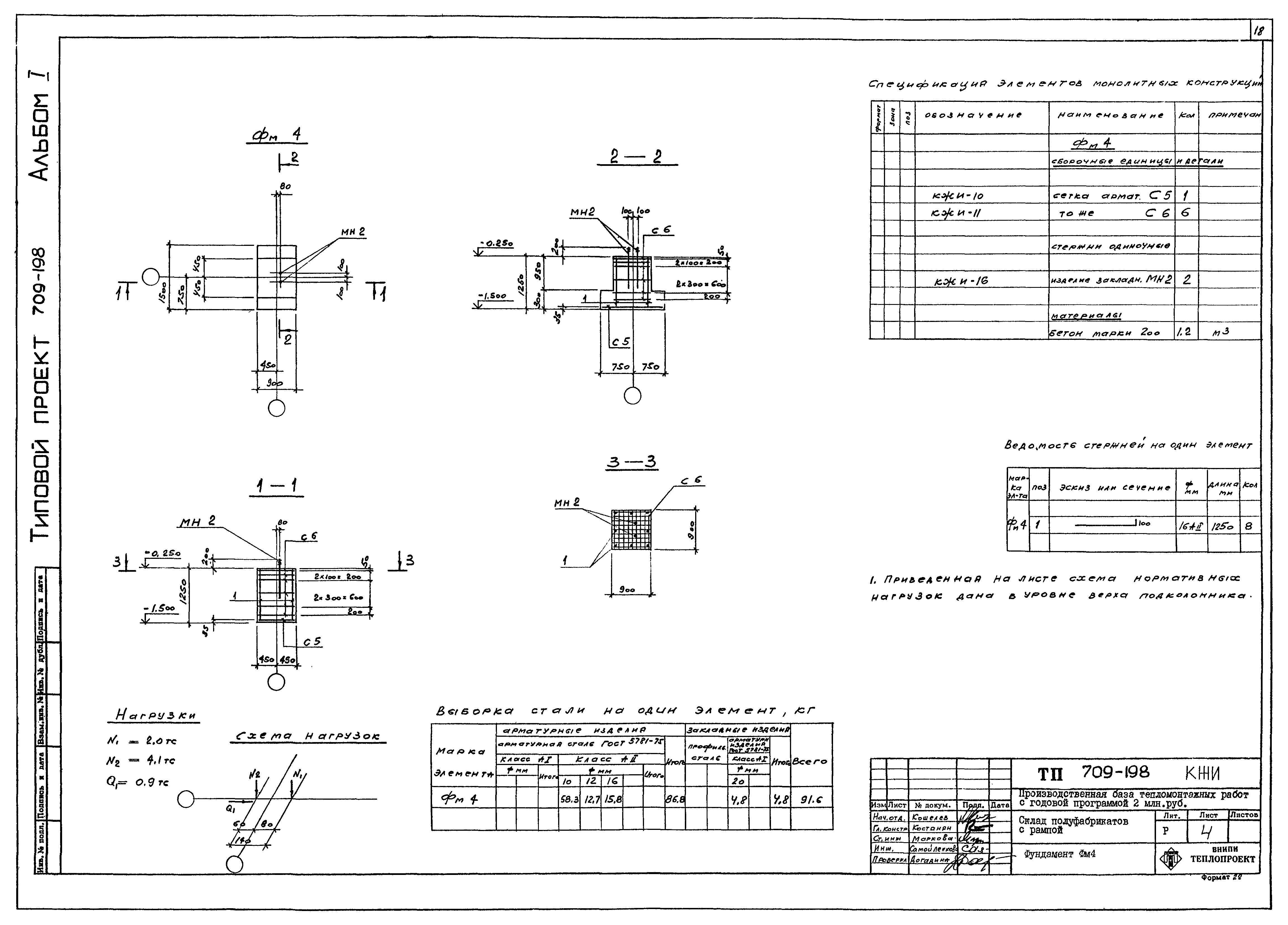
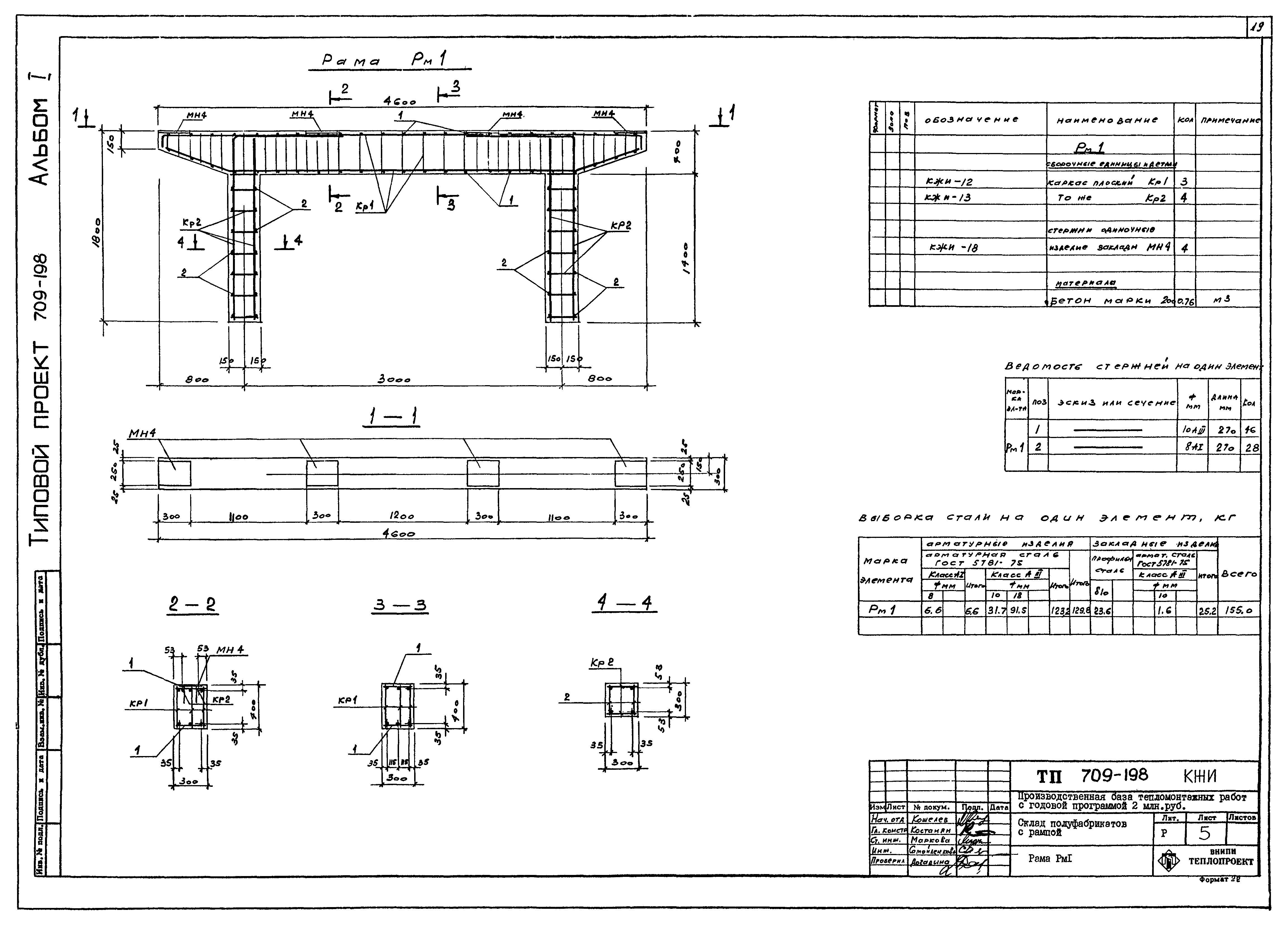
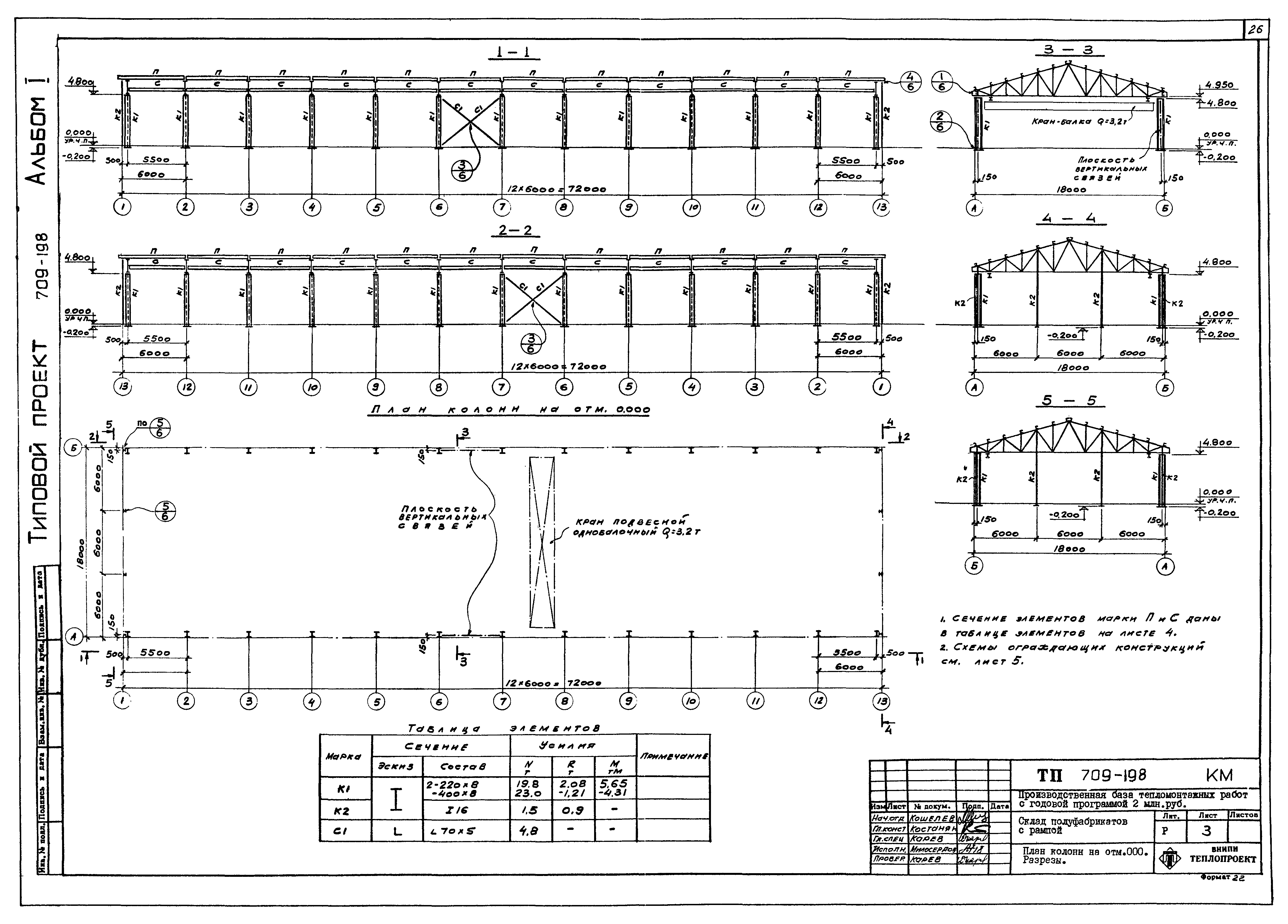
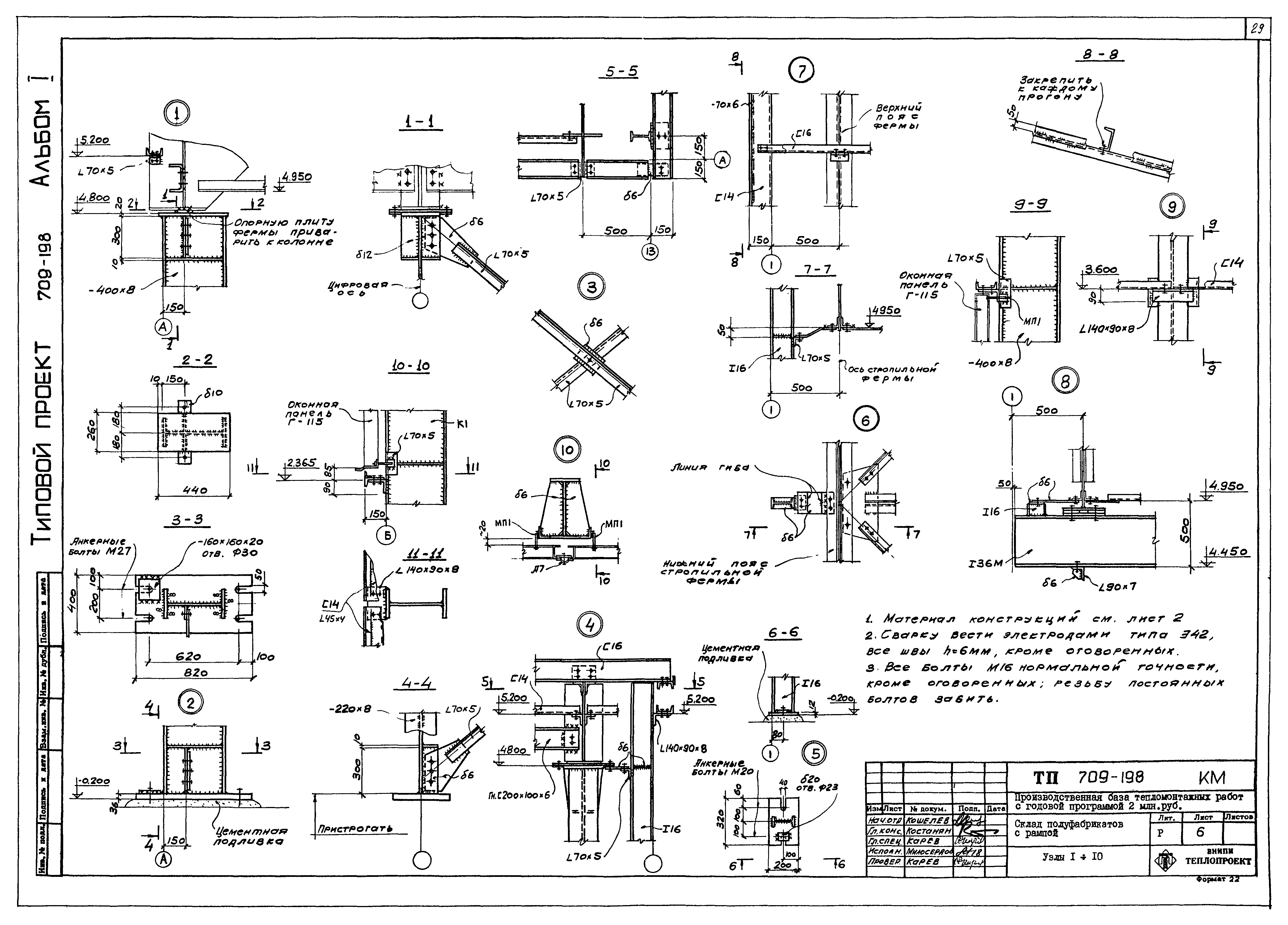
Скачать Типовой проект 709-198 Альбом I. Технологические чертежи. Архитектурно-строительные решения. Конструкции железобетонные и металлические. Электроосвещение и электрооборудование. Связь и сигнализацияДата актуализации: 01.01.2021 Типовой проект 709-198
Альбом I. Технологические чертежи. Архитектурно-строительные решения. Конструкции железобетонные и металлические. Электроосвещение и электрооборудование. Связь и сигнализация| Обозначение: | Типовой проект 709-198 | | Обозначение англ: | 709-198 | | Статус: | действует | | Название рус.: | Альбом I. Технологические чертежи. Архитектурно-строительные решения. Конструкции железобетонные и металлические. Электроосвещение и электрооборудование. Связь и сигнализация | | Дата добавления в базу: | 01.01.2019 | | Дата актуализации: | 01.01.2021 | | Дата введения: | 25.12.1978 | | Разработан: | ВНИПИтеплопроект Минмонтажспецстроя СССР
| | Утверждён: | 19.08.1977 Минмонтажспецстрой СССР (USSR Minmontazhspetsstroy ) Государственный производственный комитет по монтажным и специальным работам СССР
|
                                  
|