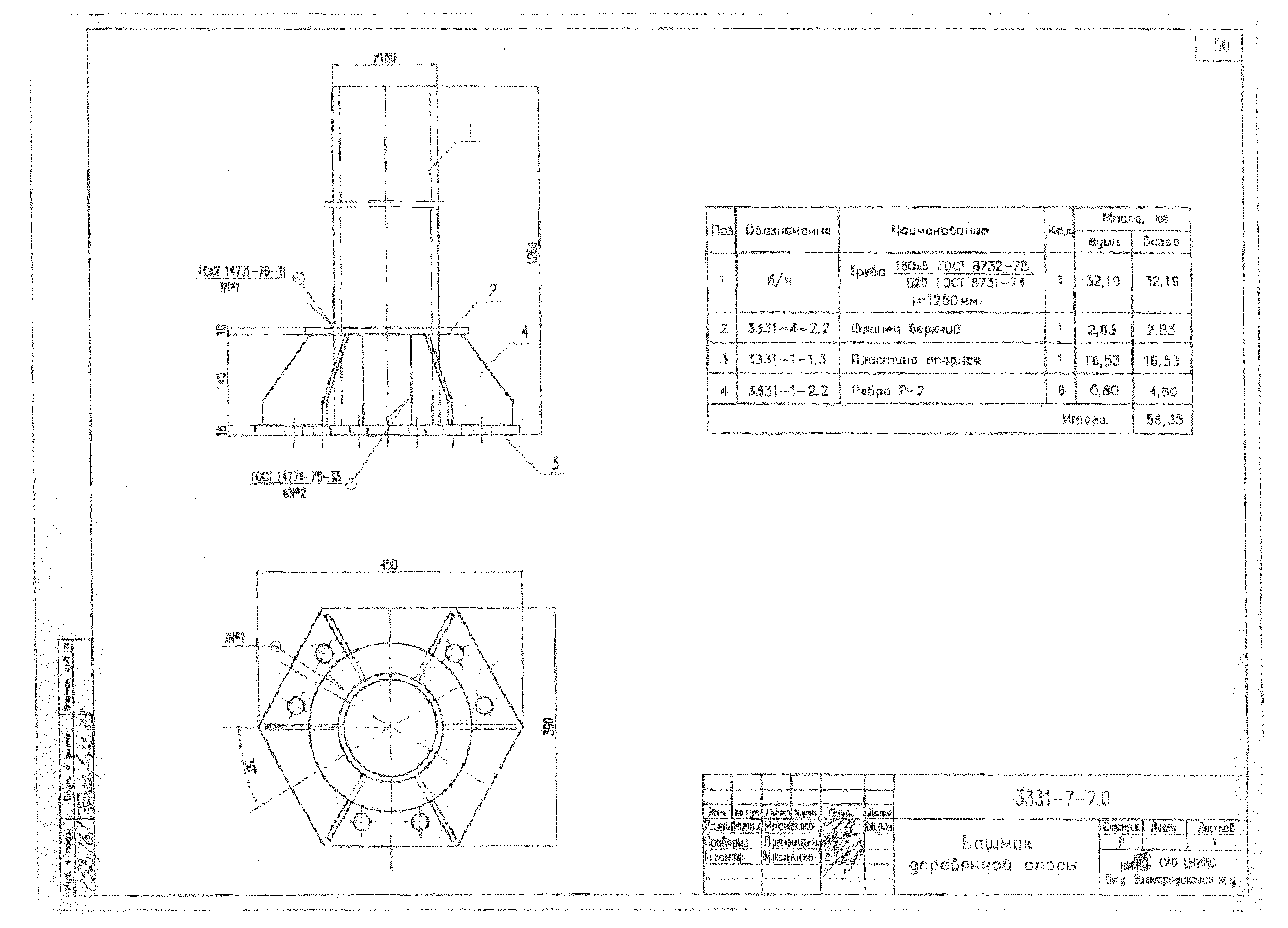
Скачать 3331 Опоры высоковольтных линий автоблокировки для сложных инженерно-геологических условий. Рабочие чертежиДата актуализации: 01.01.2021 3331
Опоры высоковольтных линий автоблокировки для сложных инженерно-геологических условий. Рабочие чертежи| Обозначение: | 3331 | | Обозначение англ: | 3331 | | Статус: | справочные материалы, мп, тпр | | Название рус.: | Опоры высоковольтных линий автоблокировки для сложных инженерно-геологических условий. Рабочие чертежи | | Дата добавления в базу: | 01.01.2019 | | Дата актуализации: | 01.01.2021 | | Дата введения: | 01.01.2004 | | Разработан: | ОАО ЦНИИС
| | Утверждён: | 25.11.2003 Департамент электрификации и электроснабжения ОАО РЖД (45)
|
                                                  
|