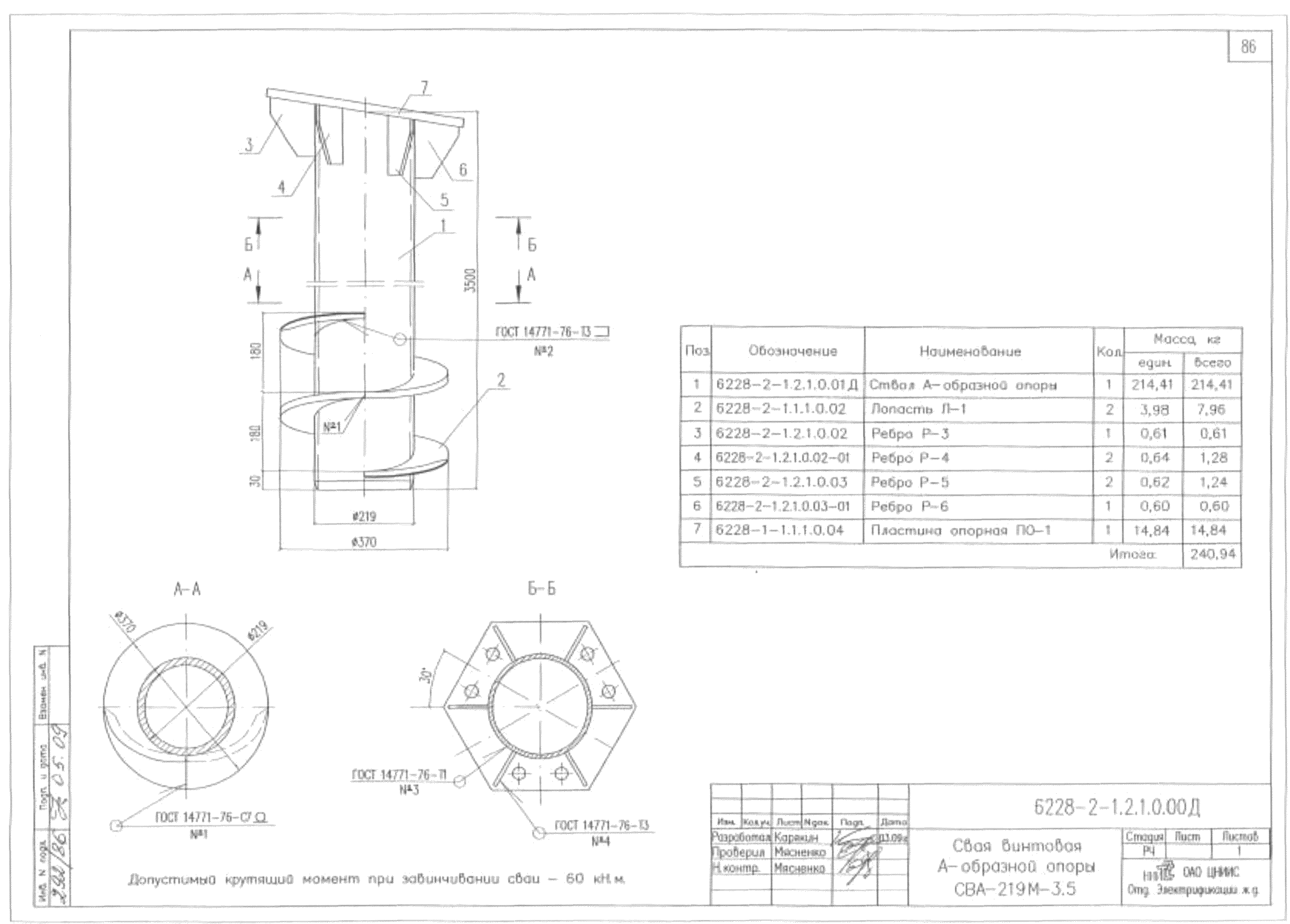
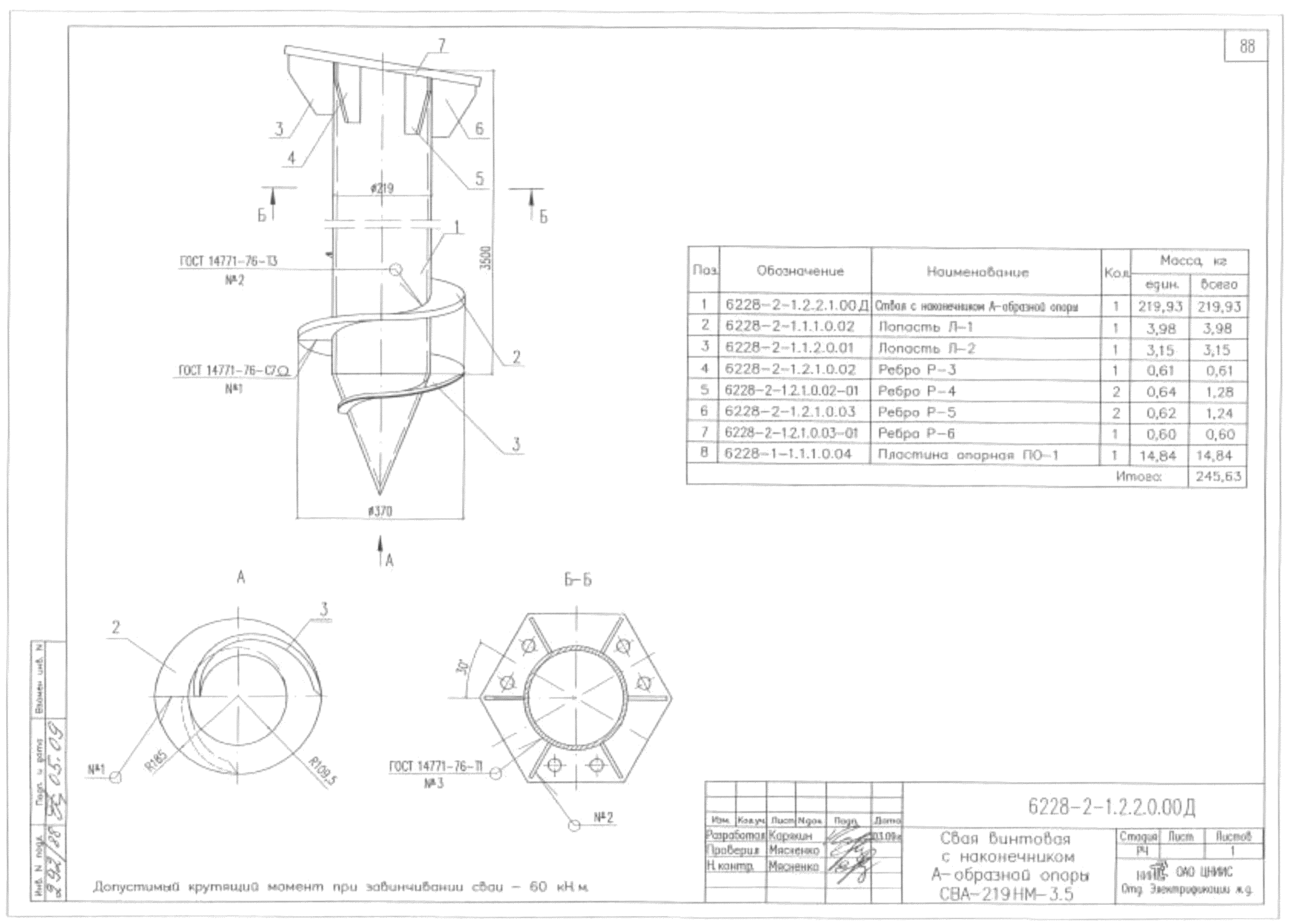
Скачать 6228 Опоры воздушных линий автоблокировки для особых геологических условий. Рабочие чертежиДата актуализации: 01.01.2021 6228
Опоры воздушных линий автоблокировки для особых геологических условий. Рабочие чертежи| Обозначение: | 6228 | | Обозначение англ: | 6228 | | Статус: | справочные материалы, мп, тпр | | Название рус.: | Опоры воздушных линий автоблокировки для особых геологических условий. Рабочие чертежи | | Дата добавления в базу: | 01.01.2019 | | Дата актуализации: | 01.01.2021 | | Дата введения: | 15.10.2007 | | Разработан: | ОАО ЦНИИС
| | Утверждён: | 15.10.2007 Департамент электрификации и электроснабжения ОАО РЖД (46)
|
                                                                                          
|