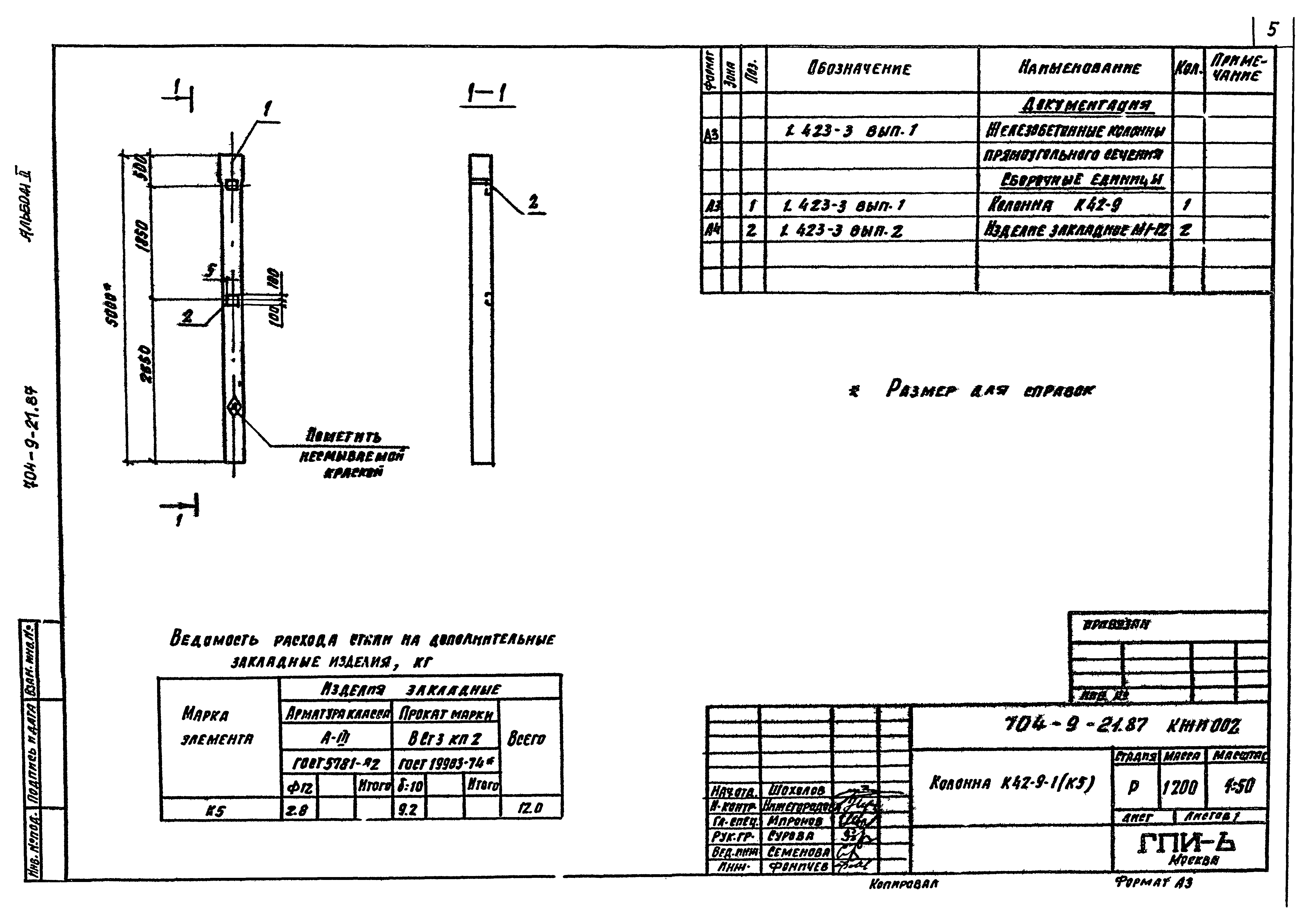
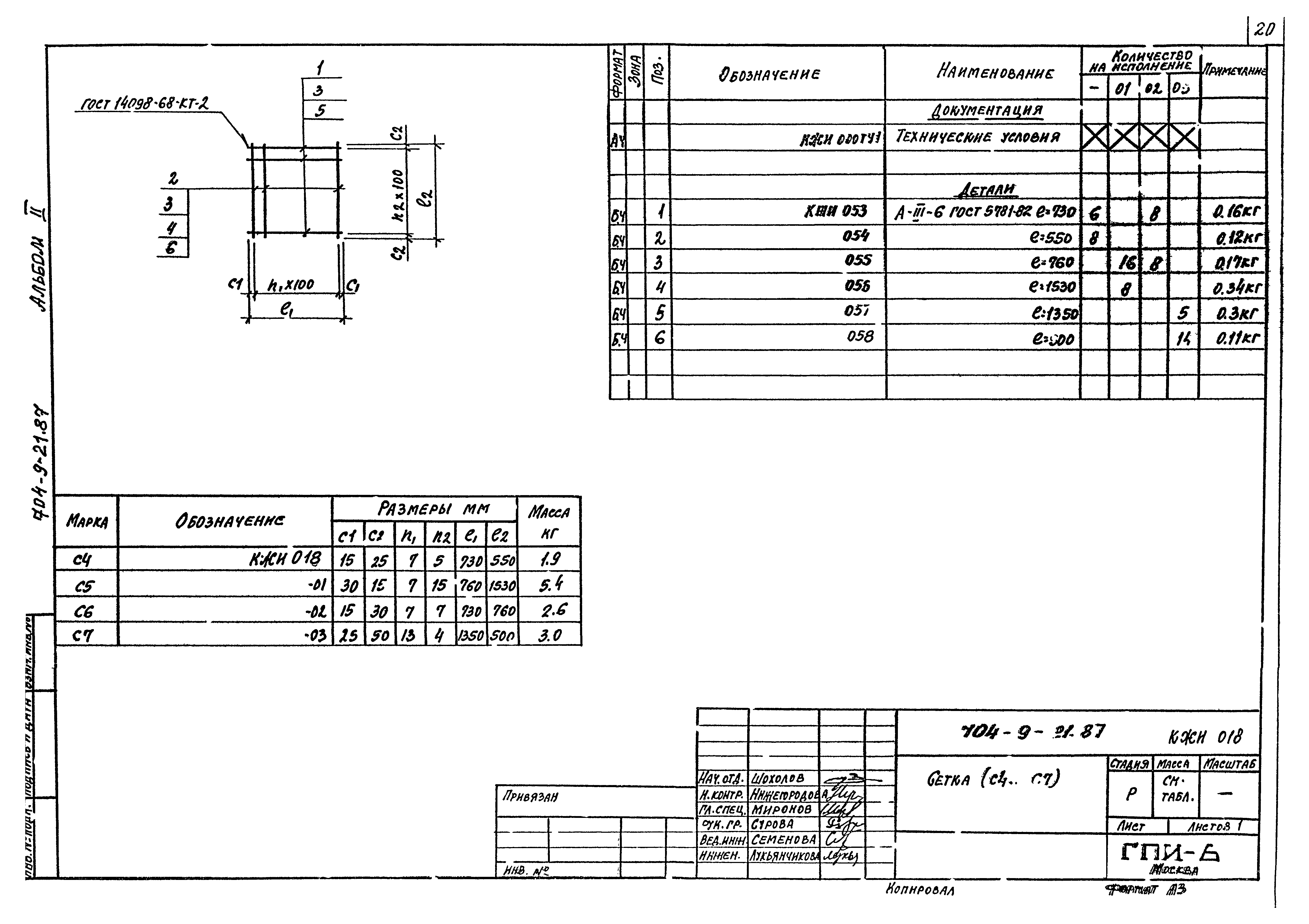
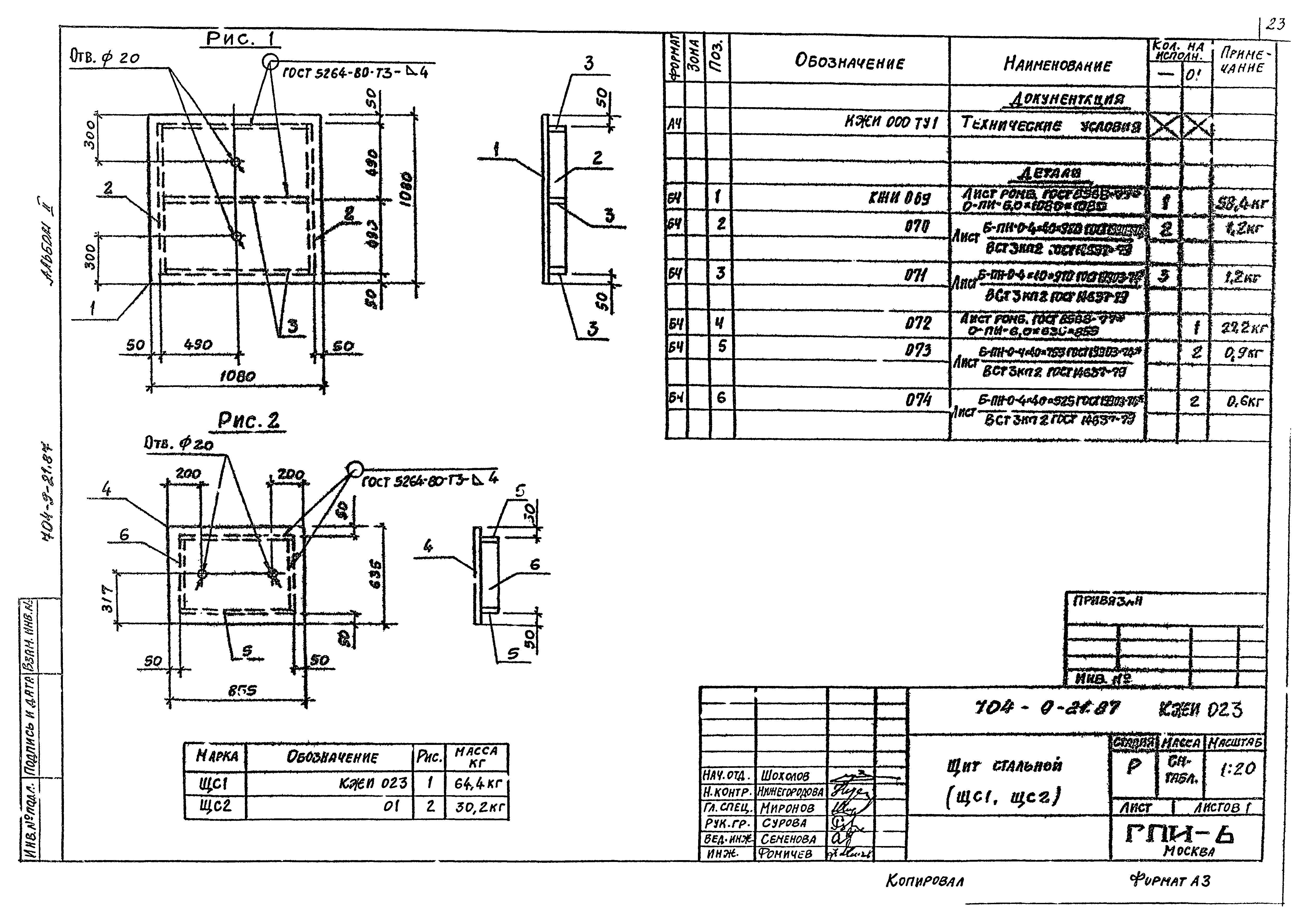
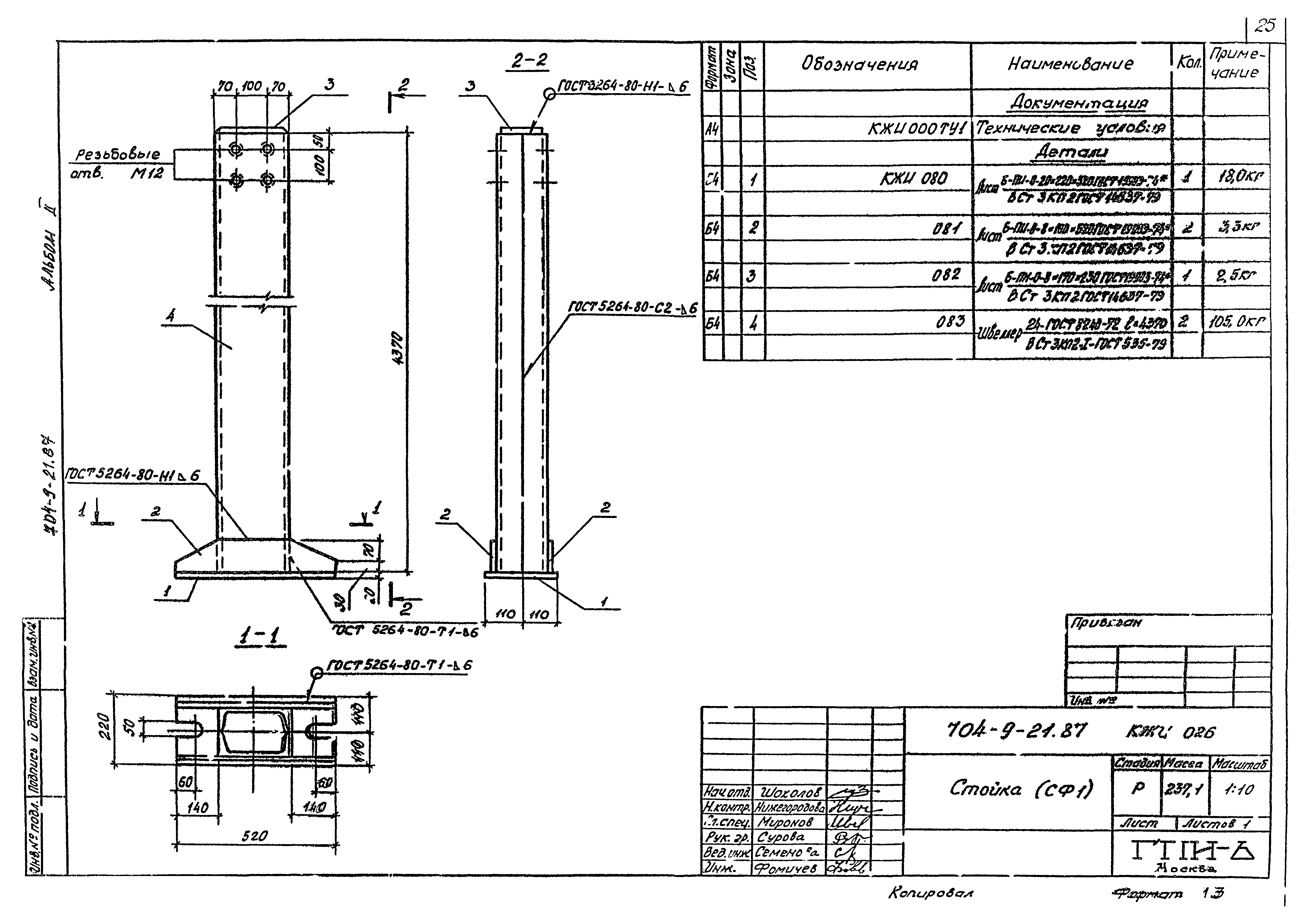
Скачать Типовой проект 704-9-21.87 Альбом II. Изделия железобетонныеДата актуализации: 01.01.2021
|
| Обозначение: | Типовой проект 704-9-21.87 |
| Обозначение англ: | 704-9-21.87 |
| Статус: | не определен законодательством |
| Название рус.: | Альбом II. Изделия железобетонные |
| Дата добавления в базу: | 01.01.2019 |
| Дата актуализации: | 01.01.2021 |
| Дата введения: | 17.01.1986 |
| Дата окончания срока действия: | 30.06.2003 |
| Разработан: | ГПИ-6 Минстрой СССР |
| Утверждён: | 15.06.1985 Госкомрезерва СССР |
| Заменяет собой: |
|



































