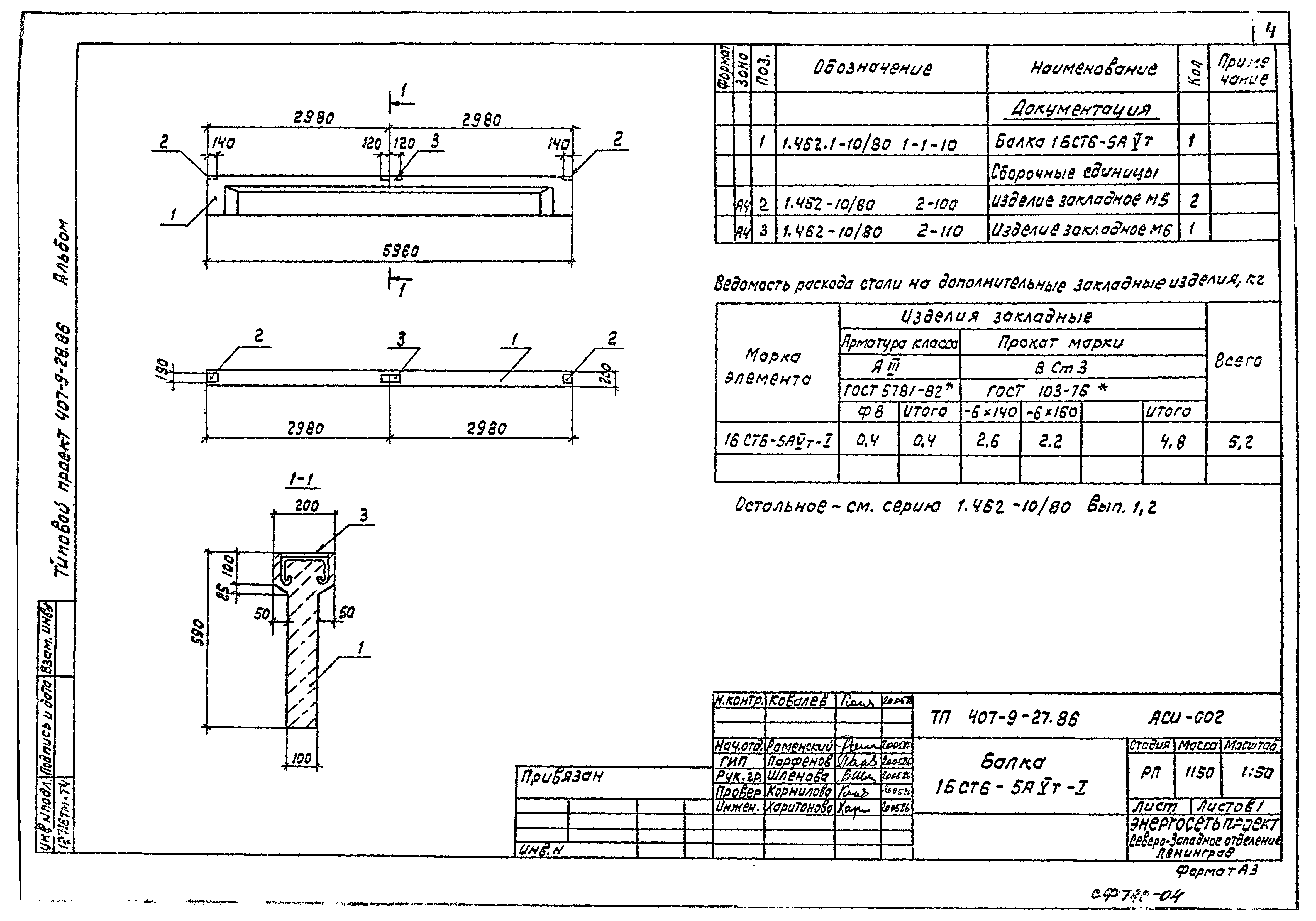
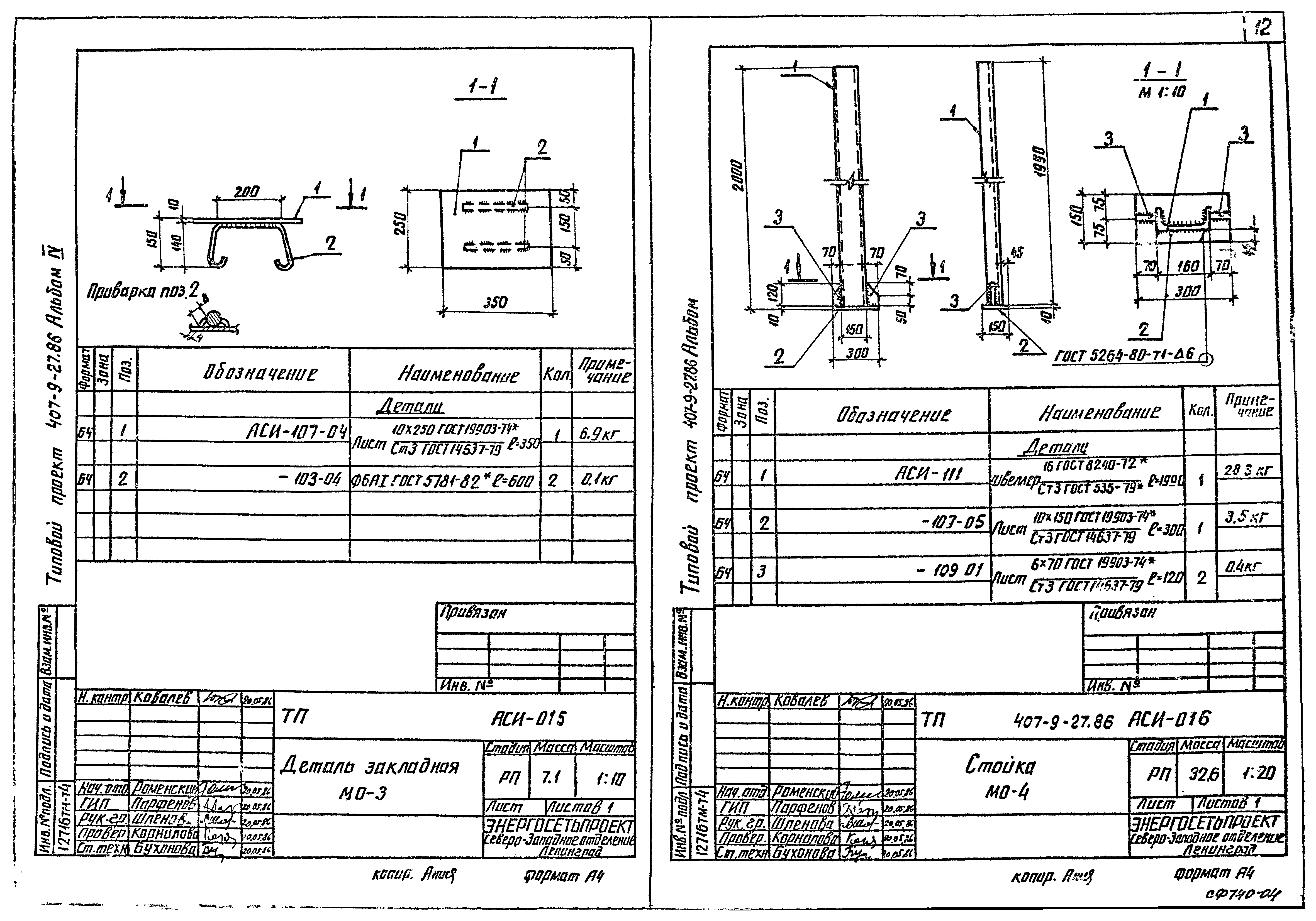
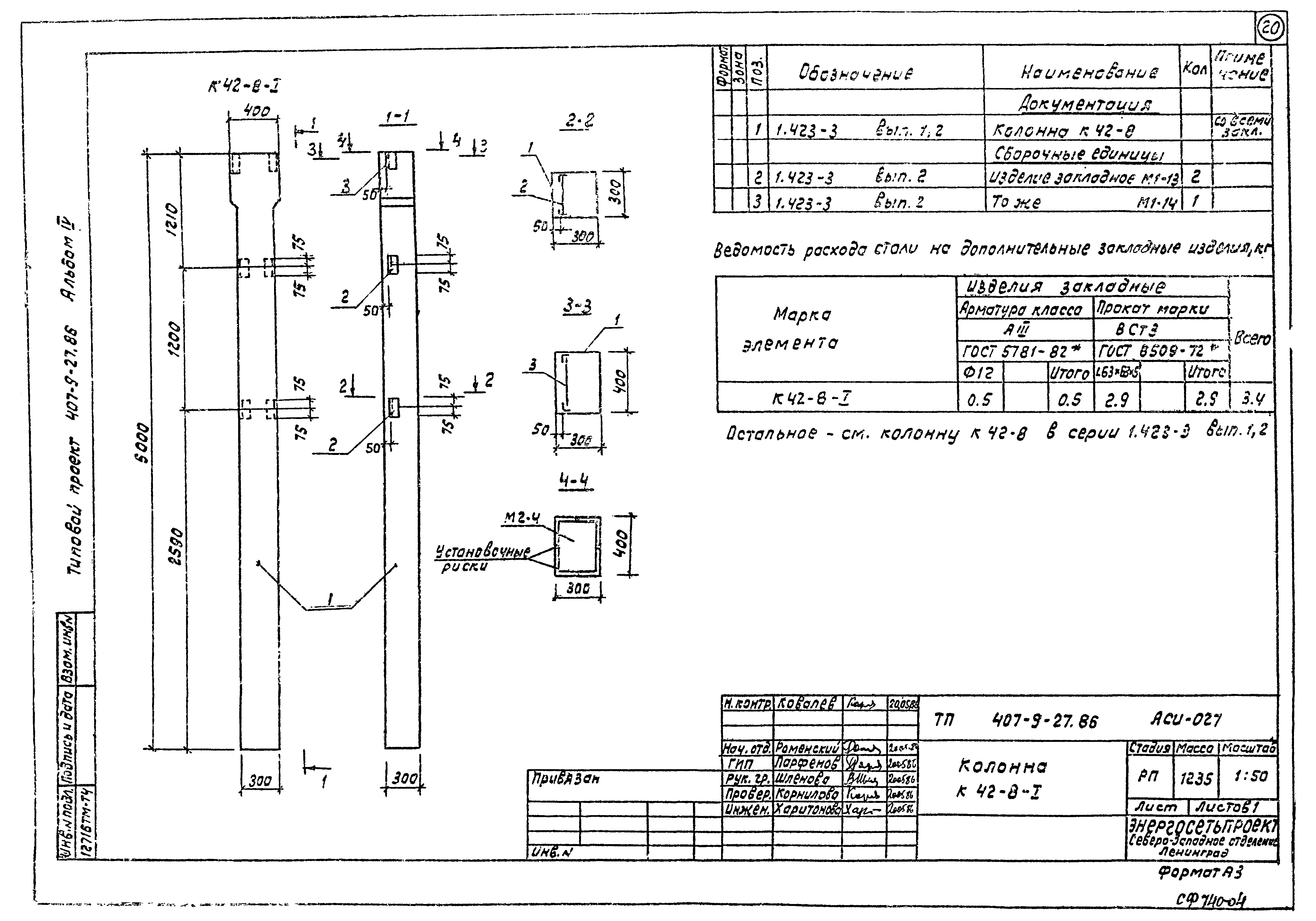
Скачать Типовой проект 407-9-27.86 Альбом IV. Строительные изделияДата актуализации: 01.01.2021
|
| Обозначение: | Типовой проект 407-9-27.86 |
| Обозначение англ: | 407-9-27.86 |
| Статус: | заменен |
| Название рус.: | Альбом IV. Строительные изделия |
| Дата добавления в базу: | 01.01.2019 |
| Дата актуализации: | 01.01.2021 |
| Дата введения: | 29.05.1986 |
| Дата окончания срока действия: | 01.01.1992 |
| Разработан: | Северо-западное отделение института Энергосетьпроект |
| Утверждён: | 29.05.1986 Минэнерго СССР (USSR Minenergo 6) |
| Издан: | ЦИТП Госстроя СССР (CITP, Gosstroy (USSR) 1986 г. ) |
| Заменяет собой: |
|
| Чем заменён: |





















