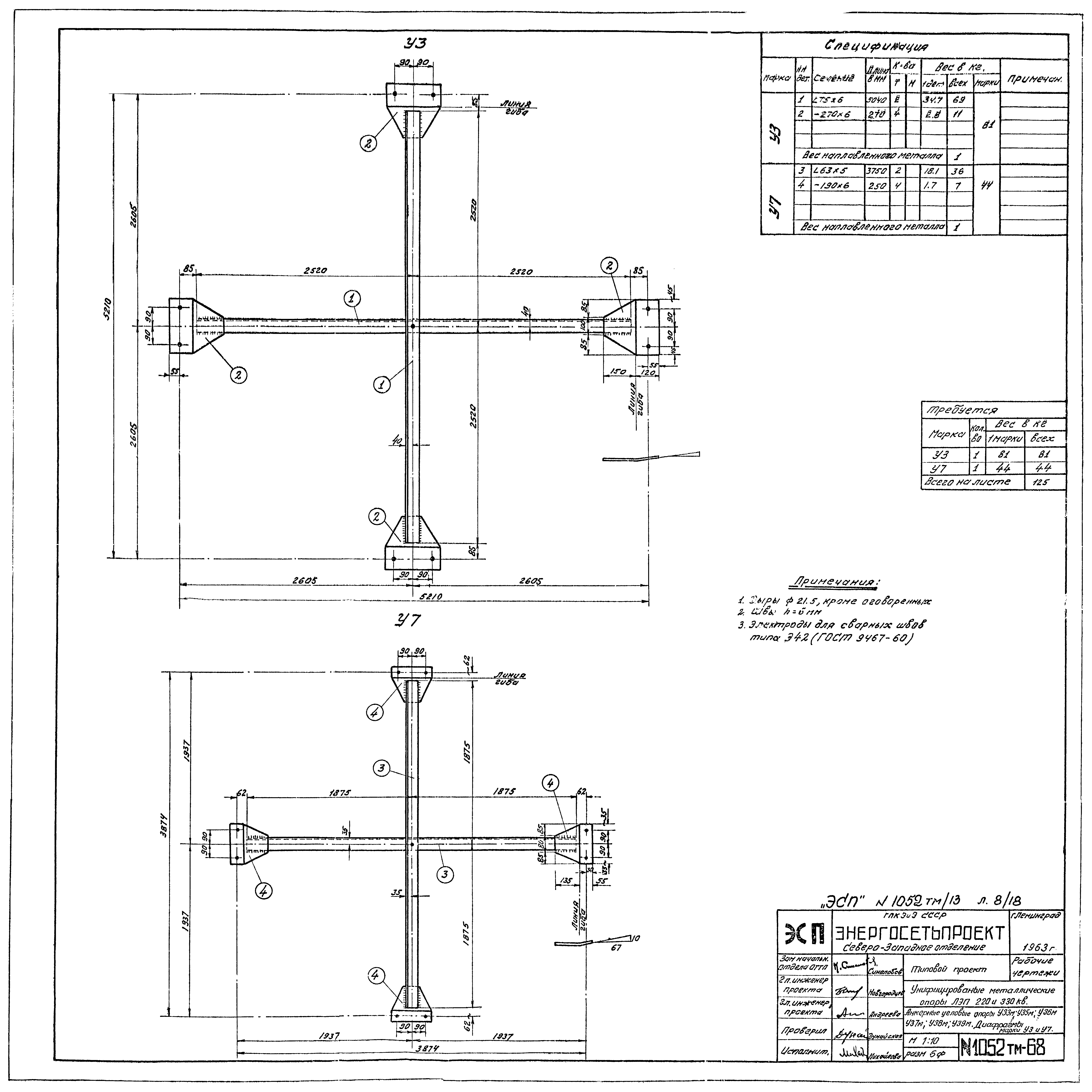
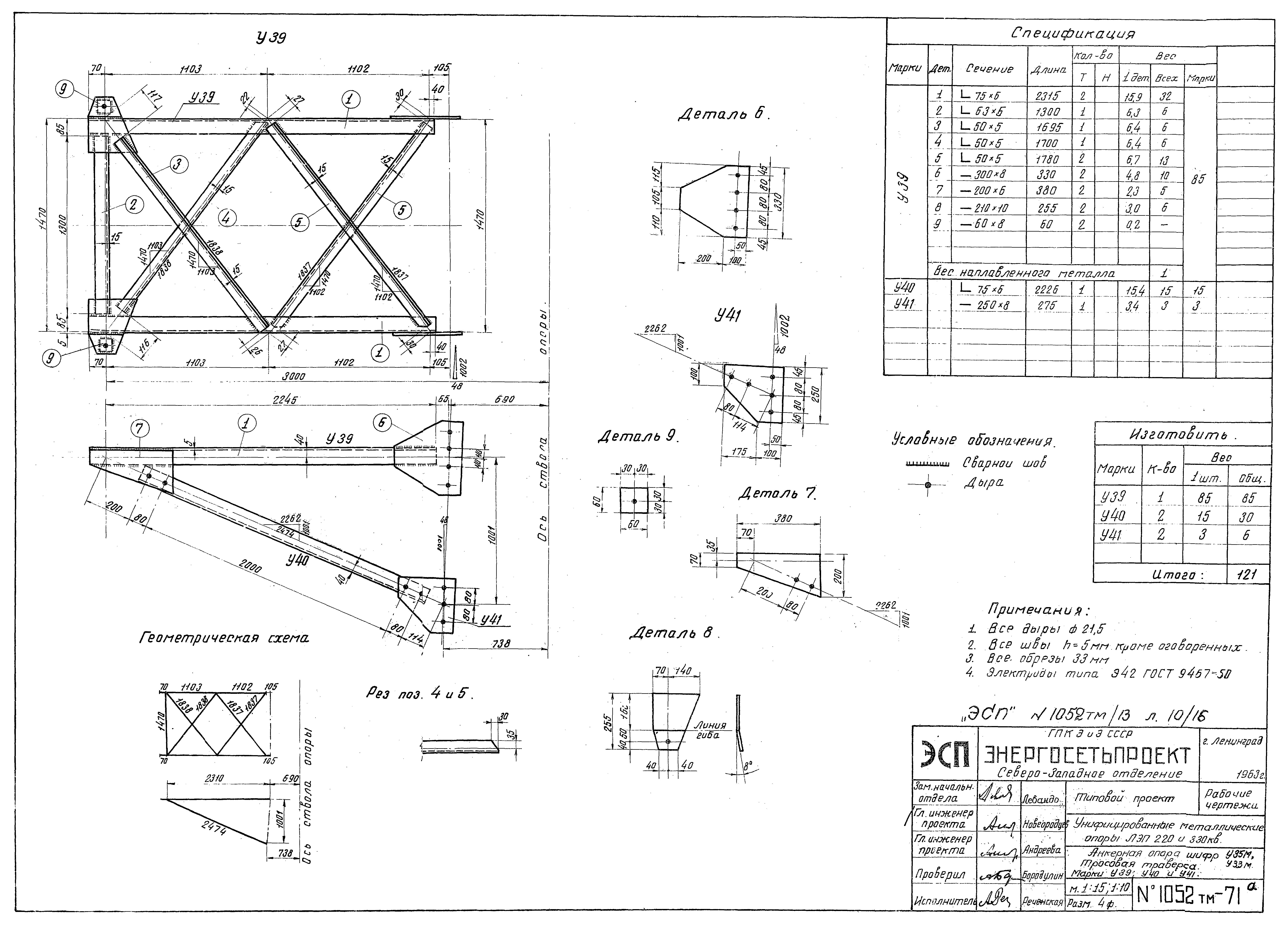
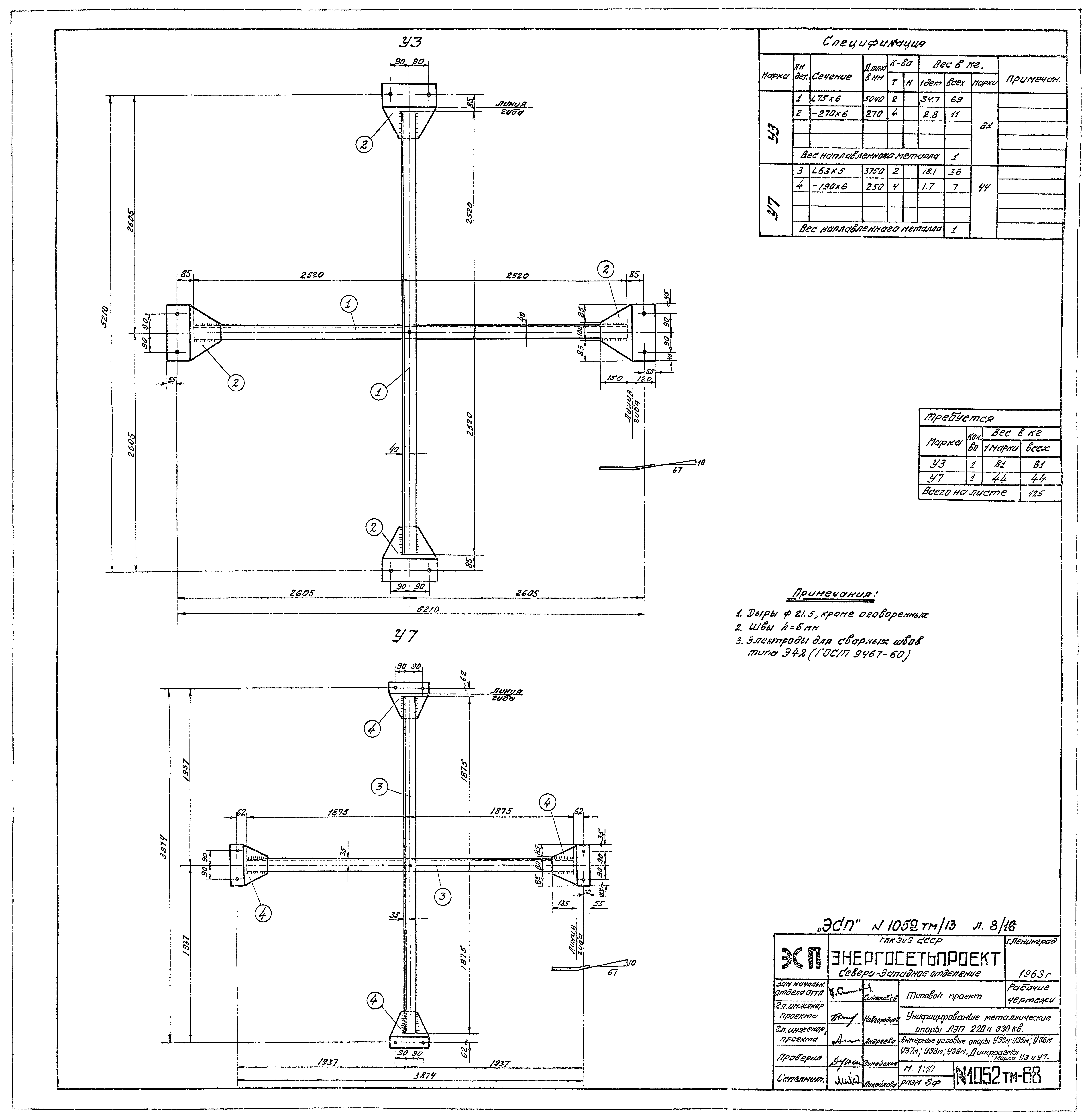
Скачать Типовой проект Том 1. Книга 13. Пояснительная записка и рабочие чертежи. Одноцепная анкерно-угловая опора 220 кВ для I - IV Р.К.У., угол поворота 0 - 60 градусов с двумя тросами шифр У33м, с одним тросом шифр У36мДата актуализации: 01.01.2021 Типовой проект
Том 1. Книга 13. Пояснительная записка и рабочие чертежи. Одноцепная анкерно-угловая опора 220 кВ для I - IV Р.К.У., угол поворота 0 - 60 градусов с двумя тросами шифр У33м, с одним тросом шифр У36м| Обозначение: | Типовой проект | | Статус: | действует | | Название рус.: | Том 1. Книга 13. Пояснительная записка и рабочие чертежи. Одноцепная анкерно-угловая опора 220 кВ для I - IV Р.К.У., угол поворота 0 - 60 градусов с двумя тросами шифр У33м, с одним тросом шифр У36м | | Дата добавления в базу: | 01.01.2019 | | Дата актуализации: | 01.01.2021 | | Дата введения: | 01.01.1963 | | Разработан: | Северо-западное отделение института Энергосетьпроект
| | Утверждён: | 01.01.1963 Энергосетьпроект (Energosetproject )
|
                    
|