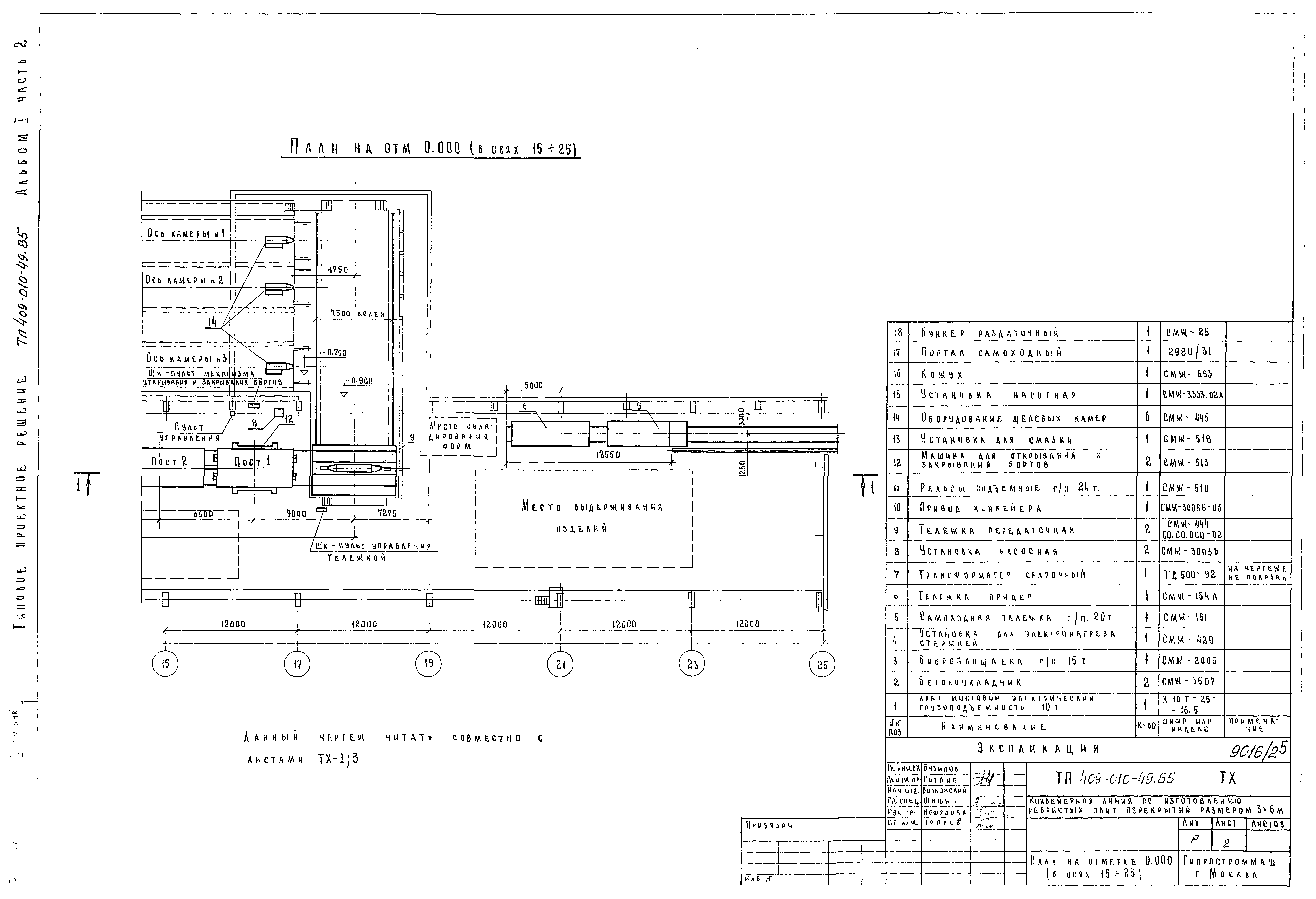
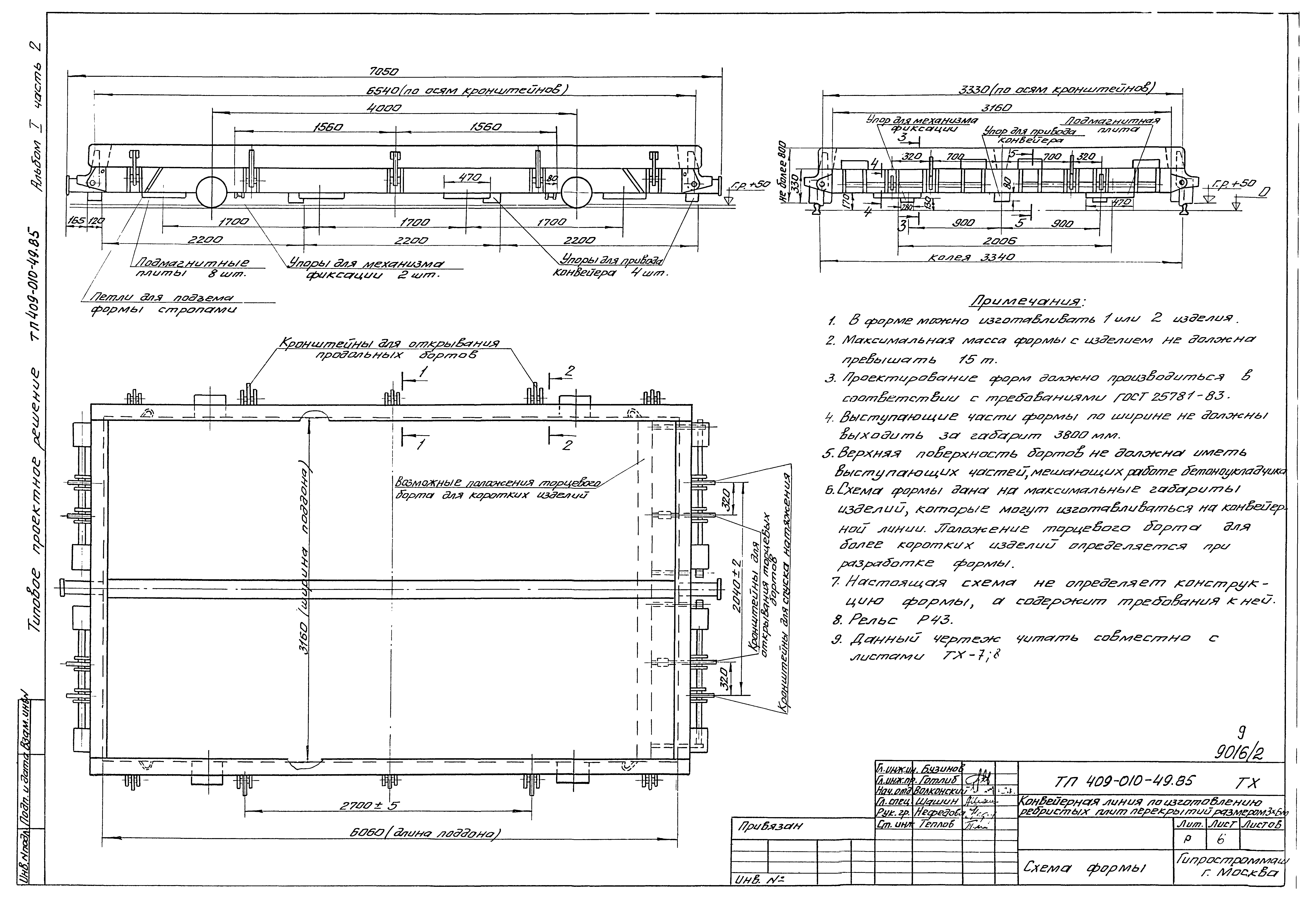
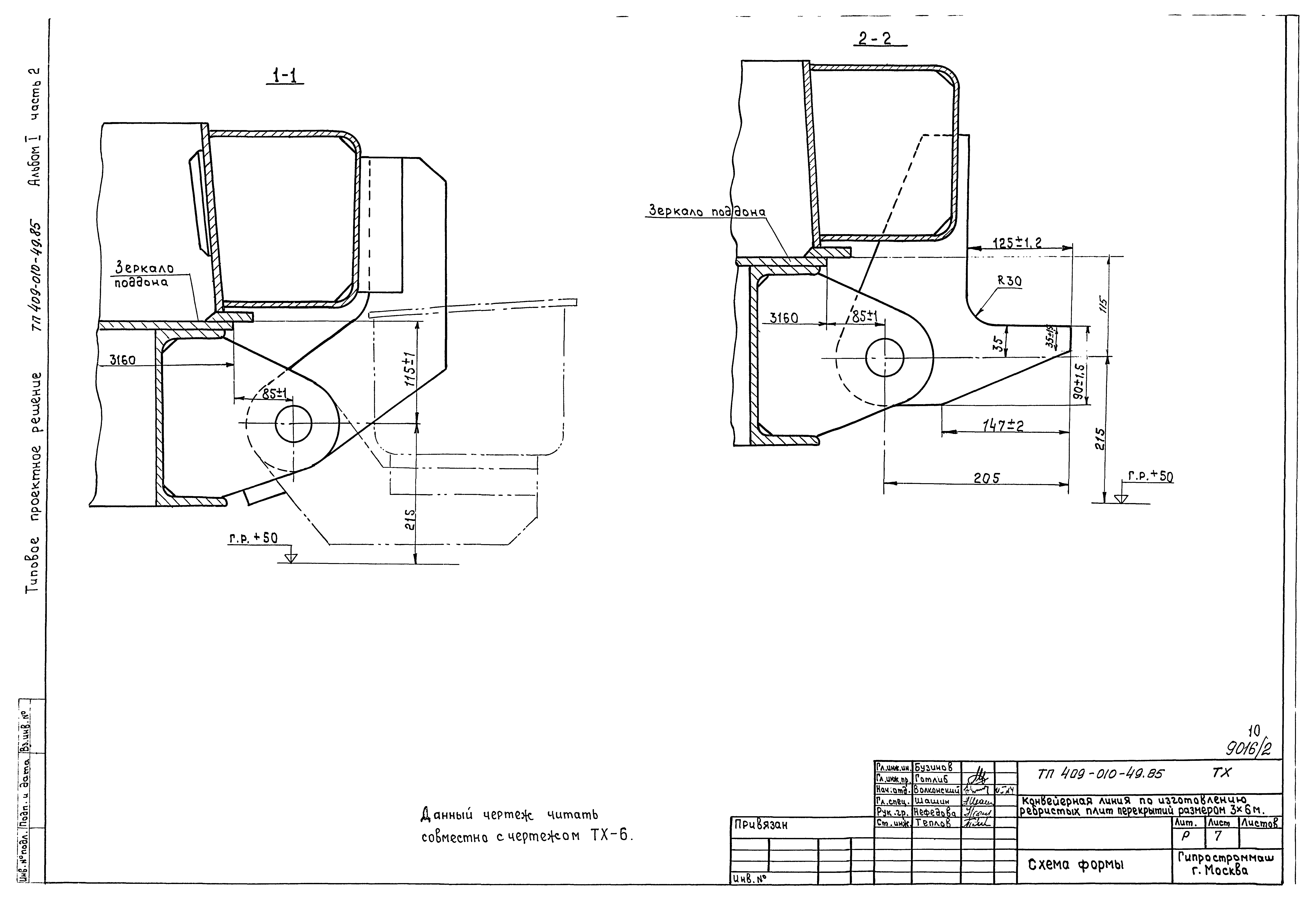
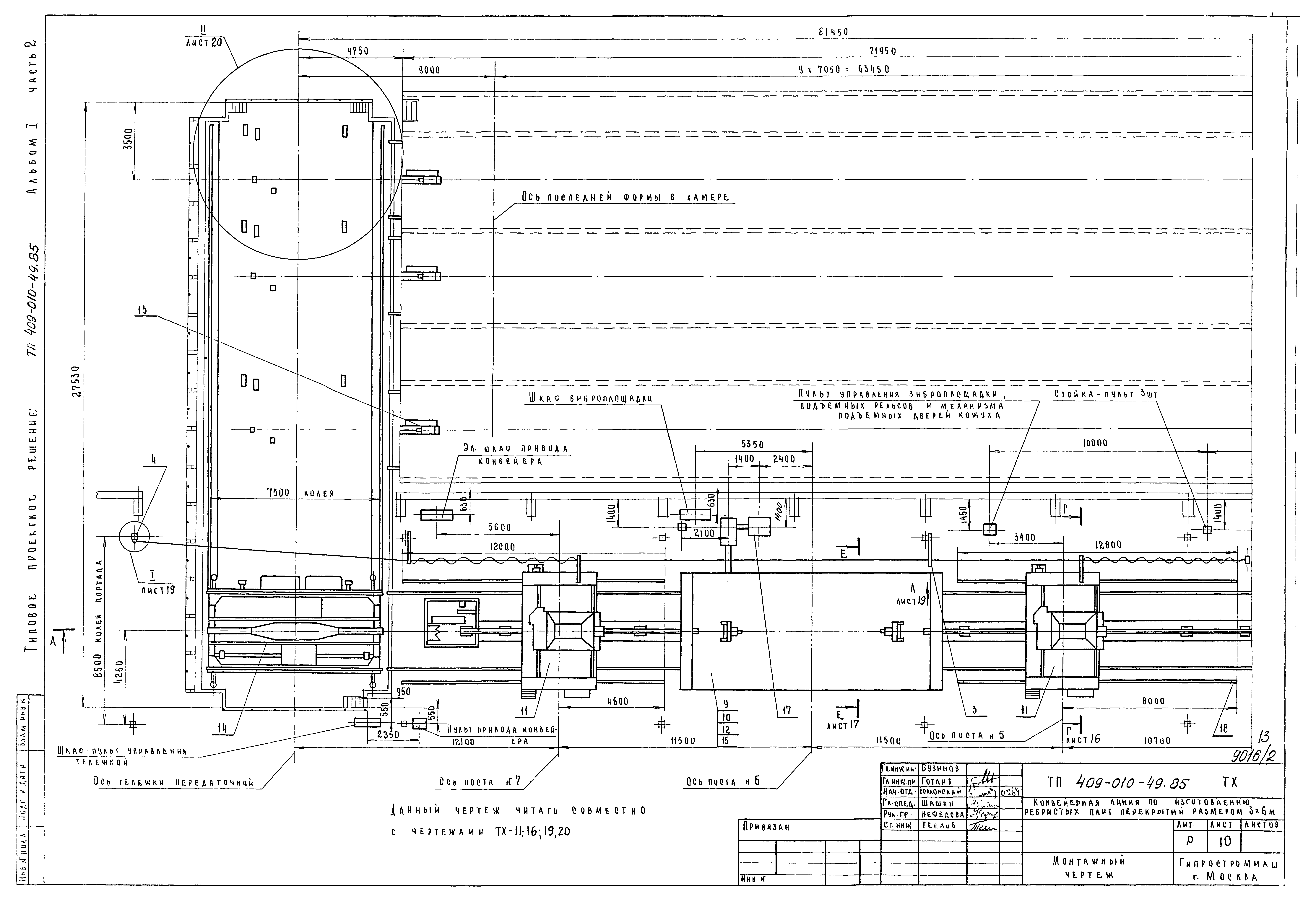
Скачать Типовые проектные решения 409-010-49.85 Альбом I. Часть 2. Технология производстваДата актуализации: 01.01.2021 Типовые проектные решения 409-010-49.85
Альбом I. Часть 2. Технология производства| Обозначение: | Типовые проектные решения 409-010-49.85 | | Обозначение англ: | 409-010-49.85 | | Статус: | справочные материалы, мп, тпр | | Название рус.: | Альбом I. Часть 2. Технология производства | | Дата добавления в базу: | 01.01.2019 | | Дата актуализации: | 01.01.2021 | | Разработан: | Гипростроммаш
| | Утверждён: | 18.08.1981 Госстрой СССР (65)
| | Издан: | ЦИТП Госстроя СССР (CITP, Gosstroy (USSR) 1985 г. )
|
                                     
|