Скачать Технологические схемы очистных и подготовительных работ на угольных шахтах. Часть III. ЭлектроснабжениеДата актуализации: 01.01.2021
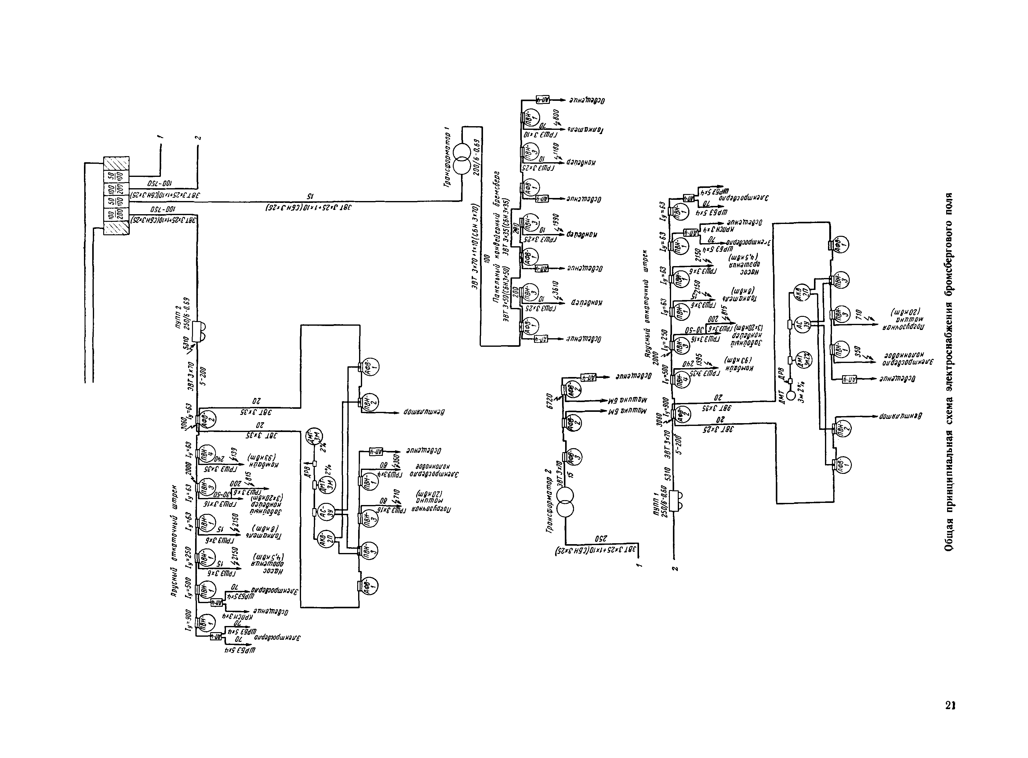
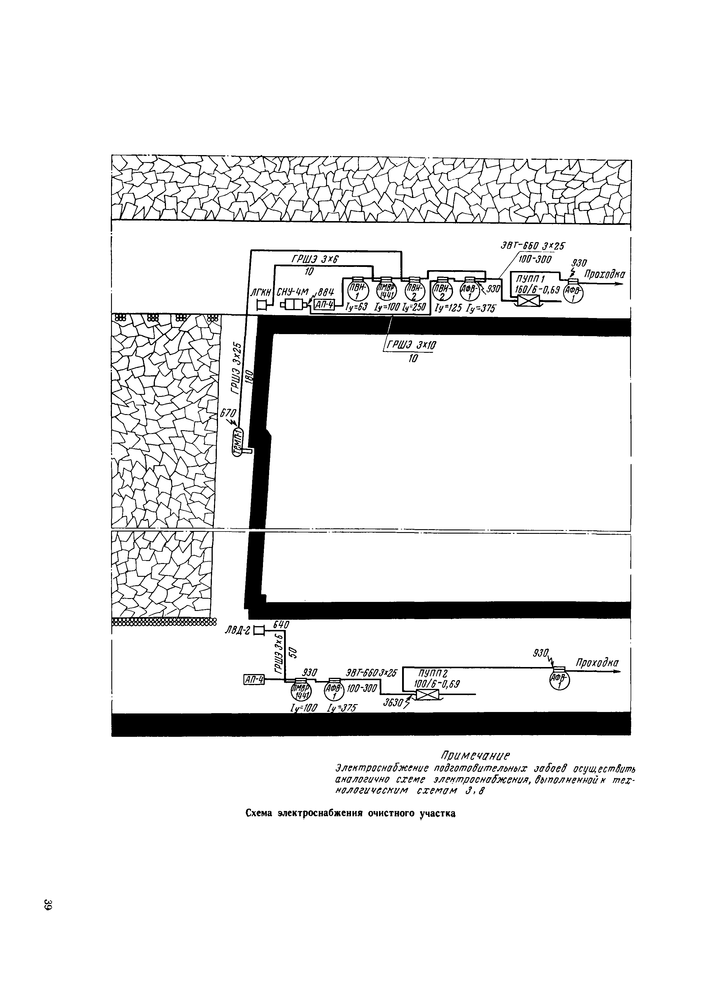
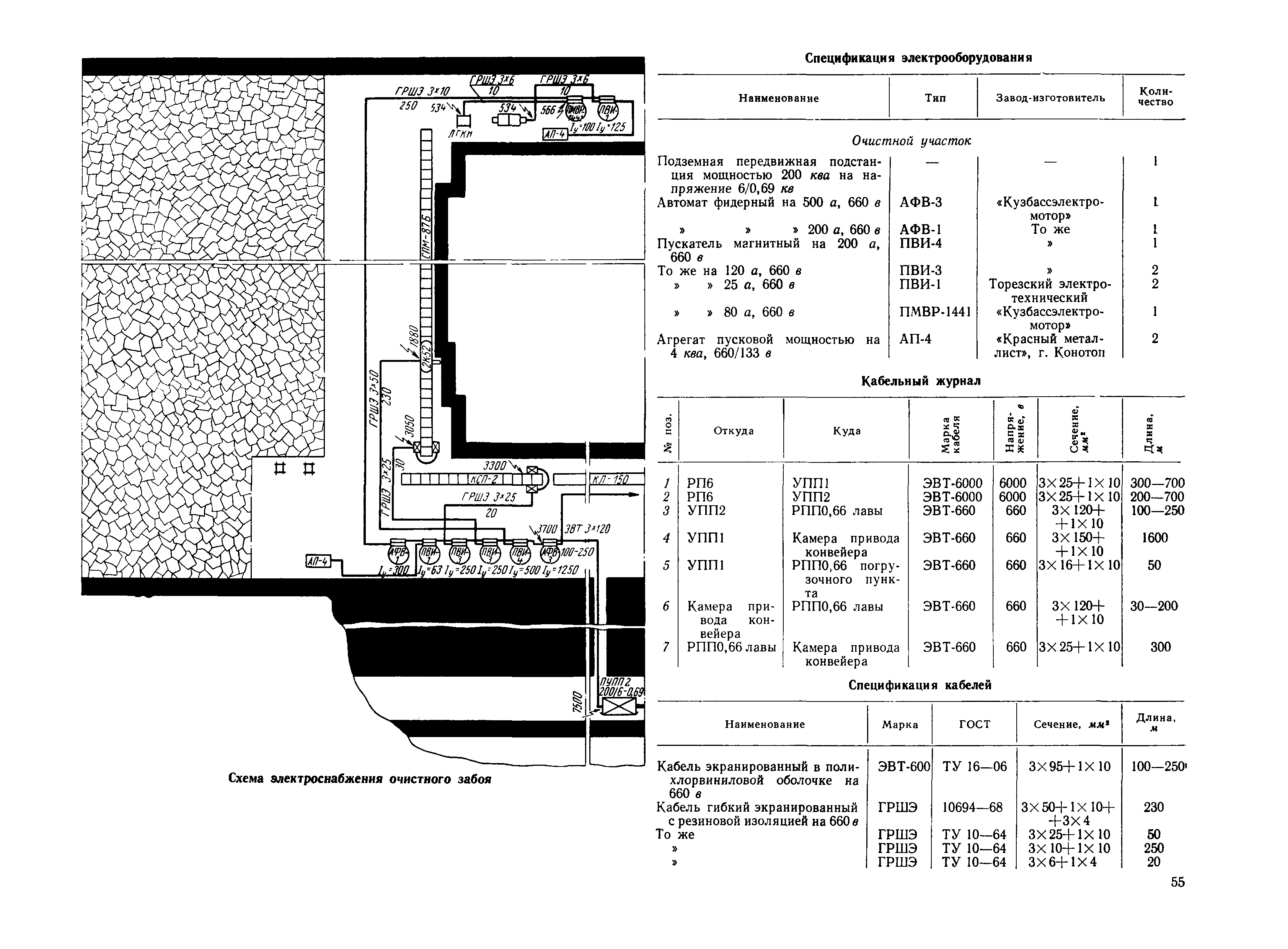
Технологические схемы очистных и подготовительных работ на угольных шахтах. Часть III. Электроснабжение| Статус: | справочные материалы, мп, тпр | | Название рус.: | Технологические схемы очистных и подготовительных работ на угольных шахтах. Часть III. Электроснабжение | | Дата добавления в базу: | 01.01.2019 | | Дата актуализации: | 01.01.2021 | | Область применения: | Схемы электроснабжения составлены для очистных и подготовительных забоев применительно к оборудованию, рекомендованному технологическими схемами очистных и подготовительных работ на угольных шахтах. В документе содержатся принципиальные схемы электроснабжения, спецификации на электрооборудование и материалы, справочные таблицы, то есть то, что необходимо при конкретном проектировании и монтаже электрооборудования участков. Во всех схемах электроснабжения в качестве силового принято напряжение 660 В | | Оглавление: | Введение Примерные схемы электроснабжения для очистных и подготовительных работ Методика расчета системы электроснабжения участка угольной шахты Как пользоваться схемами электроснабжения Схемы электроснабжения для технологических схем № 1, 2, 7, 29 Схемы электроснабжения для технологических схем № 3, 8 Схемы электроснабжения для технологических схем № 4, 35 Схемы электроснабжения для технологических схем № 5, 19, 30 Схемы электроснабжения для технологической схемы № 6 Схемы электроснабжения для технологической схемы № 9 Схемы электроснабжения для технологической схемы № 11 Схемы электроснабжения для технологических схем № 12, 13, 14 Схемы электроснабжения для технологических схем № 16, 18, 20, 28, 32 Схемы электроснабжения для технологических схем № 21, 22, 23 Схемы электроснабжения для технологических схем № 24, 25, 31 Схемы электроснабжения для технологических схем № 17, 26, 27 Схемы электроснабжения для технологических схем № 33, 34 Схемы электроснабжения для технологических схем № 38, 39, 40 Схемы электроснабжения для технологической схемы № 41 Схемы электроснабжения для технологической схемы № 42 Схемы электроснабжения для технологических схем № 44, 45, 46, 47, 48, 49, 50, 53, 54 Схемы электроснабжения для технологических схем № 51, 52 Приложение 1. Основные технические данные шахтных передвижных трансформаторных подстанций Приложение 2. Приложения к технологическим схемам | | Разработан: | Институт горного дела им. А.А. Скочинского
| | Утверждён: | 01.06.1967 Министерство угольной промышленности СССР (USSR Ministry of the Coal Industry 252)
| | Издан: | Издательство Недра (1972 г. )
| | Нормативные ссылки: | |
                                                                                   
|