Скачать Руководство по изготовлению, соединению и подвеске металлических вентиляционных трубДата актуализации: 01.01.2021 |
| Статус: | справочные материалы, мп, тпр |
| Название рус.: | Руководство по изготовлению, соединению и подвеске металлических вентиляционных труб |
| Дата добавления в базу: | 01.01.2019 |
| Дата актуализации: | 01.01.2021 |
| Область применения: | Руководство рассматривает вопросы выбора конструкции фланцевого соединения, обеспечивающего наибольшую экономическую эффективность, минимальное аэродинамическое сопротивление и высокую степень герметизации. Руководство предназначено для работников заводов-изготовителей, проектных организаций, а также строительных и эксплуатационных горных предприятий |
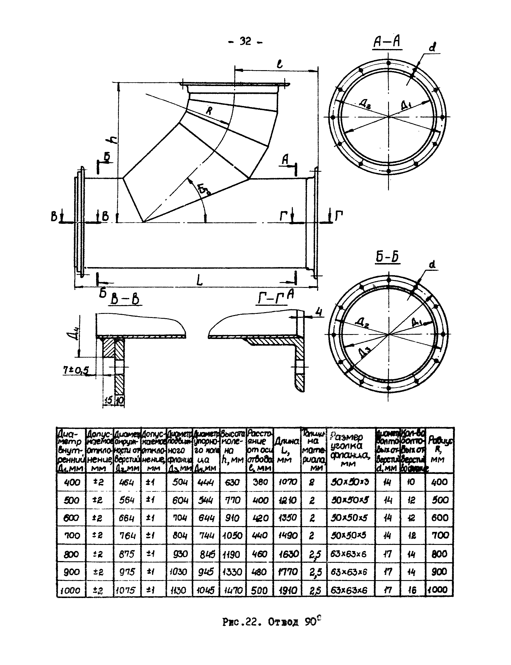
| Оглавление: | Введение 1. Трубы и фасонные части трубопроводов 1. Трубы и фасонные части для проветривания вертикальных горных выработок 2. Трубы и фасонные части для проветривания горизонтальных горных выработок 2. Подвески вентиляционных металлических трубопроводов в вертикальных стволах и горизонтальных выработках 1. Подвески в вертикальных стволах 2. Подвески для горизонтальных выработок 3. Технические требования на изготовление труб и фасонных частей 4. Правила приемки и методы испытаний 5. Маркировка, упаковка, транспортирование и хранение |
| Разработан: | ВНИИОМШС |
| Утверждён: | 25.12.1971 Министерство угольной промышленности СССР (USSR Ministry of the Coal Industry ) |
| Нормативные ссылки: |
|




























































