Скачать СТБ EN 483-2010 Котлы газовые для центрального отопления. Котлы типа С с номинальной тепловой мощностью не более 70 кВтДата актуализации: 01.01.2021
|
| Обозначение: | СТБ EN 483-2010 |
| Обозначение англ: | 483-2010 |
| Статус: | применяется в еаэс |
| Название рус.: | Котлы газовые для центрального отопления. Котлы типа С с номинальной тепловой мощностью не более 70 кВт |
| Название англ.: | Gas fired central heating boilers Type C boilers of nominal heat input not exceeding 70 kW |
| Дата добавления в базу: | 01.01.2019 |
| Дата актуализации: | 01.01.2021 |
| Дата введения: | 01.01.2011 |
| Область применения: | Стандарт устанавливает требования и методы испытаний, касающиеся конструкции, безопасности, соответствия назначению и рационального использования энергии, а также классификации и маркировки газовых котлов центрального отопления с атмосферными горелками, в том числе оснащенными дутьевым устройством, или горелками с полным предварительным смешением. Стандарт распространяется только на испытания типа. |
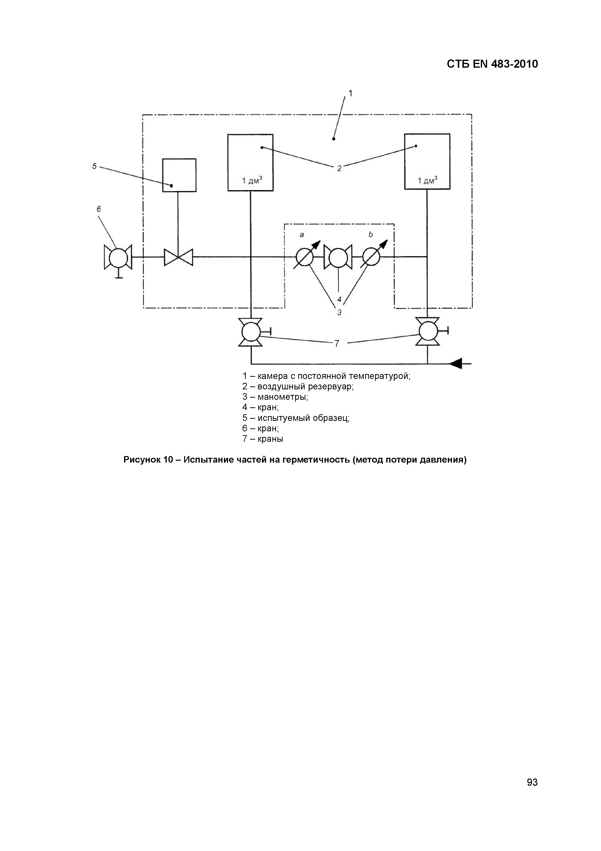
| Оглавление: | 1 Область применения 2 Нормативные ссылки 3 Термины и определения 4 Классификация котлов 4.1 Газы и категории 4.2 Способ подачи воздуха для горения и отвода продуктов сгорания 4.3 Максимальное рабочее давление воды 4.4 Расширительная система 5 Технические требования 5.1 Общие положения 5.2 Переключение на различные газы 5.3 Материалы и толщины 5.4 Требования к конструкции 5.5 Электрическое оборудование 5.6 Требования к устройствам регулировки, управления и обеспечения безопасности 5.7 Горелки 5.8 Штуцеры для измерения давления 6 Требования к рабочим характеристикам 6.1 Общие положения 6.2 Герметичность 6.3 Тепловая мощность и теплопроизводительность 6.4 Безопасность работы 6.5 Устройства регулировки, управления и обеспечения безопасности 6.6 Сгорание 6.7 Коэффициент полезного действия (КПД) 6.8 Стойкость материалов к давлению 6.9 Гидравлическое сопротивление 6.10 Механическая прочность каналов, терминалов и присоединительных патрубков 6.11 Требования к пластмассам, применяемым в каналах для отвода продуктов сгорания, терминалах и присоединительных патрубках котлов 6.12 Требования к эластомерным уплотнительным и герметизирующим материалам, применяемым в каналах для отвода продуктов сгорания, терминалах и присоединительных патрубках 7 Методы испытаний 7.1 Общие условия испытаний 7.2 Герметичность 7.3 Тепловая мощность и теплопроизводительность 7.4 Безопасность работы 7.5 Устройства регулировки, управления и обеспечения безопасности 7.6 Сгорание 7.7 Коэффициент полезного действия (КПД) 7.8 Стойкость материалов к давлению 7.9 Гидравлическое сопротивление 7.10 Механическая прочность каналов, терминалов и присоединительных патрубков 7.11 Методы испытаний пластмасс, применяемых в каналах для отвода продуктов сгорания, терминалах и присоединительных патрубках котлов 7.12 Требования к эластомерным уплотнительным и герметизирующим материалам, применяемым в каналах для отвода продуктов сгорания, терминалах и присоединительных патрубках 8 Маркировка и инструкции 8.1 Маркировка котла 8.2 Инструкции 8.3 Представление информации Приложение A (справочное) Национальные условия Приложение B (справочное) Дополнительные национальные условия Приложение C (справочное) Классификация котлов типа C Приложение D (справочное) Строение газового тракта Приложение E (справочное) Сводные сведения об условиях испытаний Приложение F (обязательное) Установки для испытаний котлов типа C2 Приложение G (справочное) Практический метод калибровки испытательной установки для определения потерь тепла Dp Приложение H (справочное) А-отклонения Приложение I (справочное) (пробел) Приложение J (справочное) Основные условные обозначения и сокращения, используемые в настоящем стандарте Приложение K (справочное) Примеры маркировки Приложение L (справочное) Пример расчета нагрузочного коэффициента для котла с многоступенчатым регулированием тепловой мощности в соответствии с таблицей 7 Приложение M (справочное) Расчет изменений NOx Приложение N (справочное) Требования и методы испытаний для отдельных каналов для подачи воздуха для горения и отвода продуктов сгорания для котлов типа С6 Приложение O (справочное) (пробел) Приложение P (справочное) Определение потерь тепла от испытательной установки косвенным методом, а также определение теплового влияния циркуляционного насоса установки Приложение Q (справочное) Способы определения времени розжига при полном расходе Приложение R (обязательное) Методы испытаний для определения влияния длительных тепловых нагрузок, длительного воздействия конденсата, циклического воздействия конденсата и воздействия УФ-излучения Приложение S (справочное) Соответствие разделов изменения европейского стандарта существенным требованиям Директивы 90/396/EEC по сближению законодательств государств-членов, касающихся газорасходных установок, или иным положениям директив ЕС Приложение ZA (справочное) Соответствие разделов европейского стандарта директивам EC Библиография Приложение Д.А (справочное) Сведения о соответствии государственных стандартов ссылочным международным и европейским стандартам |
| Разработан: | ОАО Испытания и сертификация бытовой и промышленной продукции БЕЛЛИС |
| Утверждён: | 02.09.2010 Госстандарт Республики Беларусь (52) |
| Издан: | БелГИСС (2011 г. ) |
| Нормативные ссылки: |
|















































































































































