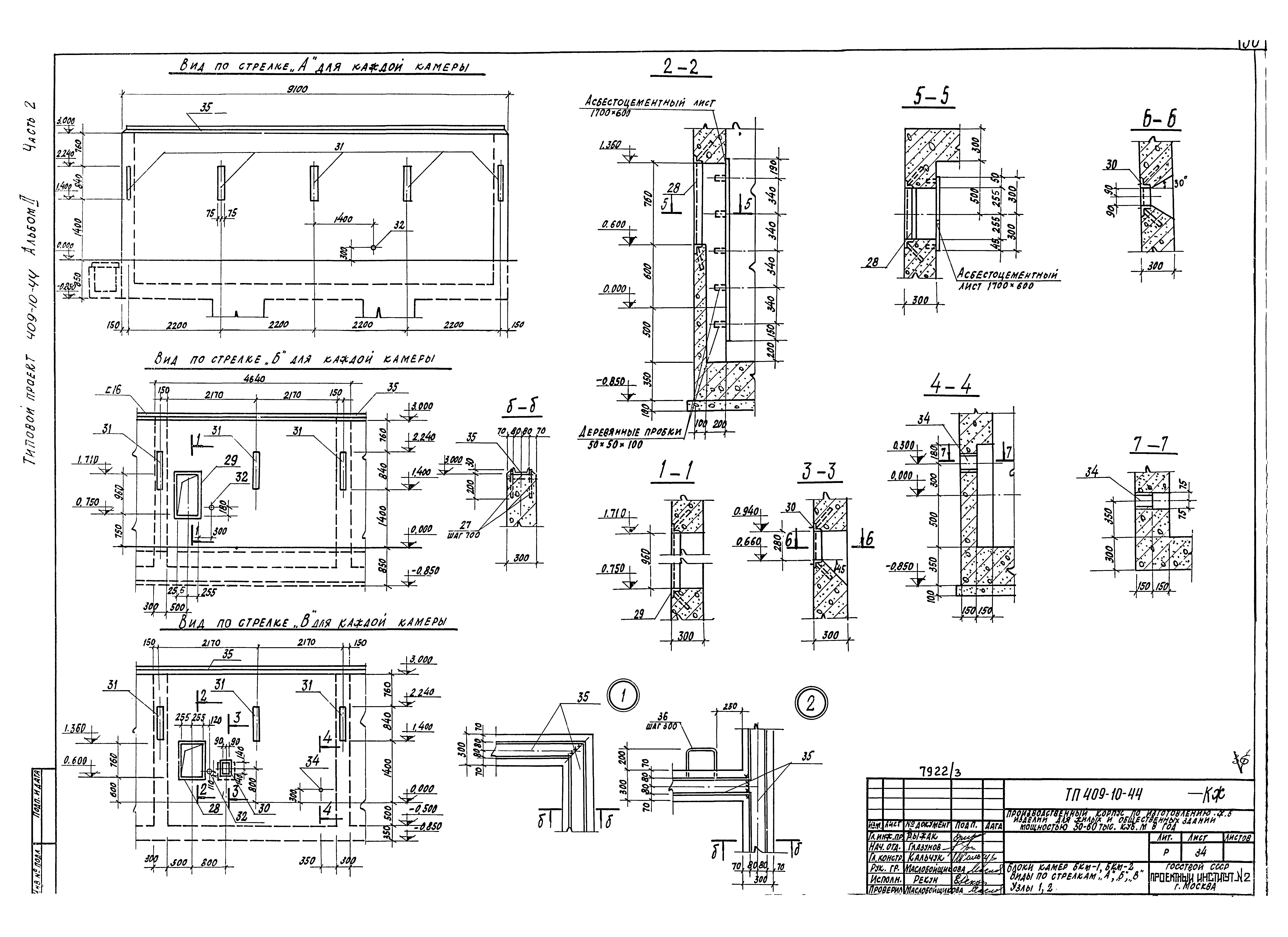
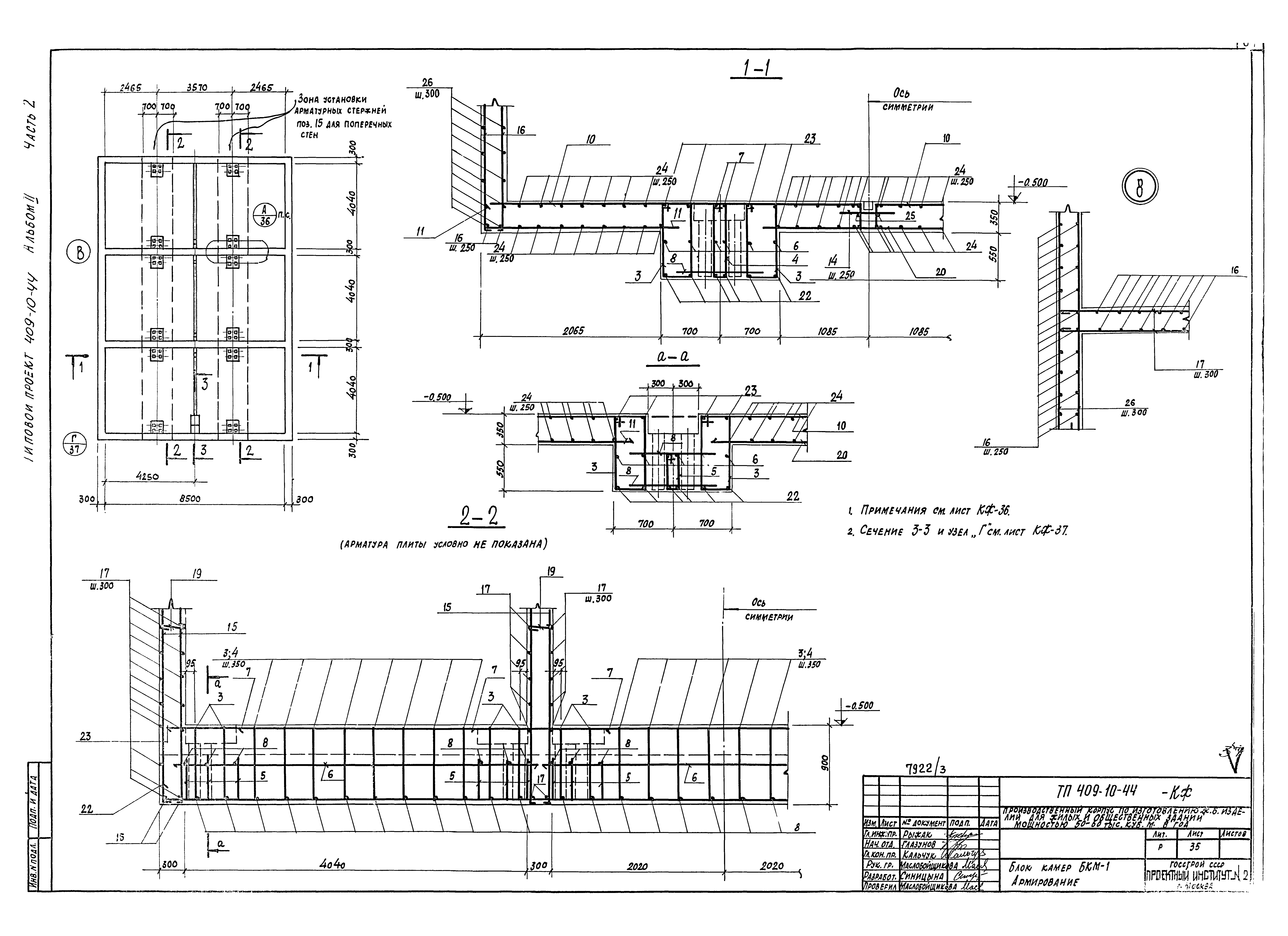
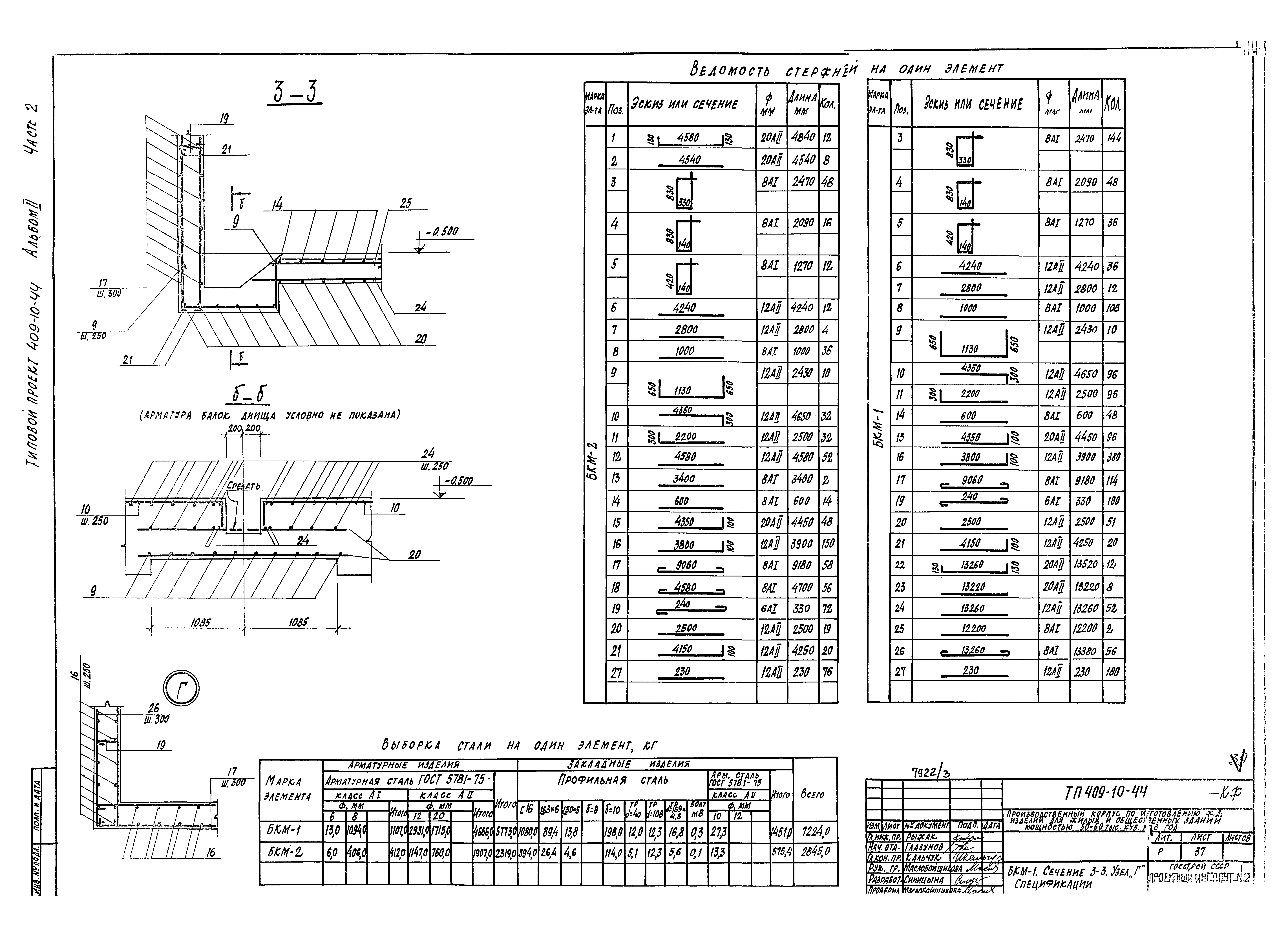
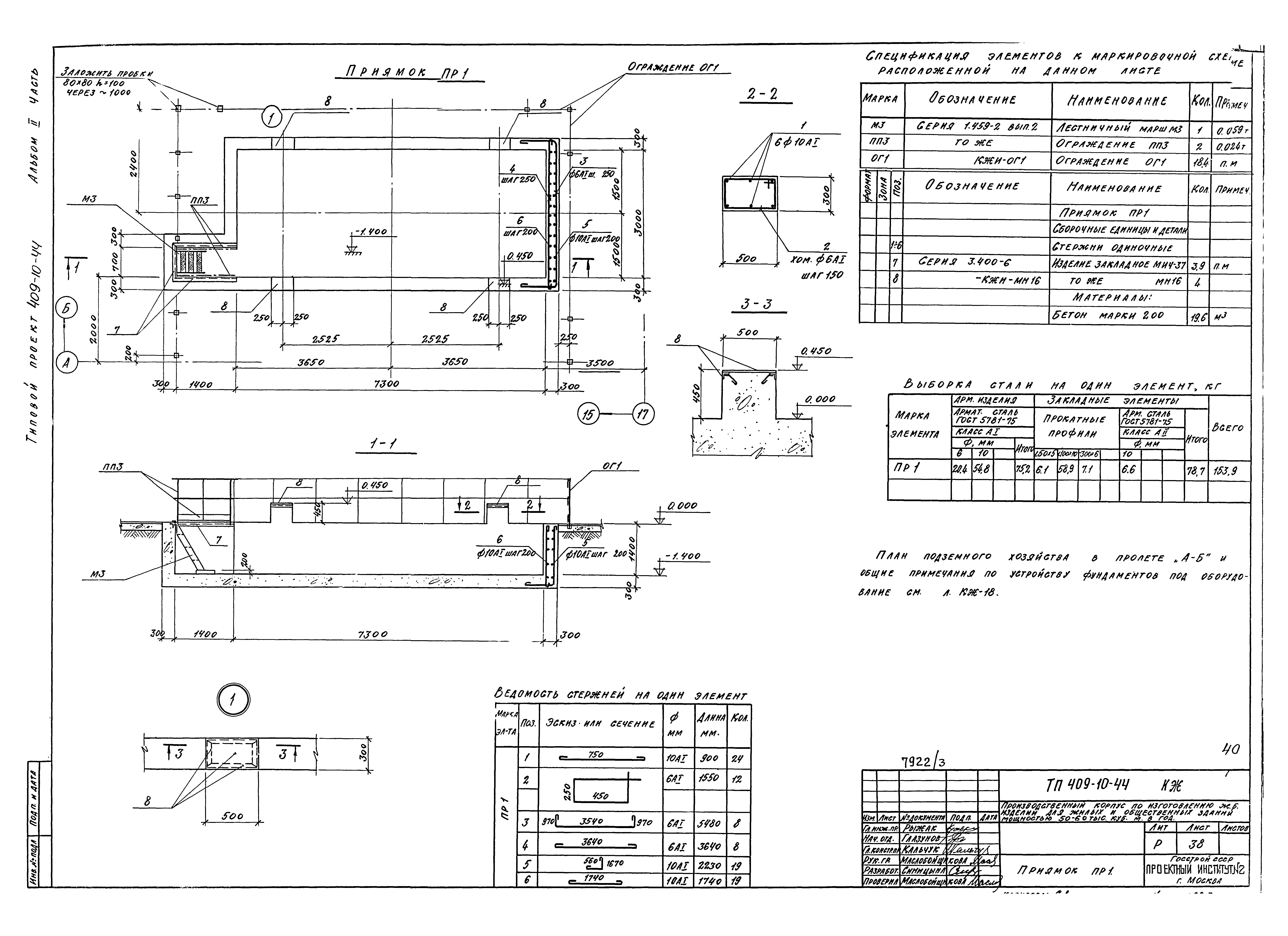
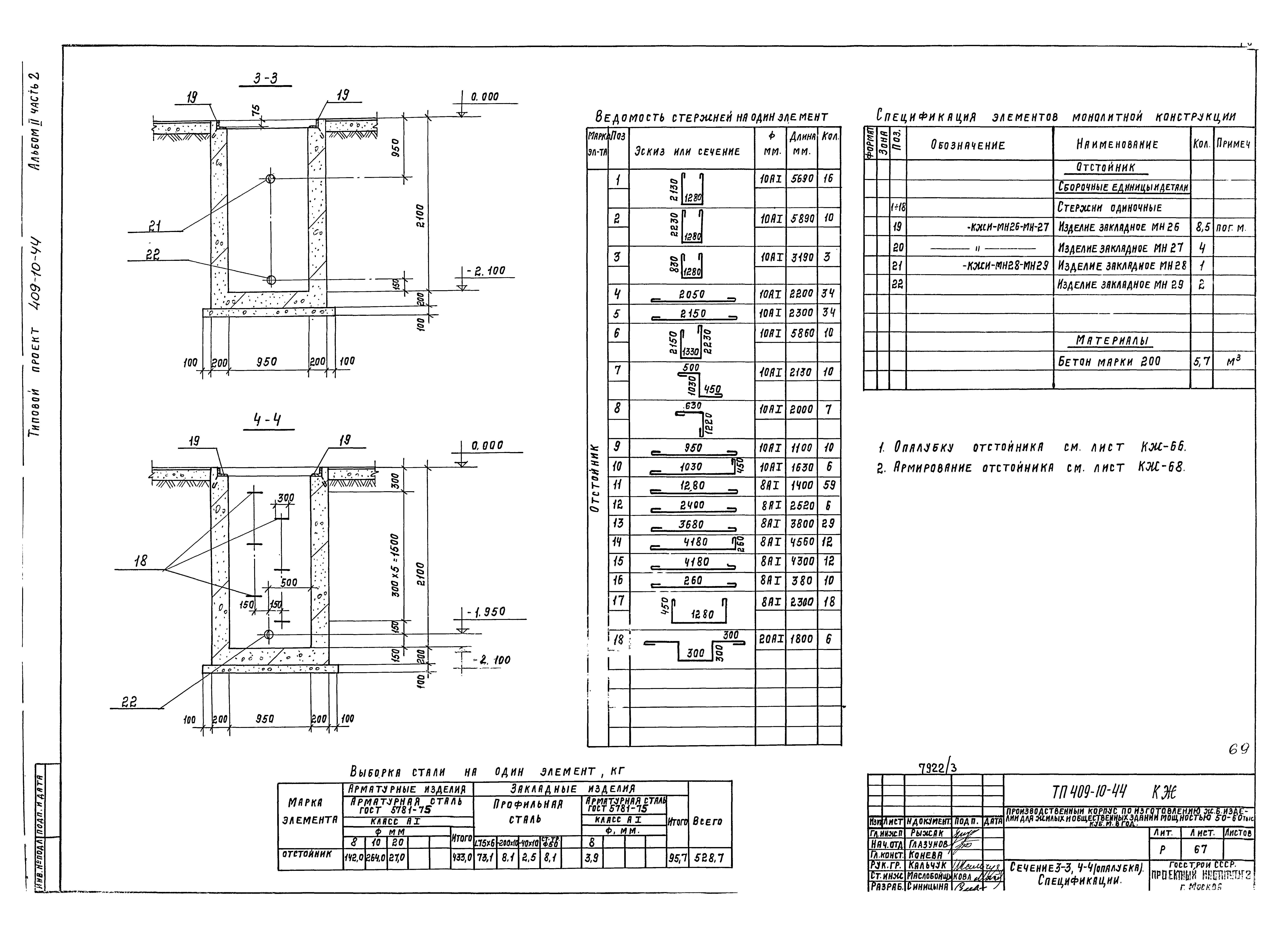
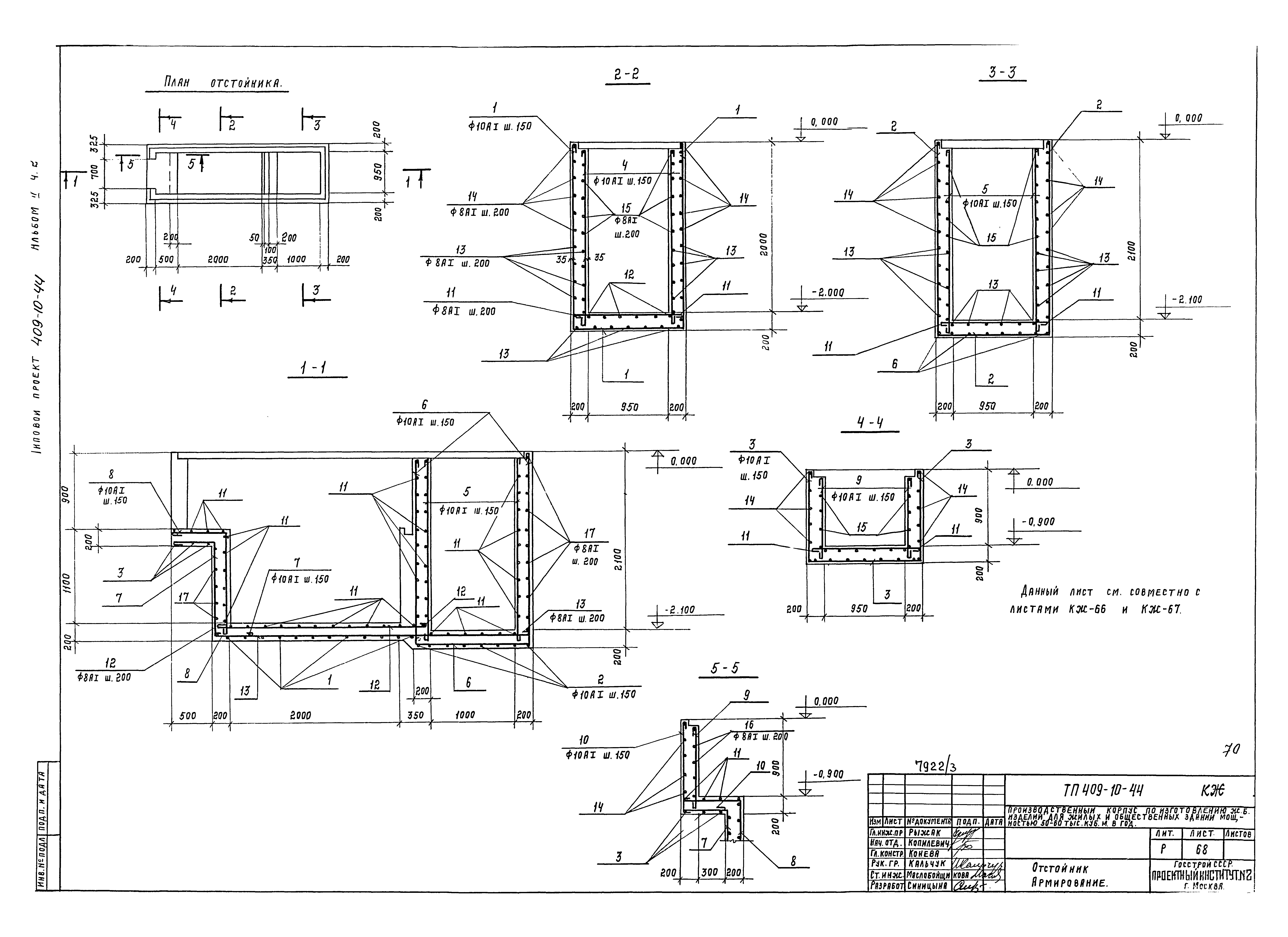
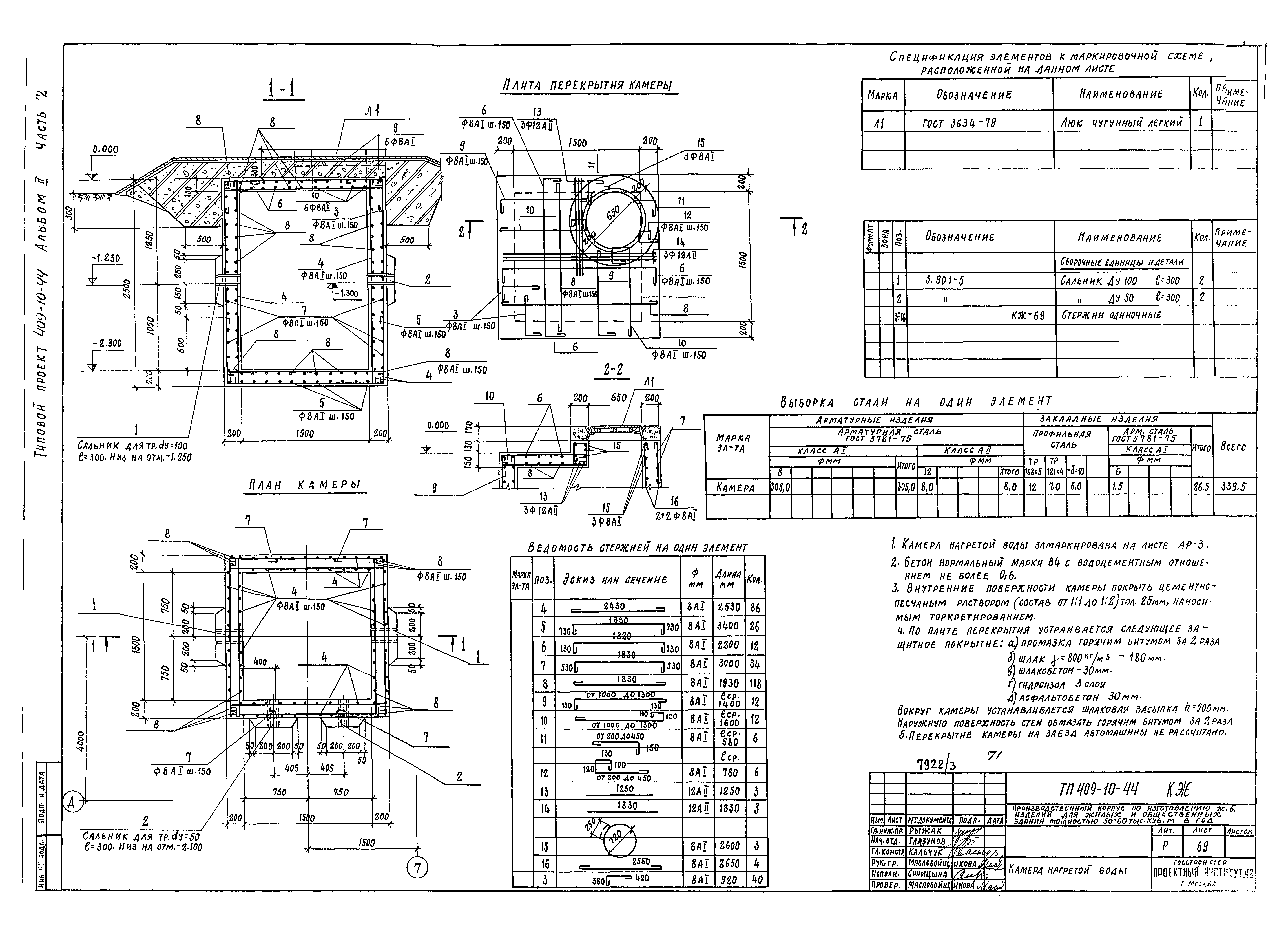
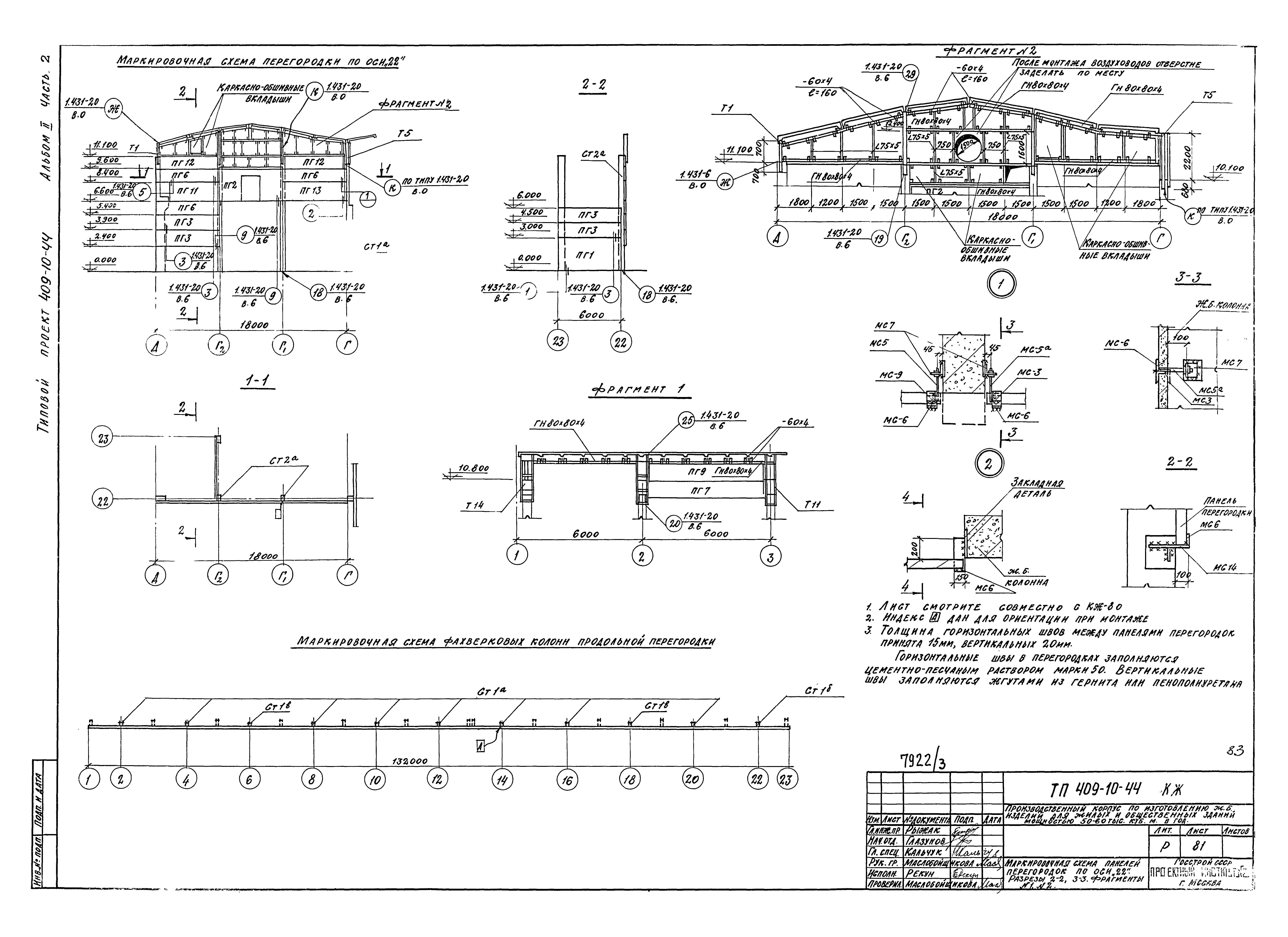
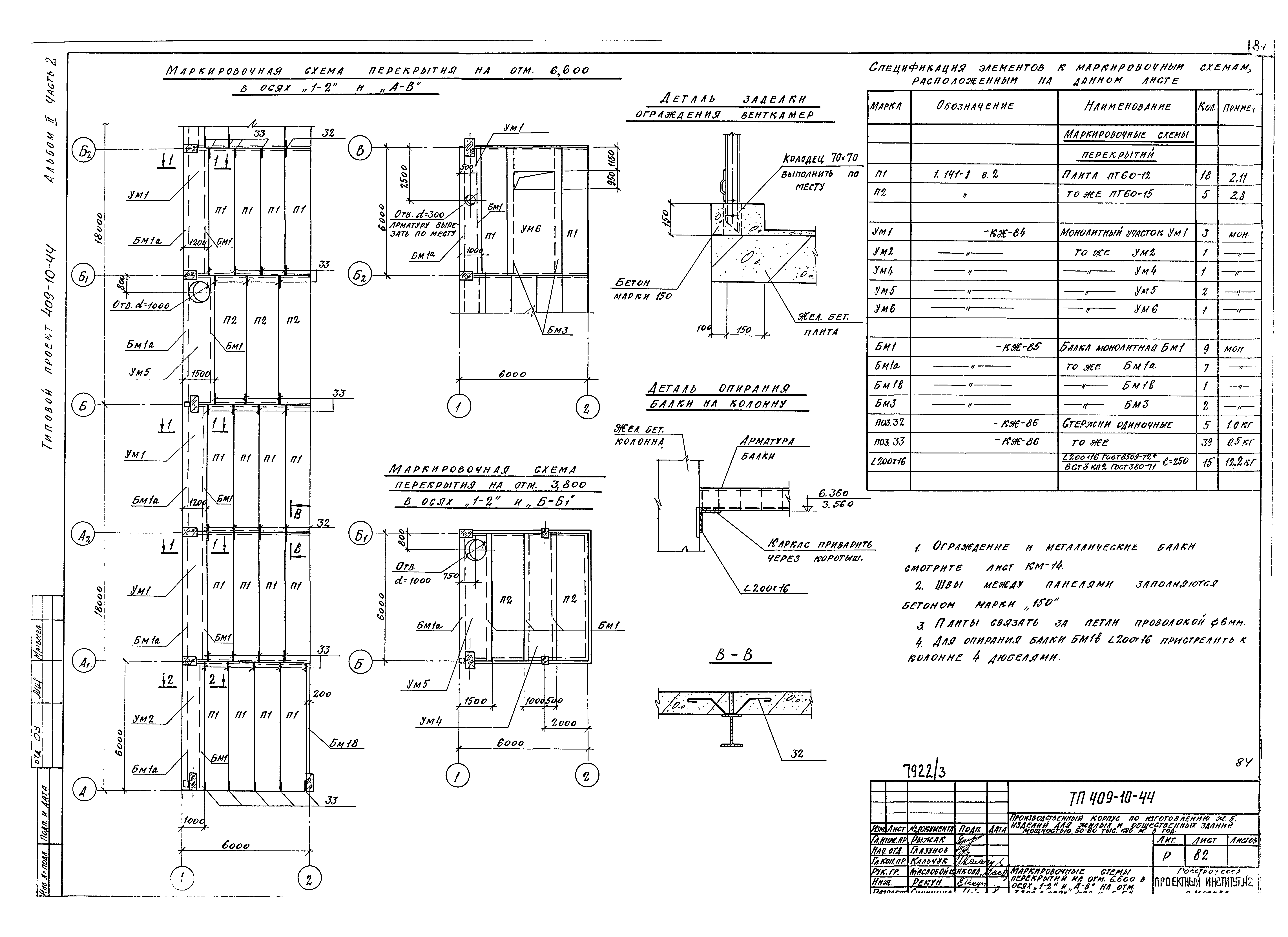
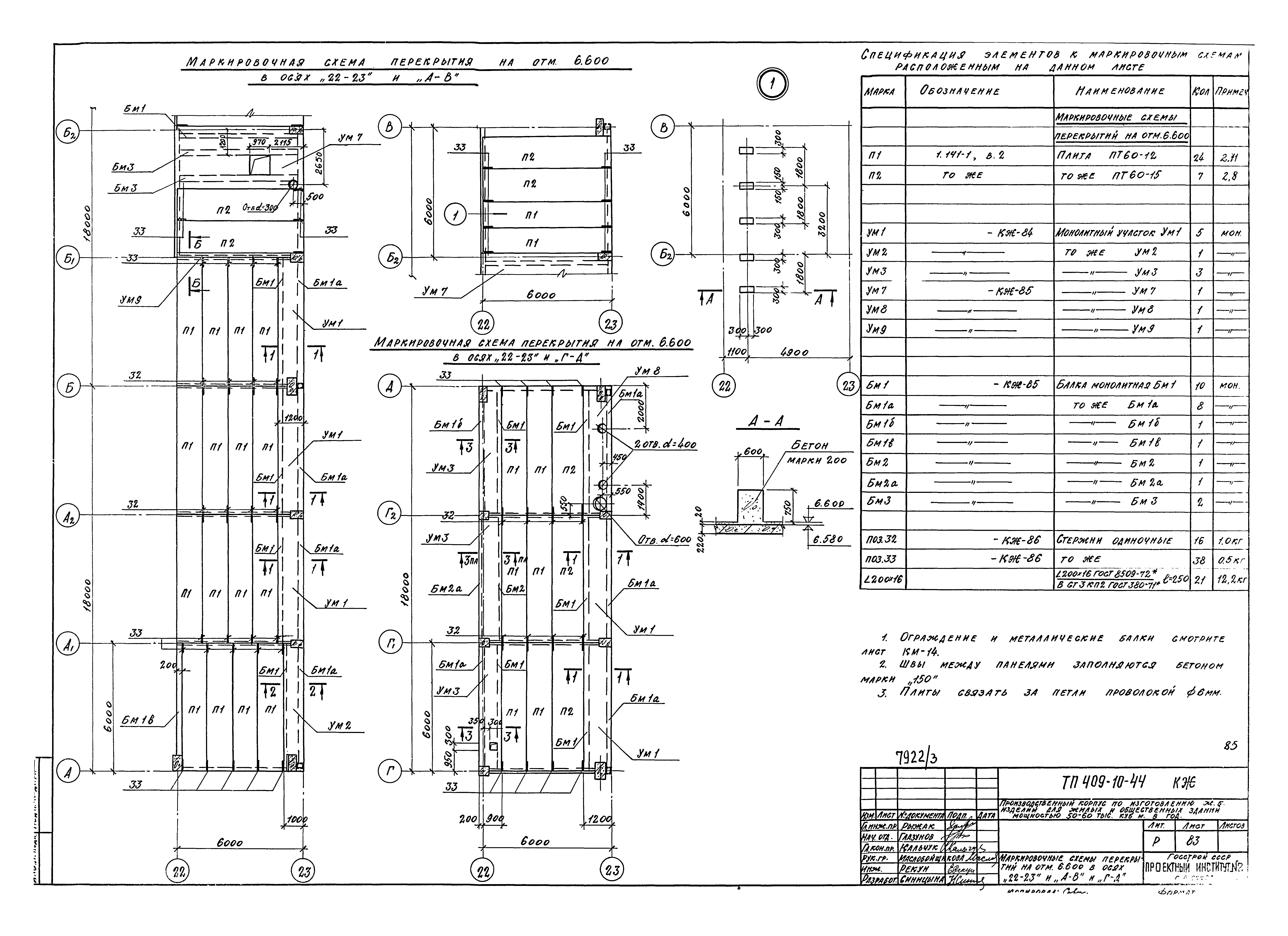
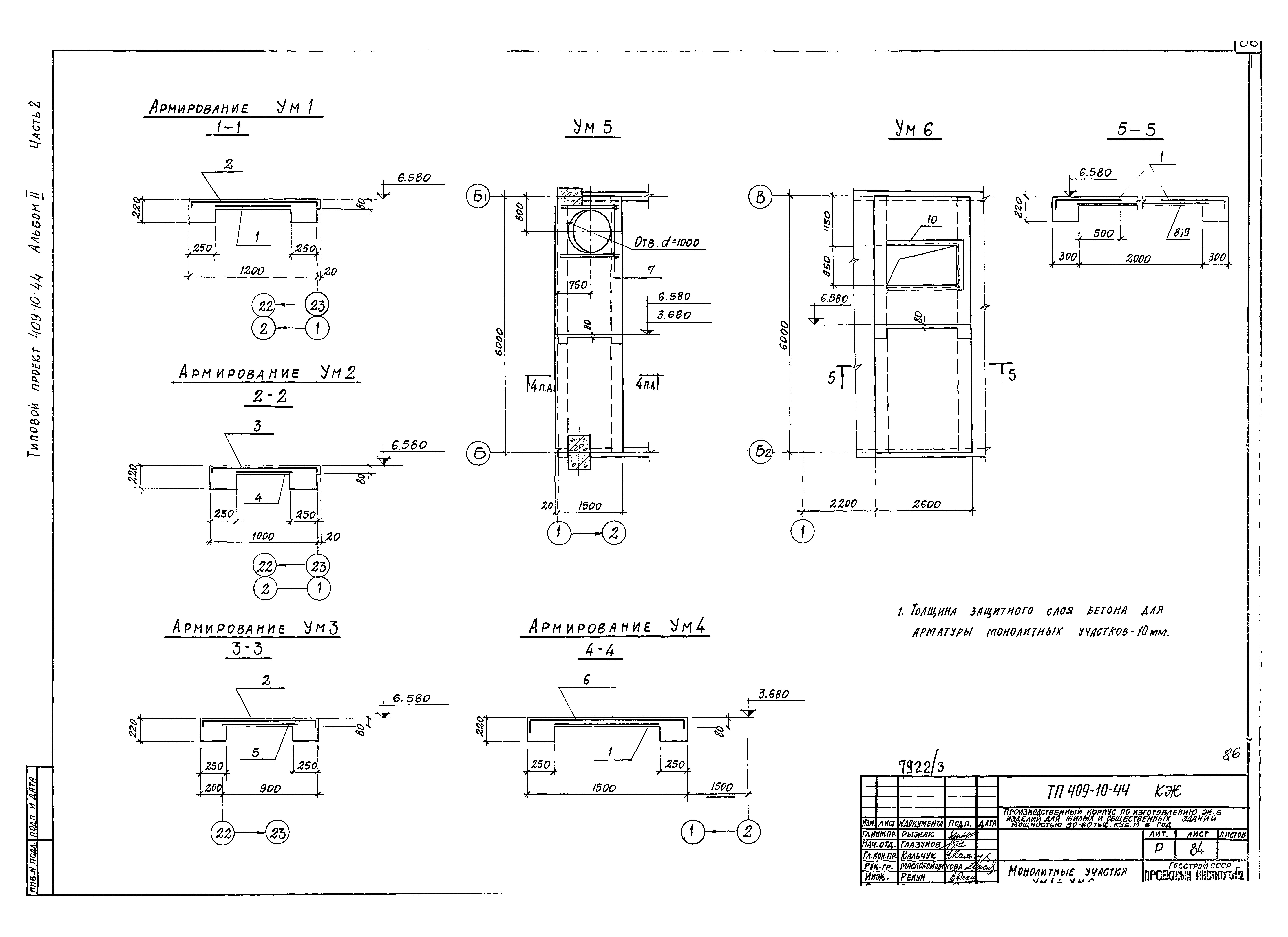
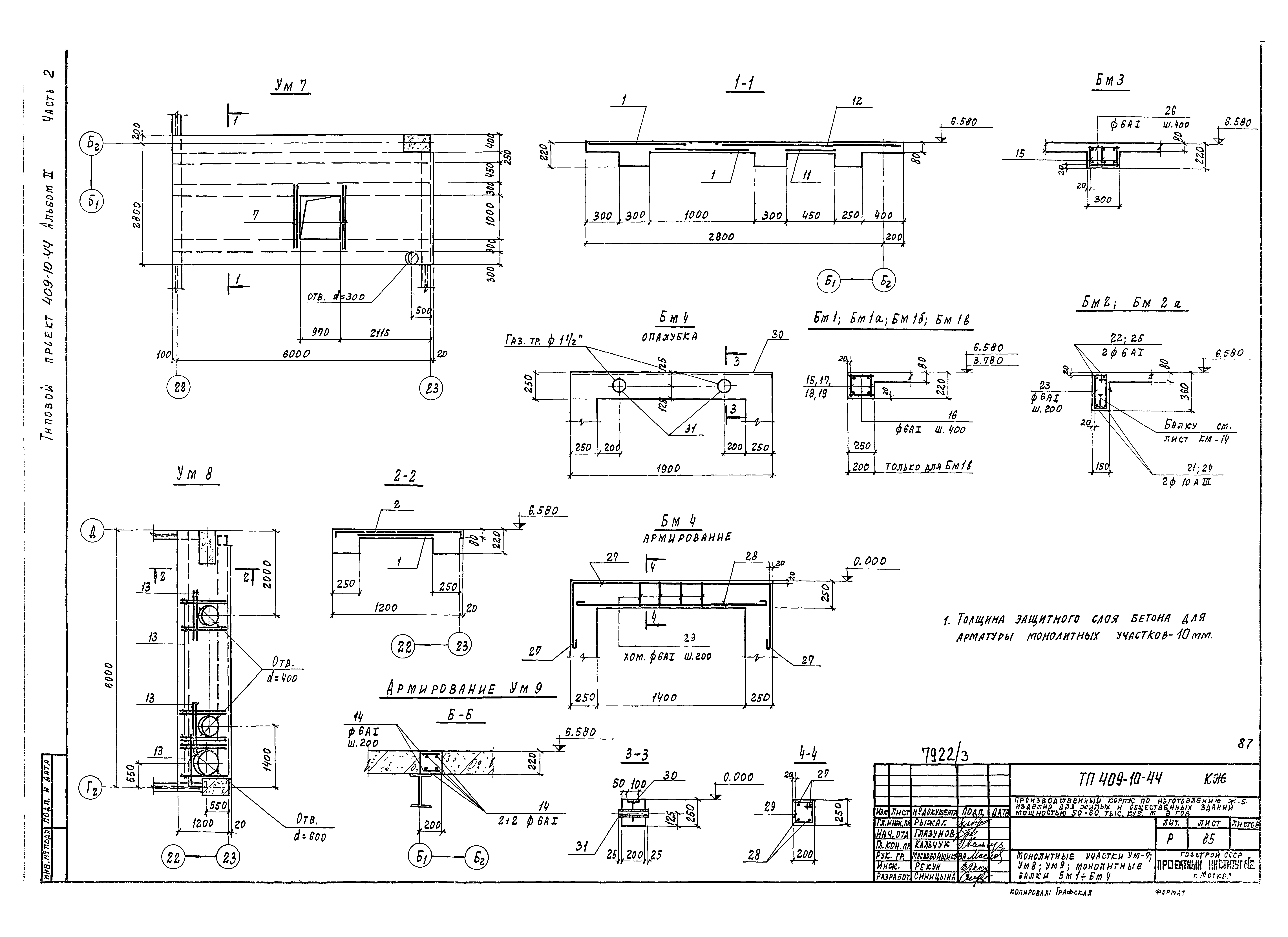
Скачать Типовой проект 409-10-44 Альбом II. Часть 2. Конструкции железобетонныеДата актуализации: 01.01.2021 Типовой проект 409-10-44
Альбом II. Часть 2. Конструкции железобетонные| Обозначение: | Типовой проект 409-10-44 | | Обозначение англ: | 409-10-44 | | Статус: | отменен | | Название рус.: | Альбом II. Часть 2. Конструкции железобетонные | | Дата добавления в базу: | 01.01.2019 | | Дата актуализации: | 01.01.2021 | | Дата введения: | 18.03.1981 | | Дата окончания срока действия: | 01.01.1986 | | Разработан: | Гипростроммаш
| | Утверждён: | 08.08.1980 Госгражданстрой (Gosgrazhdanstroy 215)
| | Издан: | ЦИТП Госстроя СССР (CITP, Gosstroy (USSR) 1982 г. )
|
                                                                                        
|