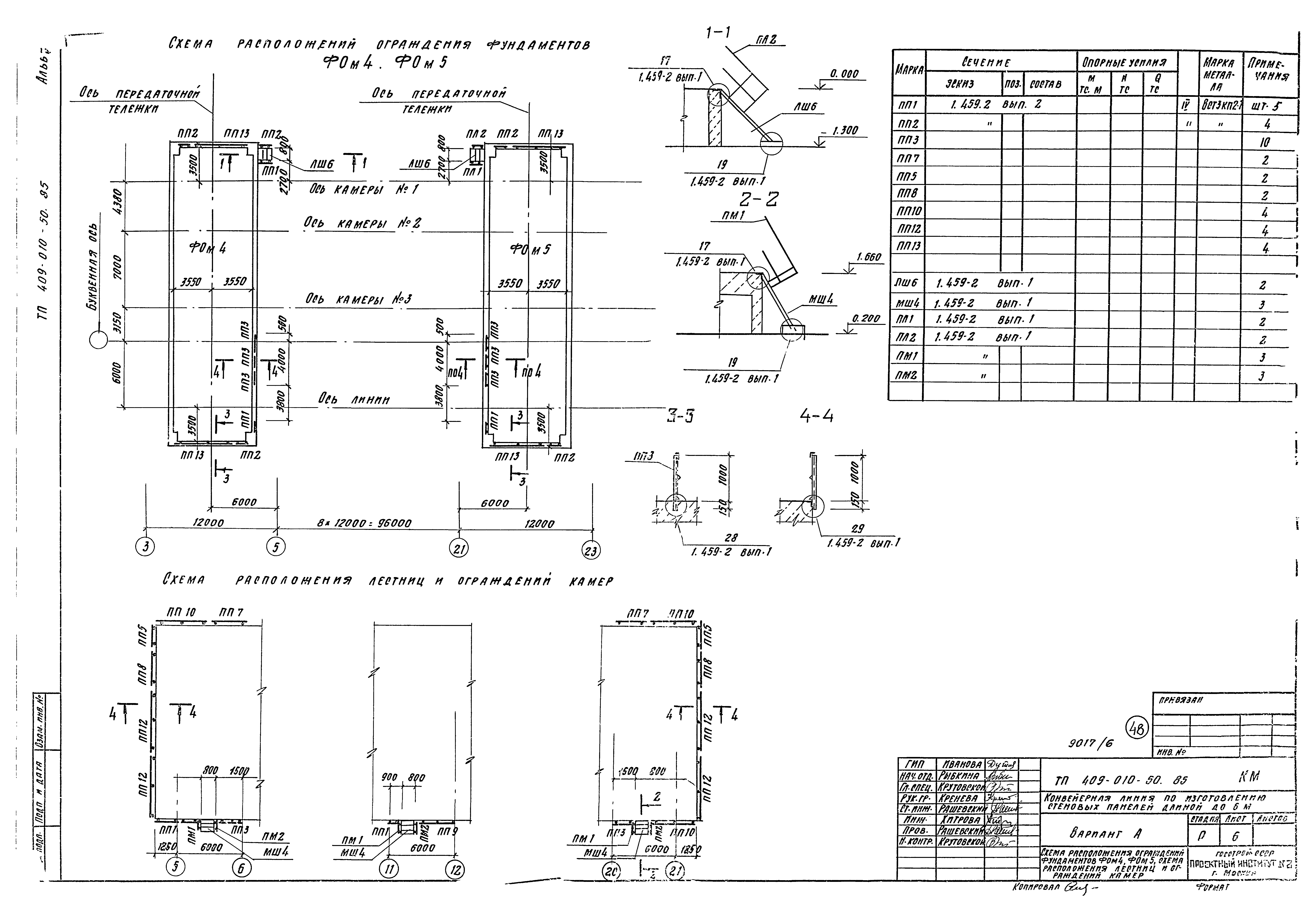
Скачать Типовые проектные решения 409-010-50.85 Альбом V. Конструкции железобетонные. Конструкции металлические. Вариант АДата актуализации: 01.01.2021 Типовые проектные решения 409-010-50.85
Альбом V. Конструкции железобетонные. Конструкции металлические. Вариант А| Обозначение: | Типовые проектные решения 409-010-50.85 | | Обозначение англ: | 409-010-50.85 | | Статус: | действует | | Название рус.: | Альбом V. Конструкции железобетонные. Конструкции металлические. Вариант А | | Дата добавления в базу: | 01.01.2019 | | Дата актуализации: | 01.01.2021 | | Дата введения: | 03.07.1984 | | Разработан: | Гипростроммаш
| | Утверждён: | 13.08.1981 Госстрой СССР (65)
| | Издан: | ЦИТП Госстроя СССР (CITP, Gosstroy (USSR) 1985 г. )
|
                                                
|