Скачать Рекомендации по применению синтетических полимерных флокулянтов на углеобогатительных фабриках

Дата актуализации: 01.01.2021

Рекомендации по применению синтетических полимерных флокулянтов на углеобогатительных фабриках

Статус:справочные материалы, мп, тпр
Название рус.:Рекомендации по применению синтетических полимерных флокулянтов на углеобогатительных фабриках
Дата добавления в базу:01.01.2019
Дата актуализации:01.01.2021
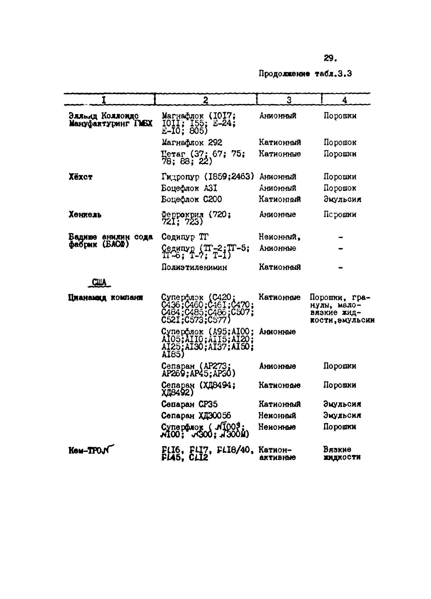
Область применения:В документе излагается в краткой форме теория действия полимерных флокулянтов при осветлении и обезвоживании угольных и глинисто-угольных водных суспензий. Приведены подробные физико-химические характеристики флокулянтов, выпускаемых в СССР и за рубежом; даны развернутые практические рекомендации по выбору флокулянтов для различных водно-шламовых процессов и технологии их использования. Изложены методические указания по лабораторным испытаниям флокулянтов. Рекомендации также содержат сведения относительно транспортирования и хранения флокулянтов, технике безопасности и экономике их использования на углеобогатительных фабриках. Материал предназначен для ИТР и обслуживающего персонала обогатительных фабрик
Оглавление:Введение
1. Строение, физические свойства и механизм действия флокулянтов
2. Водоугольные суспензии в качестве объекта флокуляции
3. Характеристики отечественных и зарубежных флокулянтов
4. Рекомендации по выбору и применению флокулянтов
   4.1. Выбор флокулянтов для различных водно-шламовых процессов
   4.2. Технология растворения флокулянтов
   4.3. Устройства и установки для растворения флокулянтов
   4.4. Дозирование и смешивание растворов флокулянтов с суспензией
   4.5. Лабораторные испытания флокулянтов
5. Технологические следствия применения флокулянтов на углеобогатительных фабриках
6. Транспортирование и хранение флокулянтов
7. Техника безопасности при работе с флокулянтами
8. Экономика применения флокулянтов
Литература
Разработан: ИОТТ
Утверждён: Министерство угольной промышленности СССР (USSR Ministry of the Coal Industry )