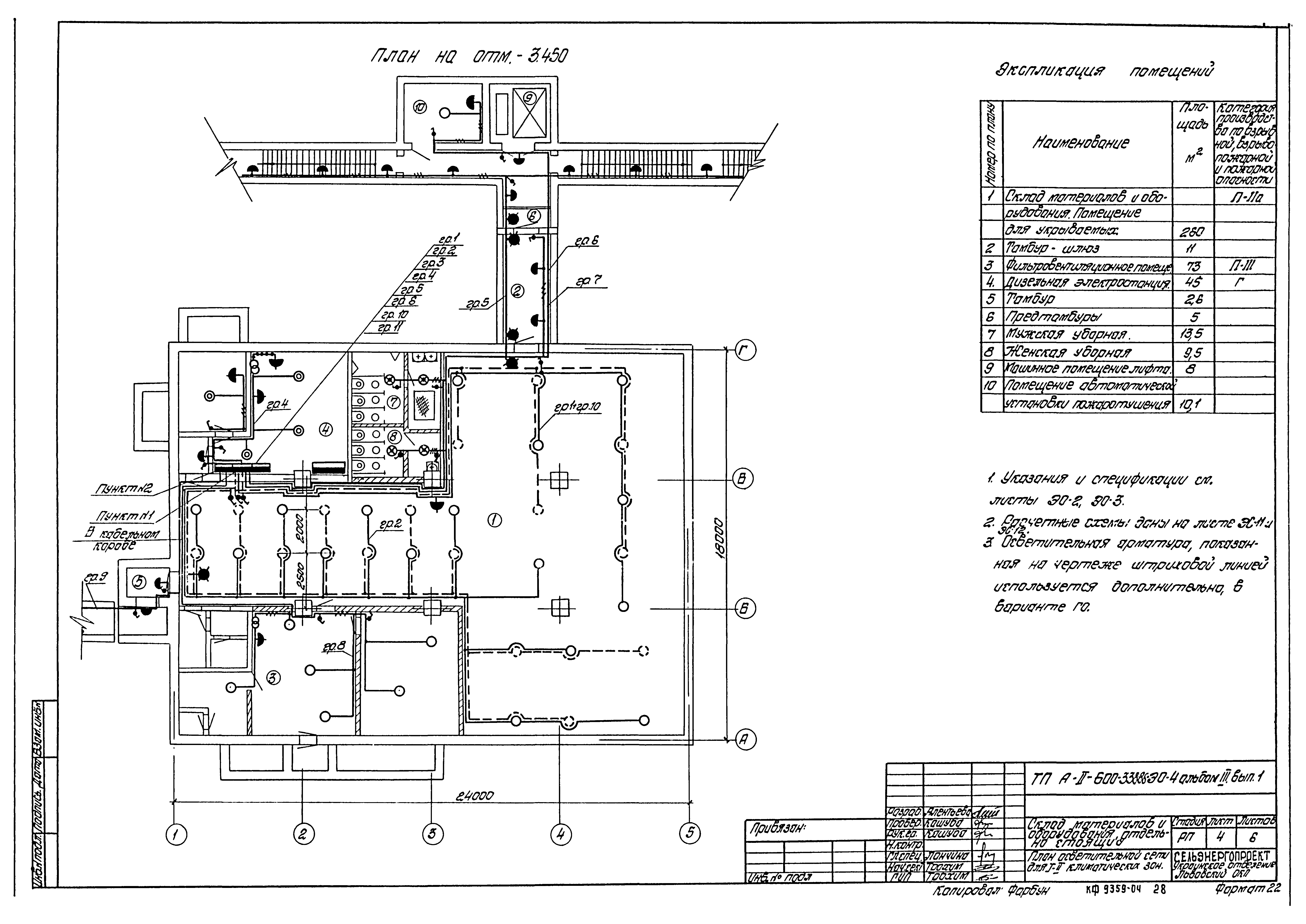
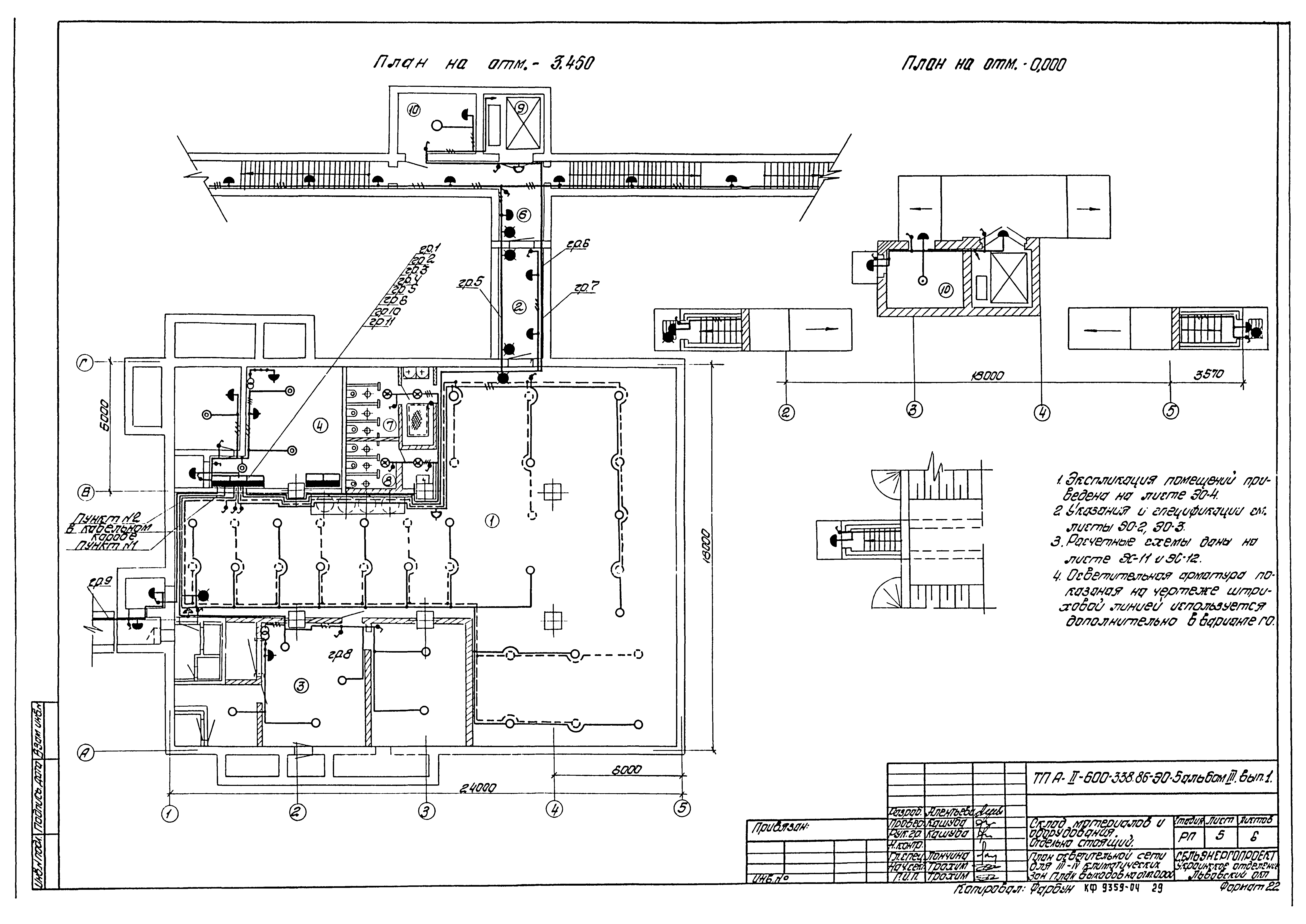
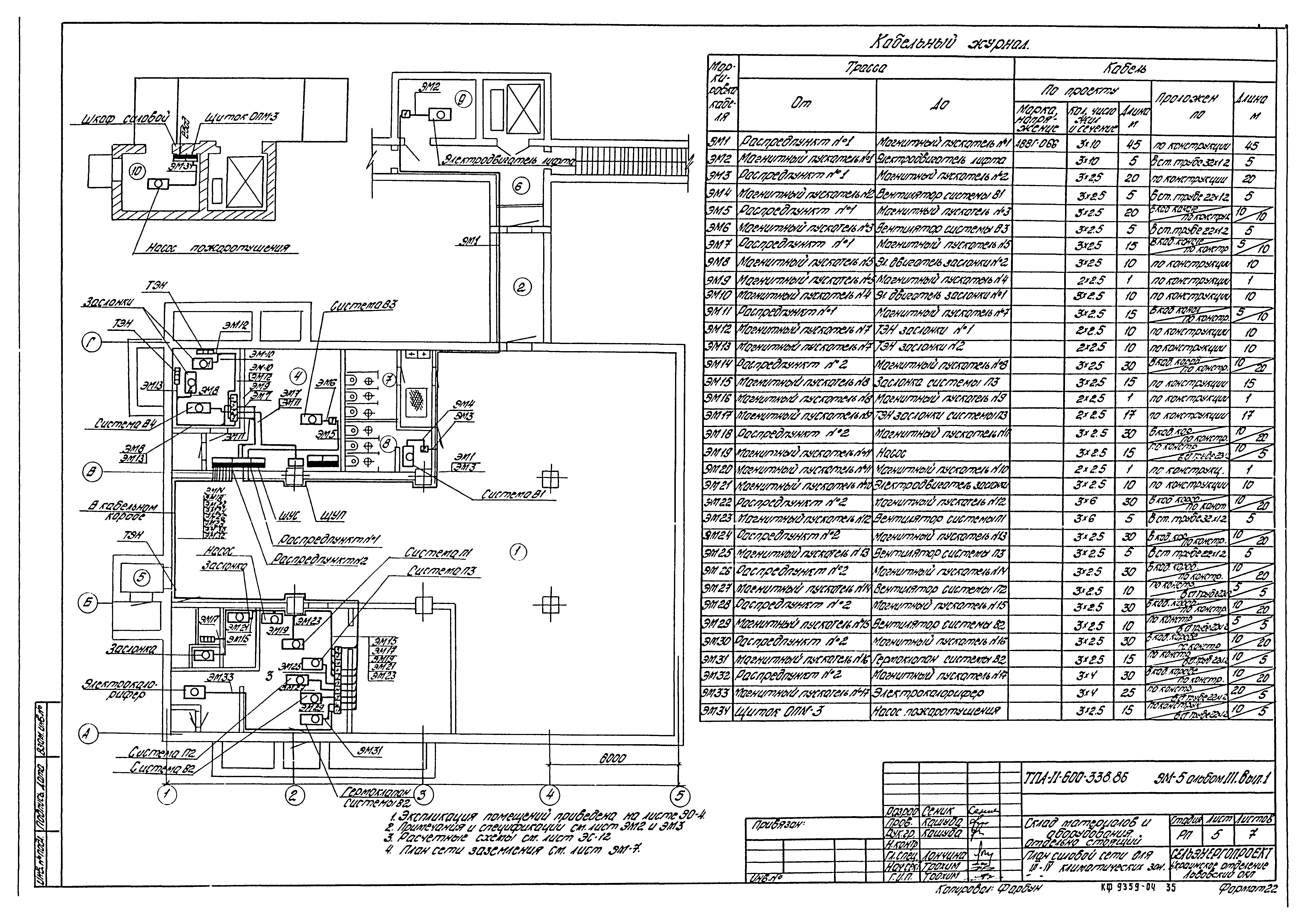
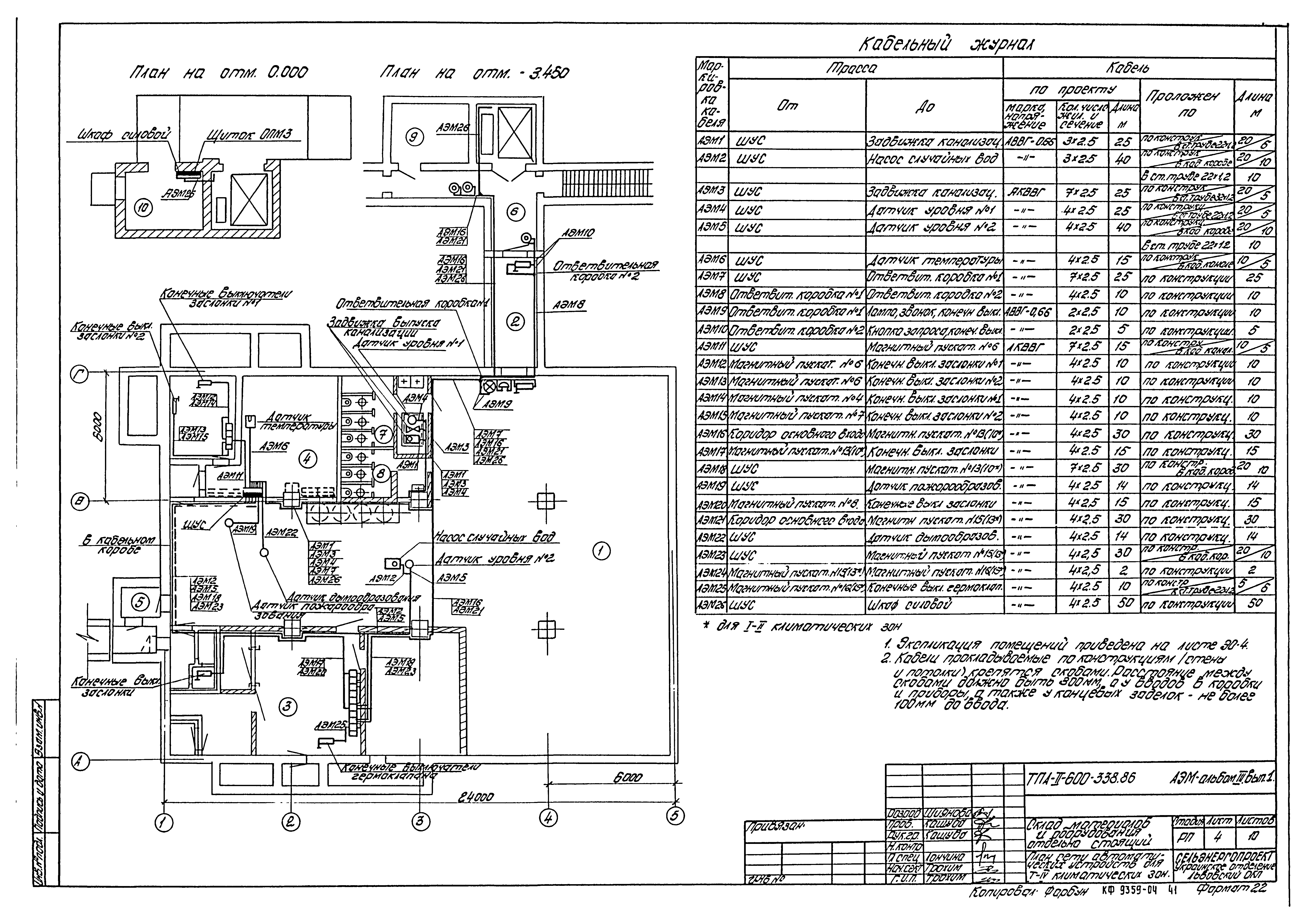
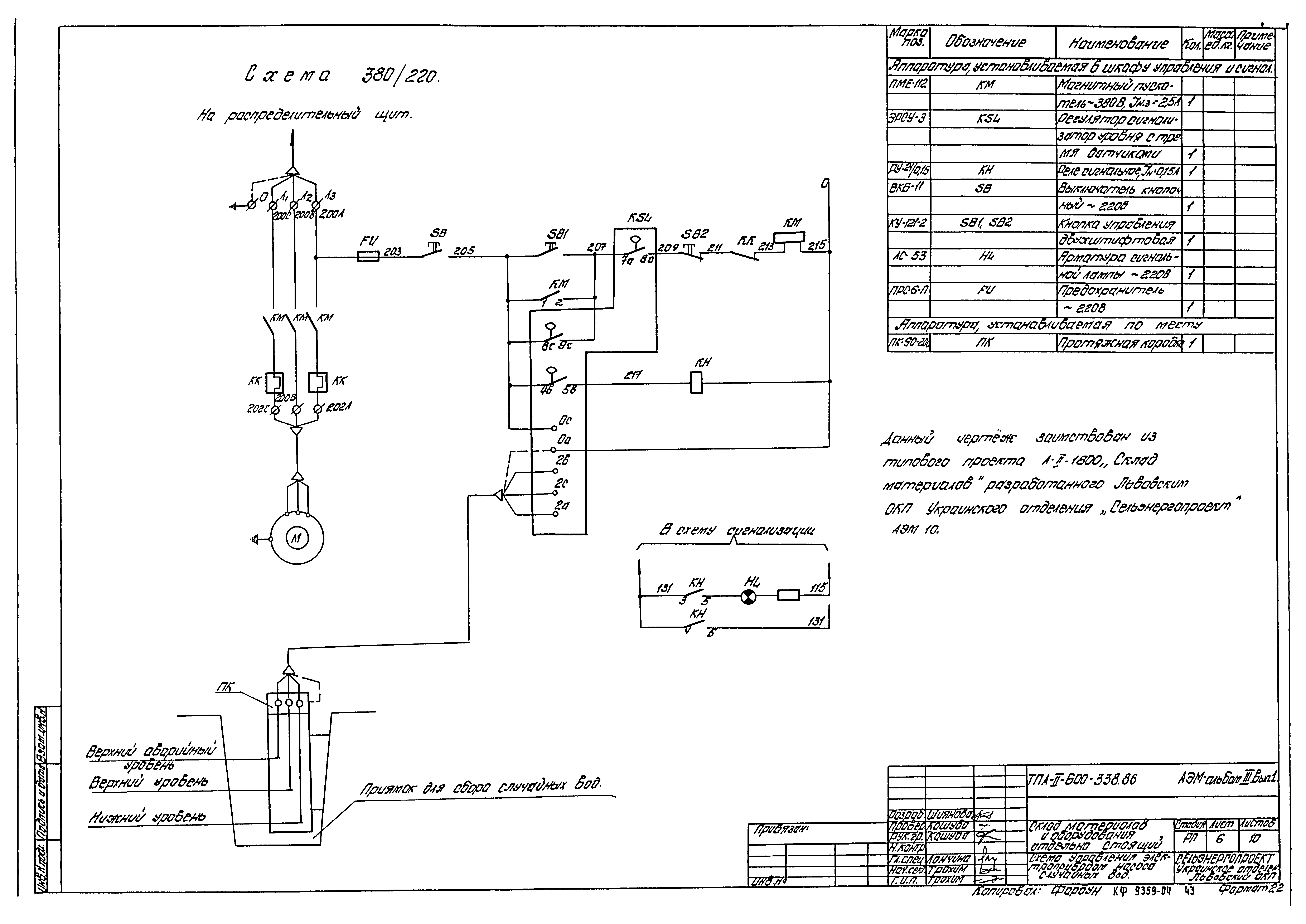
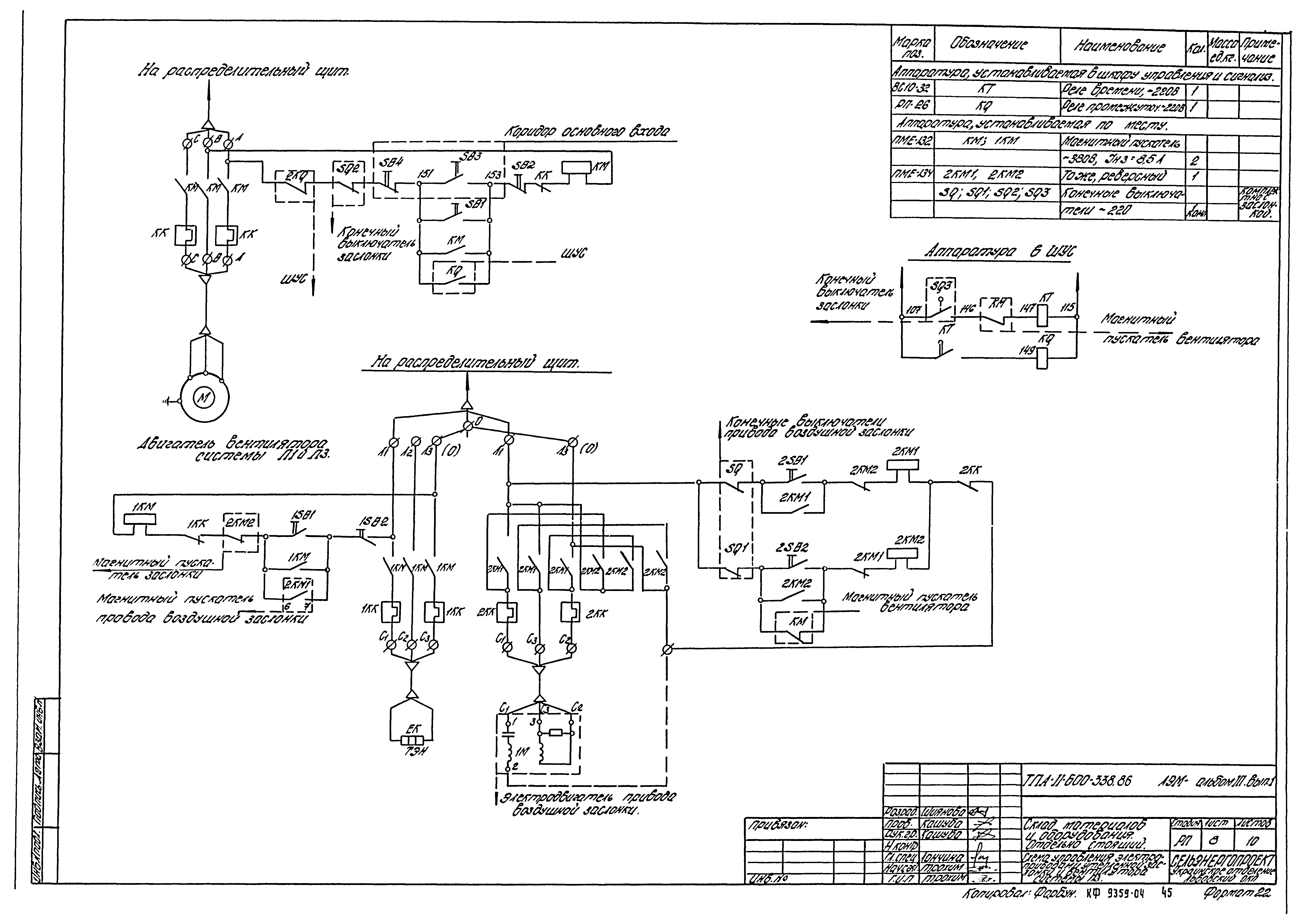
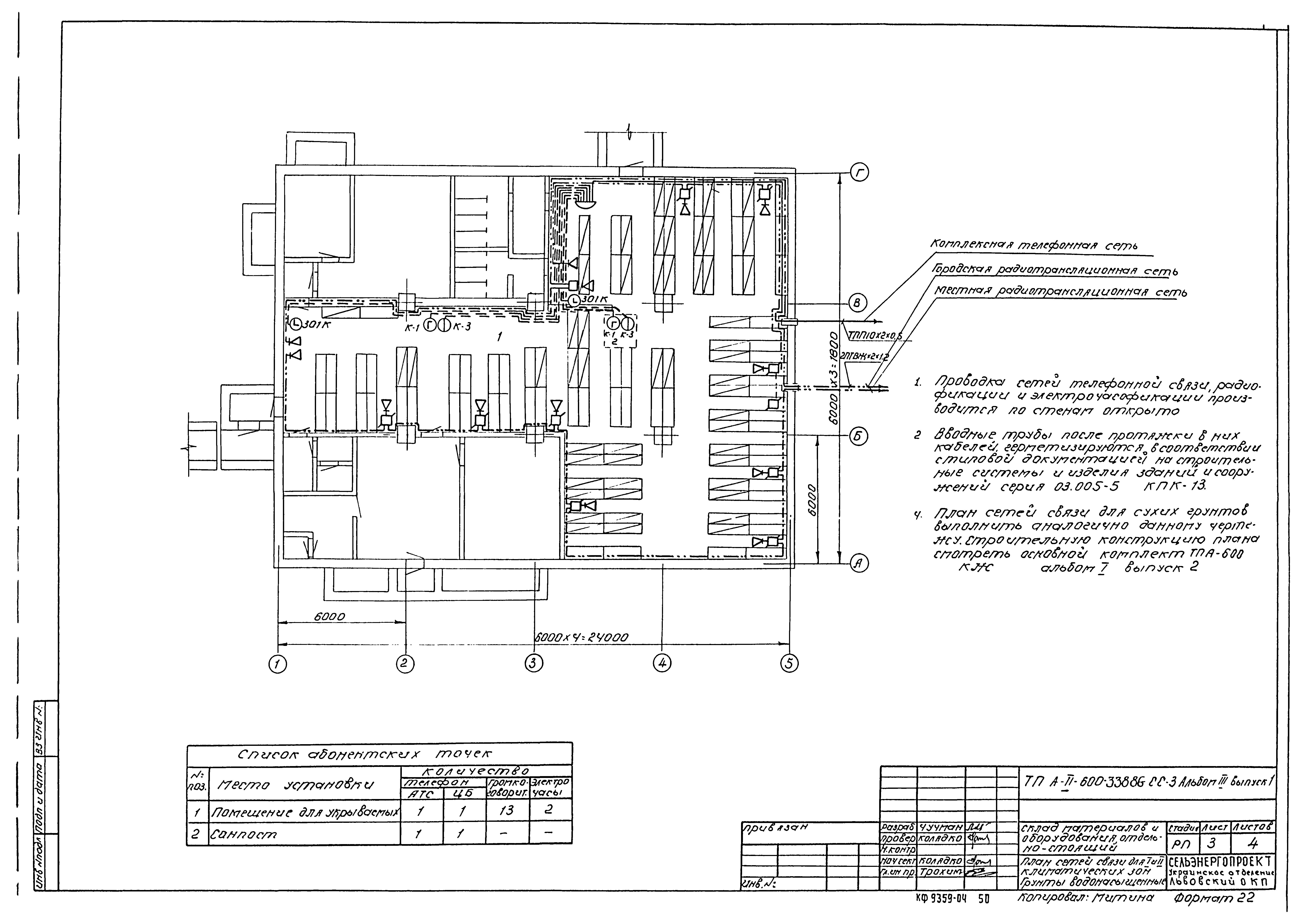
Скачать Типовой проект А-II-600-338.86 Альбом III. Выпуск 1. Электротехнические чертежи. Чертежи связи и сигнализации. Компоновка оборудования, схемы и спецификацииДата актуализации: 01.01.2021 Типовой проект А-II-600-338.86
Альбом III. Выпуск 1. Электротехнические чертежи. Чертежи связи и сигнализации. Компоновка оборудования, схемы и спецификации| Обозначение: | Типовой проект А-II-600-338.86 | | Обозначение англ: | А-II-600-338.86 | | Статус: | действует | | Название рус.: | Альбом III. Выпуск 1. Электротехнические чертежи. Чертежи связи и сигнализации. Компоновка оборудования, схемы и спецификации | | Дата добавления в базу: | 01.01.2019 | | Дата актуализации: | 01.01.2021 | | Дата введения: | 01.07.1985 | | Разработан: | Киевский Промстройпроект
| | Утверждён: | 19.04.1985 Госстрой СССР (А4-8)
| | Издан: | ЦИТП Госстроя СССР (CITP, Gosstroy (USSR) 1987 г. )
|
                                                  
|