Скачать Типовой проект 704-1-131 Альбом II. СметыДата актуализации: 01.01.2021
|
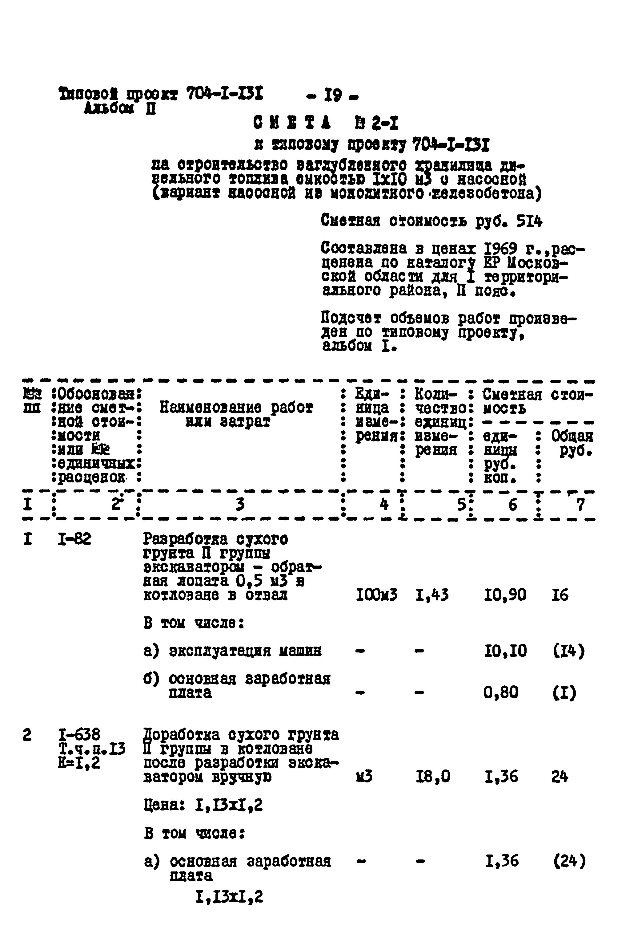
| Обозначение: | Типовой проект 704-1-131 |
| Обозначение англ: | 704-1-131 |
| Статус: | действует |
| Название рус.: | Альбом II. Сметы |
| Дата добавления в базу: | 01.01.2019 |
| Дата актуализации: | 01.01.2021 |
| Дата введения: | 26.10.1977 |
| Разработан: | ГСПИ Министерства связи СССР |
| Утверждён: | 07.12.1976 Министерство связи СССР |
| Заменяет собой: |
|


























































