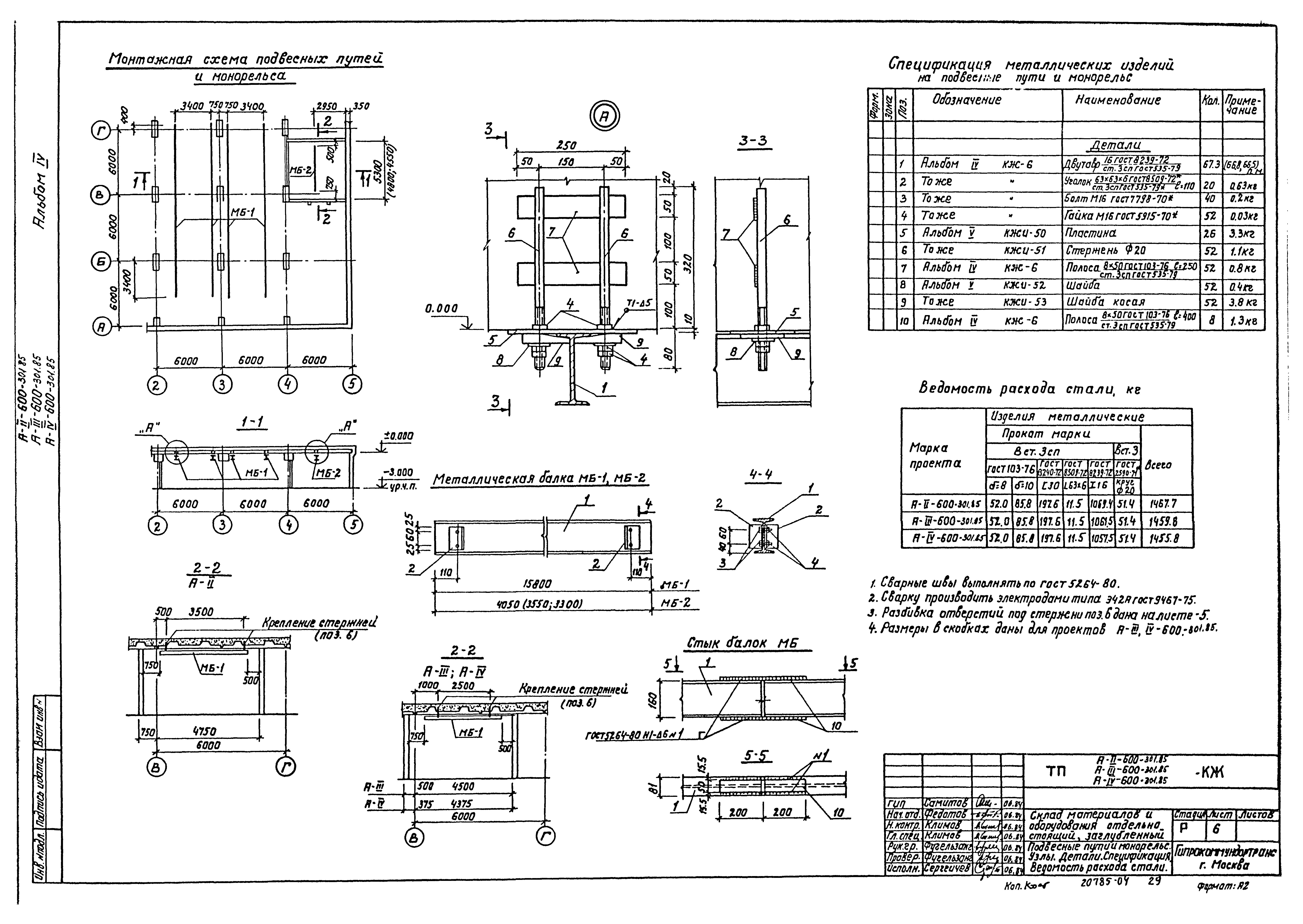
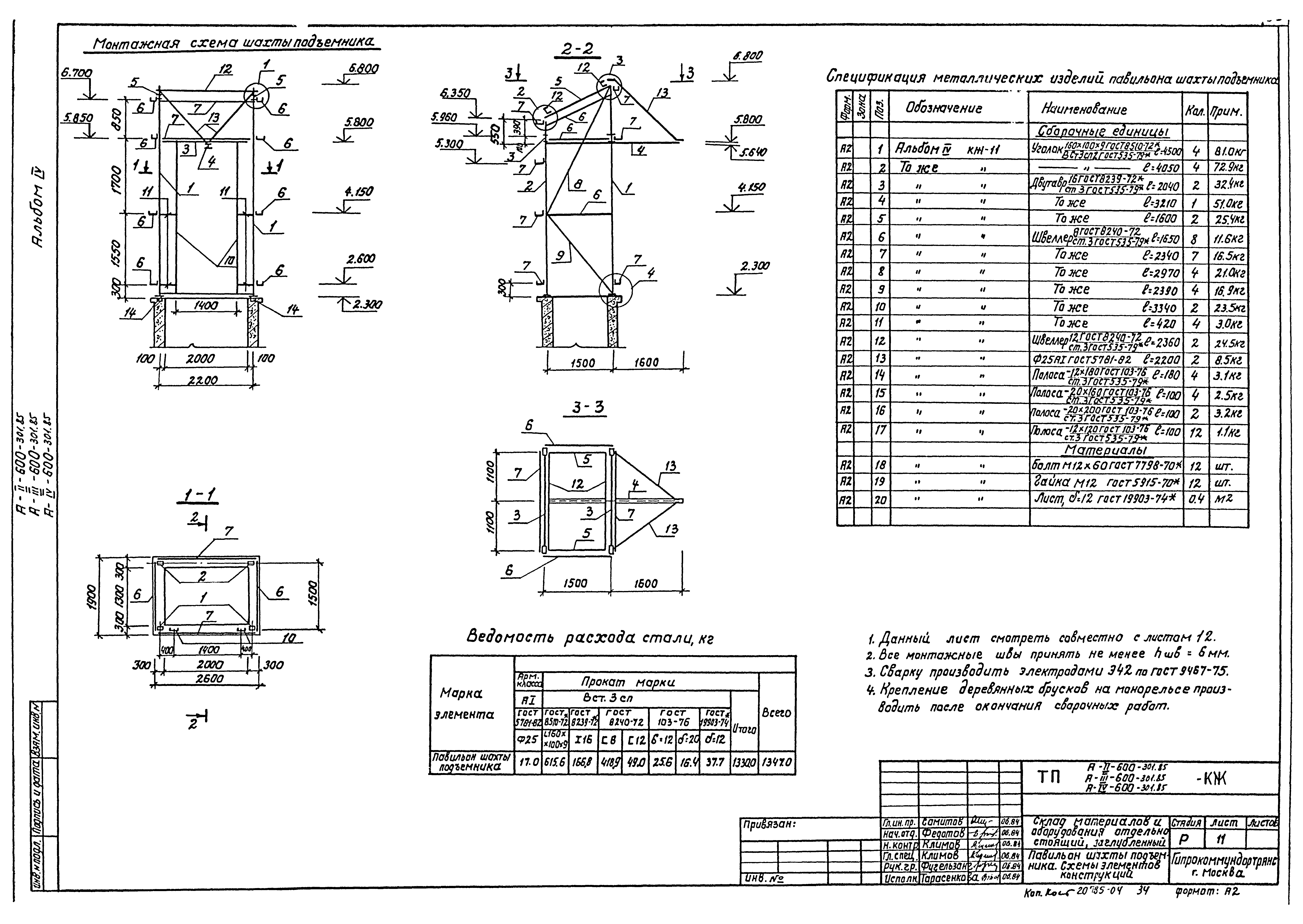
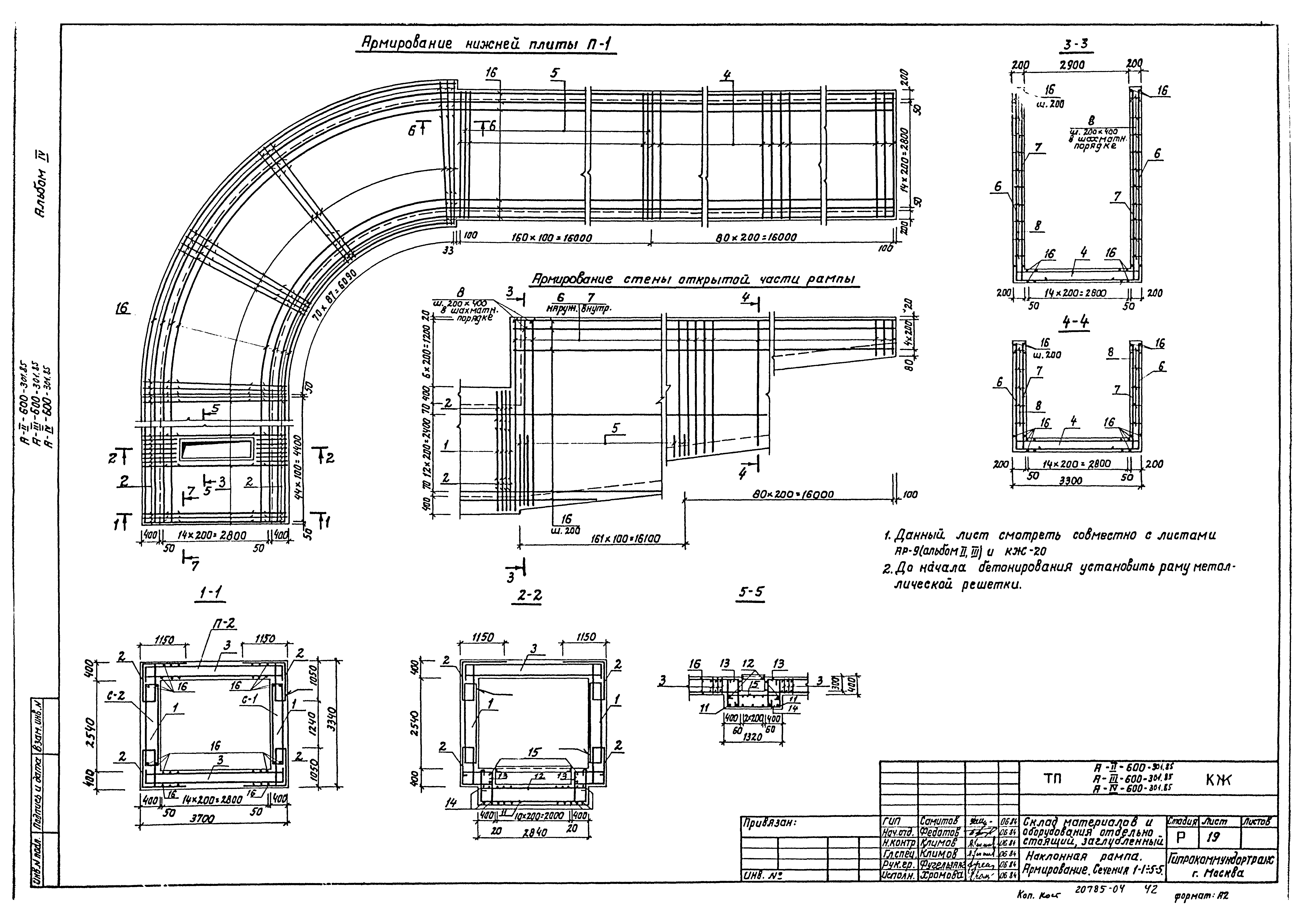
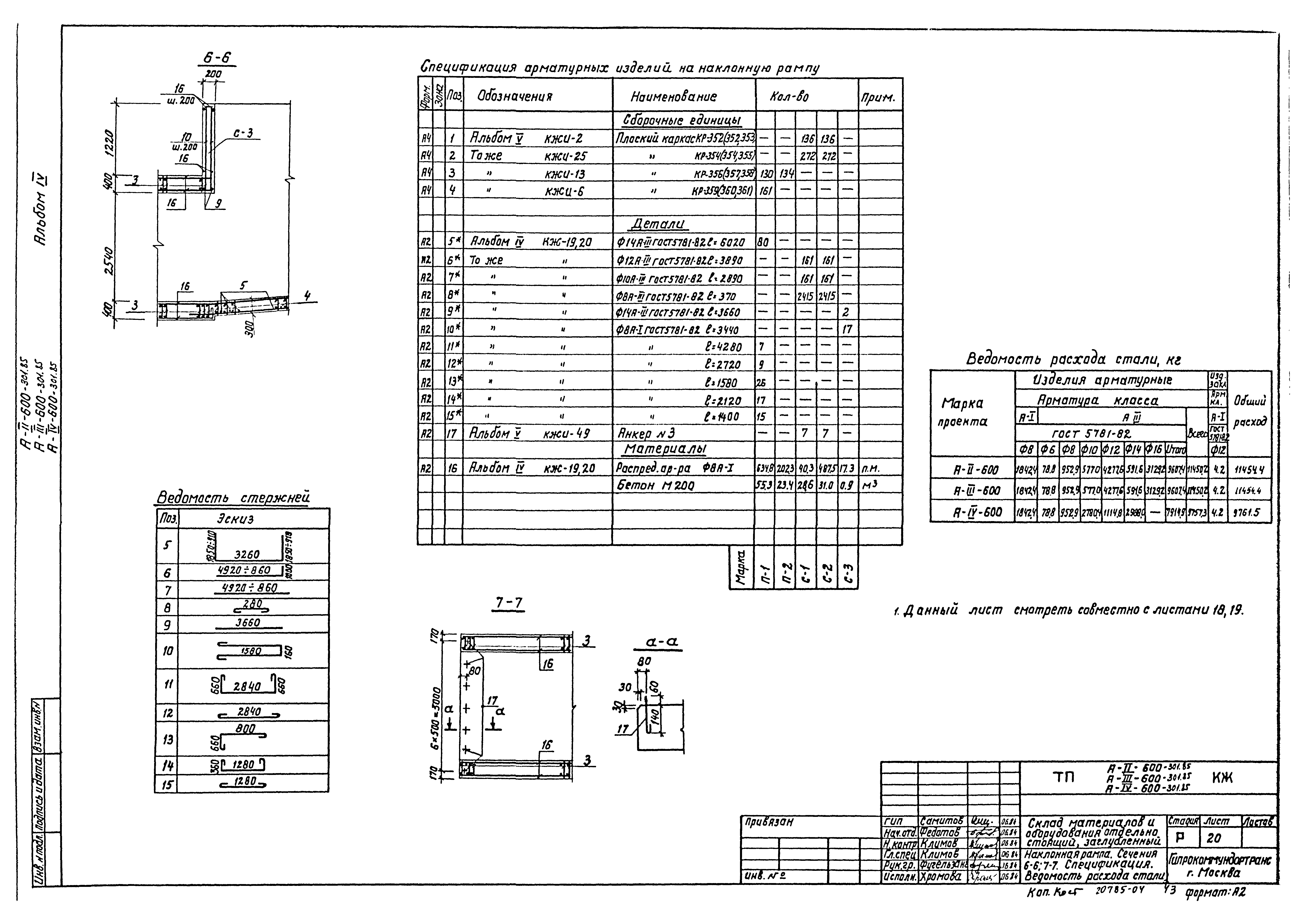
Скачать Типовой проект А-II,III,IV-600-301.85 Альбом IV. Архитектурно-строительные решения (общие чертежи). Конструкции железобетонные (общие чертежи). Организация строительства. Спецификация оборудованияДата актуализации: 01.01.2021 Типовой проект А-II,III,IV-600-301.85
Альбом IV. Архитектурно-строительные решения (общие чертежи). Конструкции железобетонные (общие чертежи). Организация строительства. Спецификация оборудования| Обозначение: | Типовой проект А-II,III,IV-600-301.85 | | Обозначение англ: | А-II,III,IV-600-301.85 | | Статус: | действует | | Название рус.: | Альбом IV. Архитектурно-строительные решения (общие чертежи). Конструкции железобетонные (общие чертежи). Организация строительства. Спецификация оборудования | | Дата добавления в базу: | 01.01.2019 | | Дата актуализации: | 01.01.2021 | | Дата введения: | 30.04.1985 | | Разработан: | Гипрокоммундортранс
| | Утверждён: | 19.04.1985 Госстрой СССР (А4-7)
| | Издан: | ЦИТП Госстроя СССР (CITP, Gosstroy (USSR) 1986 г. )
| | Нормативные ссылки: | |
                                              
|