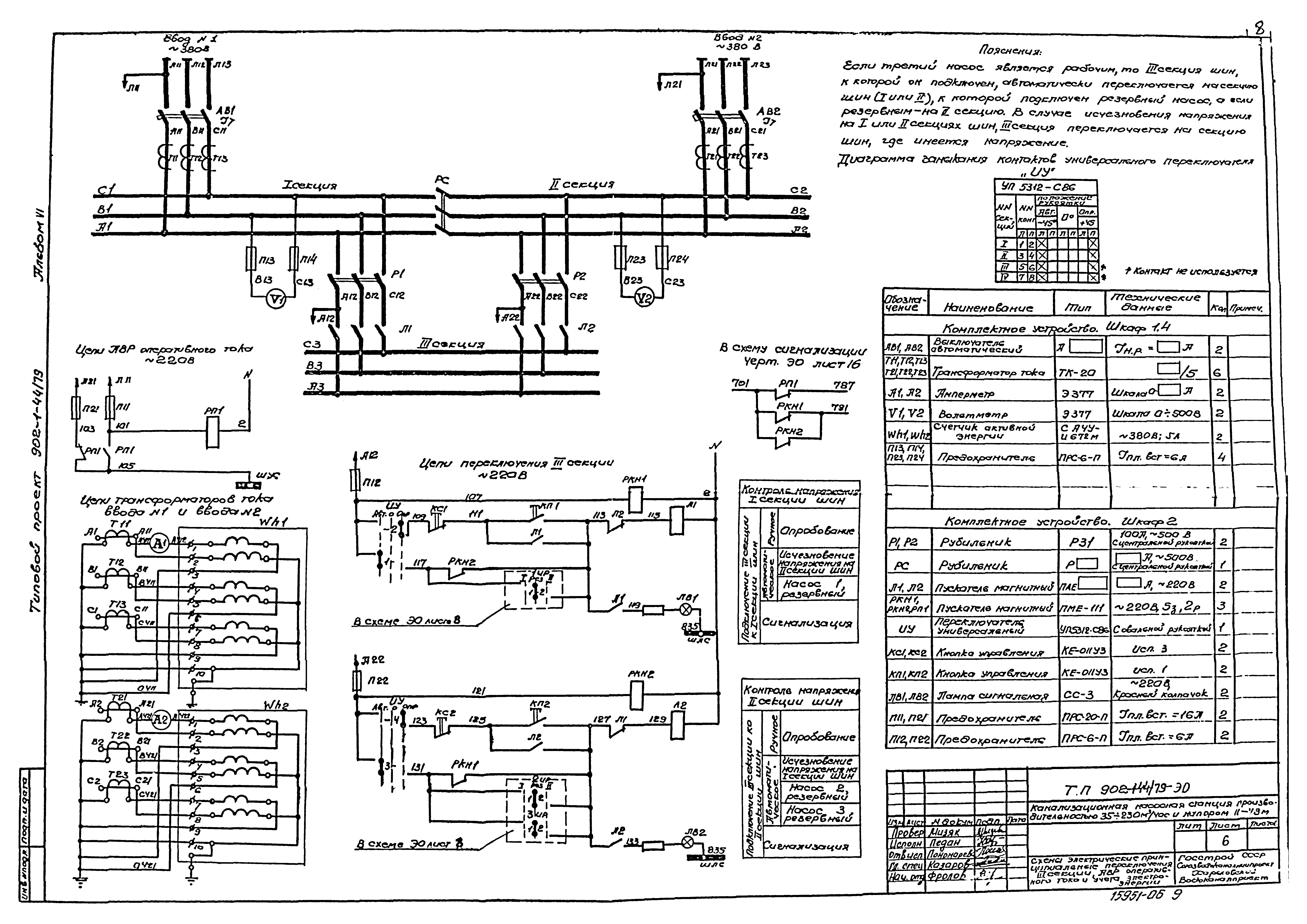
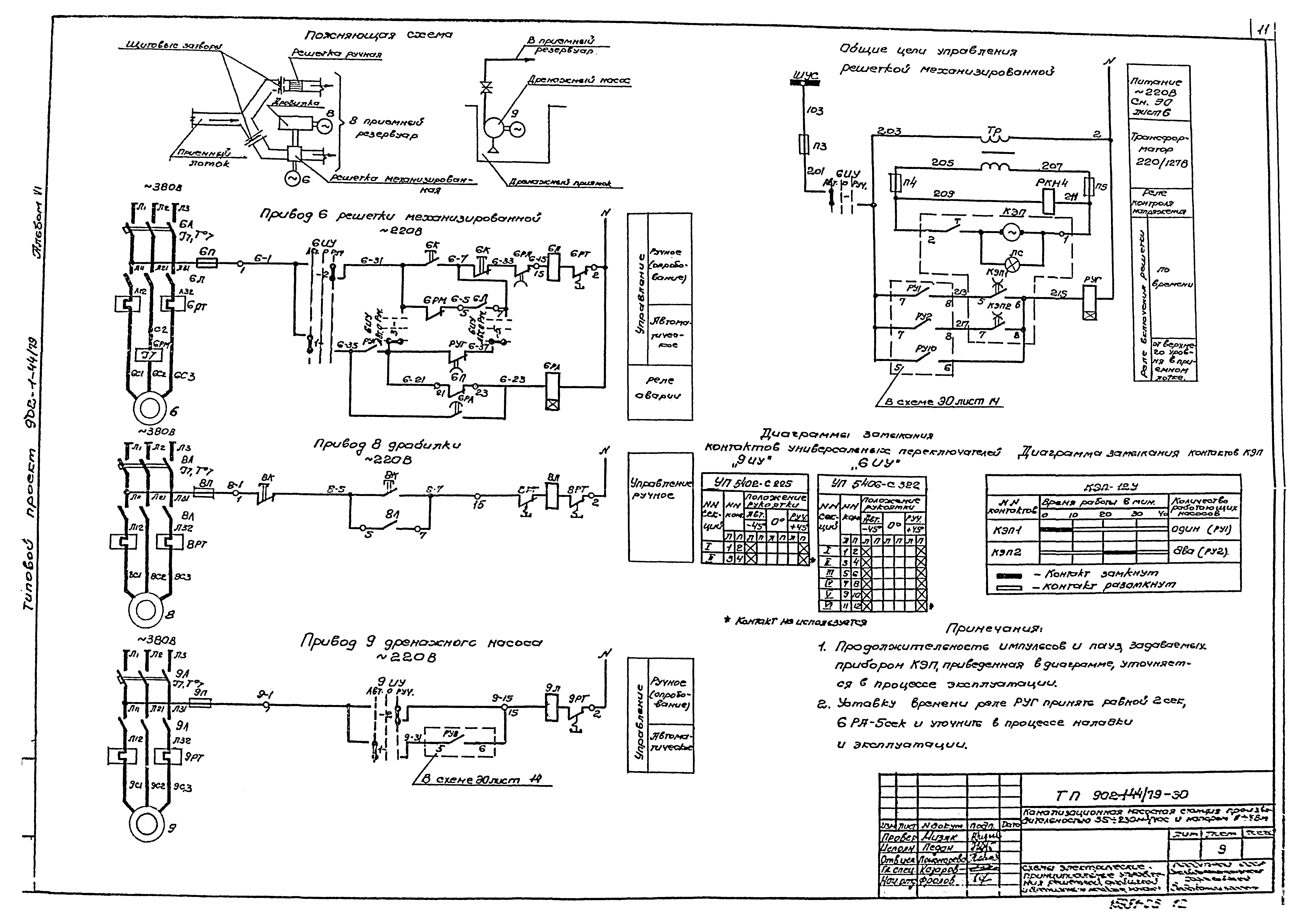
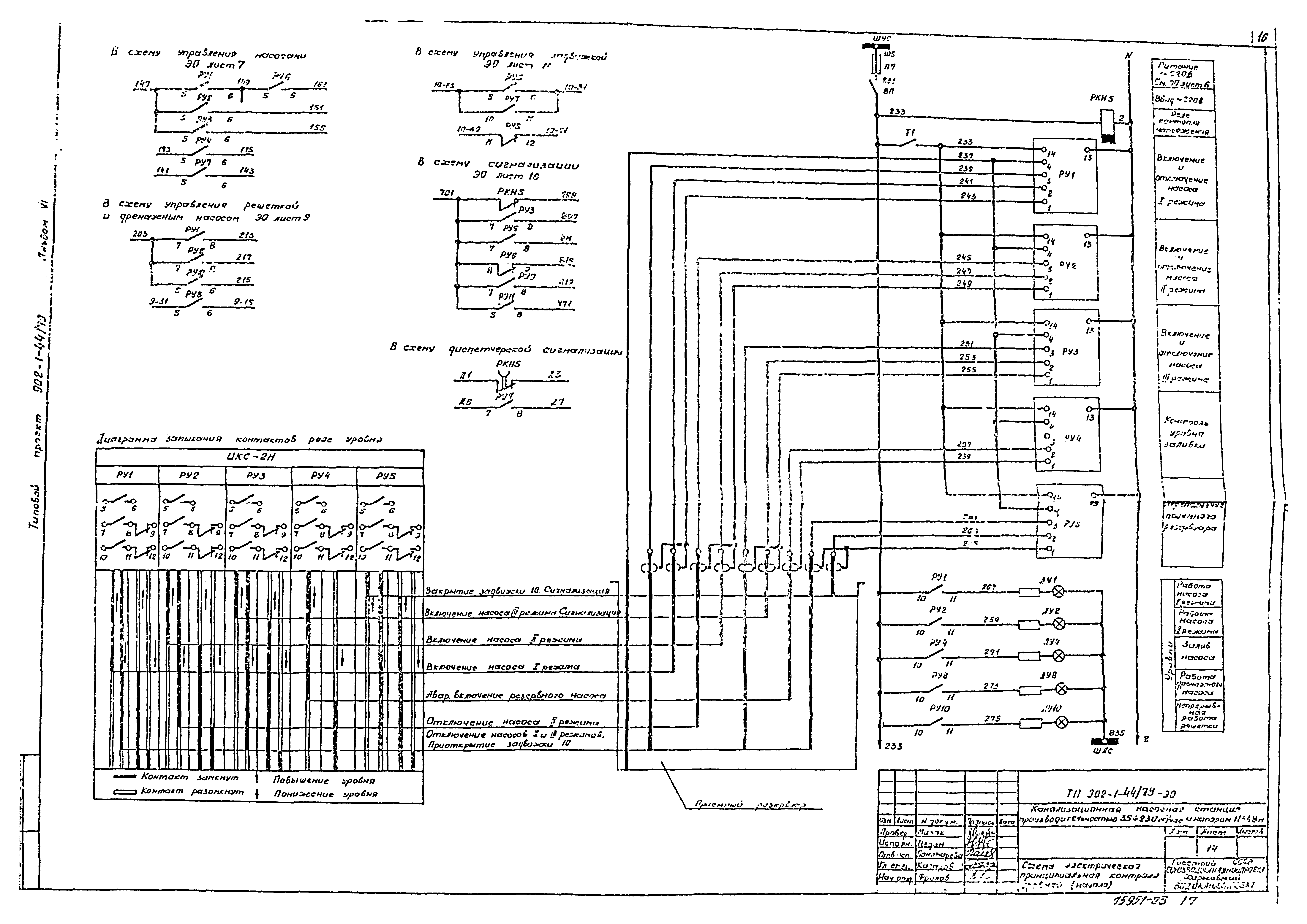
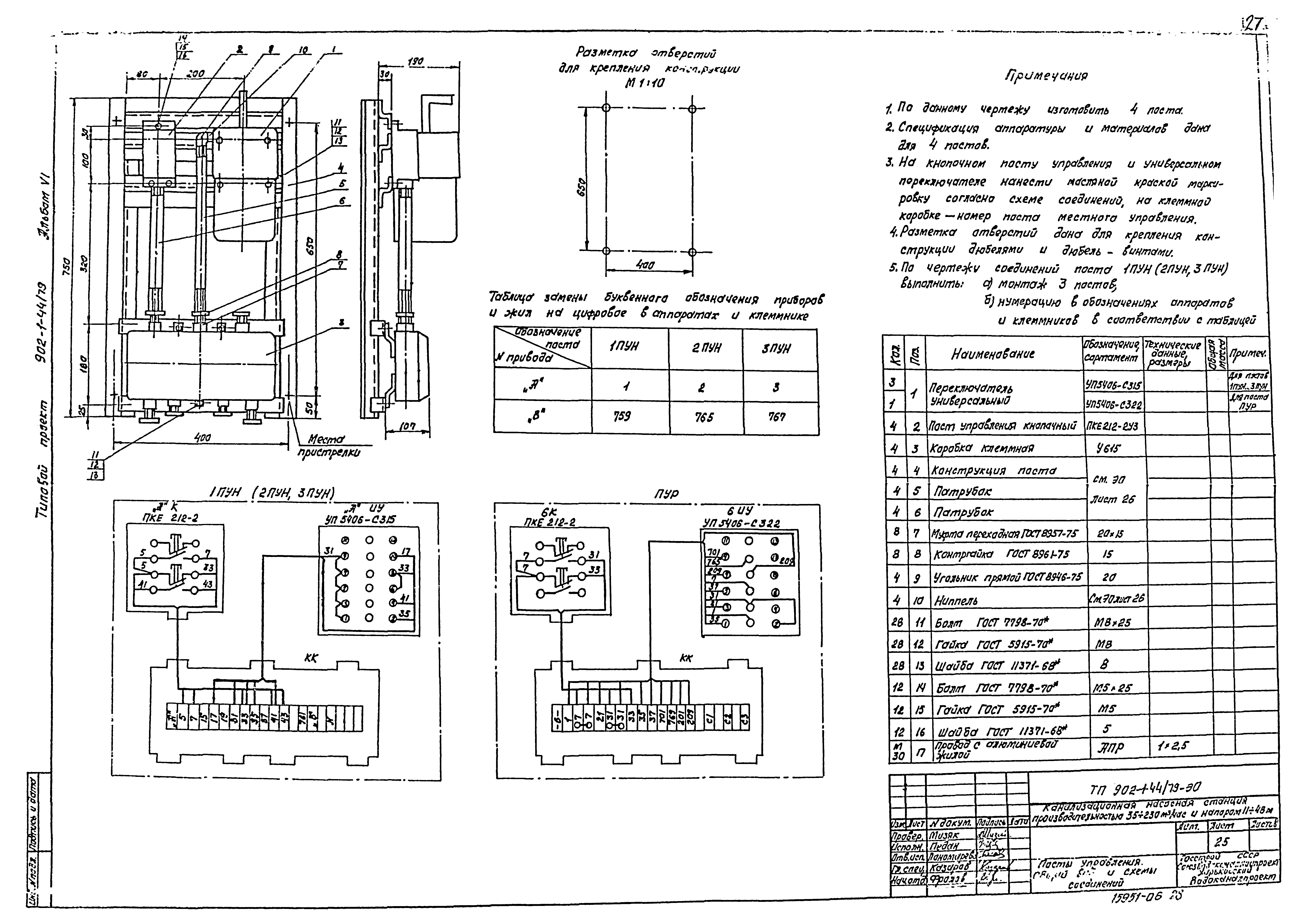
Скачать Типовой проект 902-1-44/79 Альбом VI. Электрооборудования, автоматизация и технологический контроль. Чертежи монтажной зоныДата актуализации: 01.01.2021 Типовой проект 902-1-44/79
Альбом VI. Электрооборудования, автоматизация и технологический контроль. Чертежи монтажной зоны| Обозначение: | Типовой проект 902-1-44/79 | | Обозначение англ: | 902-1-44/79 | | Статус: | не действует | | Название рус.: | Альбом VI. Электрооборудования, автоматизация и технологический контроль. Чертежи монтажной зоны | | Дата добавления в базу: | 01.01.2019 | | Дата актуализации: | 01.01.2021 | | Дата введения: | 25.03.1979 | | Дата окончания срока действия: | 01.07.1984 | | Разработан: | Харьковский Водоканалпроект
| | Утверждён: | 05.08.1976 Главпромстройпроект Госстроя СССР (50)
| | Заменяет собой: | |
                                     
|