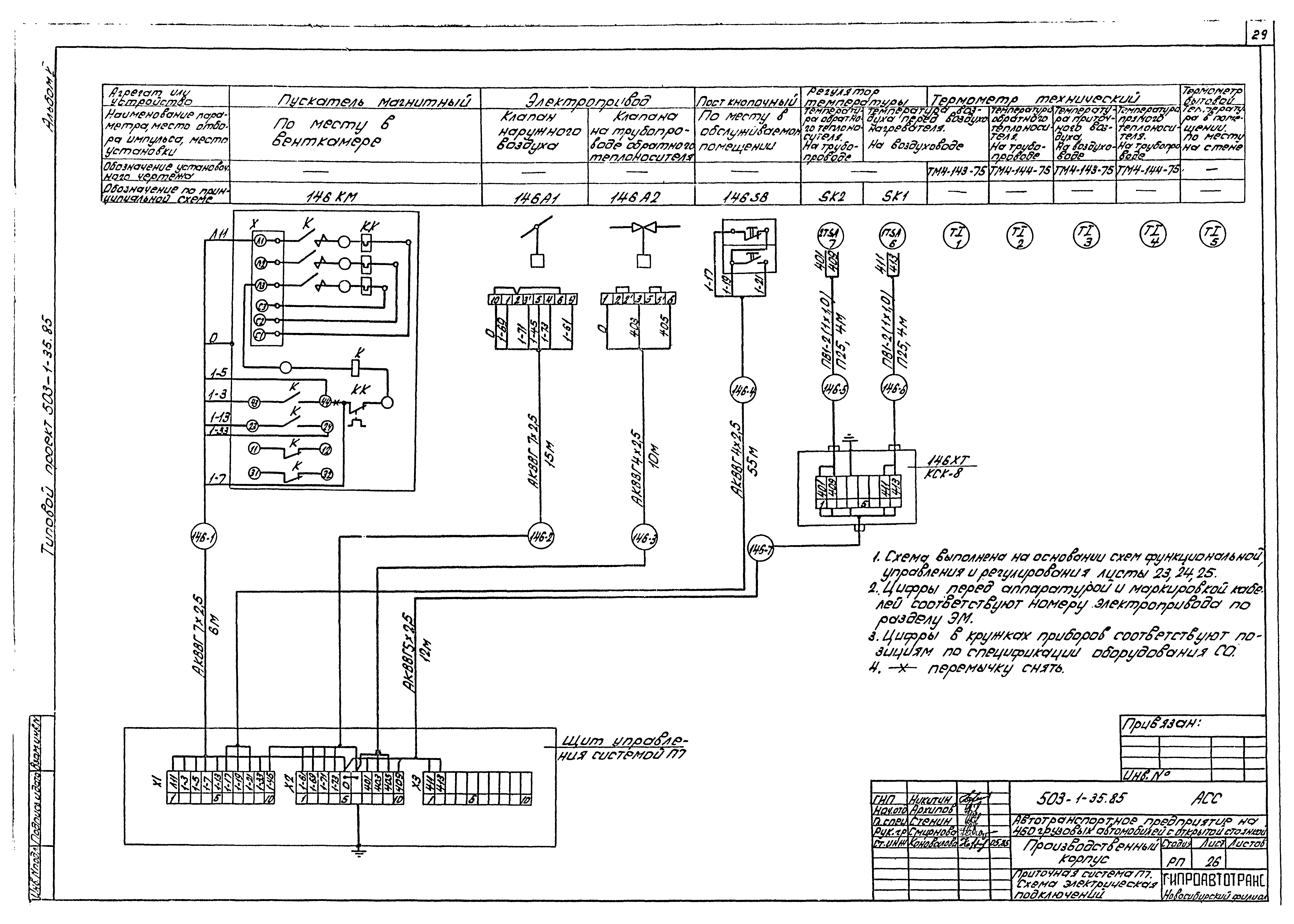
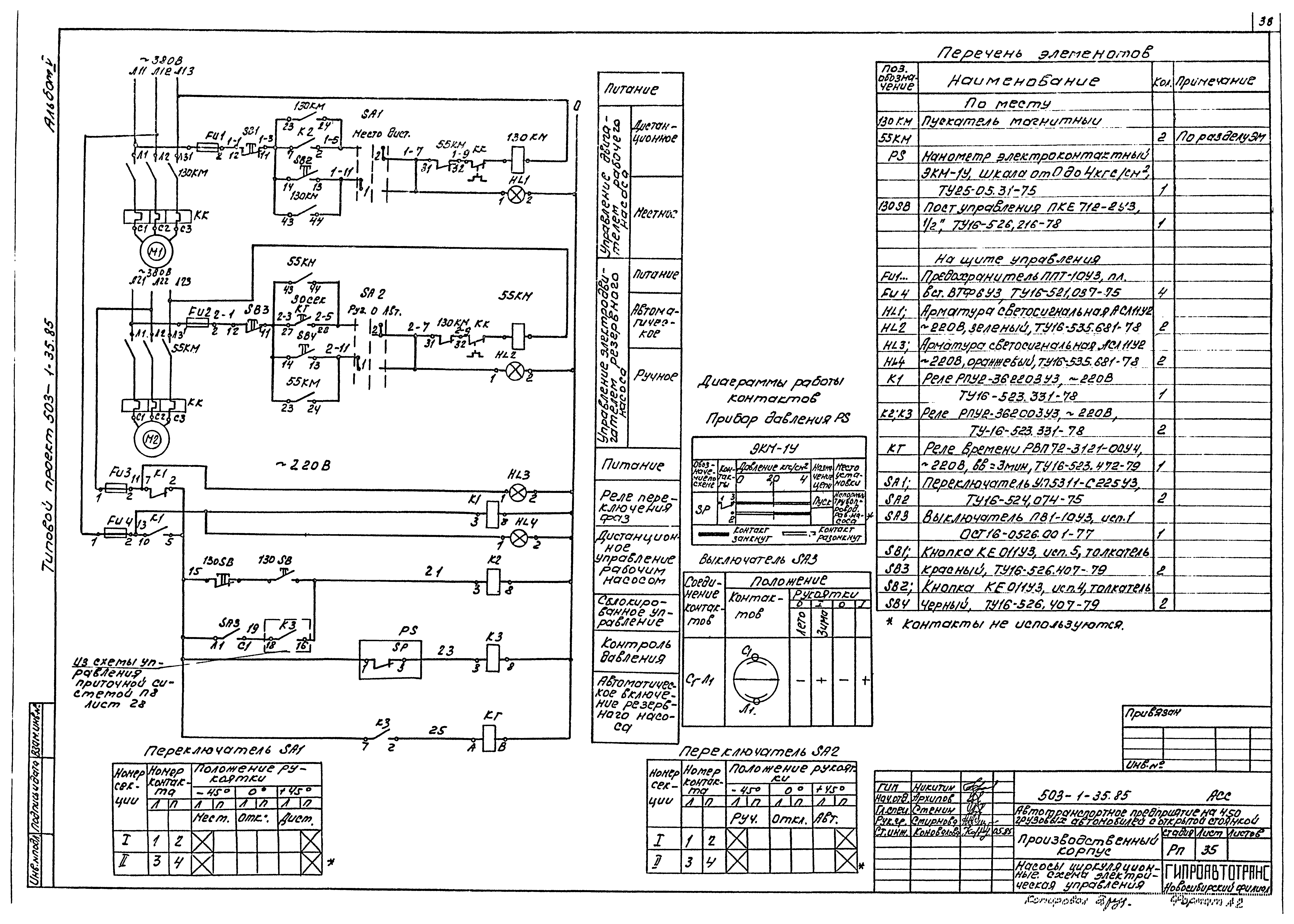
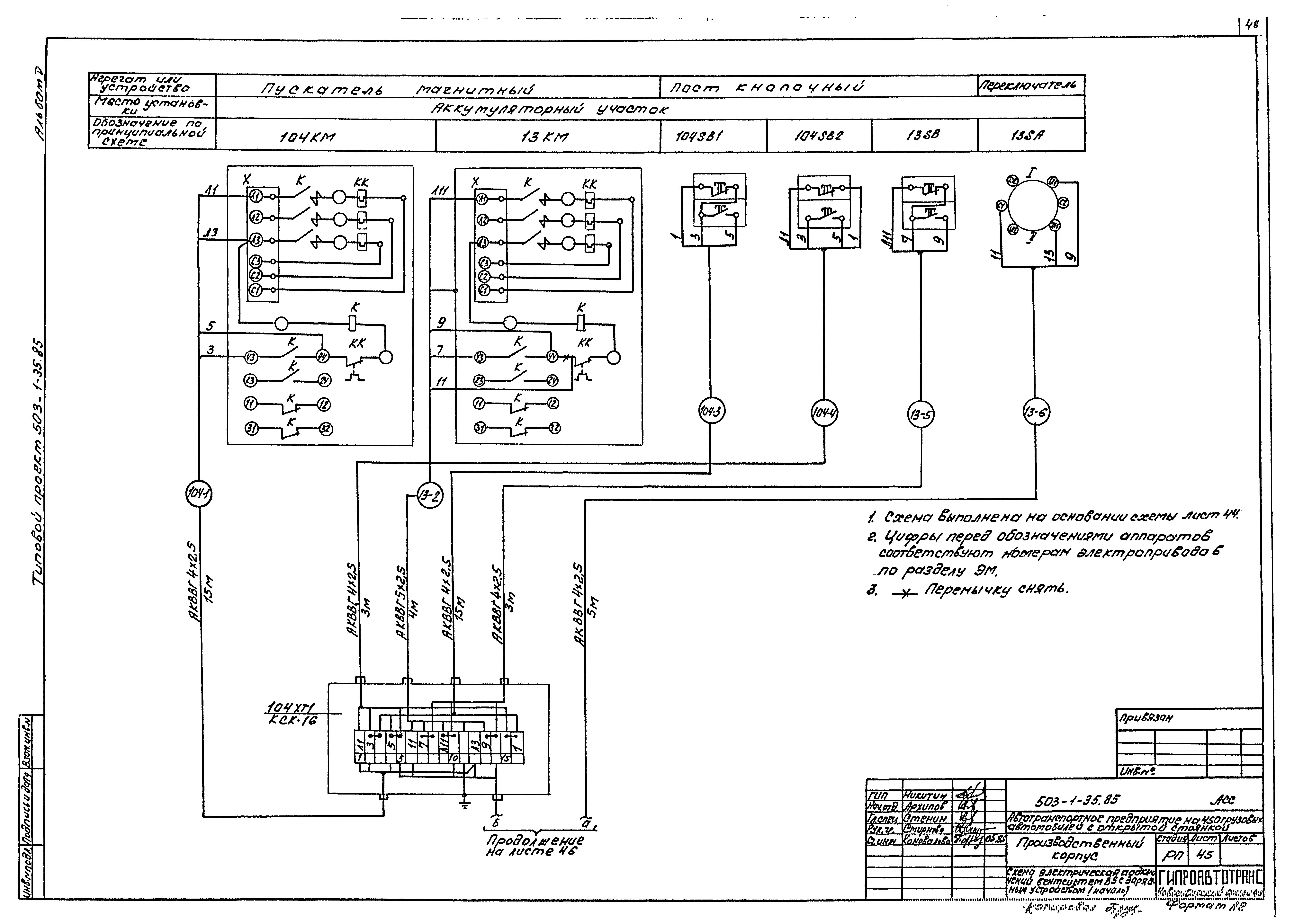
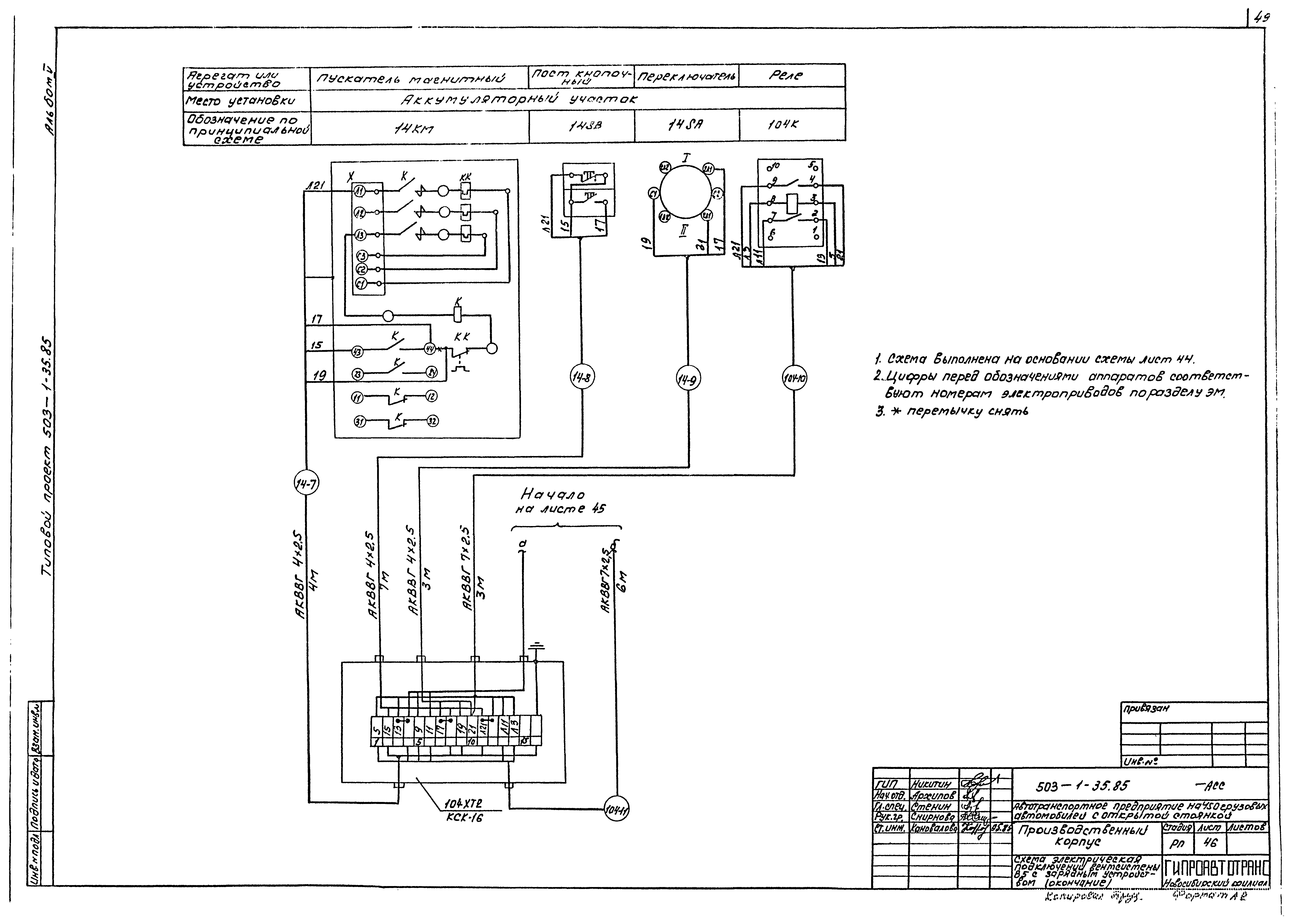
Скачать Типовой проект 503-1-35.85 Альбом V. Автоматизация санитарно-технических системДата актуализации: 01.01.2021
|
| Обозначение: | Типовой проект 503-1-35.85 |
| Обозначение англ: | 503-1-35.85 |
| Статус: | не определен законодательством |
| Название рус.: | Альбом V. Автоматизация санитарно-технических систем |
| Дата добавления в базу: | 01.01.2019 |
| Дата актуализации: | 01.01.2021 |
| Дата введения: | 23.01.1985 |
| Дата окончания срока действия: | 30.06.2003 |
| Разработан: | Гипроавтотранс |
| Утверждён: | 23.01.1985 Минавтотранс РСФСР (Russian Federation Minavtotrans 93) |
| Издан: | ЦИТП Госстроя СССР (CITP, Gosstroy (USSR) 1986 г. ) |





































































