Скачать ГОСТ EN 1149-1-2018 Система стандартов безопасности труда. Одежда специальная защитная. Электростатические свойства. Часть 1. Метод испытания для измерения удельного поверхностного сопротивленияДата актуализации: 01.01.2021
|
| Обозначение: | ГОСТ EN 1149-1-2018 |
| Обозначение англ: | 1149-1-2018 |
| Статус: | введен впервые |
| Название рус.: | Система стандартов безопасности труда. Одежда специальная защитная. Электростатические свойства. Часть 1. Метод испытания для измерения удельного поверхностного сопротивления |
| Название англ.: | Occupational safety standards system. Special protective clothing. Electrostatic properties. Part 1. Test method for measurement of surface resistivity |
| Дата добавления в базу: | 01.01.2019 |
| Дата актуализации: | 01.01.2021 |
| Дата введения: | 01.06.2019 |
| Область применения: | Стандарт устанавливает метод испытаний материалов, предназначенных для использования при производстве специальной защитной одежды или защитных перчаток, рассеивающих электростатический заряд с целью предотвращения возникновения искры. Стандарт не распространяется на материалы для специальной защитной одежды от поражения электрическим током или материалы диэлектрических перчаток. |
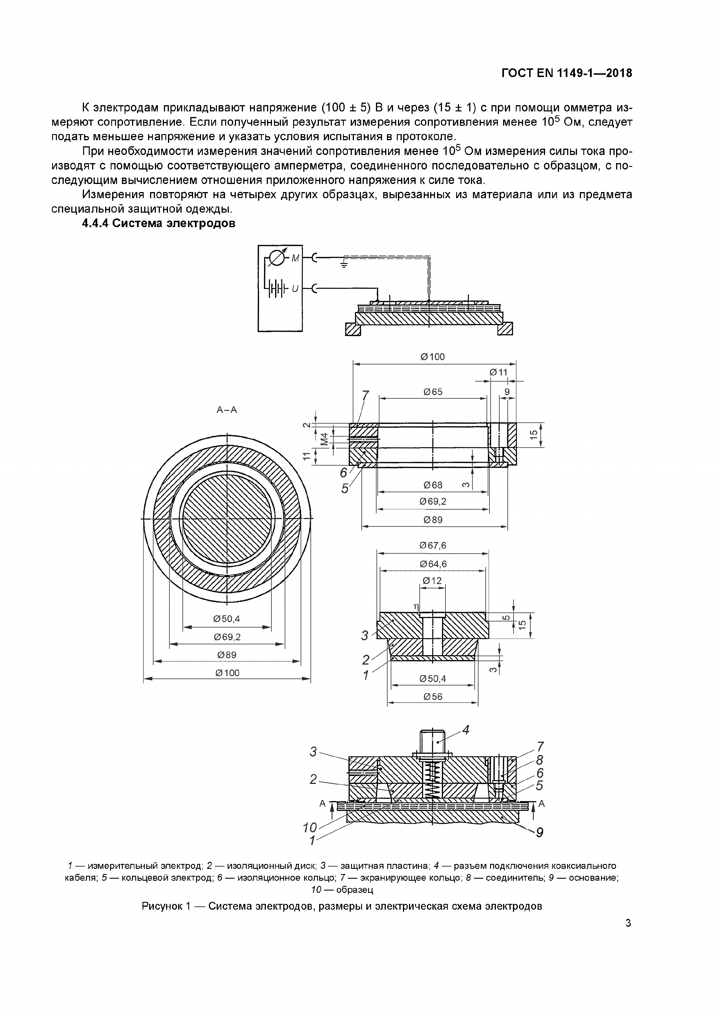
| Оглавление: | 1 Область применения 2 Нормативные ссылки 3 Термины и определения 4 Метод испытания 5 Требования к протоколу испытаний Приложение А (справочное) Существенные технические отличия между настоящим стандартом и предыдущей версией EN 1149-1:1996 Приложение ДА (справочное) Сведения о соответствии ссылочных европейских стандартов межгосударственным стандартам |
| Разработан: | ФГУП СТАНДАРТИНФОРМ ООО Мониторинг |
| Утверждён: | 27.06.2018 Межгосударственный Совет по стандартизации, метрологии и сертификации (Inter-Governmental Council on Standardization, Metrology, and Certification 53-2018) 05.09.2018 Федеральное агентство по техническому регулированию и метрологии (564-ст) |
| Издан: | Стандартинформ (2018 г. ) |
| Нормативные ссылки: |










