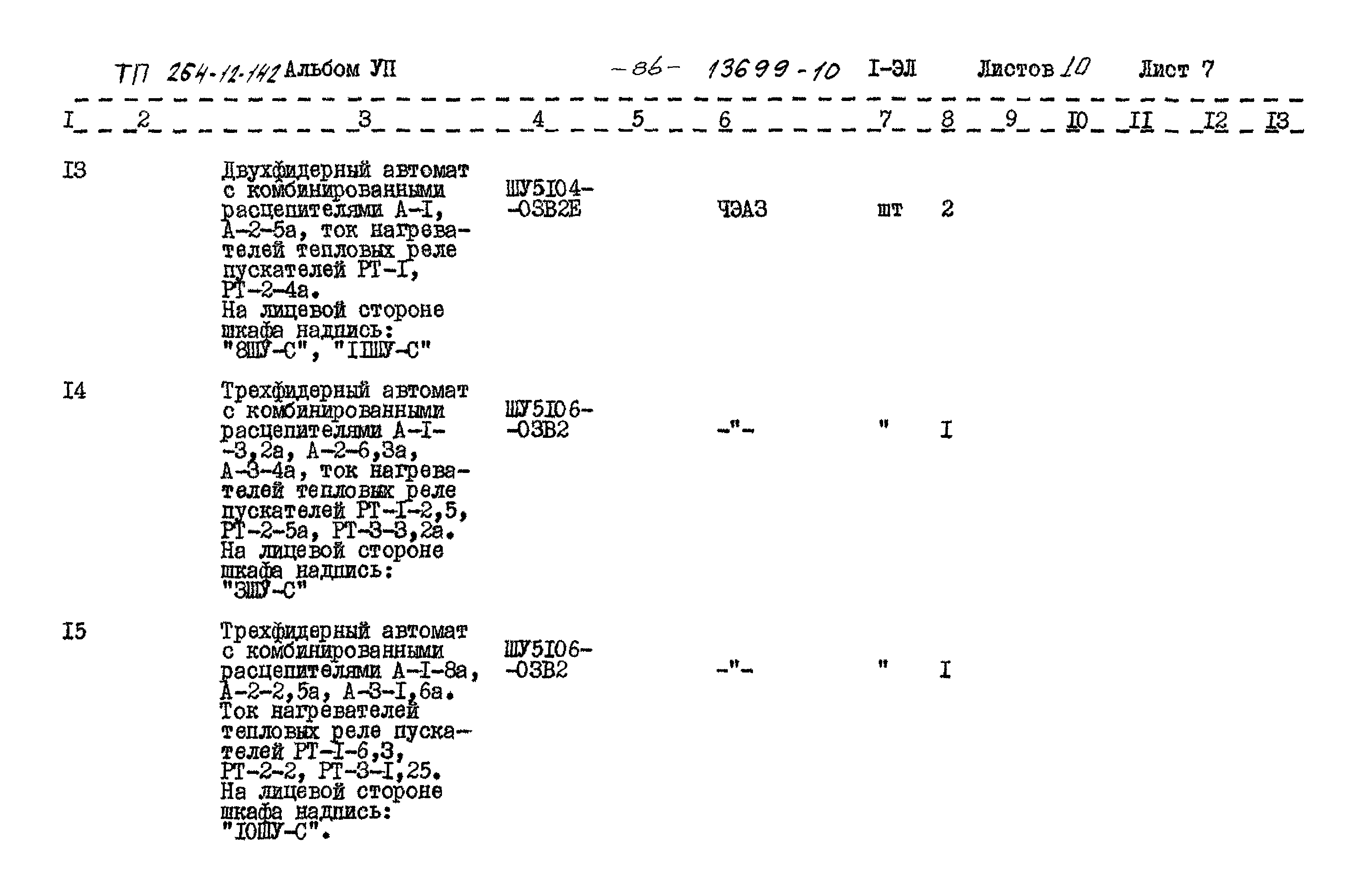
Скачать Типовой проект 264-12-142 Альбом VII. Заказные спецификацииДата актуализации: 01.01.2021
|
| Обозначение: | Типовой проект 264-12-142 |
| Обозначение англ: | 264-12-142 |
| Статус: | действует |
| Название рус.: | Альбом VII. Заказные спецификации |
| Дата добавления в базу: | 01.01.2019 |
| Дата актуализации: | 01.01.2021 |
| Дата введения: | 20.10.1975 |
| Разработан: | ЦНИИЭП зрелищных зданий и спортивных сооружений Госгражданстроя |
| Утверждён: | 29.12.1973 Госгражданстрой (Gosgrazhdanstroy 321) |
| Издан: | ЦИТП Госстроя СССР (CITP, Gosstroy (USSR) 1988 г. ) |












































































































































