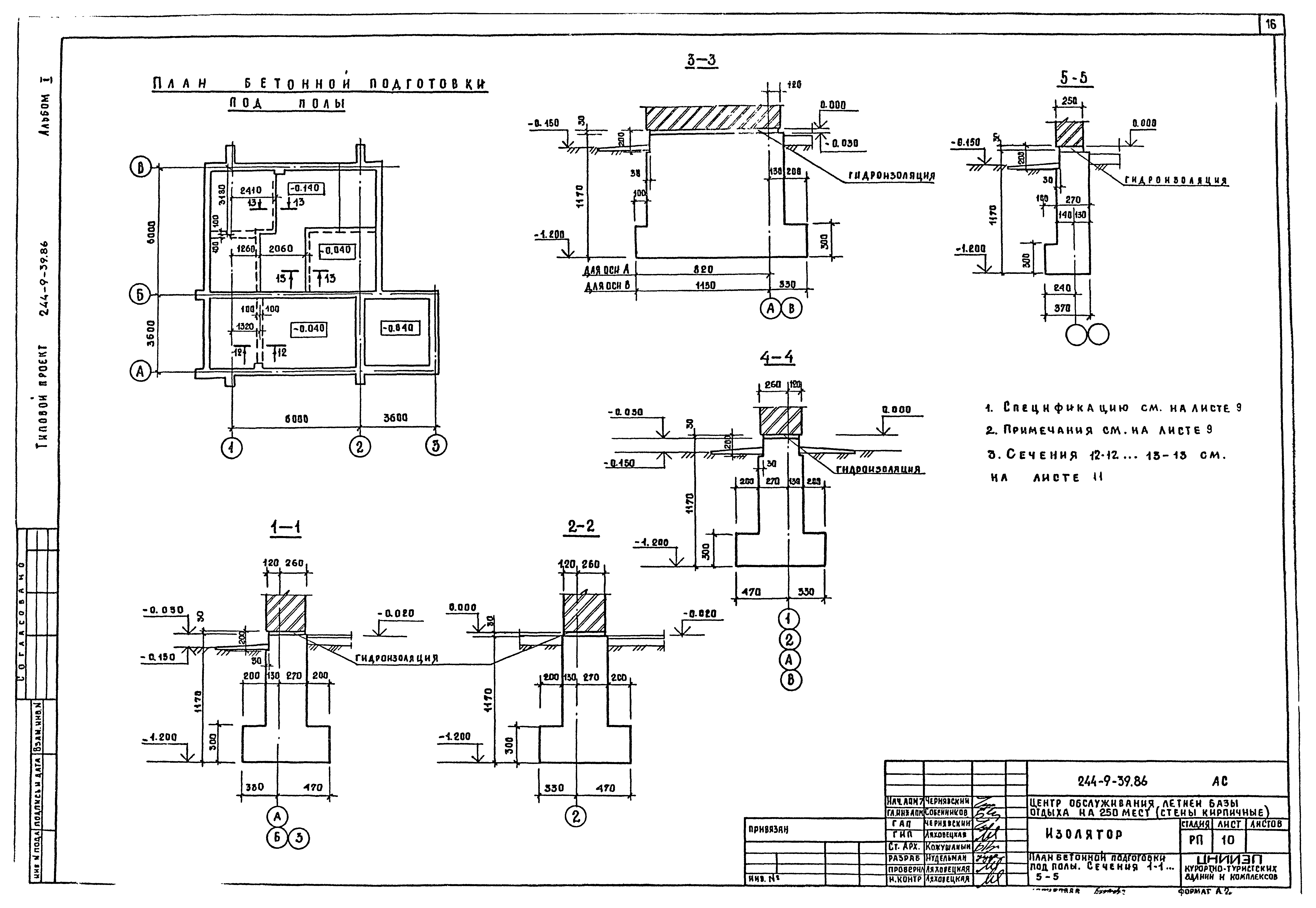
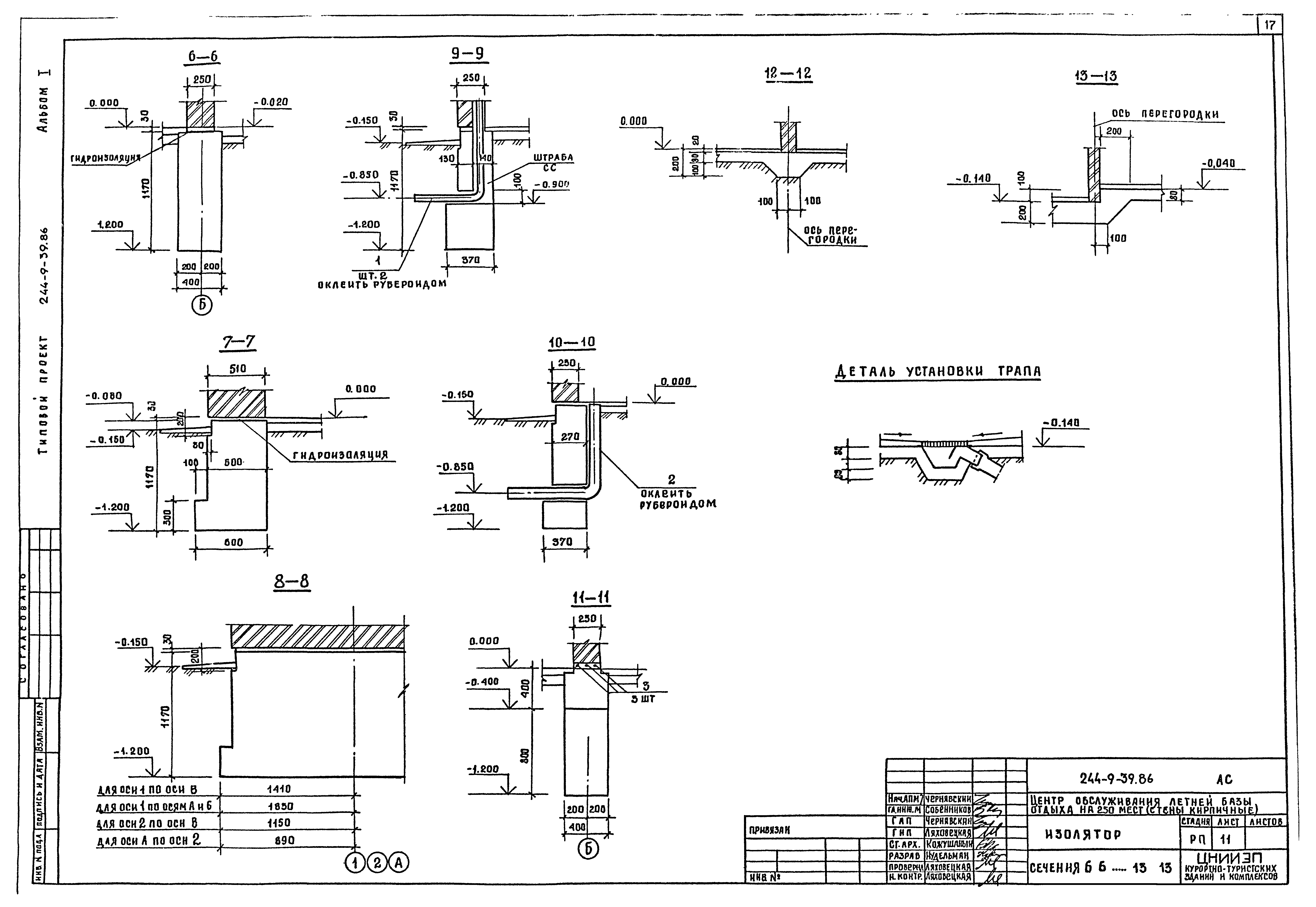
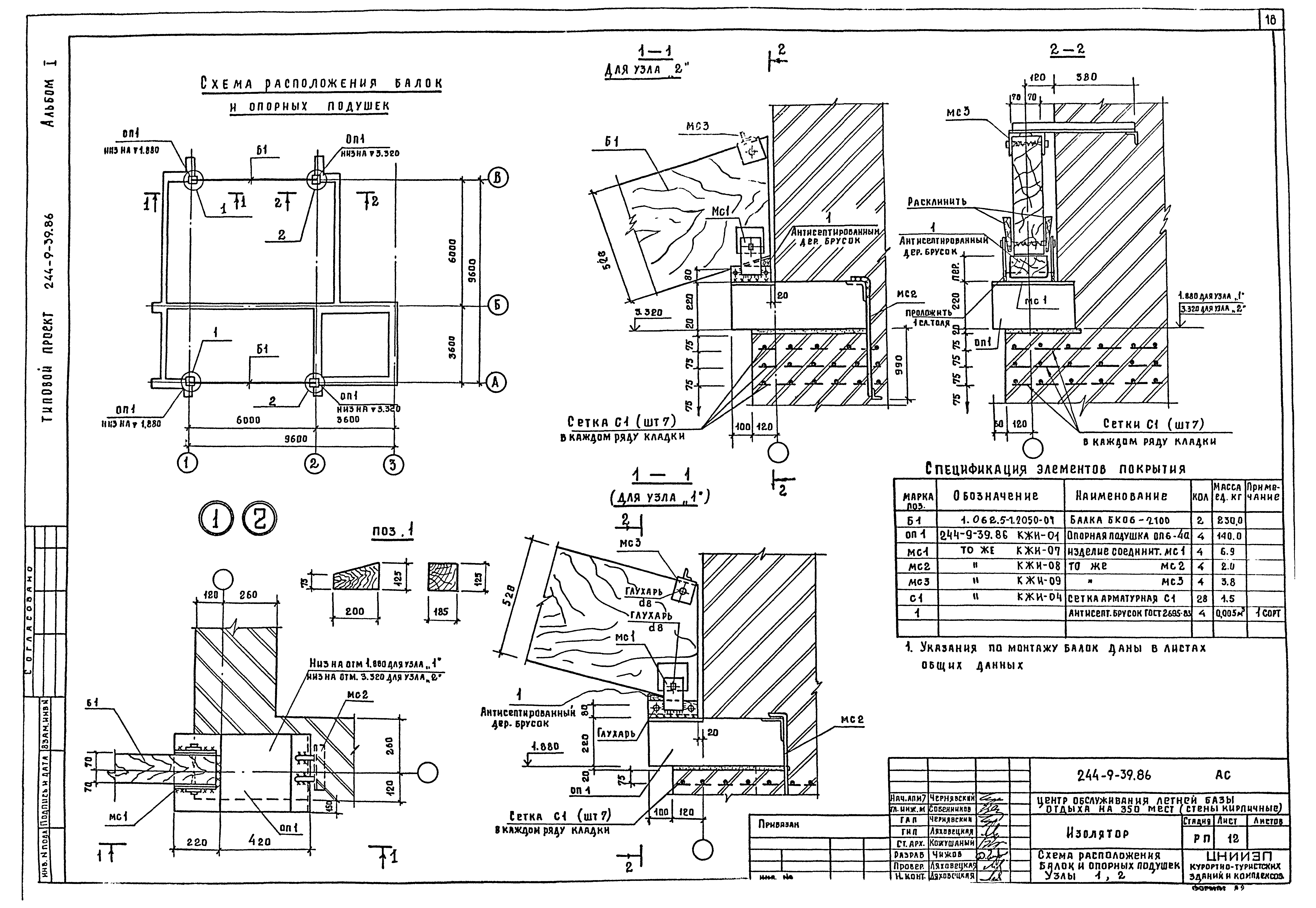
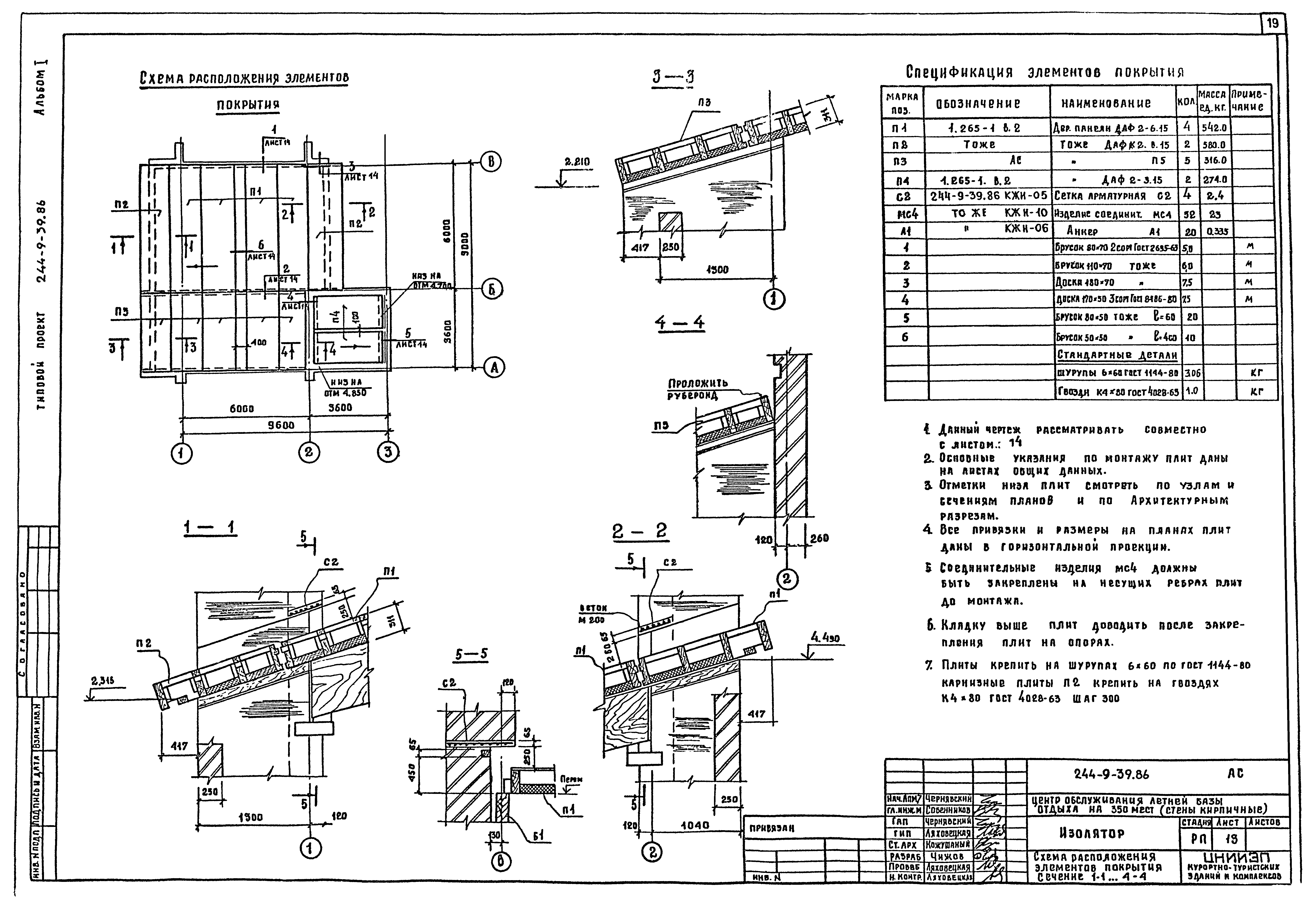
Скачать Типовой проект 244-9-39.86 Альбом I. Архитекутрно-строительные решения. Инженерное оборудование, технологияДата актуализации: 01.01.2021 Типовой проект 244-9-39.86
Альбом I. Архитекутрно-строительные решения. Инженерное оборудование, технология| Обозначение: | Типовой проект 244-9-39.86 | | Обозначение англ: | 244-9-39.86 | | Статус: | действует | | Название рус.: | Альбом I. Архитекутрно-строительные решения. Инженерное оборудование, технология | | Дата добавления в базу: | 01.01.2019 | | Дата актуализации: | 01.01.2021 | | Дата введения: | 19.03.1987 | | Разработан: | ЦНИИЭП курортно-туристских зданий и комплексов Госгражданстроя
| | Утверждён: | 08.08.1985 Госгражданстрой (Gosgrazhdanstroy 229)
| | Издан: | ЦИТП Госстроя СССР (CITP, Gosstroy (USSR) 1988 г. )
|
                             
|