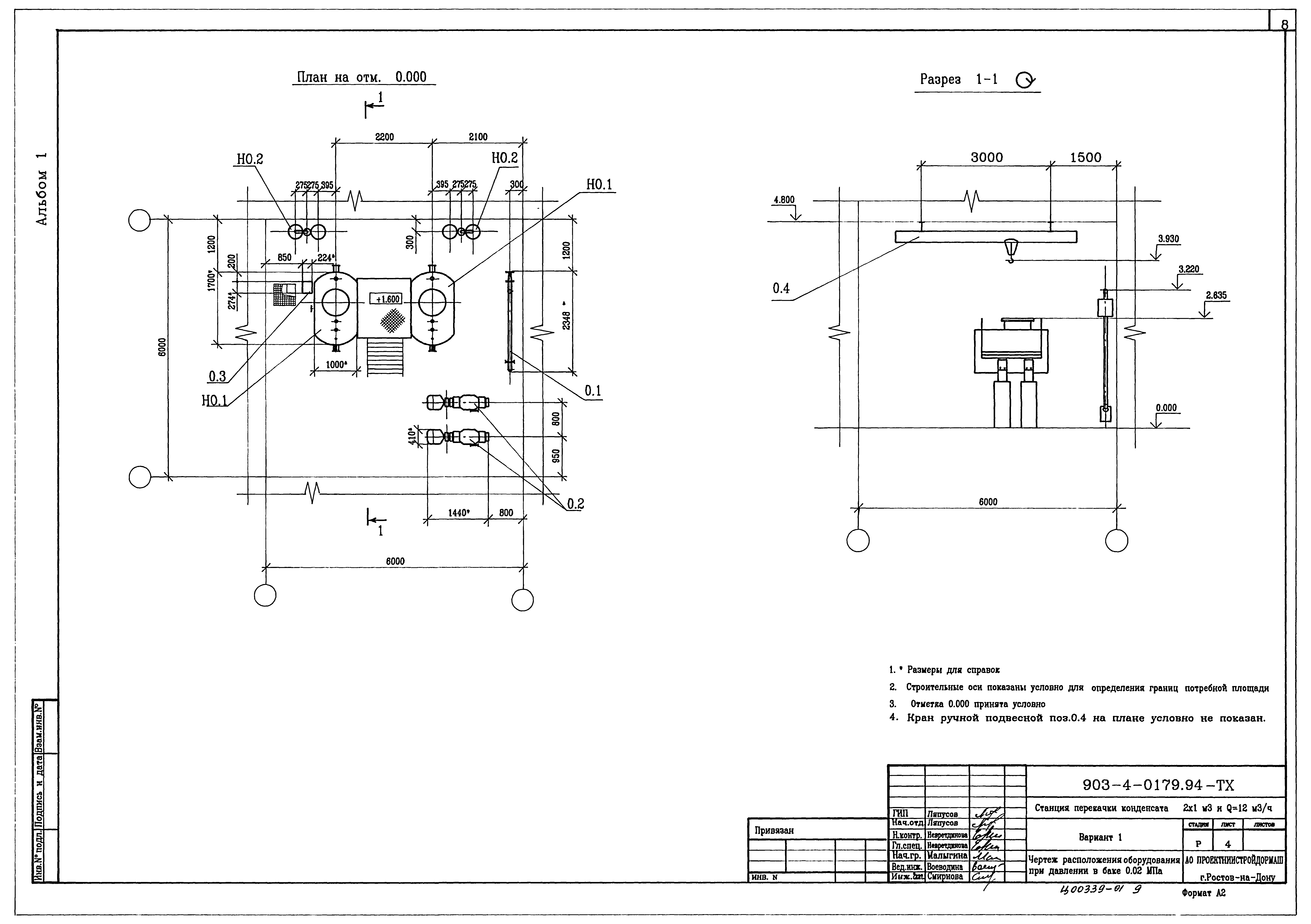
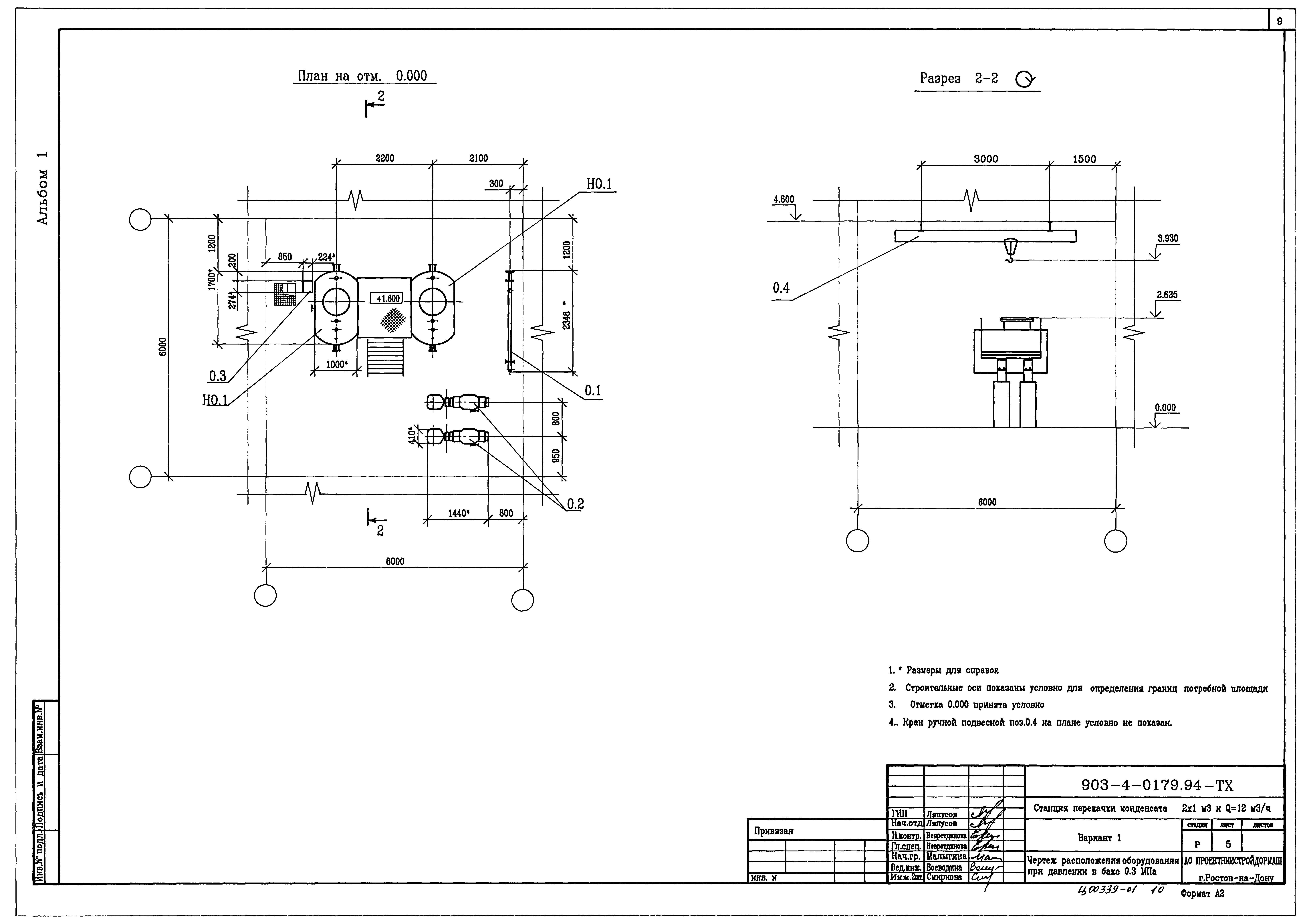
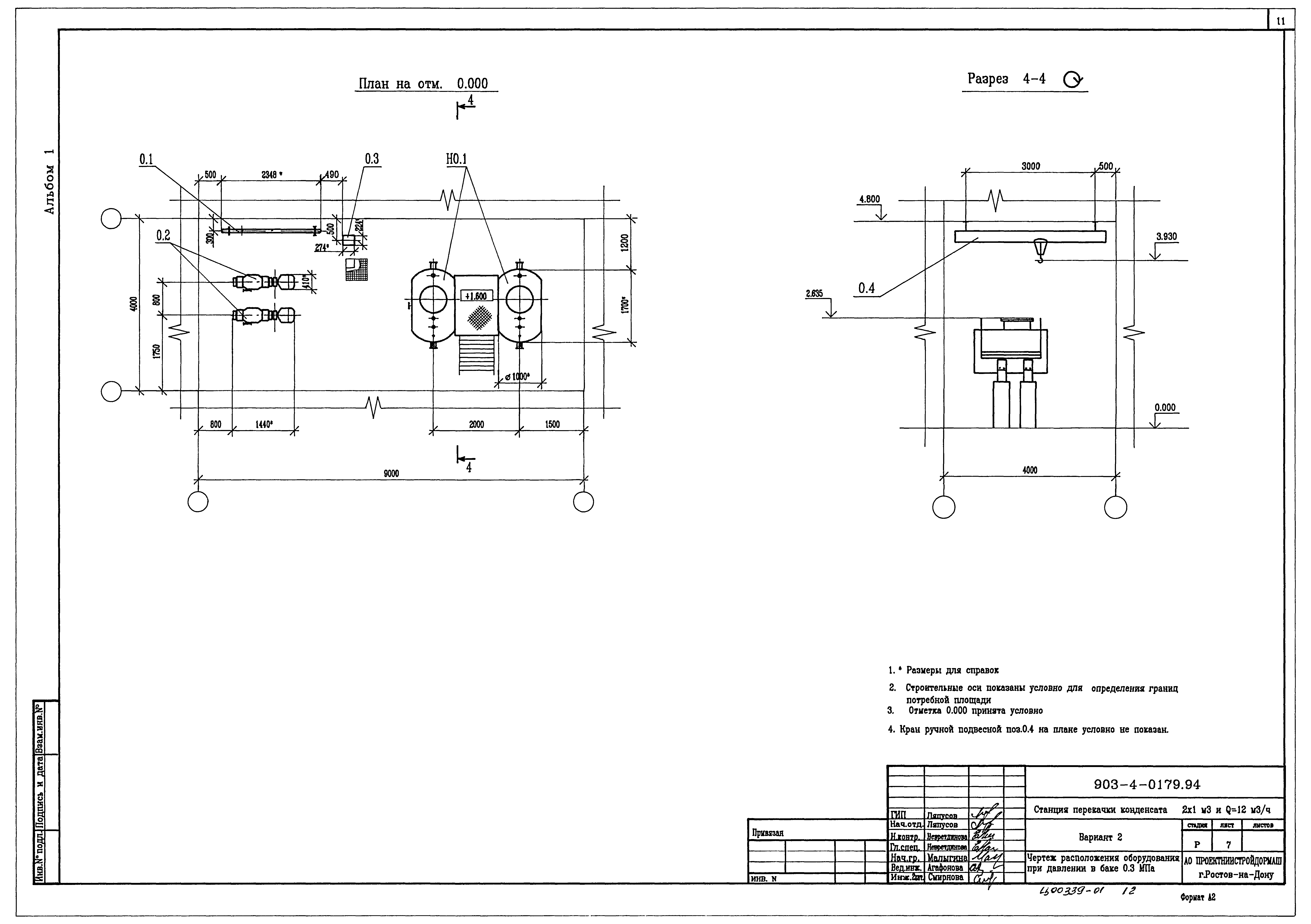
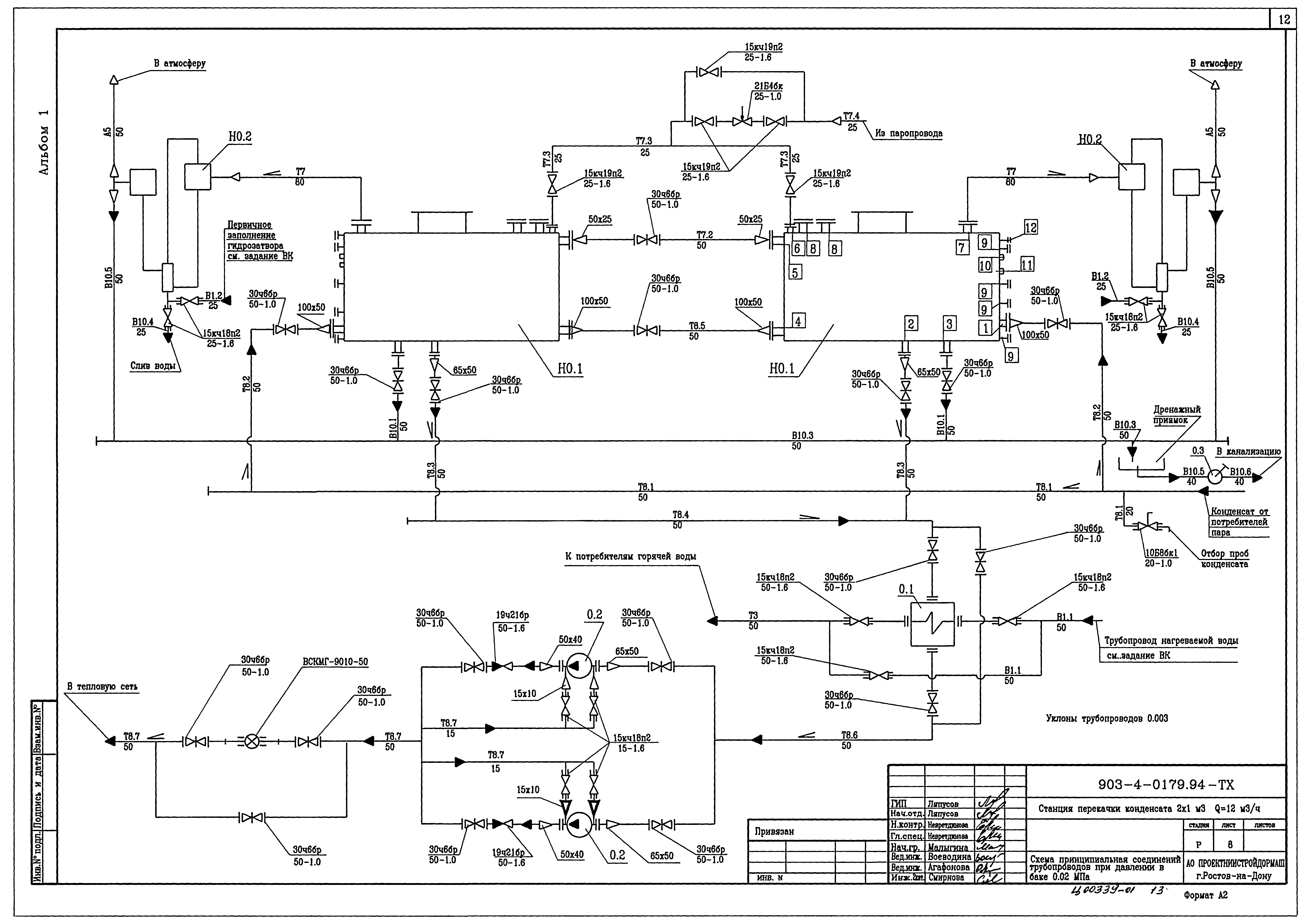
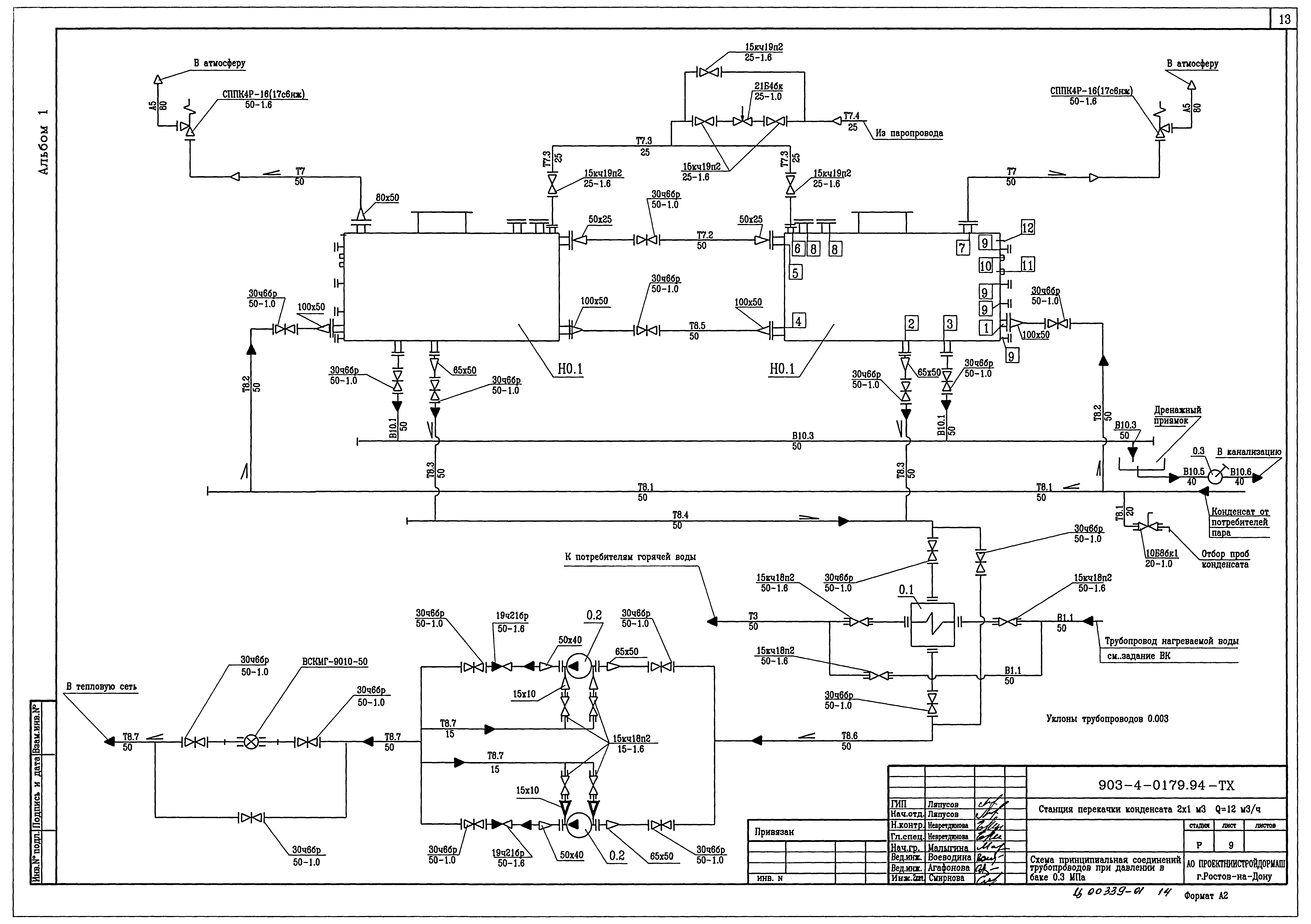
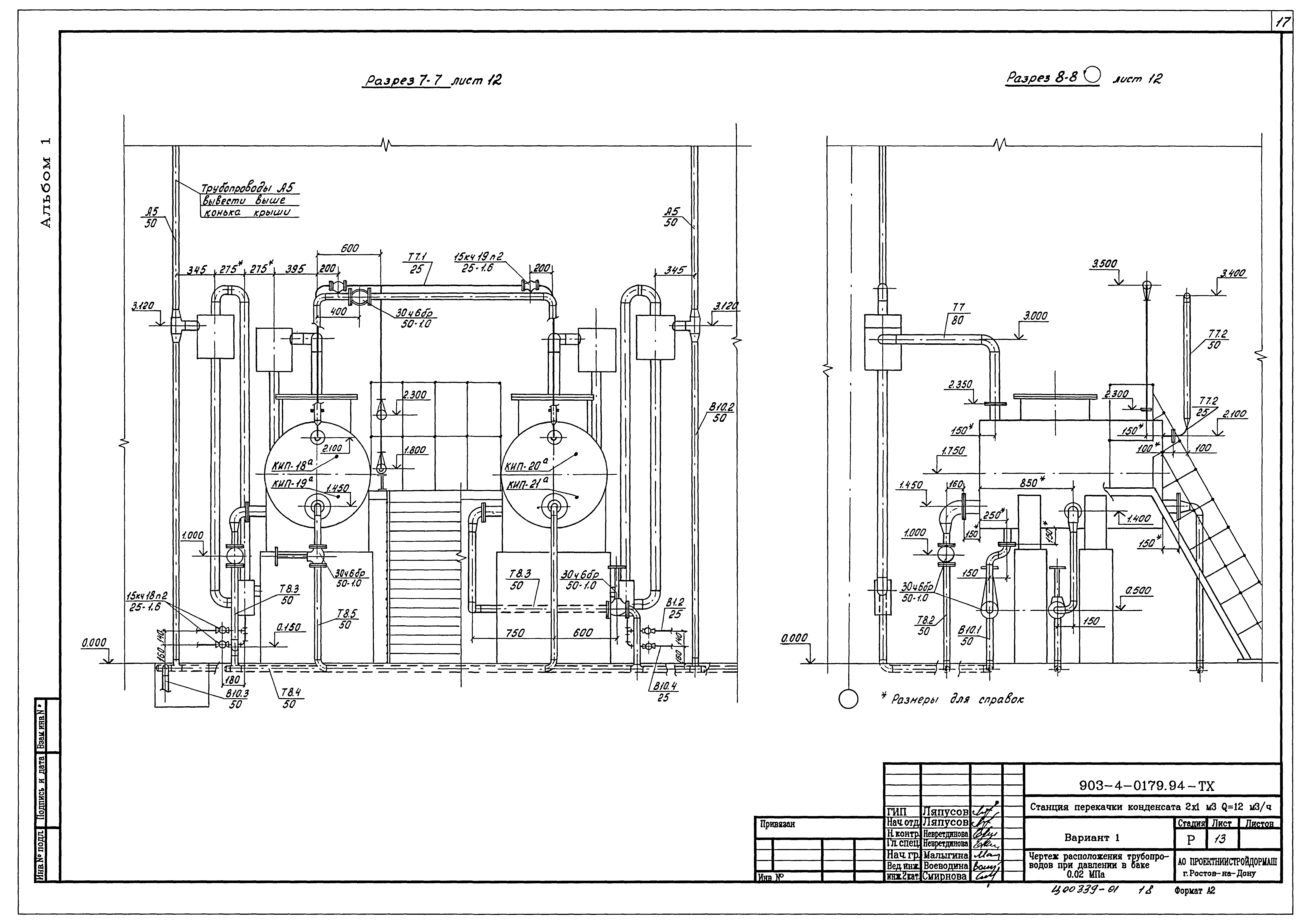
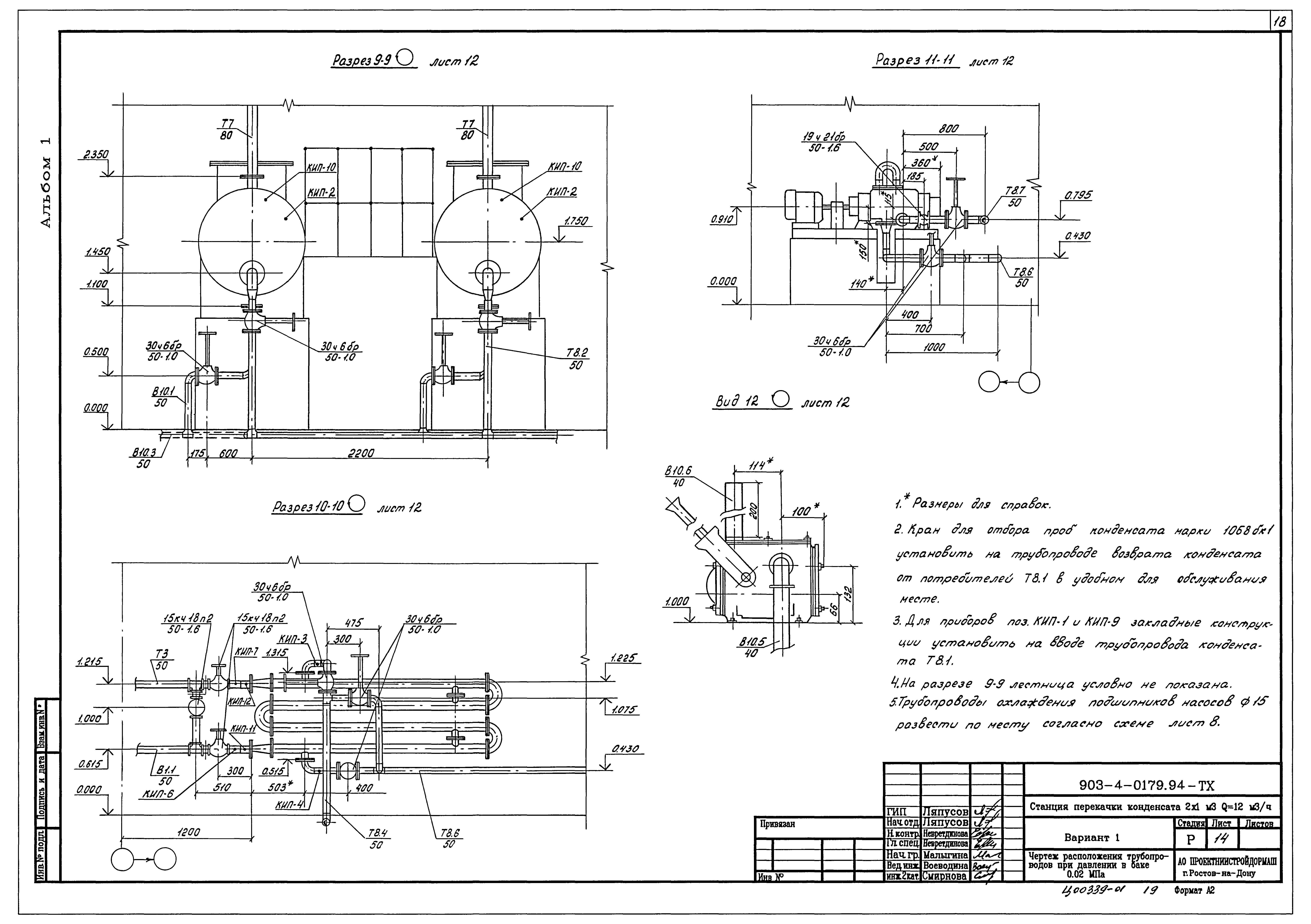
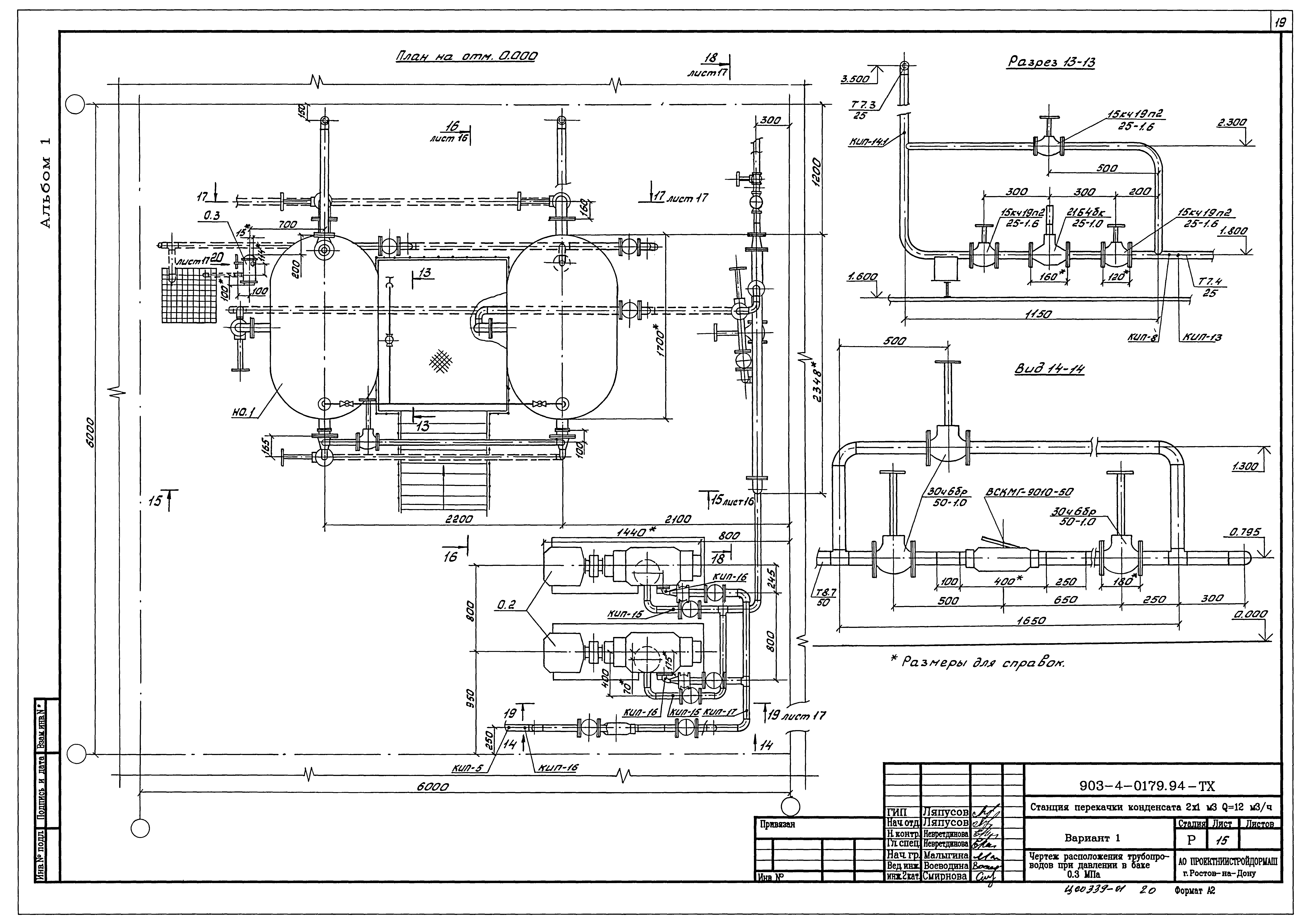
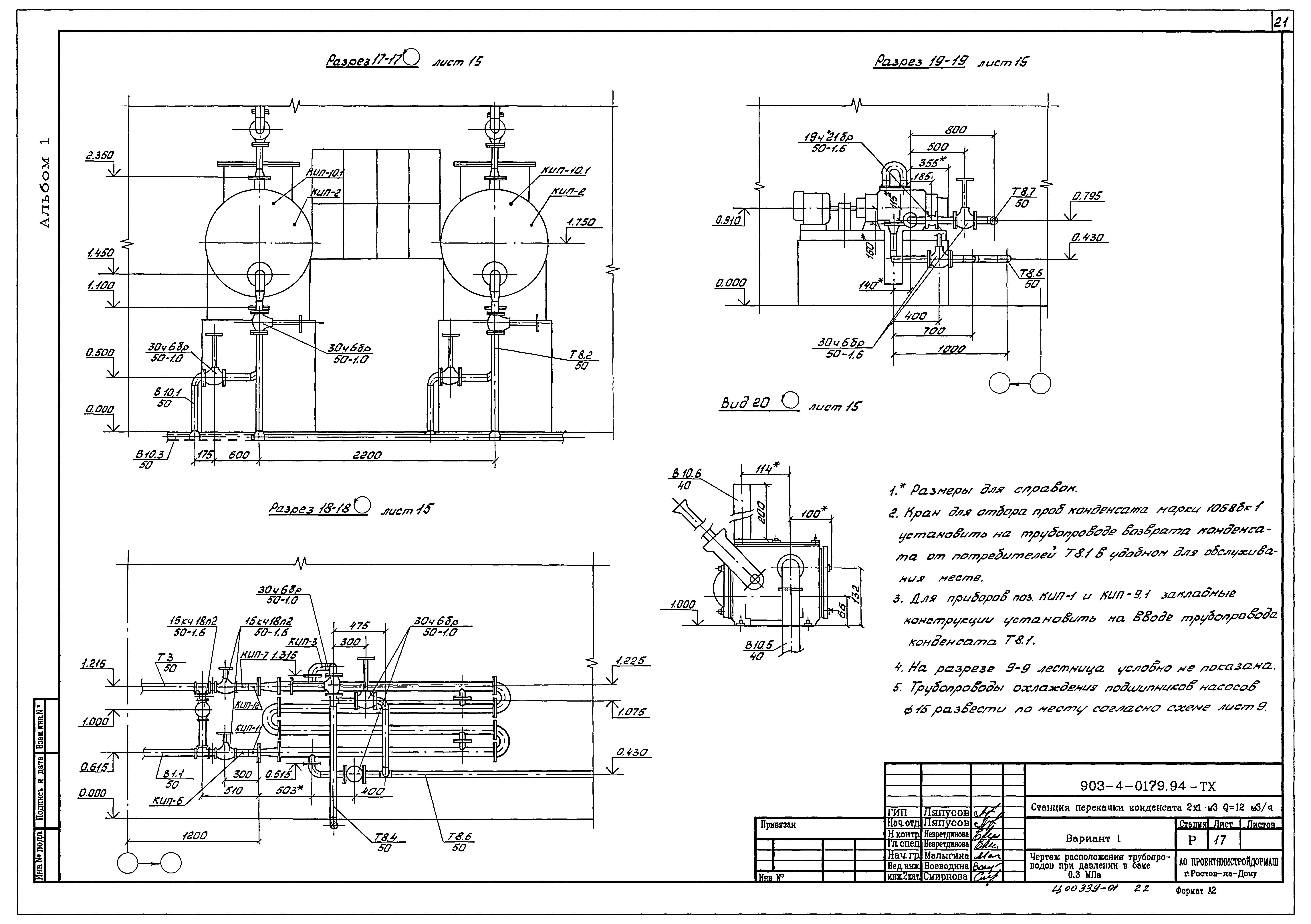
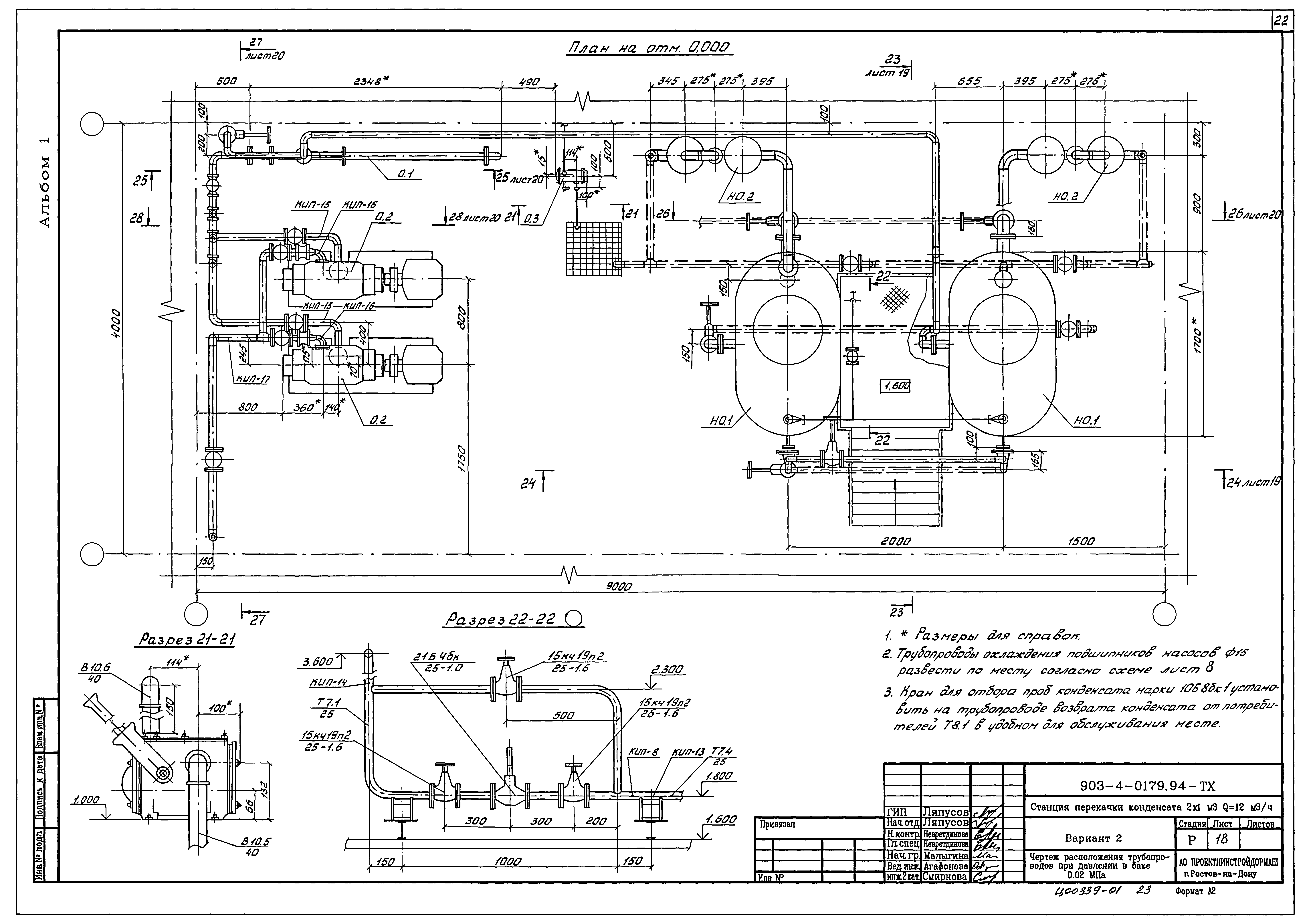
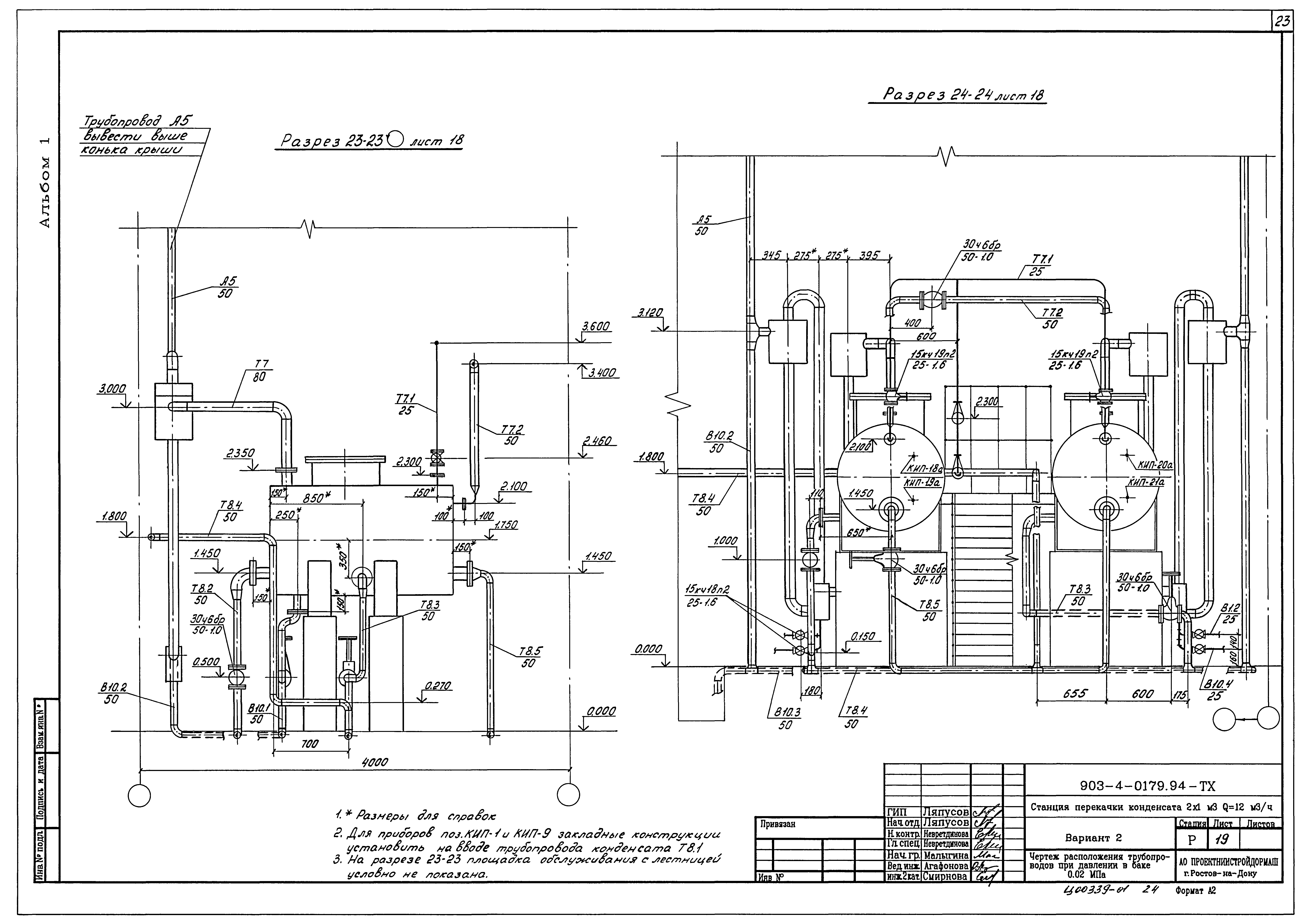
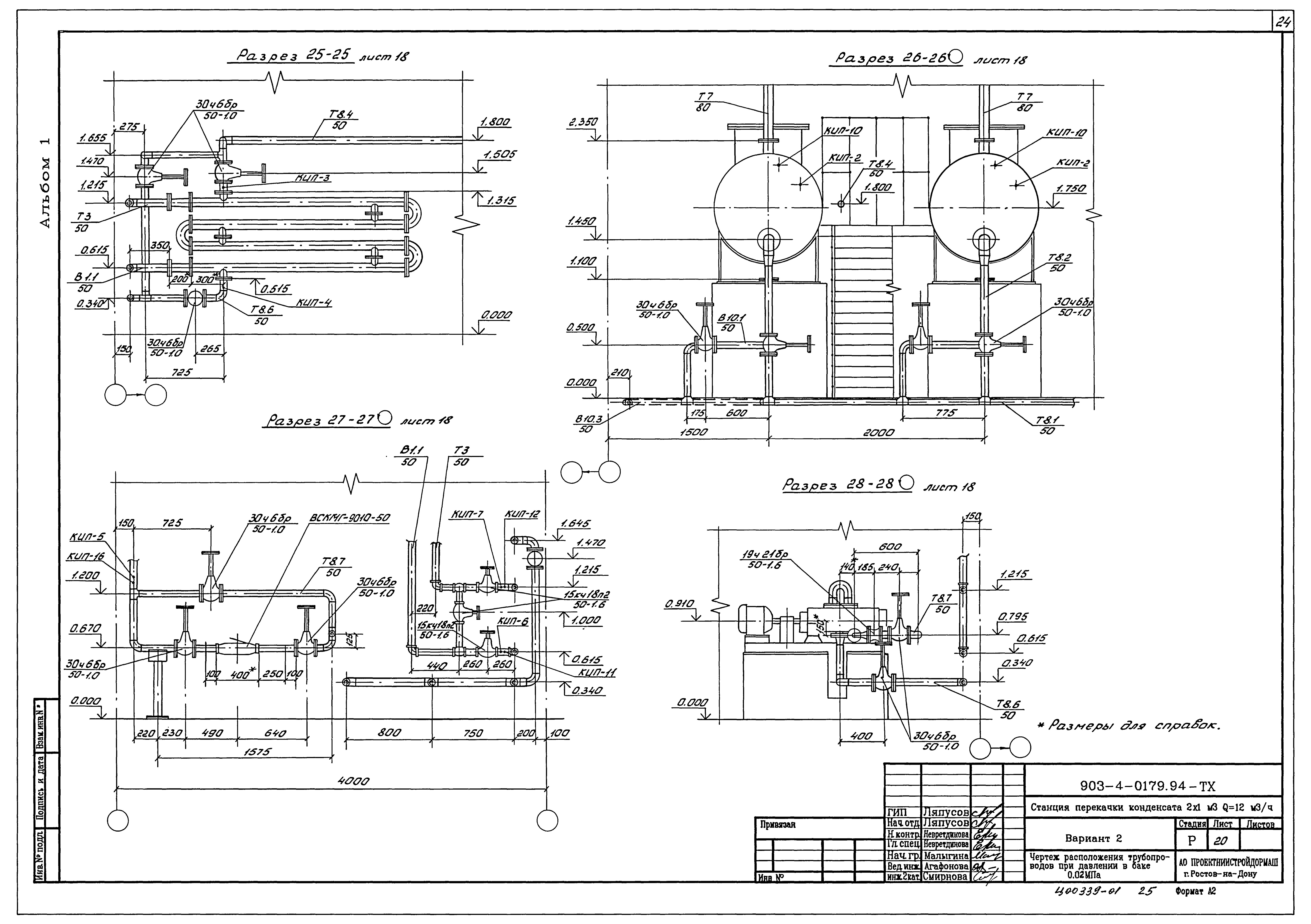
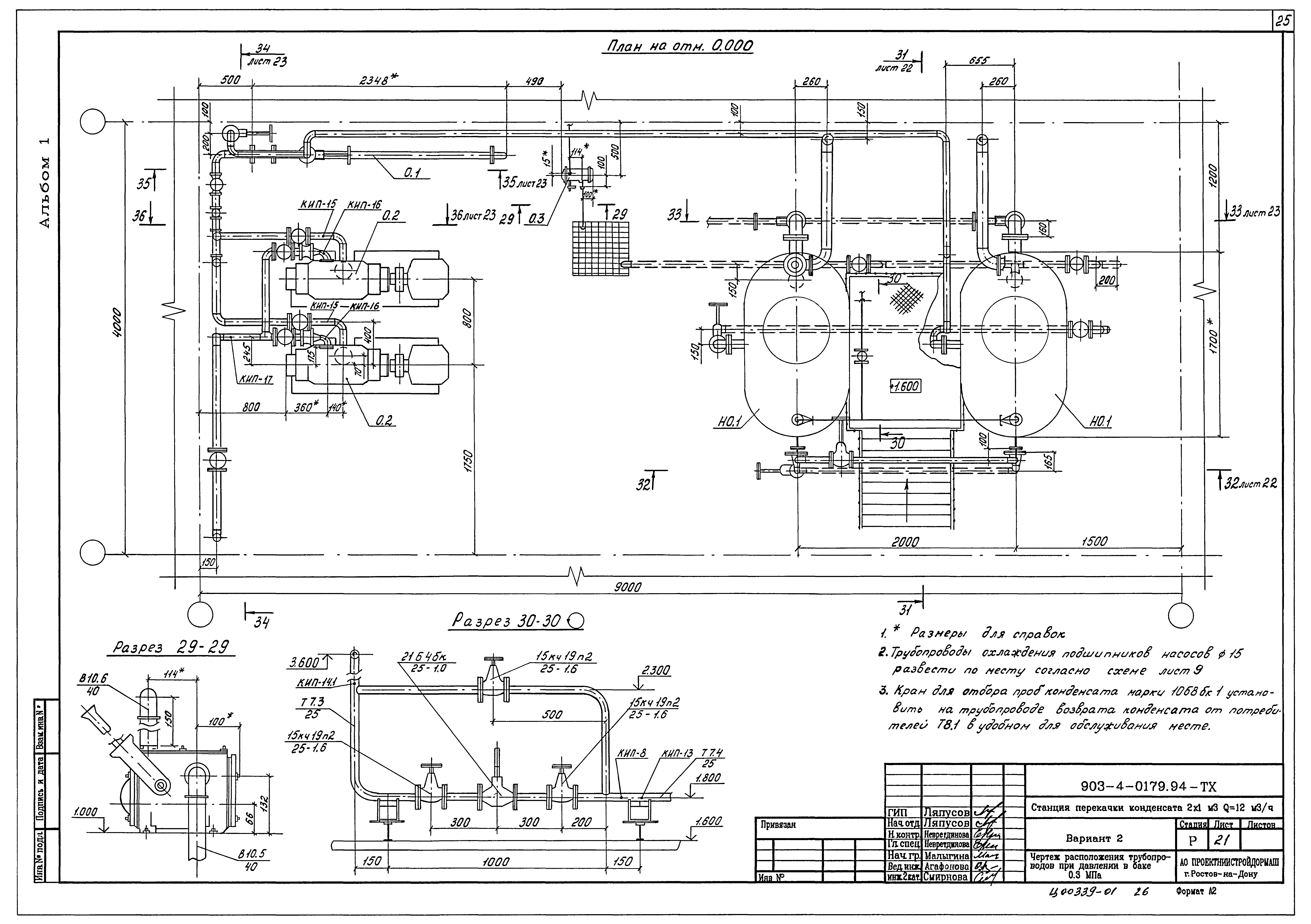
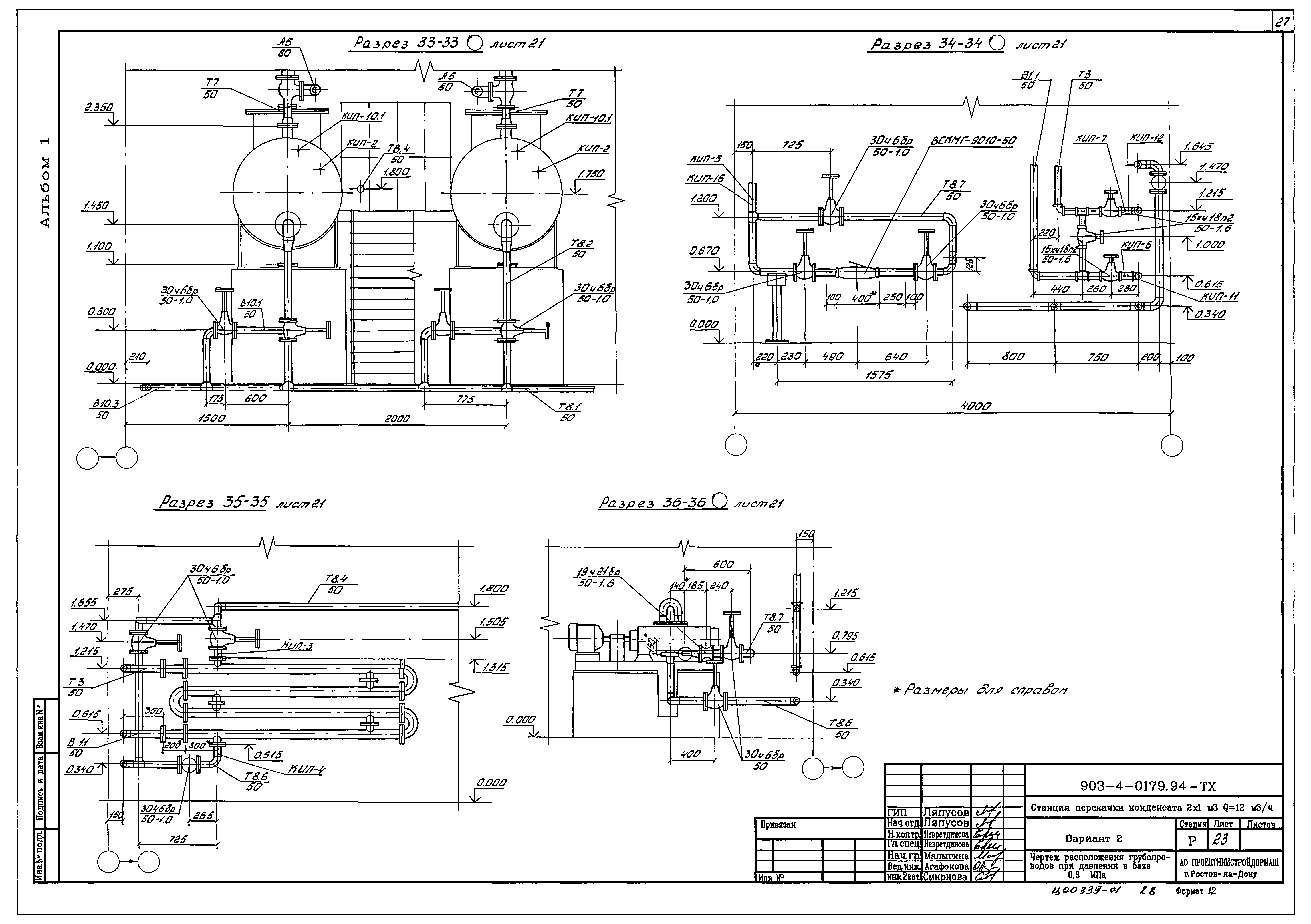
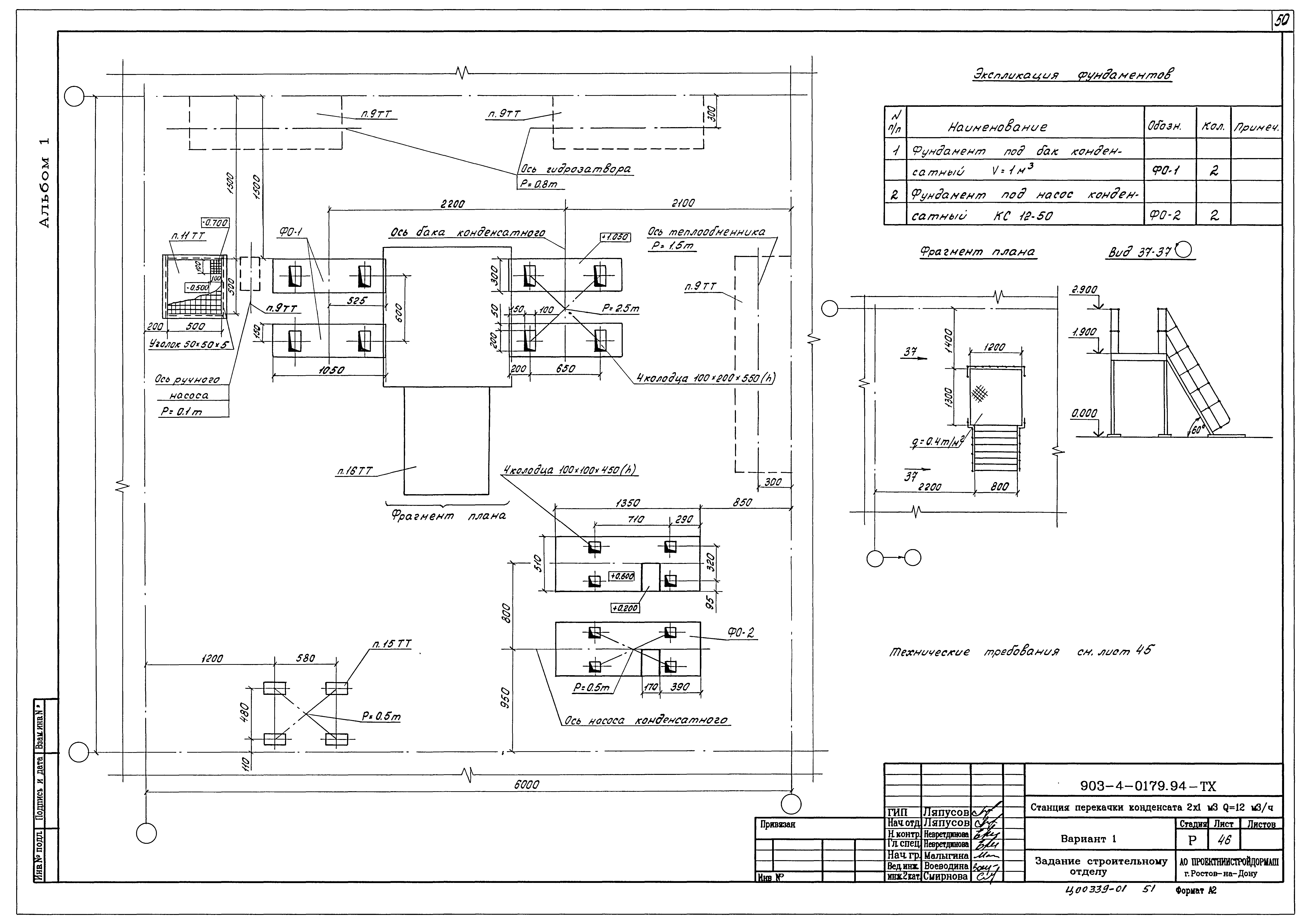
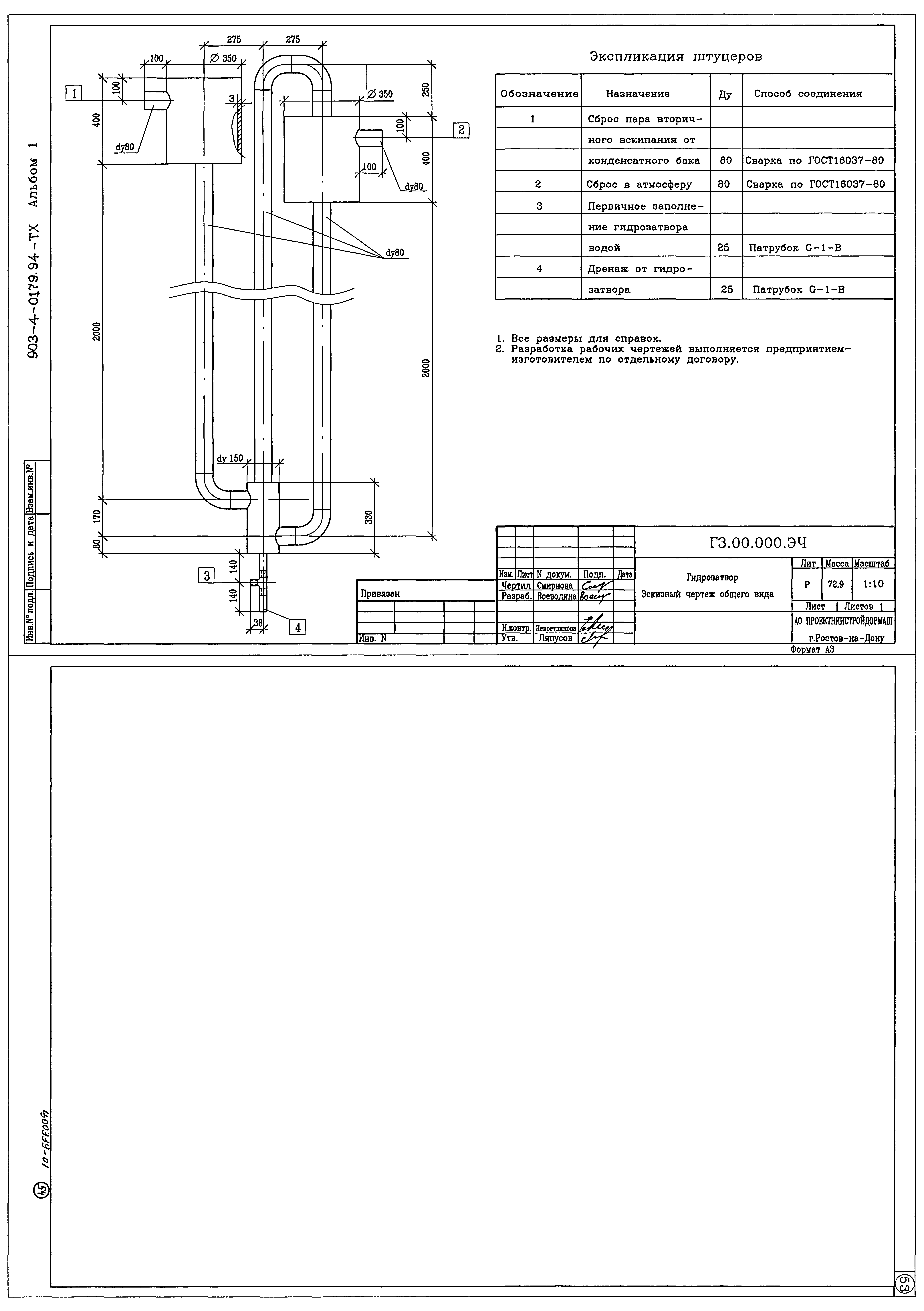
Скачать Типовые проектные решения 903-4-0179.94 Альбом 1. Пояснительная записка. Технология производстваДата актуализации: 01.01.2021 Типовые проектные решения 903-4-0179.94
Альбом 1. Пояснительная записка. Технология производства| Обозначение: | Типовые проектные решения 903-4-0179.94 | | Обозначение англ: | 903-4-0179.94 | | Статус: | справочные материалы, мп, тпр | | Название рус.: | Альбом 1. Пояснительная записка. Технология производства | | Дата добавления в базу: | 01.01.2019 | | Дата актуализации: | 01.01.2021 | | Дата введения: | 27.10.1994 | | Разработан: | Проектниистройдормаш
| | Утверждён: | 27.10.1994 АО Проектниистройдормаш (35-П)
|
                                                    
|