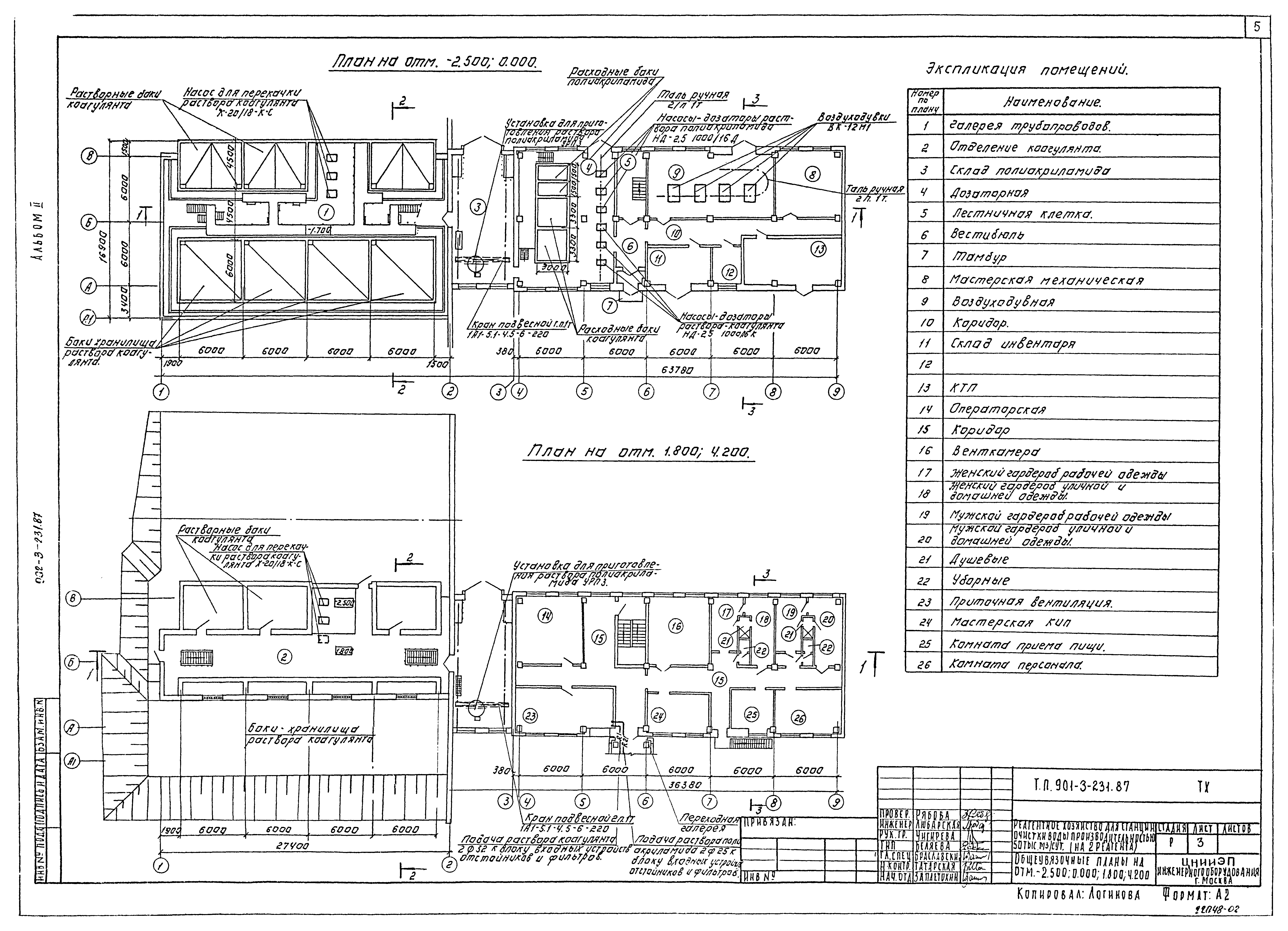
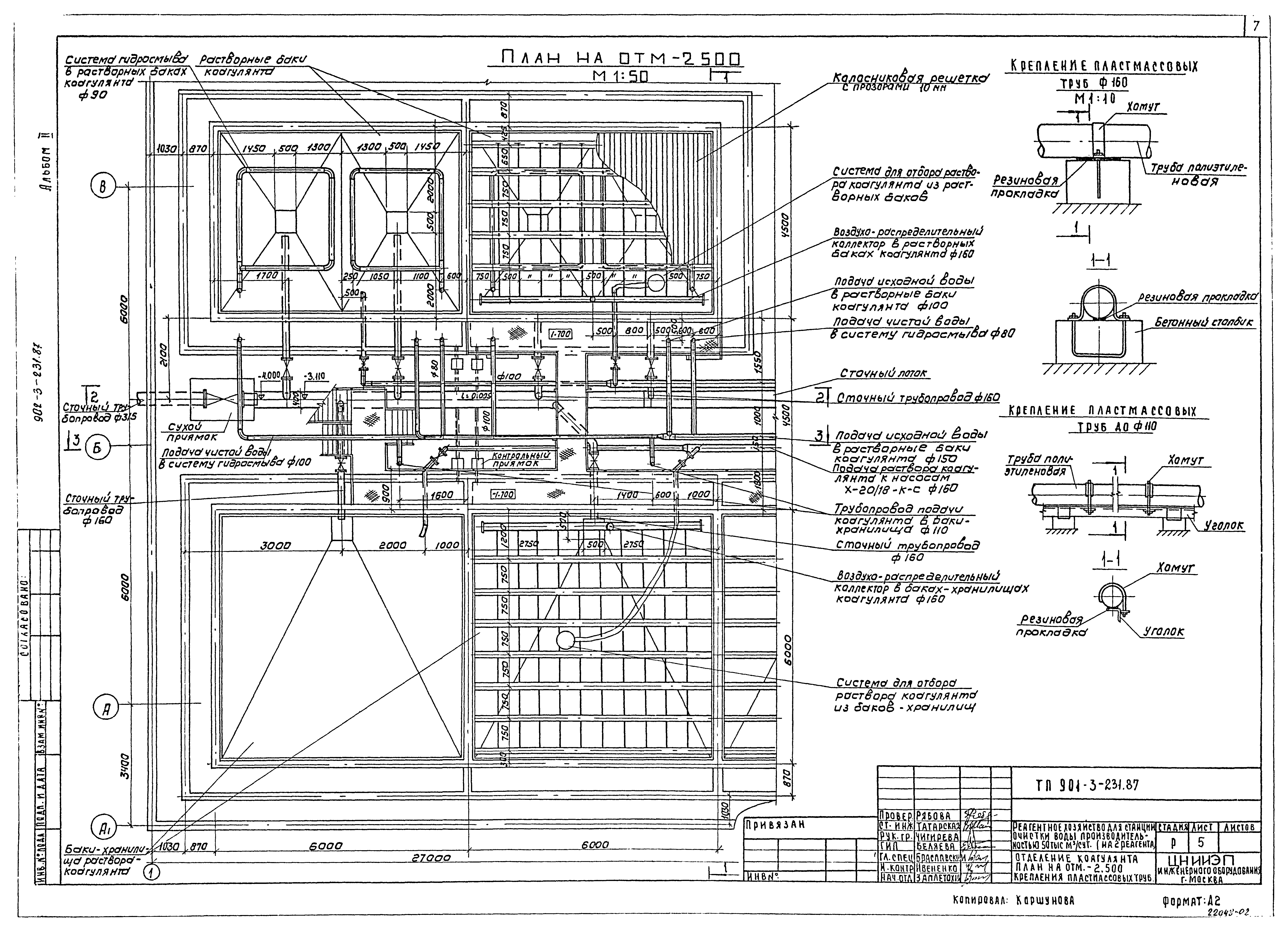
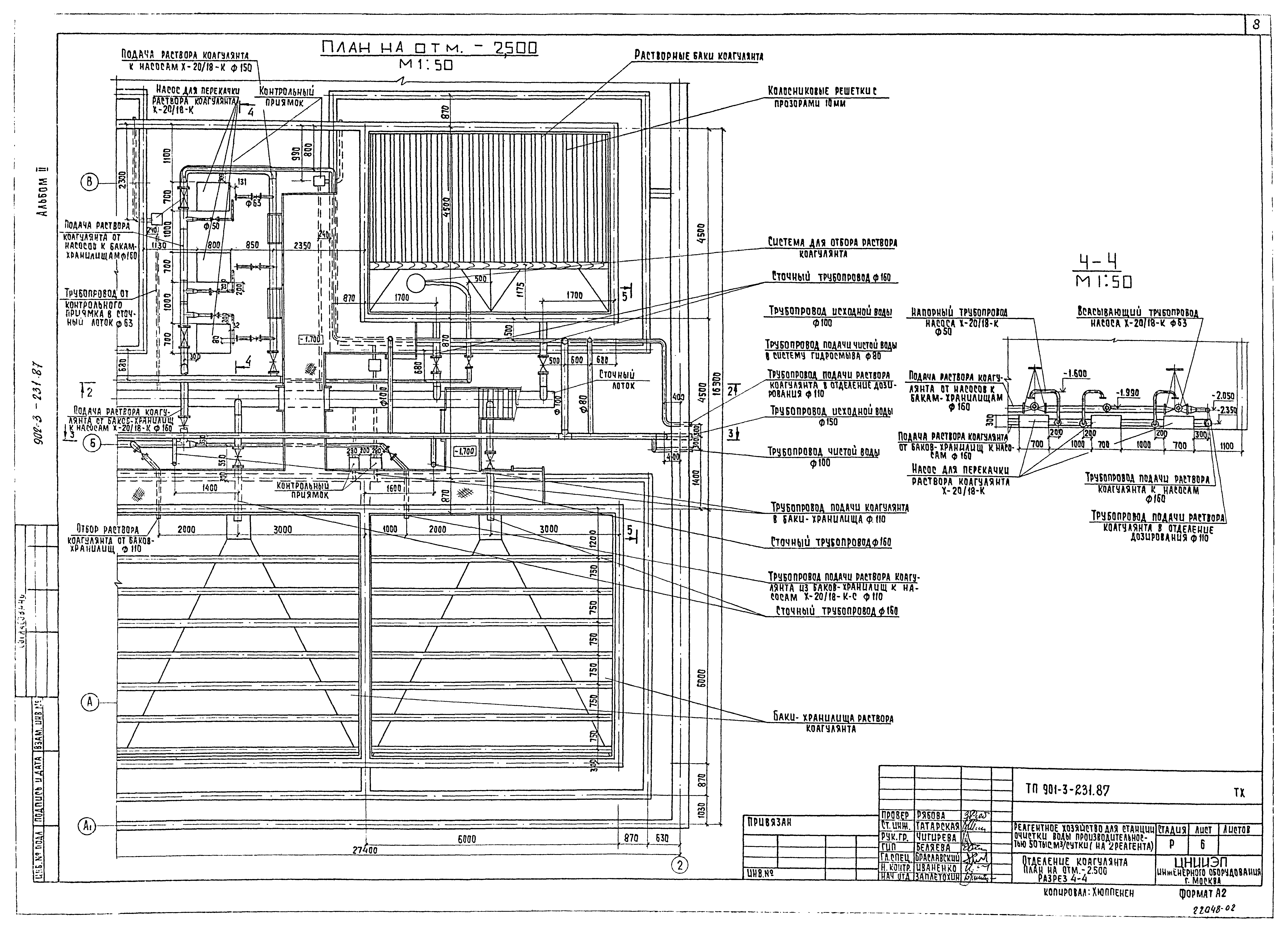
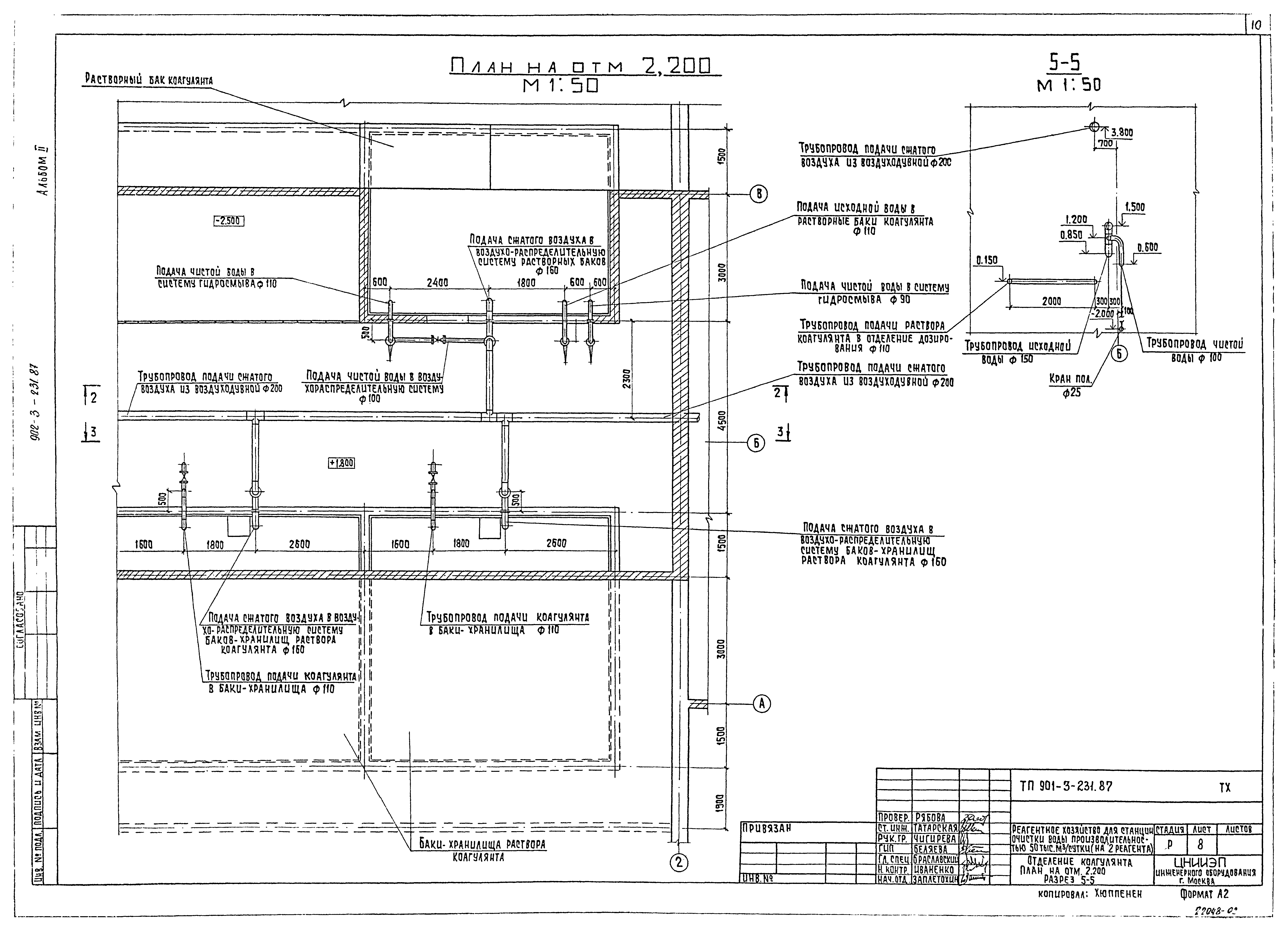
Скачать Типовой проект 901-3-232.87 Альбом II. Технологическая и санитарно-техническая части (из ТП 901-3-231.87)Дата актуализации: 01.01.2021
|
| Обозначение: | Типовой проект 901-3-232.87 |
| Обозначение англ: | 901-3-232.87 |
| Статус: | не определен законодательством |
| Название рус.: | Альбом II. Технологическая и санитарно-техническая части (из ТП 901-3-231.87) |
| Дата добавления в базу: | 01.01.2019 |
| Дата актуализации: | 01.01.2021 |
| Дата введения: | 13.02.1985 |
| Дата окончания срока действия: | 30.06.2003 |
| Разработан: | ЦНИИЭП инженерного оборудования |
| Утверждён: | 13.02.1985 Госгражданстрой (Gosgrazhdanstroy 43) |
| Издан: | ЦИТП Госстроя СССР (CITP, Gosstroy (USSR) 1987 г. ) |







































