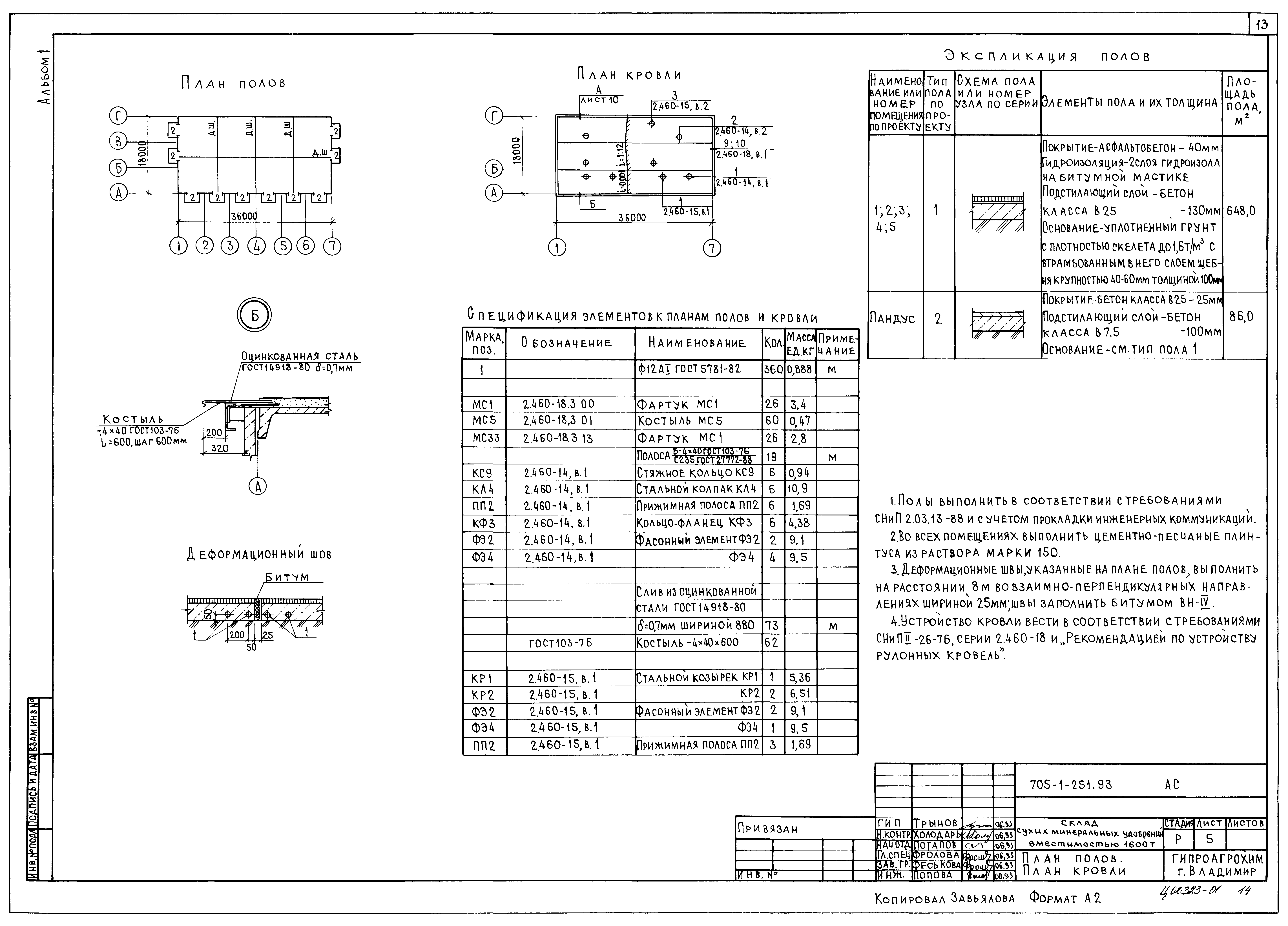
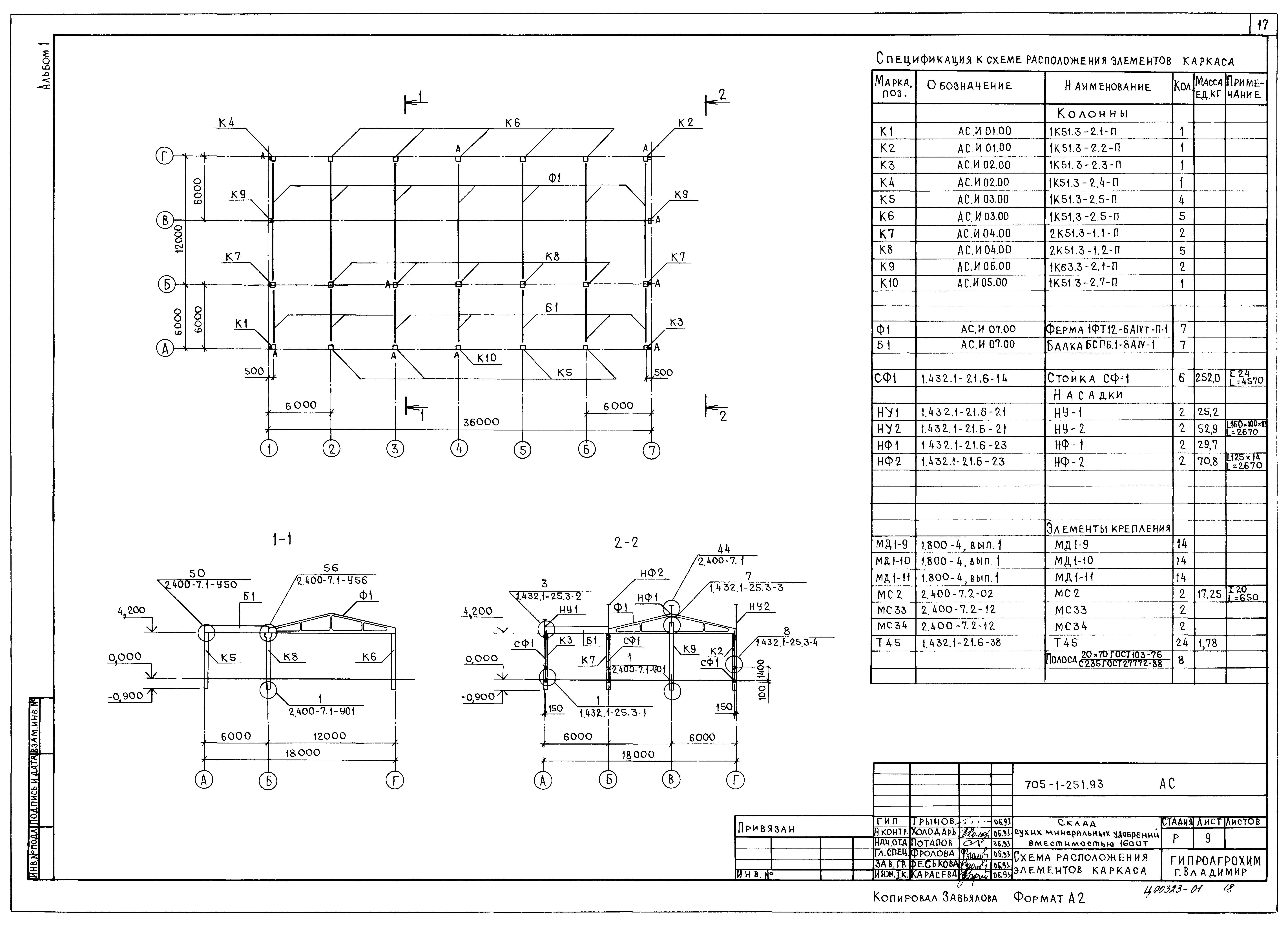
Скачать Типовой проект 705-1-251.93 Альбом 1. Пояснительная записка. Технология производства. Архитектурно-строительные решенияДата актуализации: 01.01.2021
|
| Обозначение: | Типовой проект 705-1-251.93 |
| Обозначение англ: | 705-1-251.93 |
| Статус: | не определен законодательством |
| Название рус.: | Альбом 1. Пояснительная записка. Технология производства. Архитектурно-строительные решения |
| Дата добавления в базу: | 01.01.2019 |
| Дата актуализации: | 01.01.2021 |
| Дата введения: | 14.03.1994 |
| Дата окончания срока действия: | 30.06.2003 |
| Разработан: | ОАО Институт Гипроагрохим |
| Утверждён: | 24.12.1993 Минсельхоз России (Russian Federation Minselkhoz 67) |
| Заменяет собой: |
|


























