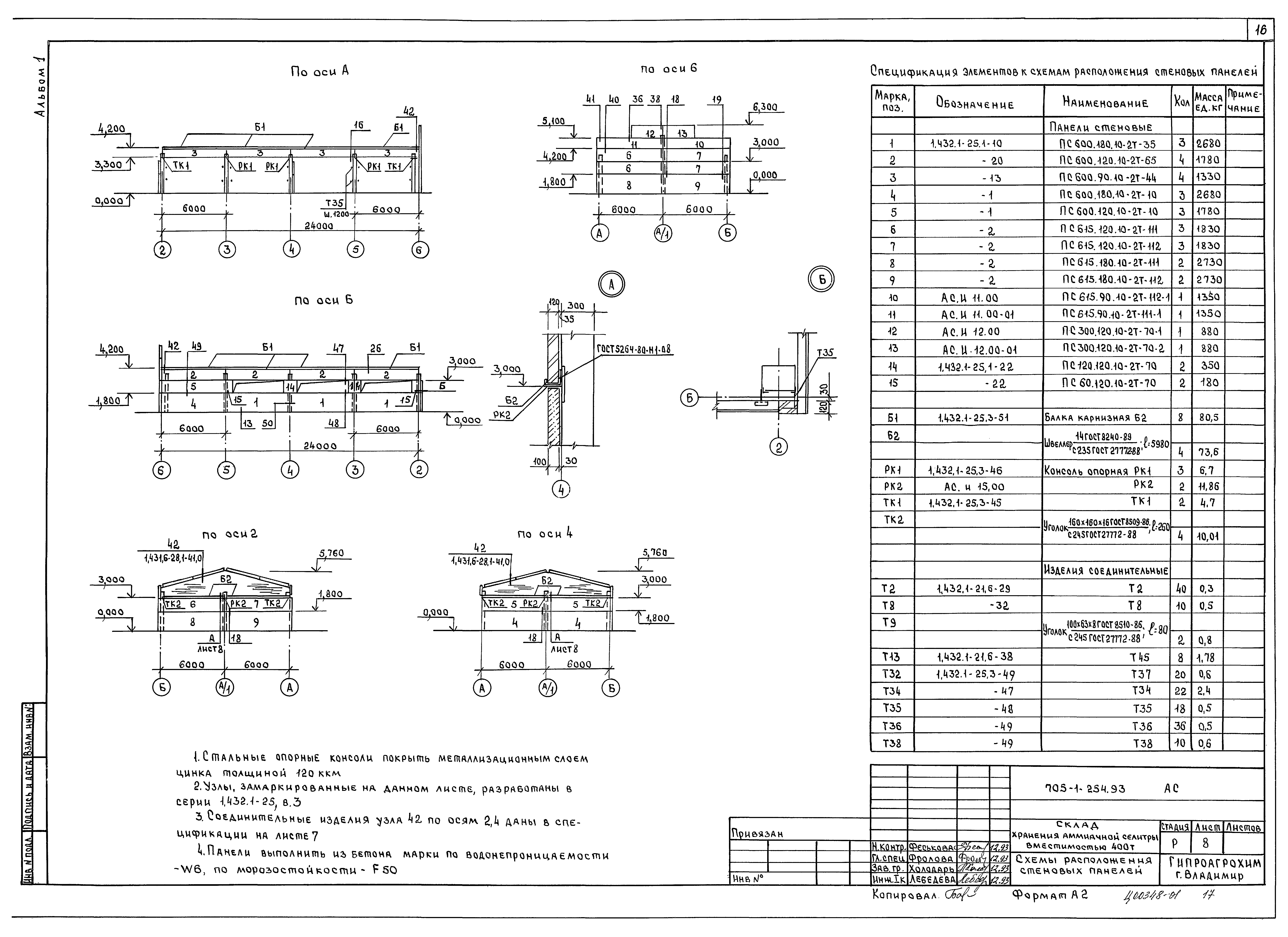
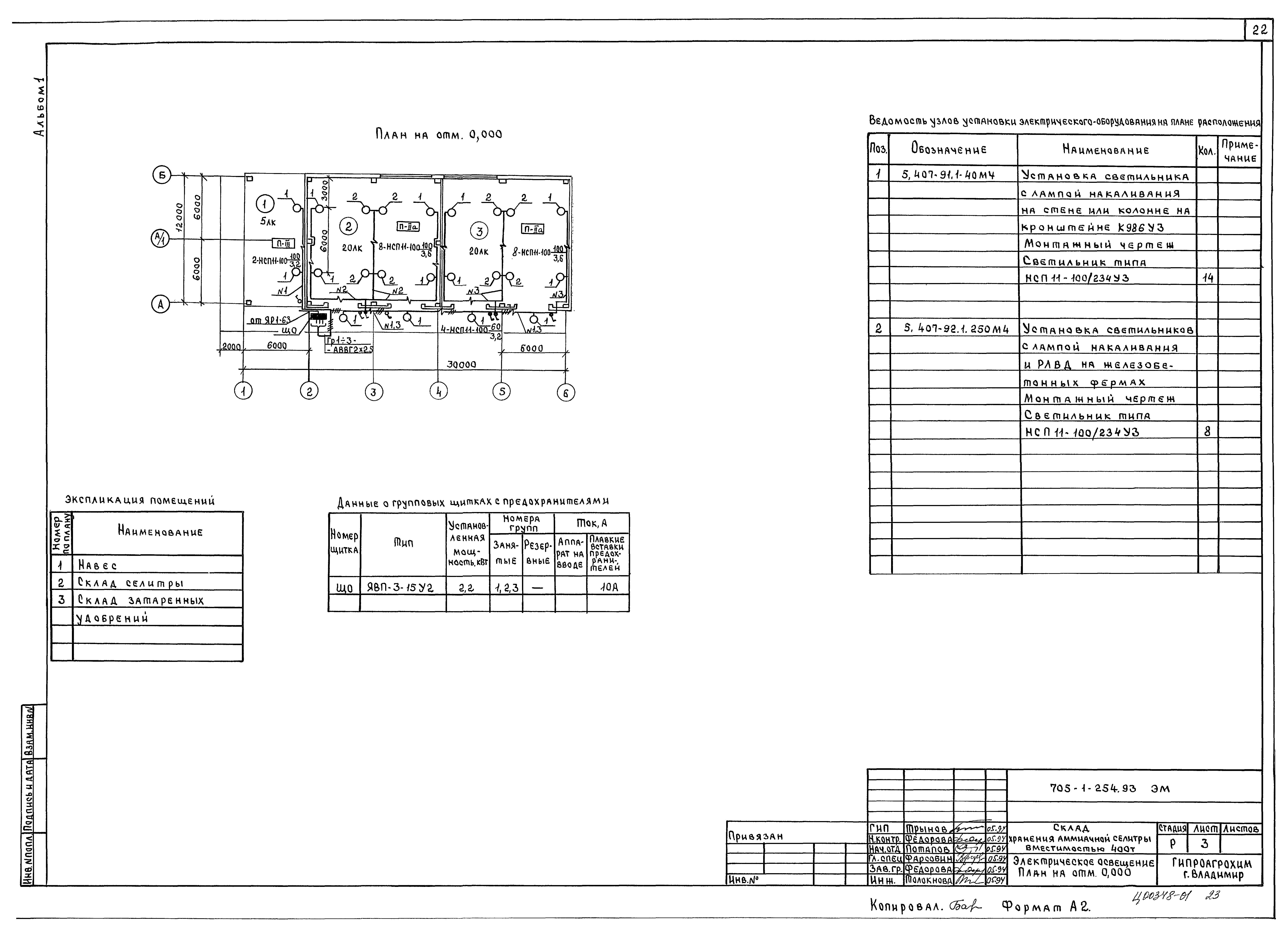
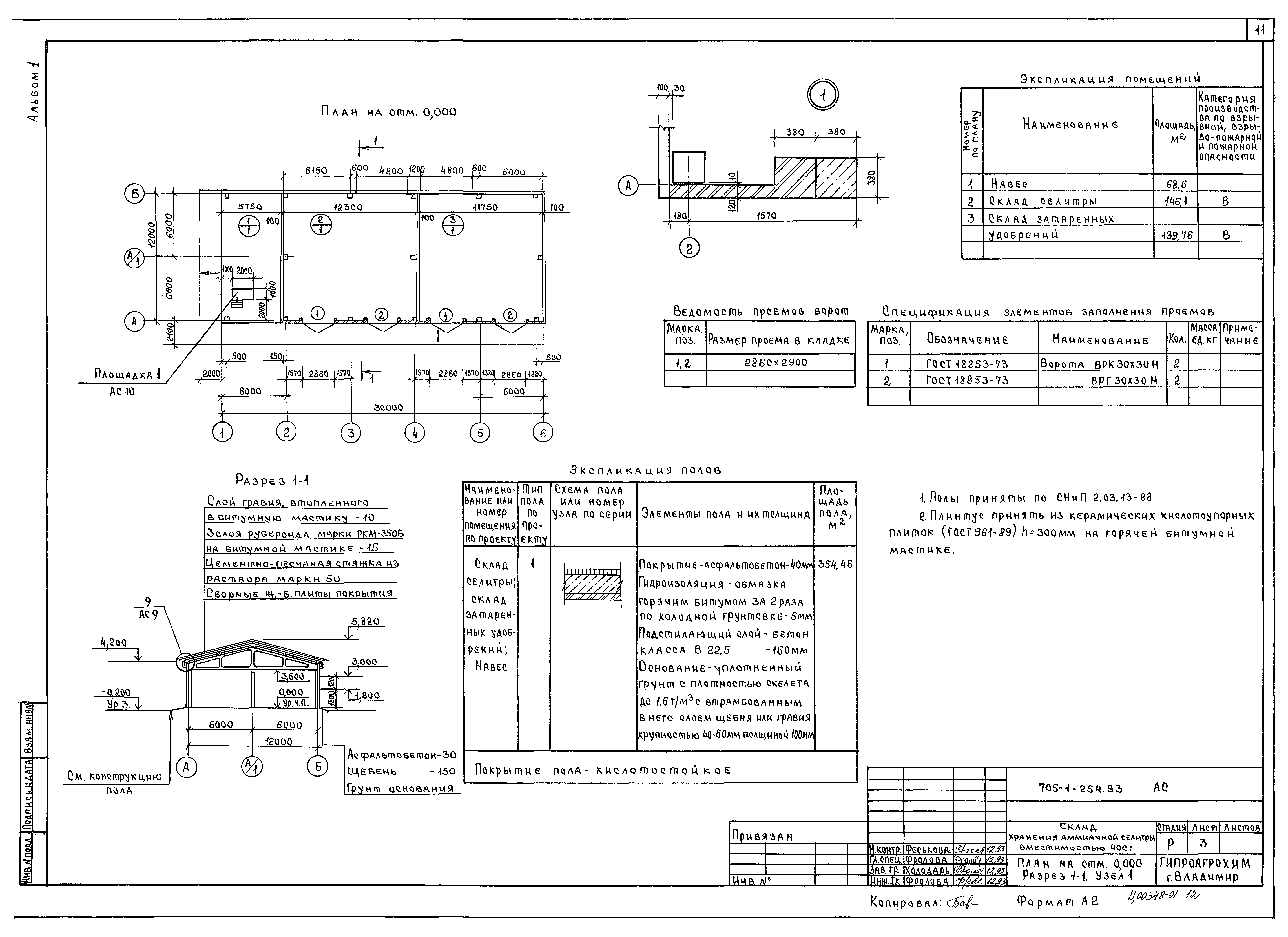
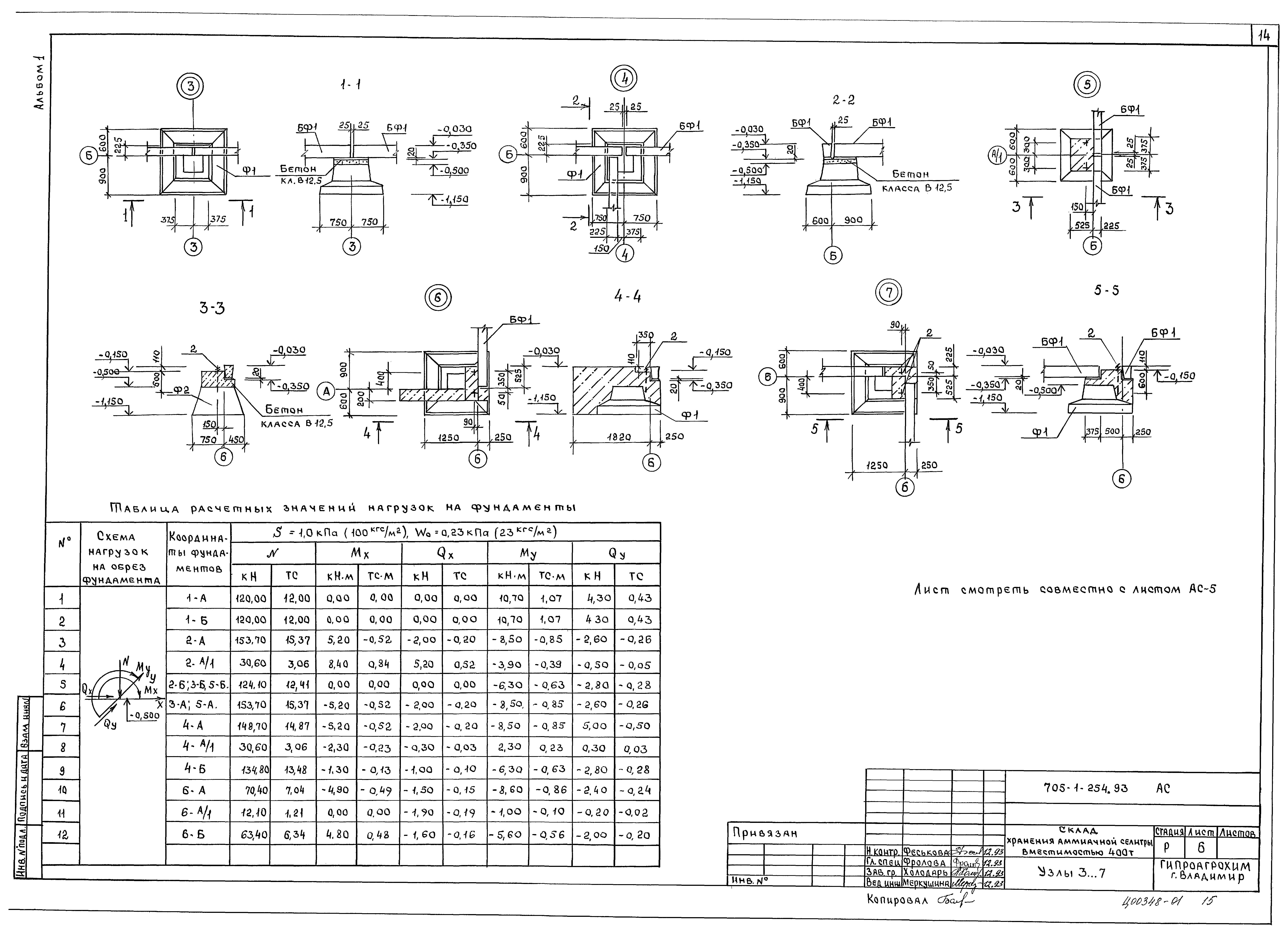
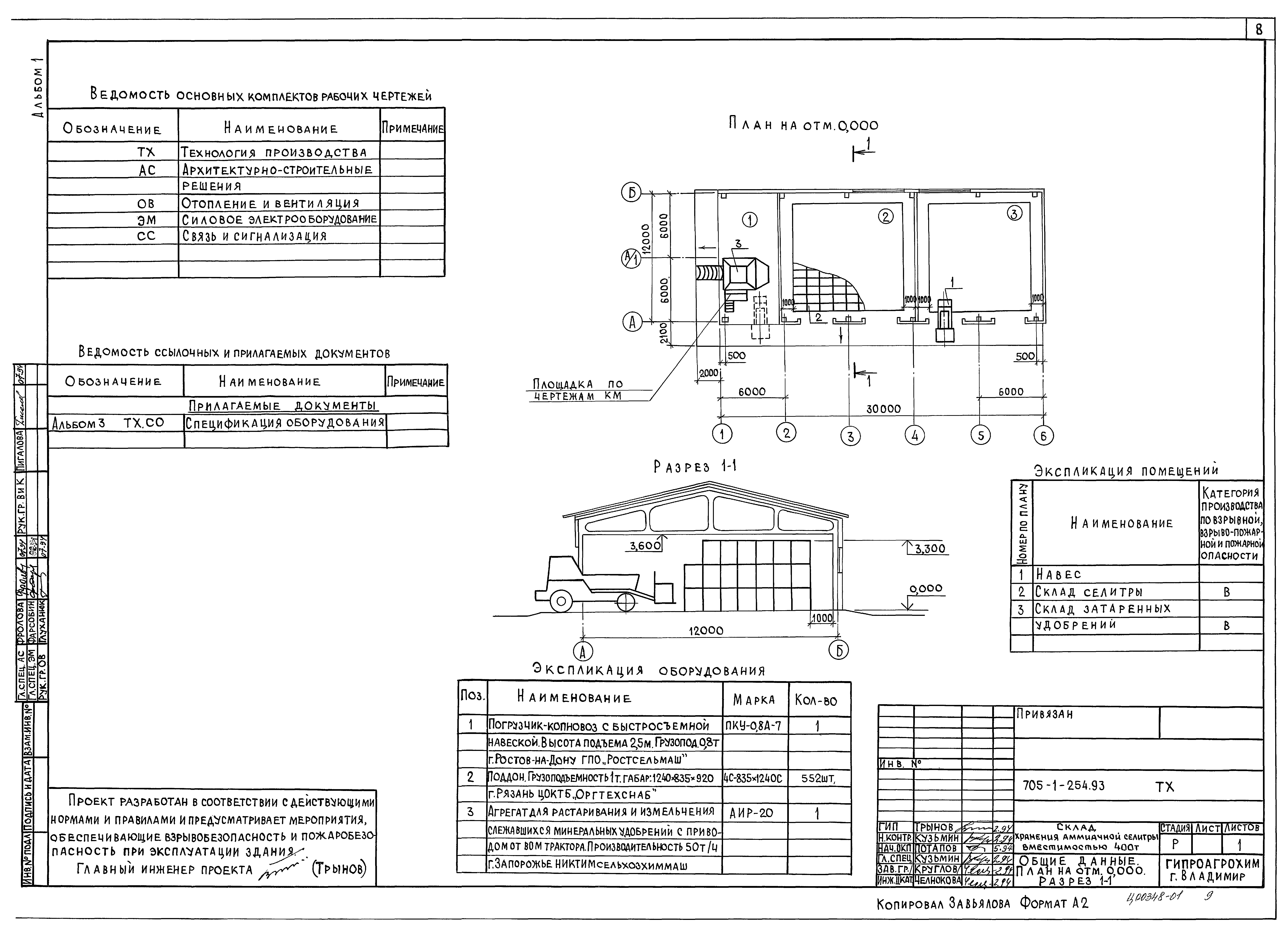
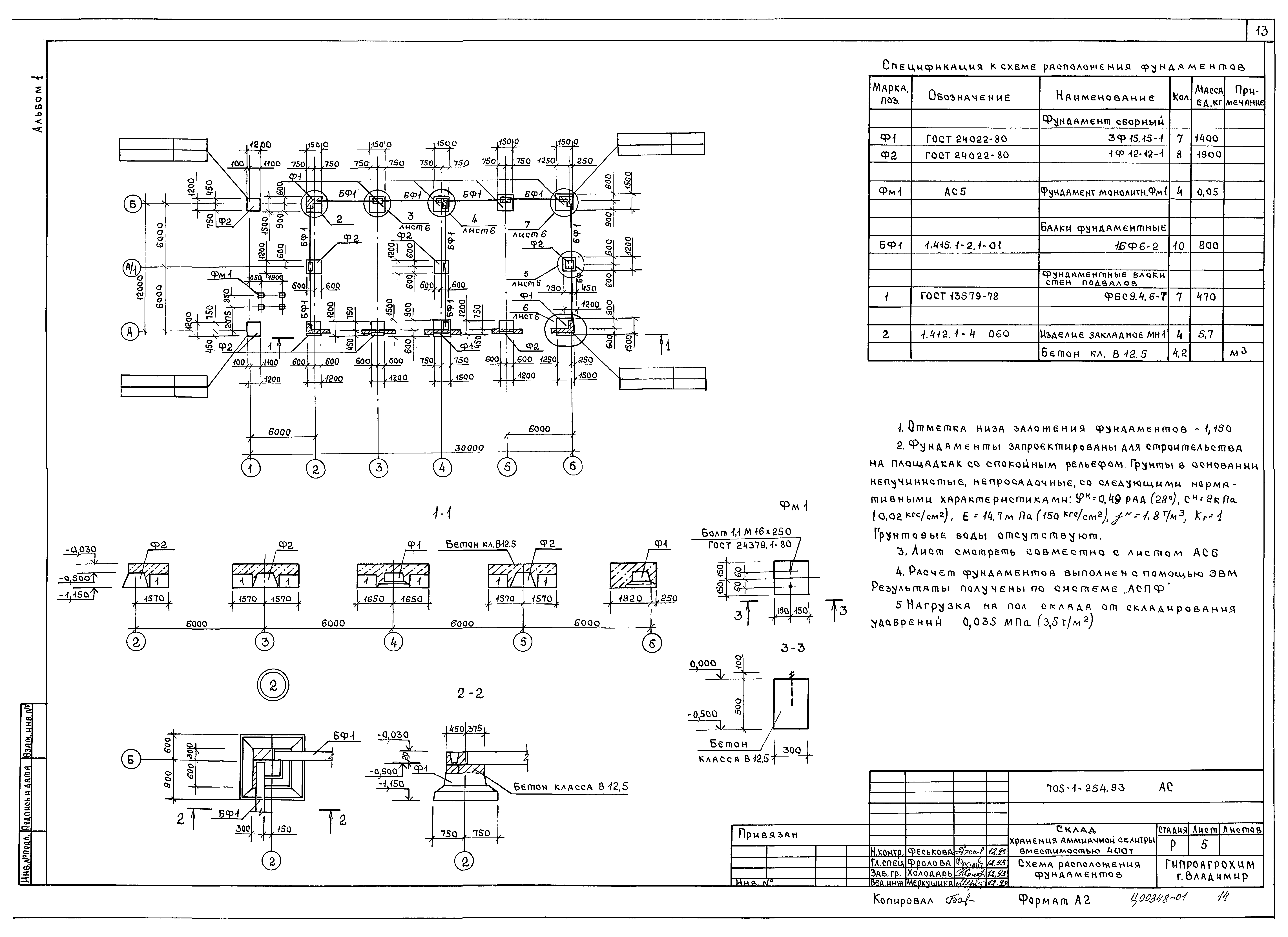
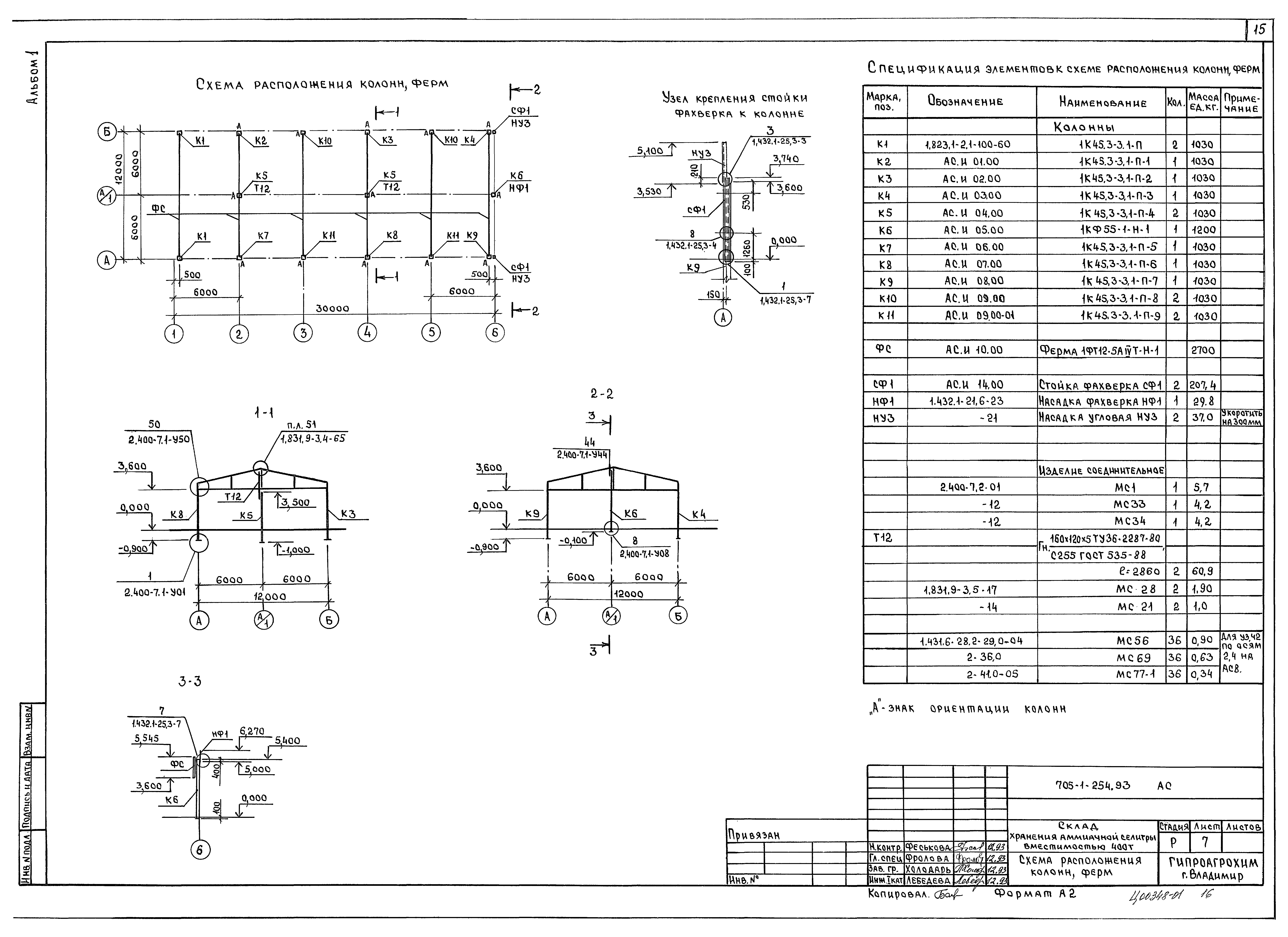
Скачать Типовой проект 705-1-254.93 Альбом 1. Пояснительная записка. Технология производства. Архитектурно-строительные решения. Отопление и вентиляция. Силовое электрооборудование. Связь и сигнализация

Дата актуализации: 01.01.2021

Типовой проект 705-1-254.93

Альбом 1. Пояснительная записка. Технология производства. Архитектурно-строительные решения. Отопление и вентиляция. Силовое электрооборудование. Связь и сигнализация

Обозначение: Типовой проект 705-1-254.93
Обозначение англ: 705-1-254.93
Статус:не определен законодательством
Название рус.:Альбом 1. Пояснительная записка. Технология производства. Архитектурно-строительные решения. Отопление и вентиляция. Силовое электрооборудование. Связь и сигнализация
Дата добавления в базу:01.02.2020
Дата актуализации:01.01.2021
Дата введения:28.12.1993
Дата окончания срока действия:30.06.2003
Разработан: Гипроагрохим
Утверждён:16.12.1993 Минсельхоз России (Russian Federation Minselkhoz 55)
Заменяет собой:
Типовой проект 705-1-254.93Типовой проект 705-1-254.93Типовой проект 705-1-254.93Типовой проект 705-1-254.93Типовой проект 705-1-254.93Типовой проект 705-1-254.93Типовой проект 705-1-254.93Типовой проект 705-1-254.93Типовой проект 705-1-254.93Типовой проект 705-1-254.93Типовой проект 705-1-254.93Типовой проект 705-1-254.93Типовой проект 705-1-254.93Типовой проект 705-1-254.93Типовой проект 705-1-254.93Типовой проект 705-1-254.93Типовой проект 705-1-254.93Типовой проект 705-1-254.93Типовой проект 705-1-254.93Типовой проект 705-1-254.93Типовой проект 705-1-254.93Типовой проект 705-1-254.93Типовой проект 705-1-254.93Типовой проект 705-1-254.93Типовой проект 705-1-254.93